Контрольная работа: Нормирование точности в машиностроении
|
Название: Нормирование точности в машиностроении Раздел: Промышленность, производство Тип: контрольная работа | |||||||||||||||||||||||||||||||||||||||||||||||||||||||||||||||||||||||
Содержание1.Гладкие сопряжения и калибры 1.1 Расчет допусков и посадок гладких цилиндрических сопряжений 1.2 Калибры для контороля гладких цилиндрических соединений 2.Расчет и выбор посадок подшипника качения 3.Шероховатость, отклонение формы и расположения поверхностей 4.Допуски и посадки шпоночных и шлицевых соединений 4.1 Шпоночное соединение 4.2 Прямобочное шлицевое соединение 4.3 Эвольвентное шлицевое соединение Литература 1.Гладкие сопряжения и калибры 1.Задана посадка Æ56H6/k5. Посадка с переходная. Предельные отклонения отверстия Æ56H6: верхнее ES=+19мкм; нижнее EI=0. Предельные отклонения вала Æ56k5: верхнее es=14 мкм; нижнее ei=+1 мкм. Предельные размеры отверстия и вала: Dmax = в + ES = 56 + 0,019 = 56,019 мм; Dmin = в + EI = 56 + 0 = 56 мм; dmax = в + es = 56 +0.014 = 56,014 мм; dmin = в + ei = 56 + 0.001 = 56,001 мм; Допуски размеров отверстия и вала: TD = IT6 = 19 мкм; Td = IT5 = 13 мкм; Параметры посадки (переходная). Smax = ES - ei = 19- 1 = 18мкм; Smin = EI - es = 0 - 14 = -14 мкм; TS = Smax - Smin = 18 + 14 = 32 мкм. Проверка: TS = Td+TD32= 19 + 13 2.Задана посадка Æ70S6/h7. Посадка с зазором. Предельные отклонения отверстия Æ70S6: верхнее ES=-59мкм; нижнее EI=-78. Предельные отклонения вала Æ70h7: верхнее es=0 мкм; нижнее ei=-30 мкм. Предельные размеры отверстия и вала: Dmax = в + ES = 70 + (-0.059) = 69.941 мм; Dmin = в + EI = 70 + (-78) = 69.922 мм; dmax = в + es = 70 + 0 = 70 мм; dmin = в + ei = 70 + (0.030) = 69.970 мм; Допуски размеров отверстия и вала: TD = IT6 = 19 мкм; Td = IT7 = 30 мкм; Параметры посадки (с зазором). Nmax= dmax - Dmin = = -0,078 мм; Nmin= dmin - Dmax = = -0,029 мм; TN = Nmax - Nmin = -0,0678 + 0,029 = -0,049 мм. Проверка: TN = Td+TD 0,049 = 0,019 + 0,030 3.Задана посадка Æ105F7/h7. Посадка c зазором. Предельные отклонения отверстия Æ53H7: верхнее ES=+30мкм; нижнее EI=0. Предельные отклонения вала Æ53k5: верхнее es=+15 мкм; нижнее ei=+2 мкм. Предельные размеры отверстия и вала: Dmax = в + ES = 53 + 0,030 = 53,030 мм; Dmin = в + EI = 53 + 0 = 53 мм; dmax = в + es = 53 + 0,015 = 53,015 мм; dmin = в + ei = 53 + 0,002 = 53,002 мм; Допуски размеров отверстия и вала: TD = IT7 = 30 мкм; Td = IT5 = 13 мкм; Параметры посадки (переходная). Smax= Dmax - dmin = 53,030 - 53,002 = 0,028 мм; Nmax = dmax - Dmin = 53,015 - 53 = 0,015 мм; Smin = -Nmax = -0,015 мм; Nmin = -Smax = -0,028 мм; TS(N) = Smax + Nmax = 0,028 - 0,015 = 0,043 мм. Проверка: TS(N) = Td+TD 0,043 = 0,013 + 0,030 4.Задана посадка Æ21H8/h7. Посадка с зазором. Предельные отклонения отверстия Æ21H8: верхнее ES=+33мкм; нижнее EI=0. Предельные отклонения вала Æ21h7: верхнее es=0 мкм; нижнее ei=-21 мкм. Предельные размеры отверстия и вала: Dmax = в + ES = 21 + 0,033 = 21,033 мм; Dmin = в + EI = 21 + 0 = 21 мм; dmax = в + es = 21 + 0 = 21 мм; dmin = в + ei = 21 + (-0,021) = 20,979 мм; Допуски размеров отверстия и вала: TD = IT8 = 33 мкм; Td = IT7 = 21 мкм; Параметры посадки (c зазором). Smax = Dmax - dmin = 21,033 - 20,979 = 0,054 мм; Smin = Dmin - dmax = 21 - 21 = 0; TS = Smax - Smin = 0,054 - 0 = 0,054 мм. Проверка: TS = Td+TD0,054 = 0,021 + 0,033 Полученные данные для всех посадок заносим в таблицу 1.1. Таблица 1.1 Типы и параметры посадок
Рисунок 1.1 - Схема посадки №1 с зазором
Рисунок 1.2 - Схема посадки №2 с натягом
Рисунок 1.4 – Схема посадки №4 с зазором
а)
б) Рисунок 1.5 – Эскизы сопрягаемых деталей: а) отверстия; б) валы; 1.2 Калибры для контроля гладких цилиндрических соединений Разработаем предельные калибры для контроля сопряжения Æ34H7/s7. Устанавливаем допуски на изготовление предельных калибров по таблице 3 и 4. Исходные данные: Для отверстия Æ34H7: Н=4 мкм; Z=3,5 мкм; α=0. Для вала: Æ34s7: H1 =4 мкм, Z1=3,5 мкм, Hp =1,5 мкм, α1 =0, Y1=3 мкм. Исполнительный размер проходной стороны калибра-пробки: Прmax= Dmin+Z+ размер на чертеже Æ34,0055-0,004 мм. Исполнительный размер непроходной стороны калибра-пробки: Неmax= Dmax- α + размер на чертеже Æ34,027-0,004 мм. Исполнительный размер проходной стороны калибра-скобы: Прmin= dmax-Z1
- размер на чертеже Æ34,0625+0,004 мм. Исполнительный размер непроходной стороны калибра-скобы: Неmin= dmin+ α1
- размер на чертеже Æ34,041+0,004 мм. Исполнительный размер контрольного калибра: К-Иmax= dmax+ Y1
- α1
+ размер на чертеже Æ34,0702-0,0015 мм. Исполнительный размер проходного контрольного калибра: К-Прmax= dmax-Z1
+ размер на чертеже Æ34,0652-0,0015 мм. Исполнительный размер непроходного контрольного калибра: К-Неmax= dmin+ α1
+ размер на чертеже Æ34,0437-0,0015 мм. Шероховатость рабочих поверхностей калибров: Ra ≤ 0,012Tразм (H1 ,H), H1 =H=4 мкм; Ra = 0,012۰4 = 0,048 мкм; Принимаем Ra из стандартного ряда Для обоих калибров: Ra =0,05 мкм.
Рисунок 1.6 Схемы полей допусков предельных калибров
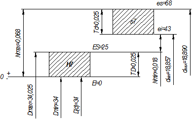
2. Расчет и выбор посадок подшипников качения Исходные данные: подшипник 409; класс точности 0; радиальная сила F=4000 H; вращающимся является внутреннее кольцо. 1. Параметры подшипника 409: d=45 мм; D=120 мм; B=29 мм; r=3,0 мм. В рассматриваемом узле вращающимся кольцом является внутреннее кольцо подшипника, поэтому его посадку на вал производим с натягом, а наружное кольцо устанавливаем в корпус с зазором. 2. Определение минимального потребного натяга для внутреннего кольца подшипника:
где коэффициент k=2 для тяжёлой серии подшипника. 3. Определение максимального допустимого натяга внутреннего кольца подшипника:
4. По значению Nmin подбираем из числа рекомендуемых посадку для внутреннего кольца подшипника: Æ 45 L0/m6. По таблице 9 определяем предельные отклонения размеров: для отверстия: ES=0; EI=–12 мкм; для вала: es=+25 мкм; ei=+9 мкм; 5. Определение минимального и максимального натяга в соединении:
Tак как 6. Выбираем посадку для наружного кольца подшипника из рекомендованных: Æ 120H7/l0. Предельные отклонения: для отверстия: ES=+35 мкм; EI=0; TD=35 мкм; для вала: es=0; ei=–15 мкм. Td=15 мкм; Для выбранной посадки максимальный зазор: Smax =ES–ei=35–(–15)=50 мкм. Для выбранной посадки минимальный зазор: Smin=EI–es=0–0=0 мкм. 7. Строим схему полей допусков выбранных посадок для колец подшипника качения:
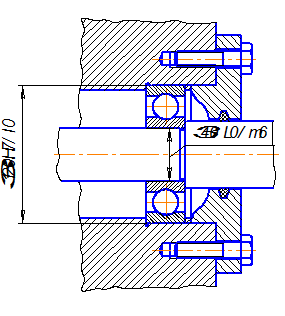
8. Эскиз сборочного узла
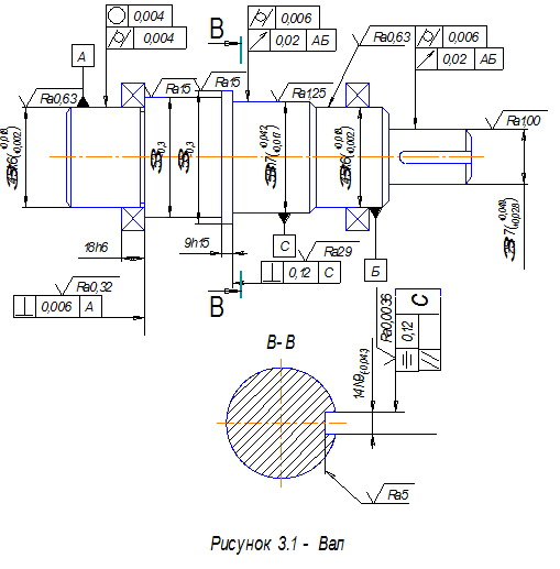
Рисунок 2.2Сборочный узел 3. Шероховатость, отклонения формы и расположения поверхностей Исходные данные: 1.Æ 45k6; Td=16 мкм; 2.Æ50n7; Td=25 мкм; 3.Æ 45k6; Td=16 мкм; 4.Æ25r7; Td=21 мкм; 5.Æ53-0,3 ; Td=300 мкм; 6.Æ55-0,3 ; Td=300 мкм; 7.18h6; Td=11 мкм; 8.9h15; Td=580 мкм; 9.Æ14N9; Td=43 мкм; 3.1 Шероховатости отмеченных поверхностей находим сообразно назначению этих поверхностей и допуску их размера 3.1.1 Определим шероховатость для посадочных мест подшипников качения Поверхность Æ 45k6: Td=16 мкм;
принимаем Ra =0,63 мкм из стандартного ряда. Поверхность Æ 45k6: Td=16 мкм Аналогично предыдущей поверхности Ra =0,63 мкм. 3.1.2 Шероховатость для ответственных поверхностей, образующих с сопрягаемыми поверхностями других деталей определённые посадки В общем случае выделенные поверхности можно считать поверхностями нормальной геометрической точности, для которых параметр шероховатости Поверхность Æ 50n7: Td=25 мкм;
принимаем Ra =1,25 мкм из стандартного ряда. Поверхность Æ 25r7: Td=21 мкм;
принимаем Ra =1,00 мкм из стандартного ряда. Поверхность Æ 18h6: Td=11 мкм;
принимаем Ra =0,32 мкм из стандартного ряда. 3.1.3 Определение шероховатости поверхностей, к которым не предъявляются высокие требования Поверхность Æ 53-0,3 : Td=300 мкм;
принимаем Ra =12,5 мкм из стандартного ряда. Поверхность Æ 55-0,3 : Td=300 мкм;
принимаем Ra =12,5 мкм из стандартного ряда. Поверхность Æ 9h15: Td=580 мкм;
принимаем Ra =25 мкм из стандартного ряда. Шероховатость поверхностей шпоночного паза принимается в пределах Ra =3,6…12,5 мкм, причём большие значения соответствуют дну паза. 3.2 Допуски на отклонение формы и расположения поверхностей также определим приближённым методом 3.2.1 Расчёт допусков на отклонение от круглости и цилиндричности поверхностей Поверхность Æ 45k6: Td=16 мкм; T T Поверхность Æ 50n7: Td=25 мкм; T Поверхность Æ 25r7: Td=21 мкм; T 3.2.2 Допуск на радиальное биение поверхности относительно поверхности АБ Поверхность Æ 50n7: T Поверхность Æ 25r7: T 3.2.3 Допуск на отклонение от перпендикулярности торца поверхности Æ50-0,3 для фиксации подшипника зависит от допуска размера на ширину подшипника
Допуск на отклонение от перпендикулярности поверхности Æ9h15:
3.2.4 Допуск на отклонение от симметричности расположения шпоночного паза
3.2.5 Допуск на отклонение от параллельности шпоночного паза T//
где TB - при определении допуска перпендикулярности является допуском на ширину подшипника; при определении допуска отклонения от симметричности боковых сторон шпоночного паза является допуском на ширину паза вала. Чертим эскиз вала
4. Допуски и посадки шпоночных и шлицевых соединений. 4.1 Шпоночные соединения. Исходные данные: d=35 мм, тип соединения 3 (плотное соединение). По ГОСТ 23360-78 выбираем основные размеры соединения: b=10 мм, h=8 мм; Глубина паза вала и втулки соответственно: t1 =5 мм, t2 =3,3 мм; Вид исполнения 1; Длина шпонки l=50 мм; Условное обозначение шпонки: Шпонка 1-10 ĥ 8 ĥ 50 ГОСТ 23360-78. Условия применения – плотное характеризуемое вероятностью получения примерно одинаковых небольших натягов в соединении шпонок с обоими пазами; сборка осуществляется напрессовкой, применяется при редких разборках и реверсивных нагрузках. Для заданного типа соединения назначаем поля допусков для деталей шпоночного соединения: поле допуска вала s6, поле допуска отверстия H7, поле допуска ширины шпонки b - h9, поле допуска высоты шпонки h - h11, поле допуска длины шпонки l - h14, поле допуска ширины паза на валу и во втулке - P9, Определяем предельные отклонения пользуясь стандартом на гладкие соединения: диаметр вала 35 диаметр втулки 35 ширина шпонки 10 высота шпонки 8 длина шпонки 50 ширина паза на валу 10 ширина паза во втулке 10 глубина паза вала
• глубина паза втулки
Строим схемы расположения полей допусков (рисунок 4.1).
4.2 Прямобочное шлицевое соединение Исходные данные: b-6 ĥ 28H11/≥ 26,7 ĥ 32H12/a11 ĥ7F8/js7 ГОСТ 1139-80 Прямобочное шлицевое соединение: центрирование по боковым поверхностям зубьев b; поле допуска центрирующего диаметра D=32 мм H12 - втулки, a11 - вала; число прямобочных шлицов 6; внутренний диаметр соединения d=28 мм; ширина шлица b=7 мм, поле допуска ширины шлица втулки F8, поле допуска ширины шлица вала js7. Центрирование по b применяется, когда не требуется особой точности соосности, при передаче значительных моментов, в случаях, когда недопустимы большие зазоры между боковыми поверхностями вала и втулки; наиболее простой и экономичный способ. По ГОСТ 1139-80 назначаем поля допусков втулки и вала по нецентрирующему диаметру: втулки H11, предельное отклонение вала по нецентрирующему диаметру в не менее 26,7 мм. Величины предельных отклонений диаметров и ширины прямобочного шлица: Для втулки b-6 ĥ 28H11 ĥ 32H12 ĥ7F8 ГОСТ 1139-80 центрирующий диаметр нецентрирующий диаметр ширина паза Для вала b-6 ĥ ≥ 26,7 ĥ 32a11 ĥ7js7 ГОСТ 1139-80 центрирующий диаметр нецентрирующий диаметр ширина паза Строим схемы расположения полей допусков (рисунок 4.2).
4.3 Эвольвентные шлицевые соединения Исходные данные: 48 ĥ H7/h6 ĥ 2 ГОСТ 6033-80 Номинальный диаметр D=48 мм, Модуль m=2 мм, вид центрирования по наружному диаметру, поле допуска наружного диаметра втулки Df - H7, поле допуска наружного диаметра вала da - h6. Центрирование по наружному диаметру в наиболее технологично, так как в этом случае в качестве окончательной операции отверстия выполняют протягивание, а при обработке вала - шлифование. Такое центрирование применяется в деталях с незакалённым отверстием. Определяем по ГОСТ 6033-80 недостающие параметры эвольвентного соединения: Число зубьев Z=22; Делительный диаметр:
Диаметр впадин шлицевого вала
Диаметр внутренней втулки
Назначаем поле допуска ширины впадины втулки e - 9H, поле допуска толщины зуба вала S - 9d: посадка 9H/9d. Поле допуска втулки и вала по нецентрируемому диаметру при плоской форме дна впадины: для втулки Da - H11, для вала df - h16, посадка H11/h16. Величины предельных отклонений диаметров, предельные отклонения по боковым сторонам зубьев: Для втулки 48 ĥ H7 ĥ 2 ГОСТ 6033-80: центрирующий диаметр ширина впадины e - 9H: ES=+71мкм; EJe =+26 мкм; EJ=0; Для вала 48 ĥ h6 ĥ 2 ГОСТ 6033-80: центрирующий диаметр толщина зуба S - 9d: es=-44 мкм; ese =-70 мкм; ei=-115 мкм; Строим схемы расположения полей допусков (рисунок 4.3).
Литература 1. Марков Н.Н., Осипов В.В., Шабалина М.Б. Нормирование точности в машиностроении: Учеб. для машиностроит. спец. вузов. / Под ред. Ю.М. Соломенцева. – 2-е изд., перераб. и доп. – М.: Высш. шк.; Издательский центр "Академия", 2001. – 335 с.: ил. 2.Якушев А.И. и др. Взаимозаменяемость, стандартизация и технические измерения: Учебник для втузов / А.И. Якушев, Л.Н. Воронцов, Н.М. Федотов. – 6-е изд., перераб. и доп. – М.: Машиностроение, 1987. – 352 с.: ил. 3. В.И. Анурьев "Справочник конструктора-машиностроителя": в 3 т. -8е изд.: -М.: Машиностроение, 2001г. |
|||||||||||||||||||||||||||||||||||||||||||||||||||||||||||||||||||||||








мкм,
мкм.




