Курсовая работа: Расчет узла привода
|
Название: Расчет узла привода Раздел: Промышленность, производство Тип: курсовая работа | |||||||||||||||||||||||||||||||||||||
САНКТ-ПЕТЕРБУРГСКИЙ ГОСУДАРСТВЕННЫЙ ПОЛИТЕХНИЧЕСКИЙ УНИВЕРСИТЕТ Кафедра машиноведения и деталей машин Пояснительная записка Курсовой проект Расчет узла привода Выполнил: Студент группы 3032/2 Кривошеев Н.С. Провеил: Руководитель Гутовский И.Е. Санкт-Петербург 2010 Cодержание 1.1 Энерго-кинематический расчет узла привода 1.2 Расчет косозубой цилиндрической передачи 1.2.1 Проектировочный расчет передачи по контактной выносливости зуба 1.2.2 Проверочный расчет зубьев на контактную выносливость 1.2.3 Проверочный расчет зубьев на изгибную выносливость 1.2.4 Проверочный расчет зубчатой передачи при перегрузке 1.3 Расчет размеров шестерни прямозубой цилиндрической передачи 1.4 Расчет и проектирование промежуточного вала 1.4.1 Проектировочный расчет вала 1.4.2 Выбор и проверочный расчет подшипников качения 1.5 Проверочный расчет шпоночных соединений 1.6. Проверочный расчет промежуточного вала Литература 1.1 Энерго-кинематический расчет узла приводаЗадачей раздела является расчет моментов, частот вращения, мощностей на всех валах привода и передаточных чисел для быстроходной и тихоходной передач. Кинематическая схема узла привода
Рис.1.1. | - входной (быстроходный) вал; | | - промежуточный вал; | | | - выходной (тихоходный) вал; 1, 3 - шестерни; 2, 4 - зубчатые колеса; 1-2 - быстроходная передача, 3-4 - тихоходная передача. Известно, что мощность может быть определена по формуле N= T·w, (1.1) Где N - мощность, Вт; T - вращающий момент, Н·м; w - угловая скорость, рад/с. Угловая скорость может быть определена по формуле
где n - частота вращения, об/мин. Угловая скорость на выходном вале определяется по формуле
где w3 - угловая скорость на тихоходном валу, рад/с; n3 - частота вращения тихоходного вала, об/мин. n3 =75 об/мин (из технического задания) Подставляя численные значения в выражение (1.3), найдем угловую скорость на тихоходном валу
Мощность на выходном вале может быть определена по формуле N3 =T3 ·w3 , (1.4) Где N3 - мощность на тихоходном вале, Вт; T3 - вращающий момент на тихоходном вале, Н·м. Подставляя численные значения в выражение (1.4), получим значение мощности на тихоходном вале N3 =2250·7,85=17,6 кВт. Запишем выражение для общего КПД
hобщ - общий коэффициент полезного действия; N1 - мощность на входном валу, Вт. Выражая из формулы (1.5) N1 , получим
Запишем формулу для общего КПД
где hПК1 - КПД подшипника качения на входном валу; hЗПБ - КПД быстроходной зубчатой передачи; hПК2 - КПД подшипника качения на промежуточном валу; hЗПТ - КПД тихоходной зубчатой передачи; hПК3 - КПД подшипника качения на выходном валу. Выбираем hПК1 =hПК2 =hПК3 =0,99; для зубчатой передачи в закрытом корпусе с цилиндрическими колесами hЗПБ =0,98; для открытой зубчатой передачи hЗПТ =0,96. Подставляя численные значения в выражение (1.7), получим величину общего КПД hобщ =0,99·0,98·0,99·0,96·0,99=0,913. Подставляя численные значения в выражение (1.6), получим величину мощности на входном валу
Угловую скорость на входном валу можно определить по формуле
где n1 - частота вращения входного вала, об/мин. Подставляя численные значения в выражение (1.8), найдем величину угловой скорости на входном валу
Вращающий момент на входном валу определим по формуле
где T1 - вращающий момент на входном валу, Н·м. Подставляя численные значения, получаем
Запишем формулу для мощности на промежуточном валу N2 =N1 ·hПК1 ·hЗПБ , (1.10) где N2 - мощность на промежуточном валу, Вт. Подставляя численные значения в выражение (1.10), найдем величину мощности на промежуточном валу N2 =19300·0,99·0,98=18,8 кВт. Введем коэффициент
где U1-2 - передаточное число быстроходной передачи; U3-4 - передаточное число тихоходной передачи. Запишем выражение для общего передаточного числа Uобщ = U1-2 ·U3-4, (1.12) где Uобщ - общее передаточное число. Запишем формулу для Uобщ
Подставляя численные значения в выражение (1.13), найдем Uобщ
Выражая из формул (1.11) и (1.12) передаточное число тихоходной передачи, получаем
Подставляя численные значения в выражение (1.14), получаем
Выражая из формулы (1.12) передаточное число быстроходной передачи, получаем
Подставляя численные значения в формулу (1.15), получаем
Частоту вращения промежуточного вала определим по формуле
где n2 - частота вращения промежуточного вала, об/мин. Подставляя численные значения в формулу (1.16), получаем
Угловая скорость на промежуточном валу определяется по формуле
где w2 - угловая скорость на промежуточном валу, рад/с. Подставляя численные значения в формулу (1.17), получаем
Вращающий момент на промежуточном валу определим по формуле
где T2 - вращающий момент на промежуточном валу, Н·м. Подставляя численные значения в выражение (1.18), получаем
Результаты всех вычислений сведем в таблицу Таблица 1.1. Результаты энерго-кинематического расчета
1.2 Расчет косозубой цилиндрической передачи1.2.1 Проектировочный расчет передачи по контактной выносливости зубаЗадачей раздела является определение всех размеров косозубой цилиндрической передачи. Основной причиной выхода передачи из строя служит усталостное выкрашивание. Следовательно, критерием проектировочного расчета является контактная выносливость. Формула для проектировочного расчета может быть записана в виде
где aw - межосевое расстояние, мм; [sH ] - допускаемое контактное напряжение, Н/мм2 ; yba - коэффициент ширины зуба; KH b - коэффициент неравномерности распределения нагрузки по ширине зуба; Ka - коэффициент. Для косозубых передач выбираем Ka =43. Согласно техническому заданию твердость поверхностей зубьев HB=300, поэтому для симметричного расположения зубчатых колес относительно опор KH b =1,1. Для косозубых передач принимаем yba =0,5. Для косозубых колес расчетное допускаемое контактное напряжение может быть вычислено по формуле [sH ] =0,45· ([sH ] шест+ [sH2 ] кол), (1.20) где [sH ] шест и [sH ] кол - допускаемые контактные напряжения соответственно для шестерни и колеса, Н/мм2 , [sH ] шест и [sH ] кол определим по формуле
где sH lim b - предел контактной выносливости при базовом числе циклов, Н/мм2 ; Kα - коэффициент долговечности; [SH ] - коэффициент безопасности. Выбираем [SH ] =1,2. Согласно техническому заданию твердость поверхностей зубьев HB=300, поэтому для нормализации или улучшения предел контактной выносливости при базовом числе циклов вычисляется по формуле sH lim b = 2·HB+ 70. (1.22) Подставляя численные значения в выражение, получаем sH lim b = 2·300 + 70=670 Н/мм2 . Предел контактной выносливости при базовом числе циклов для колеса может быть найден по формуле sH lim b2 = 2·HB2 + 70 (1.23) где HB2 - твердость колеса, которая вычисляется по формуле HB2 =HB - 20 (1.24) Подставляя численные значения в выражение (1.24), получаем HB2 =300 - 20 = 280 Тогда, подставляя численные значения в выражение (1.23) получаем sH lim b2 = 2·280 + 70 = 630 Н/мм2 . Запишем выражение для коэффициента долговечности
где NHO - базовое число циклов; NHE - фактическое число циклов. Выбираем NHO = 107 . Фактическое число циклов вычисляется по формуле NHEi
= 60ni
c·t где t - ресурс, час. Находим NHE 1 для шестерни NHE
1
= =
Находим NHE 2 для колеса NHE
2
=
Так как NHE 1 >NHO и NHE 2 >NHO , то KHL 1 = KHL 2 =1. Подставляя численные значения в формулу (1.21), находим контактные напряжения для шестерни и колеса
Тогда, подставляя численные значения в формулу (1.20), получаем [sH ] =0,45· (390,9 + 467,3) =386,2 Н/мм2 . По формуле (1.20) находим величину межосевого расстояния
Межосевое расстояние aw =192 мм. В соответствии с ГОСТ 2185-66 округляем значение межосевого расстояния и получаем aw =200 мм. Модуль передач определим по рекомендации mn =0,02·aw, где mn - модуль передач, мм. mn =0,02·200 = 4 мм. Значение модуля передач выравниванием по ГОСТ 9563-60, следовательно mn = 4 мм. Суммарное число зубьев найдем по формуле
где zΣ - суммарное число зубьев; b - угол наклона линии зуба, град. Учитывая, что передача косозубая, выбираем b=15°. Подставив численные значения межосевого расстояния, угла наклона линии зуба и модуля передач в выражение (1.27), получим суммарное число зубьев
Число зубьев шестерни и колеса определим из системы
где z1 - число зубьев на шестерне; z2 - число зубьев на колесе. Подставляя первое уравнение системы (1.28) во второе получаем выражение для вычисления числа зубьев колеса
Подставляя численные значения в формулу (1.29), находим величину числа зубьев на колесе
Зная число зубьев на колесе, вычисляем число зубьев на шестерне z1 = 97 - 79=20. Уточним угол b, определив его по формуле
Вычислим точное численное значение угла наклона линии зуба
Определим делительный диаметр шестерни и колеса по формуле
Подставляя число зубьев шестерни в выражение (1.31), вычислим делительный диаметр шестерни
Подставляя число зубьев колеса в выражение (1.31), вычислим делительный диаметр колеса
Зная делительный диаметр, можно найти диаметр вершин по формуле dai =di + 2·mn , (1.32) где dai - диаметр вершины, мм. Подставляя численное значение делительного диаметра шестерни в выражение (1.32), вычисляем диаметр вершин шестерни da 1 = 80 + 2·4 = 88 мм. Подставляя численное значение делительного диаметра колеса в выражение (1.32), вычисляем диаметр вершин колеса da 2 = 320 + 2·4 = 328 мм. Зная делительный диаметр можно найти диаметр впадин по формуле dfi = di - 2,5·mn , (1.33) где dfi - диаметр впадины, мм. Подставляя численное значение делительного диаметра шестерни в выражение (1.33), вычисляем диаметр впадин шестерни df 1 = 80 - 2,5·4 =70 мм. Подставляя численное значение делительного диаметра колеса в выражение (1.32), вычисляем диаметр впадин колеса df 2 = 320 - 2,5·4 = 310 мм. Определим ширину зубьев шестерни по формуле bw i = yba ·aw , (1.34) где bw i - ширина зубьев шестерни, мм. Подставляя численные значения в выражение (1.34), вычислим ширину зубьев шестерни bw1 = 0,5·200=40 мм. Из конструктивных соображений ширину зубьев колеса можно вычислить по формуле bw2 = bw1 - 3, (1.35) где bw2 - ширина зубьев колеса, мм. Подставляя численные значения в выражение (1.35), вычислим ширину зубьев колеса bw2 = 40 - 3 = 37 мм. Результаты проектировочного расчета сведем в табл.1.2 Таблица 1.2 Результаты проектировочного расчета
Сделаем проверочный расчет зубьев шестерни на подрезание. Условие работоспособности передачи без подрезания можно записать в виде. zmin £z1 , (1.36) где zmin - минимальное число зубьев. Для косозубых передач минимальное число зубьев вычисляется по формуле zmin = 17·cos3 b’ (1.37) Подставим численное значение угла наклона линии зуба в выражение (1.37) и вычислим значение минимального числа зубьев zmin = 17·cos3 14,07=16. Минимальное число зубьев оказалось меньше, чем действительное, следовательно, подрезание не произойдет. 1.2.2 Проверочный расчет зубьев на контактную выносливостьЗадачей раздела является проверка зубьев на контактную выносливость. Основной причиной выхода их из строя служит усталостное выкрашивание. Следовательно, критерием проверочного расчета является контактная выносливость. Условие работоспособности по критерию выносливости может быть записано в виде sH £ [sH ], (1.38) где sH - фактическое контактное напряжение, Н/мм2 . Фактическое контактное напряжение можно вычислить по формуле
где zH - коэффициент, учитывающий форму сопряженных поверхностей зубьев в полюсе зацепления; ze - коэффициент, учитывающий суммарную длину контактных линий. KH - вычисляем по формуле KH = KH a ·KH b ·KH u , (1.40) Где KH a - коэффициент, учитывающий неравномерность распределения нагрузки между зубьями; KH u - коэффициент динамичности. Запишем формулу для линейной скорости шестерни
где u1 - линейная скорость шестерни, м/с. Вычислим численное значение линейной скорости шестерни
Так как передача является быстроходной (выбираем 8 степень точности) и линейная скорость шестерни менее 5 м/с, то по рекомендации выбираем KH a =1,09. Так как линейная скорость шестерни менее 5 м/с и передача является быстроходной (выбираем 8 степень точности), то по рекомендации выбираем KH u =1,0. Подставив численные значения коэффициентов в выражение (1.40), найдем KH KH = 1,09·1,1·1,0=1, 199. Коэффициент, учитывающий форму сопряженных поверхностей зубьев в полюсе зацепления, вычисляется по формуле
Для вычисления zH в соответствии с рекомендациями выбираем aw =20° и ze =0,8, тогда подставляя численные значения в выражение (1.42), получаем
Подставляя численные значения в выражение (1.39), находим величину фактического контактного напряжения
Фактическое контактное напряжение оказалось меньше допускаемого, следовательно оставляем выбранные ранее в разделе 1.2.1 размеры. 1.2.3 Проверочный расчет зубьев на изгибную выносливостьЗадачей раздела является проверка зубьев на изгибную выносливость. Видом разрушения является усталостная поломка зуба. Критерий расчета - изгибная выносливость. Условие работоспособности по критерию выносливости может быть записано в виде sF £ [sF ], (1.43) где sF - фактическое напряжение изгиба, Н/мм2 ; [sF ] - допускаемое напряжение изгиба, Н/мм2 . Допускаемое напряжение изгиба на шестерне и колесе найдем по формуле
где [SF ] - коэффициент безопасности по изгибу; KFL - коэффициент долговечности; KFC - коэффициент, учитывающий влияние двухстороннего приложения нагрузки; sF lim b - базовый предел изгибной выносливости. Учитывая, что твердость зубчатого колеса HB2 =280, следовательно, по рекомендации выбираем sF lim b =1,8·HB2 =1,8·280=504 Н/мм2 . Так как приложение нагрузки одностороннее выбираем KFC = 1. Коэффициент безопасности по изгибу вычисляется по формуле [SF ] = [SF ] '· [SF ] '', (1.45) где [SF ] ' - коэффициент, учитывающий нестабильность свойств материала; [SF ] '' - коэффициент, учитывающий способ получения заготовки. По рекомендации определяем [SF ] '=1,75. В соответствии с рекомендациями выбираем [SF ] ''=1. Подставляя численные значения коэффициентов в выражение (1.45), получаем численное значение коэффициента безопасности по изгибу [SF ] =1·1,75=1,75. Определим коэффициент долговечности для шестерни и колеса по формуле
где NFO - базовое число циклов; NFE - фактическое число циклов. Принимаем базовое число циклов NFO = 4·106 . Фактическое число циклов определяется из соотношения NFEi = NHei , (1.47) NHE 1 =8,3·107 NHE 2 =2·107
Вычислим численные значения допускаемых напряжений изгиба на шестерне и колесе
Для определения на шестерне или на колесе произойдет поломка зуба, следует сравнить следующие отношения
где YF 1 - коэффициент, учитывающий форму зуба шестерни; YF 2 - коэффициент, учитывающий форму зуба колеса. Коэффициент, учитывающий форму зуба, вычисляется по ГОСТ 21354-75 в зависимости от коэффициента смещения
где zu1 - коэффициент смещения. Вычислим коэффициент смещения для шестерни
С учетом интерполяции при zu1 = 21,9, YF 1 =4,09. Вычислим численное значение отношения (1.48) для шестерни
Вычислим коэффициент смещения для колеса
С учетом интерполяции при zu2 =87,6, YF 2 = 3,61. Вычислим численное значение отношения (1.48) для колеса
Подставим в выражение (4.48) численные значения отношений
Так как отношение Сделаем проверочный расчет для косых зубьев шестерни sF £ [sF ], (1.50) Фактическое напряжение изгиба на шестерне можно вычислить по формуле
где Ft 1 - окружная сила, Н; KF - коэффициент нагрузки; Yb - коэффициент учитывающий угол контактных линий; KF a - коэффициент, учитывающий неравномерность распределения нагрузки между зубьями. В соответствии с рекомендациями, принимаем коэффициент, учитывающий неравномерность распределения нагрузки между зубьями KF a =0,92. Окружная сила вычисляется по формуле
Вычислим численное значение окружной силы
Коэффициент нагрузки вычисляется по формуле KF =KF b ·KF u , (1.53) где KF b - коэффициент, учитывающий неравномерность распределения нагрузки по длине зуба; KF u - коэффициент, учитывающий динамическое действие нагрузки. Динамический коэффициент KF u =1, а для определения коэффициента концентрации нагрузки следует вычислить ybd по формуле.
Подставляя численные значения в выражение (1.54), найдем ybd
Следовательно, по таблице при ybd =0,5 и симметричном расположении зубчатых колес, KF b =1,05. Подставив численные значения коэффициента концентрации нагрузки и коэффициента динамичности в выражение в (1.53), получим численное значение коэффициента нагрузки KF =1·1,05=1,05. Коэффициент, учитывающий угол контактных линий, определяется по формуле
Вычислим численное значение коэффициента, учитывающего угол контактных линий
Вычисляем численное значение фактического напряжения изгиба, подставляя численные значения окружной силы, коэффициента нагрузки, коэффициента, учитывающего угол контактных линий и коэффициента, учитывающего неравномерность распределения нагрузки между зубьями в (1.51).
Так как фактическое напряжение изгиба зубьев на шестерне оказалось меньше допускаемого, следовательно, модуль передач оставляем без изменений. 1.2.4 Проверочный расчет зубчатой передачи при перегрузкеЗадачей раздела является проверка зубьев при возможных перегрузках. Проверим зубья на статическую поломку, для этого проверим их по условию sF max £ [sF max ], (1.56) где sF max - фактическое максимальное напряжение изгиба зубьев, Н/мм2 ; [sF max ] - допускаемое максимальное напряжение изгиба зубьев, Н/мм2 . Фактическое максимальное напряжение изгиба зубьев определяется по формуле
Вычислим численное значение фактического максимального напряжения изгиба зубьев по формуле (1.57), b* =2,5 (из технического задания) sF max =110,8·2,5=277 Н/мм2 . Допускаемое максимальное напряжение изгиба зубьев определяется по формуле [sF max ] =0,8·sт , (1.58) где sт - предел текучести, Н/мм2 . Предел текучести определим по таблице. Так как HB=300 выбираем марку стали 45XН. Для стали 45XН предел текучести sт =710 Н/мм2 . Вычислим численное значение допускаемого максимального напряжения изгиба зубьев по формуле (4.58) [sF max ] = 0,8·710 =568 Н/мм2 . Допускаемое максимальное напряжение изгиба зубьев оказалось больше, чем фактическое максимальное напряжение изгиба зубьев, следовательно, межосевое расстояние оставляем без изменений. Проверим передачу на заедание и пластическую деформацию зубьев. Критерием расчета является статическая контактная прочность. sH max £ [sH max ], (1.59) где sH max - фактическое максимальное контактное напряжение, Н/мм2 ; [sH max ] - допускаемое максимальное контактное напряжение, Н/мм2 . Фактическое максимальное контактное напряжение определяется по формуле
Вычислим численное значение фактического максимального контактного напряжения
Допускаемое максимальное контактное напряжение определяется по формуле [sH max ] =3,1·sт . (1.61) Вычислим численное значение допускаемого контактного напряжения [sH max ] =3,1·710=2201 Н/мм2 . Допускаемое максимальное контактное напряжение оказалось больше, чем фактическое максимальное контактное напряжение, следовательно, межосевое расстояние остается без изменений. Вывод: передачу следует выполнить с размерами в табл.2.1. 1.3 Расчет размеров шестерни прямозубой цилиндрической передачиЗадачей раздела является определение размеров шестерни прямозубой цилиндрической передачи. Делительный диаметр шестерни определим по формуле d3 = 0,5·d2 , (1.43) где d3 - делительный диаметр шестерни, мм. Подставим численные значения в выражение (1.43) и найдем делительный диаметр шестерни d3 = 0,5·316 = 158 мм. Запишем выражение для ширины шестерни bw3 =ybdT ·d3 , (1.44) где bw3 - ширина шестерни, мм; ybdT - коэффициент ширины шестерни относительно диаметра. Для консольного расположения колес относительно опор выбираем ybdT =0,5 Подставляя численные значения в выражение (1.44), получаем bw3 =0,5·158=79мм. Определим модуль тихоходной передачи
где mт - модуль тихоходной передачи, мм. Выбираем конструктивно ym =22. Подставляя численные значения в формулу (1.45), получаем
Значение модуля передач выравниваем по ГОСТ 9563-60, следовательно mт =4. Запишем выражение для числа зубьев шестерни
где z3 - число зубьев шестерни. Подставляя численные значения в выражение (1.46), получим
Сделаем проверочный расчет зубьев шестерни на подрезание. Условие работоспособности передачи без подрезания можно записать в виде [2, с.38] z3 ³zmin , (1.47) где zmin - минимальное число зубьев. Для прямозубых зубчатых колес zmin =17. Минимальное число зубьев оказалось меньше, чем действительное, следовательно, подрезания не произойдет. Определим делительный диаметр шестерни по формуле d3 = z3 ·mт . (1.48) Подставляя численные значения в выражение (1.48), получим d3 = 40·4=160 мм. Зная делительный диаметр, можно найти диаметр вершин шестерни по формуле da 3 = d3 +2·mт , (1.49) где da 3 - диаметр вершин шестерни, мм. Подставляем численные значения da 3 =160 +2·4= 168 мм. Зная делительный диаметр, можно найти диаметр впадин шестерни по формуле df 3 =d3 - 2,5·mт , (1.50) где df 3 - диаметр впадин шестерни, мм. Подставляем численные значения df 3 = 160 - 2,5·4 = 150 мм. В ходе расчета были получены следующие результаты: модуль тихоходной передачи mт =4, ширина шестерни bw3 =79 мм, делительный диаметр шестерни d3 =160 мм, диаметр вершин шестерни da 3 =168 мм, диаметр впадин шестерни df 3 =150 мм. 1.4 Расчет и проектирование промежуточного вала1.4.1 Проектировочный расчет валаЗадачей раздела является предварительное определение минимального диаметра промежуточного вала. Считаем, что вал - гладкий, круглый стержень, испытывающий только постоянное напряжение кручения. Критерием расчета является статическая прочность при кручении. Определим диаметр выходного конца вала
где dВ3 - диаметр выходного конца вала, мм; [tк ] - допускаемое напряжение на кручение, Н/мм2 . Выбираем [tк ] =20 Н/мм2 . Подставляем численные значения в формулу (1.51)
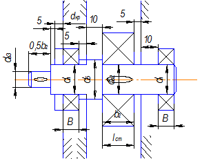
Выбираем из стандартного ряда значение dВ =60мм. Диаметр вала под подшипник вычисляется по формуле dП =dВ3 +5 мм, (1.52) Подставляя численные значения в выражение (1.52), находим диаметр вала под подшипник dП = 60+5=65 мм. Выбираем dП =65 мм. Диаметр бурта: dб = dП +5=65+5=70 мм Диаметр вала под колесо можно вычислить по формуле dВ2 = dб -3 мм, (1.53) Подставляя численные значения в выражение (1.53), находим диаметр вала под колесо dВ2 = 70-3=67 мм. Выбираем из стандартного ряда значение dВ2 =65 мм. Т.к. dВ2 >bω 2 , то lст = bω 2 +11,5=37+11,5=48,5 мм В ходе вычислений были получены следующие результаты: диаметр выходного конца вала dВ3 =60 мм, диаметр вала под подшипник dП =65 мм, Диаметр вала под колесо dВ2 =67 мм., диаметр бурта dб =70 мм, длина ступицы lст =48,5 мм. 1.4.2 Выбор и проверочный расчет подшипников каченияЗадачей раздела является выбор стандартных подшипников качения и их проверка на долговечность по динамической грузоподъемности. Критерием выбора является: а) диаметр вала, на который установлен подшипник; б) направления, воспринимаемых подшипником нагрузок; в) стоимость подшипников и их монтажа. Так как на промежуточном валу находится колесо косозубой передачи, то подшипники должны выдерживать как радиальные, так и осевые нагрузки, поэтому выбираем радиально-упорные шарикоподшипники (с учетом стоимости монтажа), назначаем лёгкую серию. Выбираем подшипник № 36210 по ГОСТ 831-75. Проверим выбранный подшипник на долговечность. Для определения реакций в подшипниках составим общую силовую схему узла привода (рис.1.2).
Рис.1.2. Найдем все внешние силы
Подставив численные значения в выражения (1.54), (1.55), (1.56), (1.57), (1.58) и вычислим численные значения внешних сил
Для определения радиальных сил, действующих на подшипник качения, составим схему вала. Схема вала
Рис.1.3 Значения l1 , l2 и l3 определяются при конструировании: l1 =40 мм, l2 =47,5 мм, l3 =47,5 мм. Составим уравнения моментов в вертикальной плоскости y0zотносительно точки A - Для шариковых подшипников m=3. Динамическая грузоподъемность для подшипников качения № 36210 по ГОСТ 831-75 C= 43200 Н. Эквивалентная нагрузка вычисляется по формуле
где Xи Y - коэффициенты радиальной и осевой нагрузок соответственно; Rr и Ra - радиальная и осевая нагрузки подшипника, H; V - коэффициент вращения; Ks - коэффициент безопасности; KT - температурный коэффициент. Так как температура в редукторе t<125° , выбираем KT =1. При вращении внутреннего кольца подшипника относительно вектора силы выбираем V=1. В соответствии с рекомендациями выбираем Ks =1,3. Коэффициенты Xи Yопределим для угла a=12° , для этого следует определить и сравнить для опоры Aи опоры Bследующее отношение
где e - параметр осевого нагружения, e=0,32. Осевая сила для радиально-упорных шариковых подшипников вычисляется по формуле Si =e·Rri . (1.67) Вычислим численное значение осевой силы в подшипнике A SA = 0,32·10798,6= 3455,6 Н. Вычислим численное значение осевой силы в подшипнике B SB =0,32·3030 = 969,5 Н. Так как направление осевых сил А и SA не совпадают, находим равнодействующую осевых сил H= SA - Fа2 - SB , (1.68) где H - равнодействующая осевых сил, Н. Подставим численные значения в формулу (1.68) и определим численное значение равнодействующей осевых сил H= 3455,6 - 1172 - 969,5 = 1318,1H. Так как равнодействующая осевых сил H>0 находим осевые нагрузки по следующим формулам RaA =SA , (1.69) RaB =RaA - Fa2 ( 1.70) Определим численные значения осевых сил в подшипниках RaA = 3455,6 H RaB =3455,6 - 1172 = 2283,6 H. Подставляем численные значения осевых нагрузок в (1.66) и сравниваем полученное отношение с eдля подшипника A
Подставляем численные значения осевых нагрузок в (1.66) и сравниваем полученное отношение с eдля подшипника B
Таким образом для подшипника А выбираем по таблице XA = 1 и YA =0, для подшипника Bвыбираем по таблице XB =0,45 и YB =1,73. Вычисляем численное значение эквивалентной нагрузки в подшипнике А по формуле (1.65)
Вычисляем численное значение эквивалентной нагрузки в подшипнике B по формуле (1.65)
Так как нагрузка на подшипник А больше нагрузки на подшипник В, то вычисляем ресурс подшипника А по формуле (1.64)
Подшипники Aи Bобеспечивают заданный ресурс равный t= 2300 часов. 1.5 Проверочный расчет шпоночных соединенийНормальное напряжение смятия определим из выражения
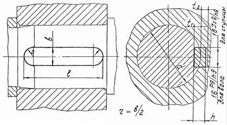
где l - дли на шпонки, мм; t1 - глубина паза вала, мм. Выбираем шпонку:
Рис. 1.3 Шпонка призматическая по ГОСТ 23360 - 78. Подставим численные значения в формулу (1.71):
Допускаемое 1.6 Проверочный расчет промежуточного валаПри совместном действии напряжений кручения и изгиба коэффициент запаса прочности определяем по формуле
где коэффициент запаса прочности по нормальным напряжениям
где
Мизг - момент в опасном сечении; Масштабный фактор Литература1. Детали машин / Сост.: Иванов М.Н. М: Высш. шк., 1991. - 383с. Курсовое проектирование деталей машин / Сост.: С.А. Чернавский, К.Н. 2.Белов., И.М. Чернин., Г.М. Ицкович., В.П. Козинцов. М: Машиностроение, 1988 - 4165с. 3. Детали машин. Справочные материалы по проектированию / Сост.: Ю.Н. Макаров, В.И. Егоров, А.А. Ашейчик, Р.Д. Макарова: Санкт-Петербург, 1995-76 с. 4. Основы расчета на прочность деталей машин. Учебное пособие / Сост.: В.Н. Комков: Ленинград, 1988. - 92с. |

(1.5)
(1.6)
(1.11)
(1.13)
(1.14)
(1.15)
(1.19)
, (1.26)

(1.28)
(1.29)
(1.30)
(1.39)
(1.42)

(1.44)
(1.46)
(1.49)
(1.51)
(1.52)
(1.54)
(1.55)
(1.45)
(1.51)


. Составим уравнения моментов в горизонтальной плоскости x0zотносительно точки A
Составим уравнение моментов в горизонтальной плоскости x0zотносительно точки B
= e, (1.66)
(1.72)
(1.73)


Коэффициент запаса прочности по касательным напряжениям
Здесь
Подставляя численные значения определим общий запас сопротивления усталости: