Курсовая работа: Расчет, выбор и обоснование посадок соединений
|
Название: Расчет, выбор и обоснование посадок соединений Раздел: Промышленность, производство Тип: курсовая работа | |||||||||||||||||||||||||||||||||||||||||||||||||||||||||||||||||||||||||||||||||||
УЧРЕЖДЕНИЕ ОБРАЗОВАНИЯ “БЕЛОРУССКИЙ ГОСУДАРСТВЕННЫЙ АГРАРНЫЙ ТЕХНИЧЕСКИЙ УНИВЕРСИТЕТ” Кафедра: "Механика материалов и деталей машин" Курсовая работа По дисциплине: "Метрология, стандартизация и сертификация" “Расчет, выбор и обоснование посадок соединений” ПОЯСНИТЕЛЬНАЯ ЗАПИСКА Выполнила: Тамашевич А.А. Группа 4от, 3 курс Руководитель: Капица М.С. Минск 2010 г. Содержание Введение 1. Расчет посадок методом подобия 1.2 Расчет переходной посадки Ø36M7/h7 1.3 Выбор средств измерения 1.4 Выбор посадок для шпоночного соединения 1.5 Выбор посадок для шлицевых соединений 2. Расчет и выбор посадок подшипников качения 3. Расчет длин и диаметров валов Список использованных источников ВведениеПовышая качество машин, приборов и других изделий, их надежности, долговечности и эффективности возможно только путем тесной интеграции работ по стандартизации, взаимозаменяемости и метрологии, которые оказывают решающее влияние на повышение производительности, снижение себестоимости, формирование качества изделия на всех стадиях производства, начиная с проектирования, изготовления и заканчивая эксплуатацией, ремонтом и хранением изделия. Приобретение технических знаний, навыков и опыта в области стандартизации и метрологии - обязательная составляющая часть профессиональной подготовки инженера-механика. Важнейшее свойство совокупности изделий - взаимозаменяемость, в значительной мере определяет технико-экономический эффект, получаемый при эксплуатации современных технических устройств. Такая роль взаимозаменяемости обусловлена тем, что она связывает в единое целое конструирование, технологию производства и контроль изделий в любой отрасли промышленности. В основе взаимозаменяемости лежит стандартизация, объектом которой в машиностроении является точность, взаимозаменяемость и технические измерения. Поэтому в курсовой работе подробно рассматриваются вопросы точности обработки, основные виды погрешности и причины их возникновения. Взаимозаменяемость деталей, узлов и агрегатов невозможно обеспечить без развития и применения прогрессивных методов контроля. Не должно быть допусков, проверка которых не обеспечена техническими измерениями, поэтому состояние измерительной техники характеризует уровень и культуру производства. Основной задачей стандартизации является непрерывное повышение качества изделий, их способности удовлетворять возрастающие требования современного производства. Таким образом, стандартизация и унификация деталей и сборочных единиц способствует ускорению и удешевлению конструирования, изготовления, эксплуатации и ремонта машин. Вот почему комплекс глубоких знаний и определенных навыков в области стандартизации норм точности, является необходимой составной частью профессиональной подготовки инженера-механика. 1. Расчет посадок методом подобияДля гладких цилиндрических сопряжений выбрать и обосновать посадки. Для двух сопряжений построить схемы расположений полей допусков, рассчитать предельные размеры сопрягаемых деталей. Расчет посадки с зазором Ø200 H8/ h7 По ГОСТ 25346-89 определяем значения допусков размера и предельные отклонения:
Рассчитываем предельные размеры: отверстия по ГОСТ 25346-89 Ø200H8 (
вала по ГОСТ 25346-89 Ø200h7 (
Результаты расчетов сводим в таблицу. Таблица 1
Рассчитаем средние размеры:
Строим схему расположения полей допусков сопрягаемых деталей и рассчитываем предельные значения зазоров.
Рис.1 Схема расположения полей допусков сопрягаемых деталей Рассчитываем предельные значения табличных зазоров:
Допуск посадки: Cтандартное отклонение посадки получим путем геометрического суммирования стандартных отклонений размеров вала и втулки:
Рассчитаем предельные значения вероятных зазоров.
Строим график рассеивания размеров и зазоров. 1.2 Расчет переходной посадки Ø36 M7/h7По ГОСТ 25346-89 определяем значения допусков размера и предельные отклонения:
отверстия по ГОСТ 25346-89 Ø36M7 (
вала по ГОСТ 25346-89 Ø36h7 (
Результаты расчетов сводим в таблицу. Таблица 2
Строим схему расположения полей допусков сопрягаемых деталей, и рассчитываем предельные значения табличных натягов и зазоров.
Рис.3 Схема расположения полей допусков сопрягаемых деталей
Рассчитаем средние размеры:
Допуск посадки: Принимаем нормальный закон распределения размеров и рассчитываем предельные значения вероятных зазоров (натягов). В данном сопряжении: Поэтому будет вероятность возникновения как натягов, так и зазоров. Рассчитываем математическое ожидание и стандартное отклонение зазоров:
Рассчитываем предельные значения вероятных зазоров и натягов
При применении переходных посадок в сопряжениях возможны зазоры и натяги. Поэтому рассчитываем вероятность их получения. Для определения площади, заключенной между кривой Гаусса, выбранными ординатами и осью абсцисс удобно использовать табулированные значения функции.
Таким образом, с учетом симметрии распределения (P" = 0,5), вероятность получения натягов в сопряжении Ø36M7/h7 составляет Р ( N) =50+0=50% Р ( N) =50-0=50% Строим график рассеивания размеров, зазоров и натягов.
Рисунок 4 - график рассеивания размеров, зазоров и натягов 1.3 Выбор средств измеренияДля сопряжений Ø200H8/7 выбрать и обосновать средства измерения. Для измерительного контроля заданного параметра с использованием универсальных средств измерений необходимо разработать методику выполнения измерений (МВИ) соответствующей физической величины. Разработку МВИ осуществляют в соответствии с ГОСТ 8.010-99 "Государственная система обеспечения единства измерений. Методики выполнения измерений. Основные положения". Разрабатываемое в соответствии с заданием на курсовую работу краткое описание методики выполнения измерений имеет упрощенную форму. Оно должно включать: · наименование и характеристику объекта измерения и измеряемой физической величины с указанием допустимой погрешности измерений; · характеристику метода измерений; · наименования и характеристики средств измерений (СИ) и вспомогательных устройств, метрологические характеристики СИ; · указание погрешности измерений и вывод о ее соответствии требованиям. При необходимости в описание дополнительно включают такие элементы, как · схема измерений ФВ, · схема контрольных точек (контрольных сечений); · условия измерений. Объект измерения - вал Ø200h7 Допустимую погрешность [Δ] измерения диаметра примем по аналогии с допустимой погрешностью измерительного контроля линейного размера с допуском 46 мкм по ГОСТ 8.051. В этом случае [Δ] = 12 мкм. Таблица 3 Метрологические характеристики выбранных средств измерения
Т.к. предельная погрешность выбранных средств измерения меньше допускаемой, т.е. δин ≤δ, то средства измерения выбраны верно. Объект измерения - отверстие Ø200H8 Допустимую погрешность [Δ] измерения диаметра примем по аналогии с допустимой погрешностью измерительного контроля линейного размера с допуском 72 мкм по ГОСТ 8.051. В этом случае [Δ] = 18 мкм. Таблица 4 Метрологические характеристики выбранных средств измерения
Т.к. предельная погрешность выбранных средств измерения меньше допускаемой, т.е. δин ≤δ, то средства измерения выбраны верно. 1.4 Выбор посадок для шпоночного соединенияДля шпоночного соединения (Ø вала = 42мм, 1шп =67 мм, нормальный вид шпоночного соединения) построим схемы расположения полей допусков, рассчитаем предельные размеры, зазоры (натяги). Шпоночное соединение - один из видов соединений вала со втулкой, в котором использован дополнительный конструктивный элемент (шпонка), предназначенный для предотвращения их взаимного поворота. Чаще всего шпонка используется для передачи крутящего момента в соединении вала с зубчатым колесом или со шкивом, неподвижных по отношению друг к другу. Размеры сечений шпонок и пазов стандартизованы и выбираются по соответствующим стандартам в зависимости от диаметра вала, а вид шпоночного соединения определяется условиями его работы.
Рис.5 Основные размеры соединения cпризматической шпонкой, где h - высота шпонки; t1 - глубина паза вала; t2 - глубина паза втулки; b - ширина шпонки и пазов втулки; d - диаметр сопряжения; l - длина шпонки и паза вала Определяем по ГОСТу 23360 - 78 номинальные размеры деталей шпоночного соединения: ширина шпонки - b= 12 мм, высота шпонки - h=8 мм, длина шпонки - 1ш =50 мм, глубина паза вала - tl= 5 мм, глубина паза втулки - t2 = 3,3 мм, Шпонка 12х8х67 ГОСТ 23360 - 78 Выбираем посадки по b для соединений: паз вала - шпонка - 12N9/h9; паз втулки - шпонка 12Js9/h9. Определяем по ГОСТу 2534747-82 предельные отклонения размеров шпоночного соединения и рассчитываем предельные размеры деталей шпоночного соединения, их допуски, предельные зазоры и натяги. Производим расчет по ширине паза вала В1=12N9:
Предельные размеры ширины паза вала:
Производим расчет по ширине шпонки b2=12h9:
Производим расчет по ширине паза втулки В1=12JS9:
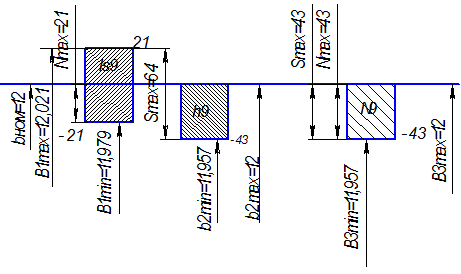
Рассчитываем предельные зазоры: Посадка шпонка-паз вала 12N9/h9 – Nmax =es-EI=0- (-43) =43мкм, Smax=ES-ei=0- (-43) =43мкм Посадка шпонка-паз ступицы 12Js9/h9 – Nmax =es-EI=0- (-21) =21мкм, Smax=ES-ei=21- (-43) =64мкм Строим схему расположения соединений 12N9/h9 и 12JS9/h9.
Рисунок 6 - схема расположения соединений 12N9/h9 и 12JS9/h9. Производим расчет по высоте шпонки h=8h11:
Предельные размеры шпонки по высоте:
Расчет по глубине паза вала: глубина паза вала - tl= 5 мм, Предельные размеры паза вала:
Расчет по глубине паза втулки: глубина паза втулки - t2 = 3,3 мм Предельные размеры паза вала:
Определяем предельные зазоры в посадке:
Производим расчет по длине шпонки l=67h14:
Предельные размеры шпонки по длине:
Производим расчет по длине шпоночного паза в валу L=67H15:
Предельные размеры длины шпоночного паза в валу:
Определяем предельные зазоры в посадке:
Строим схему расположения полей допусков шпоночного соединения по длине:
Рисунок 7 - схема расположения полей допусков шпоночного соединения по длине. Назначаем шероховатость сопрягаемых поверхностей шпонки, вала и втулки Ra= 3.2 мкм, а несопрягаемых поверхностей - Ra=6,3 мкм. Выбираем экономические методы окончательной обработки деталей соединения: шпонка - шлифование плоское получистовое; паз вала - фрезерование чистовое концевой фрезой; паз втулки - протягивание чистовое. Эскизы нормального шпоночного соединения, его деталей, схема расположения полей допусков на размер bприведены дальше. Для обеспечения взаимозаменяемости шпоночного соединения допуск на ширину паза следует рассматривать как комплексный, в пределах которого находятся как отклонения ширины паза, так и отклонения его расположения. Ограничение всех этих отклонений в пределах допуска на ширину паза вала достигается контролем комплексными и элементными калибрами. Контроль элементными калибрами производится до контроля комплексными калибрами. На заводах автотракторного и сельскохозяйственного машиностроения контроль деталей шпоночных соединений производит с помощью предельных калибров. Ширину пазов вала и втулки проверяют пластинами, имеющими проходную и непроходную стороны. Размер от образующей цилиндрической поверхности втулки до дна паза (d+ t2) контролируют пробкой со ступенчатым выступом. Глубину паза вала tlпроверяют кольцевыми калибрами-глубиномерами; симметричность расположения паза относительно осевой плоскости проверяют у втулки пробкой со шпонкой, а у вала - накладной призмой с контрольным стержнем. При ремонте машин можно использовать как универсальные средства измерения, так и калибры. Из большого числа размеров шпоночного соединения за счет пластических деформаций изменяется только ширина шпоночных пазов и ширина самой шпонки. Поэтому при дефектации можно использовать универсальные средства измерения, а при восстановлении желательно применять предельные калибры. 1.5 Выбор посадок для шлицевых соединенийДля шлицевого соединения b-8x42H11/ не менее d1 х46H12/a11x8F8/js7 выбрать допуски посадок, формы и расположения. Шлицевое соединение - вид соединения валов со втулками по поверхностям сложного профиля с продольными выступами (шлицами) и впадинами. Существуют три способа центрирования сопрягаемых прямобочных шлицевых втулки и вала: по наружному диаметру D (рис.26 а); по внутреннему диаметру d (рис.26 б); по боковым сторонам зубьев b ( рис.26 в).
Рис.8 Центрирование в прямобочных шлицевых соединениях При назначении допусков формы и расположения элементов шлицевых соединений можно руководствоваться следующими рекомендациями (рис.9). 1) для прямобочных шлицевых соединений: · допуски параллельности плоскости симметрии зубьев вала и пазов втулки относительно оси центрирующей поверхности не должны превышать на длине 100 мм: 0,03 мм - в соединениях повышенной точности, определяемой допусками размеров b от IТ6 до IT8; 0,05 мм - в соединениях нормальной точности при допусках размеров b от IT9 до IT10. При центрировании по боковым сторонам шлиц выбирают дополнительную базу - ось одной из нецентрирующих поверхностей шлицевого вала (обычно с более жестким допуском); · допуски радиального биения центрирующих поверхностей шлицев относительно общей оси посадочных поверхностей под подшипники следует назначать по 7-ой степени точности ГОСТ 24643 при допусках центрирующих поверхностей 6.8 квалитетов и по 8-ой степени точности при допусках центрирующих поверхностей 9.10 квалитетов; 2) для эвольвентных шлицевых соединений предельные значения радиального биения Fr и допуска направления зуба Fβ следует принимать по ГОСТ 6033.
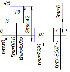
Рис.9 Обозначения допусков параллельности и радиального биения элементов наружной шлицевой поверхности: а - при центрировании по внутреннему диаметру; б - при центрировании по наружному диаметру; в - при центрировании по боковым сторонам шлиц. Рассмотрим прямобочное шлицевое соединение с центрированием по внутреннему диаметру b: b-8x42H11/ не менее d1х46H12/a11x8F8/js7 шлицевого соединения с числом зубьев z = 8,внутренним диаметром d = 42 мм, наружным диаметром D = 46 мм, шириной зуба b = 8 мм. По ГОСТ - 1139-80 определяем, что данное шлицевое соединение относится к средней серии. Рассчитаем предельные размеры, зазоры (натяги) для сопряжения 8F8/js7:
Smax = ES - ei = +0.035- (-0.007) =0.042мм. Smin = EI - es = 0,013-0,007=0.006мм. Строим схему расположения полей допусков сопрягаемых деталей
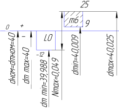
Рис.12 - схема расположения полей допусков сопрягаемых деталей Рассчитаем предельные размеры, зазоры (натяги) для сопряжения 42H11/не менее d1:
Smax = Dmax - dmin = +42.16-40,4=1.56мм. Строим схему расположения полей допусков сопрягаемых деталей
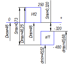
Рис.10 - схема расположения полей допусков сопрягаемых деталей Рассчитаем предельные размеры, зазоры (натяги) для сопряжения 46H12/a11:
Smax = ES - ei = +0.25- (-0.48) =0.73мм. Smin = EI - es = 0- (-0.32) =0.32мм. Строим схему расположения полей допусков сопрягаемых деталей
Рис.11 - схема расположения полей допусков сопрягаемых деталей Точность и шероховатость центрирующего размера bпредпочтительно: для втулки Ra≤1,6мкм для вала Ra≤0,8мкм Контроль шлицевых соединений осуществляется комплексными и поэлементными методами. Пробковыми и кольцевыми комплексными калибрами контролируется взаимное расположение поверхностей соединения, Поэлементный контроль охватывает диаметры валов, отверстий, толщину зубьев и ширину впадины отверстия. Поля допусков, назначенные на элементы деталей шлицевого соединения и указанные в условном обозначении, контролируют в условном обозначении, контролируют независимо друг от друга специальными гладкими калибрами. 2. Расчет и выбор посадок подшипников каченияДля подшипникового узла (подшипник № 408) выбрать и обосновать посадки по наружному и внутреннему диаметрам колец подшипника. Построить схемы расположения полей допусков сопрягаемых деталей. Рассчитать предельные размеры сопрягаемых деталей; зазоры (натяги). Подшипники качения - это наиболее распространенные стандартные изделия (сборочные единицы) множества конструкций и модификаций, которые изготавливаются на специализированных заводах и встраиваются в более сложные изделия (редукторы, коробки подач и скоростей, шпиндели металлорежущих станков и др.). По ГОСТ 8338-75 класс точности подшипников 0. Определяем размеры подшипника и назначаем посадки и по ГОСТ 520-2002 определяем отклонения:диаметр внутреннего кольца
Æ40
|




, где 









