Курсовая работа: Проектування і розрахунок керованих випрямлячів електричного струму
|
Название: Проектування і розрахунок керованих випрямлячів електричного струму Раздел: Рефераты по коммуникации и связи Тип: курсовая работа | |||||||||||||||||||||||||||
Міністерство освіти і науки УкраїниПолтавський національний технічний університетімені Юрія КондратюкаКУРСОВА РОБОТА“Проектування і розрахунок керованих випрямлячів електричного струму” ЗмістЗавдання до курсової роботи Вступ 1. Розрахункова частина 1.1 Розрахунок силової частини випрямляча 1.2 Розробка СІФК 1.2.1 Розрахунок вихідного каскаду 1.2.2 Розрахунок фазозсувного ланцюга 1.2.2 Розробка нуль-органа 1.2.3 Розрахунок генератора лінійно змінної напруги 1.2.4 Розрахунок компаратора 1.2.5 Розрахунок диференціюючої ланки 1.2.6 Розрахунок одновібратора Література Вступ Випрямлячем називається пристрій призначений для перетворення енергії джерела змінного струму в постійний струм. Необхідність в подібному перетворенні з'являється, коли живлення користувача здійснюється постійним струмом, а джерелом електричної енергії є джерело змінного струму, наприклад промислова мережа частотою 50 Гц. Принцип випрямлення базується на отриманні за допомогою тиристорної схеми із двополярних напруг однополярних напівхвиль напруги, які після фільтра стають згладженими. При великих потужностях навантаження задачу перетворення електричної енергії змінного струму в постійний струм вирішують за допомогою 3-фазних керованих випрямлячів, виконаних за мостовою схемою (рис.1). Схема імпульсно-фазового керування забезпечує, подачу відкриваючих імпульсів на тиристори перетворювача і разом з перетворювачем вирішує комплекс задач, пов'язаних з формуванням і регулюванням його вихідної напруги. Загальними вимогами, що пред'являються до системи керування перетворювачем є: 1) надійність відкривання тиристорів силової схеми в усіх режимах її роботи; 2) плавне (в необхідному діапазоні) регулювання кута а подачі керуючих імпульсів на тиристори; 3) висока завадостійкість і надійність.
Рис. 1. Структурна схема керованого трифазного випрямляча 1. РОЗРАХУНКОВА ЧАСТИНА 1.1 Розрахунок силової частини випрямляча Проведемо розрахунок потужності на навантаженні: Pdn =Udn ·Idn Pdn =660·800=528 кВА Знайдемо повну потужність трансформатора (без урахування процесу комутації): St =1,045·Pdn St =1,045·528000=551,76кВА З умови St р /St вибираємо трансформатор ТСЗП-630 потужністю 645 кВА з характеристиками:
Для трифазної мостової схеми В =0,5. Визначимо номінальну фазову напругу вторинної обмотки трансформатора (при куті регулювання Udn
=Ud
0
· [cos Ud
0
= Udn
/[cos Визначимо номінальну фазову напругу вторинної обмоткиU2н: Ud
0
=3· U2н= 0,427·Ud 0 = 0,427·681,11= 291,07B Необхідна лінійна напруга U2л н становить: U2лн
=U2н· Вибираємо лінійну напругу вторинної обмотки потужного трансформатора з номінального ряду 230В, 460В, 660В, 825В U2л = 660В Звідки фазна напруга становить U2
= U2л
/ Знаходимо Ud 0 для вибраного значення фазної напруги вторинної обмоткитр. U2 Udo = 2,34· U2 = 2,34·381,5= 892,71В. За відомими значеннямиU1л iU2 (U2 — напруга не на вторинній обмотці трансформатора, а та, яка використовується для розрахунку випрямляча, що живиться від вторинної обмотки трансформатора), визначимо коефіцієнт трансформації силового трансформатора n =w1/w2=U1л/U2=6000/381,5=15,72 Фазний діючий струм вторинної обмотки трансформатора за умови, що випрямлений струм ідеально згладжений (Lп I2 = 0,817·Idn = 0,817·800 = 653,6А. Діючий струм первинної обмотки трансформатора, пов'язаний зі струмом вторинної обмотки коефіцієнтом трансформації, визначається за формулою I1 = (0,817·Idn )/n =І2 /n = 653,6/15,72= 41,57А. Потужність первинної обмотки трансформатора S1 , з урахуванням 10%-ної зміни напруги, знаходимо за формулою: S1=m·1,1·I1 · U1 =m·1,1·I1 ·U1л =3·1,1·41,57·6000=823,086 кВА. Потужність вторинної обмотки трансформатора S2 , з урахуванням 10%-ної зміни напруги, знаходимо через добуток значення кількості фаз m, фазної напруги вторинної обмотки трансформатора і струму вторинної обмотки. Звідси: S2 =m·1,1·U2 ·I2 =3·1,1·381,5·653,6=822,84 кВА. Оскільки S1 = S2 = SТ = 823,086 кВА, що більше від 645 кВА, то обраний трансформатор не задовольняє умовам.Тому підбираємо наступний трансформатор ТСЗП-1000,який має такі характеристики:
Перерахуємо величини що зміняться внаслідок зміни Uк: Ud0=660/(1-0,5·6,0/100)=680,41В U2н=680,41/2,34=290,77В; U2лн=290,77· U2=381,5В;Ud0=892,71В;n=15,72;I2=653,6А;I1=41,57А;S1=S2=823,86кВА. Отримане значення менше,ніж 1007кВА,тому вибраний трансформатор задовольняє умовам. Будуємо регулюючу характеристику Ud(a) за формулою(рис.2): Ud=Ud0 · (cosa-(B·Uk%)/100) Для напруг Udnі Udn/2 знаходимо наближені значення кутів регулювання an і an1: an=arccos(Udн/Ud0+B·Uk%/100)=arccos(660/892,71+0,5·6,0/100)=39,7° an1=arccos(Udn/2·Ud0+B·Uk/100)=arccos((660/2)·892,71+0,5·6,0/100)=66,44 ° Для знайдених кутів регулювання,а також для кута рівного “0” будуємо Зовнішні характеристики випрямляча(рис.3). Ud
= Ud0
· cos Регулюючі та зовнішні характеристики будуємо по формулах: Ud=Ud0 · (cosa-(B·Uk%)/100) Ud
= Ud0
·cos Коефіцієнт використання трансформатора: Kвт = Pdн /ST = 528/823,086= 0,64. Знайдемо сумарний індуктивний опір розсіювання, приведений до вторинної обмотки трансформатора Ха = Uk%·U2/I2 ·100=6,0 ·381,5/653,6·100=0,035 Ом. Тепер визначимо кути комутації струму випрямляча з формули
При куті регулювання
При куті регулювання
Знаходимо кут зсуву першої гармоніки для 2-х випадків: 1) при
2) при
Коефіцієнт спотворення форми кривої змінного струму, що споживається з мережі (коефіцієнт несинусоїдальності) при L Кс
= 3/ Розрахуємо коефіцієнт потужності випрямляча 1) при
2) при
Розрахуємо Іа сер . і Uзв. maх для вибору тиристорів. Обернену максимальну напругу вибираємо з урахування коливань мережі ±10%, а також з урахуванням комутаційних перенапружень. Тому в формулу розрахункуUзв. тaх вводимо коефіцієнт 1,4: Іа сер . ≥ Іа = Іdн /3 Uзв. max ≥ 1,05·1,4·Ud0 Іа сер ≥ Іа =800/3 = 266,66А Uзв. max ≥ (1,05 ·1,4·892,71) =1312,28В. Виберемо тиристор ТБ353-630-14 : максимально допустимий середній струм у відкритому стані - Іа сер = 630 А, повторююча імпульсна напруга у закритому стані –Uзв.max=1400B. Характеристики тиристора ТБ353- 630-14:
Втрати потужності на вентилях розрахуємо за формулою: DРа = ma·DUa ·Ia деma– кількість тиристорів у випрямлячі (для даної схеми становить 6); DUа – падіння напруги на тиристорах; Іа – прямий струм тиристора. DРа = 6∙2,5∙630 = 9,45 кВт. Для розрахунку коефіцієнта корисної дії випрямляча, без урахування споживання енергії СІФК, знайдемо його значення для 2-х випадків: при вихідній напрузі Ud =Udn i Ud =Udn /2. Для цього попередньо знаходимо коефіцієнти завантаження для 2-х випадків: а)
деPdn – номінальна корисна потужність; DРа – втрати потужності на вентилях; Р0 – втрати у магнітопроводі трансформатора; Рк – втрати в обмотках трансформатора.
б)
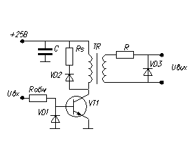
1.2 Розробка СІФК Для регулювання вихідної напруги випрямляча застосуємо фазо-імпульсний метод. При цьому до складу перетворюючого пристроя не вводять додаткових силових вузлів, а лише у якості вентелів випрямної схеми використовують керовані ключі – як правило, тиристори. Принцип дії регулятора полягає у тому, що за допомогою спеціальної схеми керування забезпечується регульована затримка на вмикання тиристорів відносно переходу через нуль змінної синусоїдальної напруги. Тобто фаза послідовності імпульсів керування змінюється щодо фази синусоїдної напруги. Перевагою імпульсних методів керування є те, що, перш за все, надлишок енергії тут просто не береться від джерела живлення (а не гаситься на баластному елементі, як, наприклад, у компенсаційному стабілізаторі). Це в ідеалі (якщо вважати елементи регулятора такими, що не мають, наприклад, опору) за принципом побудови регулятора обумовлює величину ККД у 100 відсотках. Завданням СІФК є генерація імпульсів керування необхідної амплітуди, тривалості і форми, розподіл їх по відповідних вентилях і визначення моменту подачі цих імпульсів відносно переходу змінної напруги через нуль. СІФК повинна відповідати наступним вимогам: 1) забезпечувати достатню для вмикання тиристорів амплітуду напруги і струму імпульсів керування – (10...20) В, (20...2000) мА; 2) забезпечувати високу крутизну фронтів імпульсів – (150...200) В/ел. градус; 3) забезпечувати регулювання величини кута α у загальному діапазоні з необхідною точністю; 4) забезпечувати симетрію імпульсів керування по фазах випрямляча; 5) забезпечувати достатню для надійного вмикання тиристорів тривалість імпульсів керування – взагалі їх тривалість може складати (π-α), але це не економічно-достатньо, щоб вона була такою, коли струм через тиристор за час дії імпульсу перевищує величину струму утримання; 6) мати високу завадостійкість. 1.2.1 Розрахунок вихідного каскаду Для забезпечення захисту тиристора від зворотної напруги на керуючому електроді, паралельно керуючому електроду ставимо діод КД212Г, що забезпечує проходження струму не меншого, ніж струм керуючого електроду 0,3А. Він має параметри: Iпр.max=1А;Uпр.=1,2В; Uзв.max=100В; Iзв.max=0,1мА. Оскільки напруга керуючого електроду тиристора і напруга захисного діода VD3 різні, введемо в схему обмежуючий резистор послідовно з вторинною обмоткою трансформатора вихідного каскаду, що дозволить вирівняти напругу на виході трансформатора. Задамо, щоб падіння напруги на обмежуючому резисторі дорівнювало двом третім напруги керування,де Umир .=3 В при струмі керуючого електроду Іm =0,3 А. Тоді вихідна напруга трансформаторастановитиме Um = Umир .· 5/3=3·5/3=5В Опір обмежуючого резистора Rобм = (Um – Umир .) /Im = (5-3)/0,3=6,66 Ом Із номінального ряду опорів вибираємо 6,8 Ом. Для забезпечення формування короткого імпульсу виберемо транзисторний насичений ключ з трансформаторним виходом (рис.5). Задаємось напругою живлення каскаду Еk = 25В. Для забезпечення якомога, більшого коефіцієнта підсилення, частотного діапазону для формування переднього фронту імпульсу, а також допустимих напруги та струму на навантаженні попередньо виберемо транзистор КТ972А з параметрами: Ukе доп. > 2∙ Ek Іk доп. = 4 А; Ukе доп. = 65 В; Ів mах = 0,5 А;fа = 20МГц; rв
= 3 Ом; rе
= 0,08 Ом; rk
=730 кОм;
Рис.5. Транзисторний насичений ключ з трансформаторним виходом Звідси коефіцієнт підсилення:
n = Um
/Еk
= 5/25 Колекторний струм насичення Ik нас. = Іm ∙n = 0,3∙0,2 = 0,06 А. Максимальні струми та напруги в схемі виберемо з коефіцієнтом запасу Кzi =Кzи =0,8. Звідси Іk mах = Кzі ∙ Ik доп. = 0,8∙ 4 = 3,2 А Опір навантаження, перерахований до первинної обмотки трансформатора при дії напруги додатньої полярності Rн = Um /Іm ∙ n2 = 5/(0,3∙ 0,2 2 ) = 416,66 Ом. Індуктивність намагнічування трансформатора вибираємо такою, щоб максимальний колекторний струм Ik mах в імпульсі не перевищував допустимого значення: Lmin=(Ek/(Ik max-(Ek/Rн))) ∙ t Lmin =(25/(3,2-(25/416,66))) ∙4∙10-6 = 3,185 ∙10-5 Гн Для конструктивного розрахунку вибираємо значення індуктивності 33мкГн. Знаходимо максимальний струм намагнічування jmax =(Ek /L) ∙t= (25/0,000033) ∙4∙ 10-6 = 3,03 A Звідси максимальний струм Imnз урахуванням колекторного струму насичення Іmn =jm ах +Іk нас = 3,03 +0,06 =3,09 А. Струм бази насичення Іб нас.
= Іmn
/ Відповідна напруга насичення Uбе н становить 0,9 В. Величину допустимого викиду напруги знаходимо з урахуванням коефіцієнта завантаження за напругою Кzи . Umd =Uke max – Ek = Kzu ∙ Uke доп - Ek = 0,8∙65- 25 =27 В. Знаходимо еквівалентне значення шунтуючого резистора Rш екв =Umd /0,74∙ jm ах = 27/ 0,74 ∙3,03 =12,04 Ом. Враховуючи, що при закриванні транзистора, напруга на вторинній обмотцітрансформатора має зворотню полярність, то навантаження в цей момент шунтується діодом. Задаючись напругою на відкритому діоді Ud =1,2B, знаходимо при цьому струм вторинної обмотки трансформатора, який рівняється також струму діода: Im = (Um -Ud )/R = (5- 1,2)/6,8 = 0,558 А. Перевіряємо умову неперевершення знайденого струму максимального струму діода. Умова виконується. Знаходимо перерахований опір до первинної обмотки трансформатора: Rнп=Um /Im ∙n2 = 5/0,558 ∙ 0,2 2 = 224 Ом. Реальне значення шунта, що підключається до первинної обмотки трансформатора становить: Rш =Rнп ∙Rш екв /( Rн п – Rш екв )=224 ∙ 12,04 /(224-12,04) =12,72 Ом Вибираємо значення опору 13 Ом. Діод, що забезпечує струм jmax, зворотню напругу Еk , вибираємо КД202Г (Iпр.max=3,5 А, Uзв.max=100 В). Знаходимо тривалість викиду t0 = 3∙L /Rш екв =3∙0,000033/12,04 = 8,22 мкс. Знайдене значення тривалості t0 менше тривалості половини періода частоти мережі живлення 0,01 с. Вибираючи коефіцієнт насичення транзистора S=1,5, знаходимо необхідний струм бази Іб і значення обмежуючого резистора Rобм в цьому ланцюзі, задаючись значенням вхідної напруги керування ключем Uвх =10 В. Іб = S∙Іб нас = 1,5∙0,00412= 6,18 мА. R обм = (Uвх – Uбен ) /Іб = (10 – 0,9) /0,00618= 1,472 кОм. Вибираємо стандартне значення з номінального ряду Rобм = 1,5 кОм. Паразитна ємність та індуктивність для вказаних значень індуктивності становить Cо = 0,03∙ 10-9 Ф, Lc =0,01∙L =0,000033∙0,01=0,33 мкГн Для обчислення фронту імпульсу знайдемо вихідний опір транзистора і постійну часу даної схеми : Rекв
=rk
∙ (1- Rекв =730000 ∙ (1 - 0,9986) + 0,08∙ (1 + (0,9986∙730000 – 0,08) / (0,08 + 3 +1500)) = 1,06 кОм.
t=1/(2∙3,14∙20∙106 )+30∙10-12 ∙416,66 +0,33∙10-6 /1,06∙ 103 =2∙10-8 с Звідси тривалість фронту імпульсу tф =t∙ (1+b) ∙ ln(1+1/(S-1))=16,5 мкс. еквівалентна потужність на транзисторі становить: Рекв = Uke n ∙ (j max/2 +Ik нас .)/2 = 1,5 ∙ (3,03/2 + 0,06)/2=1,18 Вт Обчислена потужність не перевищує максимальну Рк max =8 Вт. 1.2.2 Розрахунок фазозсувного ланцюга Для формування фазового зсуву 300
нульвого відліку кута регулювання Розрахуємо амплітудночастотну і фазочастотну характеристики : К(jw)=U2 /U1 =[I ∙ (1/jwc)]/[I ∙ (R+1/jwc)] Позначивши wc=tц і домноживши на jwc,отримаємо: К(jw)=1/(1+jwtц) Звідси модуль коефіцієнта передачі: К(w)=1/√1+(wtц) 2 Фазочастотна характеристика: j( w)= -arctg(wtц) З урахуванням коефіцієнта передачі: U2 = U1 /√1+(wtц) 2 Приймаючи значення опору R=330 кОм, знаходимо значення ємності: С=tg30/2П∙ f∙R=tg300 /2∙ 3.14∙ 50∙330 ∙103 = 5,56 нФ Приймаємо значення ємності рівним 5,6 нФ
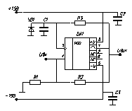
Рис.6. Фазозсувний ланцюг Визначимо максимальне значення вихідної напруги U2 max ланцюга, задавшись діючим значенням вхідної напруги U1 =9В U2 max = U1 ∙Ö2/√1+(wtц) 2 U2 max =9∙1,41/1,126=11,3В 1.2.3 Розробка нуль-органа Для порівняння напруги, що поступає з фазозсувного R-С ланцюга з нульовим значенням напруги використовуємо спеціалізований компаратор на інтегральній мікросхемі К554СА3 (рис. 7). Вказана мікросхема живиться від двополярного джерела живлення ±15 В, має максимальний вхідний струм Івх = 0,1 мкА, вихідний - 200 мА. Максимальна вхідна напруга становить ±12 В, а вихідна ±15 В. Даний компаратор має вихід з відкритим колектором і незалежним емітером, що дає можливість, заземливши емітер, мати вихідний сигнал в межах від 0 до напруги живлення +15 В. Для цього колектор під'єднується через резистор до джерела живлення +15 В.
Рис.7. Нуль-орган На вході компаратора для забезпечення високої надійності його роботи ставимо резистори по 4,7 кОм, які вирівнюють його вхідні струми, що особливо суттєво для більшості чутливих компонентів, маючих на незалежних входах ємнісні елементи. Для формування прямокутного активного сигналу додатньої полярності на виході при переході вхідної напруги з додатньої напівхвилі на від'ємну слід на спільний провід під'єднати прямий вхід мікросхеми. А в лінійці керування тиристором за додатньою напівхвилею (що переходить з від'ємної на додатню) слід під'єднати до спільного проводу інверсний вхід. На провідниках джерела живлення ±15 В поставимо конденсатори невеликої ємності 47нФ, що підвищують завадостійкість схеми. Такий підхід забезпечує розподілену фільтрацію високочастотних складових при живленні декількох каскадів схеми від одного джерела живлення. 1.2.4 Розрахунок генератора лінійно змінної напруги Для формування лінійно змінної напруги використаємо генератор (ГЛЗН, рис.8), побудований на базі операційного підсилювача К140УД7 з такими характеристиками: Е = ±15 В – напруга живлення; Ки = 50×103 – коефіцієнт підсилення; Uвх max = ±12 В – максимальна вхідна диференціальна напруга; Uвих max = ±11,5 В – максимальна вихідна напруга; Iвих max = 20×10-3 A – максимальний вихідний струм; Rвх = 200 МОм – вхідний опір; Rвих = 2 к Ом- вихідний опір. Формування лінійно змінної напруги забезпечується на основі використання схеми інтегратора напруги з вхідною напругою Uвих = -Е. Схему інтегратора отримуємо, включивши в ланцюг зворотного зв'язку інвертуючого підсилювача замість резистора конденсатор. В цьому інтеграторі подаючи на вхід напругу додатньої полярності конденсатор починає заряджатися і напруга на виході дорівнює:
де Uin0– напруга, яка була на виході інтегратора до появи імпульсу на вході і дорівнює “0”. Звідси
де Ті — тривалість імпульсу. Ті = 1 /(2×f), де f – частота мережі. Ті = 1 / (2×50) = 0,01 с. Задаючись опором R4 = 68 кОм, враховуючи при цьому вхідну і вихідну напругу інтегратора, маємо значення ємності інтегратора: С1 = Ti ×E/Uвих ×R4 = (0,01×15)/(11,5 ×68×103 ) = 0,2 мкФ.
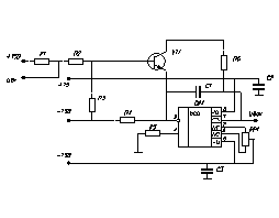
Рис.8. Схема генератора лінійно змінної напруги При наявності вхідного імпульсу керування конденсатор розряджається через резистор R6 за рахунок відкривання транзисторного ключа. Для цього вибираємо транзистор КТ342А з наступними параметрами: Uke ³ E,Ik max = 50 мA,Uke = 30 B,b =250. Знаходимо розрядний резистор при Uc = Uвих , R6 = Uвих /Ikn , де Ikn = Ik max /1,5, Іkn = 0,05/1,5 = 0,033 А,R6 = 11,5/0,033 =348,48 Ом. Вибираємо R6 = 360 Ом. Знайдемо струм насичення бази Іб н = Ikn /b = 0,033/250 = 132 мкA. Напруга насичення по вхідним характеристикам становить: Uб н = 0,3 В. Обчислимо значення струму через резистор R3 , що формує запираючий від'ємний потенціал на базі: I3 = Iб н /2 = 1,32 ×10-4 /2=66 мкA Звідси R3 = (E+Uб н )/I3 = (15+0,3)/0,66 ×10-4 = 231,82×103 0м. Вибираємо R3 = 240 кОм Сумарний струм становить: Іс = Iб н +I3 = 1,32×10-4 +0,66×10-4 = 198 мкА. Опір вхідного резистора ланцюга керування R2 = (Uвх – Uб н )/Iс = (12– 0,3)/1,98×10-4 = 59,1×103 Ом. Вибираємо R2 = 62 кОм. Опір в ланцюзі відкритого колектора компаратора R1 = (Uk – Uвх) )/Iс = (30-12)/ 1,98×10-4 = 90,9 ×103 Ом. Вибираємо резистор R1 = 91 кОм. Перевіримо умову “не перевищення” значення зворотної напруги на вході транзистора: Ube = E×R2 /(R2 +R3 ) = 15×62×103 /(62×103 +240×103 ) = 3B, що не перевищує Uбe m ax . Фільтруючі ємності С1 , С3 вибираємо аналогічно попередній схемі, тобто С2 = С3 = 47нФ. Проведемо перевірку перенавантаження операційного підсилювача ГЛЗН за вихідним струмом (Iвих ). Розрахунок проводимо з врахуванням того, що наступна схема, маючи дуже великий вхідний опір (3О ГОм), майже не споживає струму. Iвих = Uk /(R1 +Rвих ) = 30/(91×103 +2×103 ) = 0,32 мА. Iвих < Iвих max , тому розрахунок проведений правильно. Розрахуємо вихідний струм попереднього каскаду (спеціалізованого компаратора). Він становить Iвих комп = Uk /R1 = 0,33 мА. Отримане значення струму значно менше допустимого для компаратора, що становить 200 мА. 1.2.5 Розрахунок компаратора Для формування імпульсу при порівнянні вхідної напруги від ГЛЗH і вихідної, що задає зсув на кут a, використаємо такий же компаратор, як і для нуль-органа з тією лиш відміною, що на нього будемо подавати не нульове опорне значення напруги, а значення, що лежить в межах від 0 В до +15 В(рис.9). Резистор R1 і послідовне з'єднання резисторів R2 i R3 виконують роль симетруючих вхідний струм мікросхеми. Крім того нижній симетруючий резистор розбитий на дві частини (R2 , R3 ). Резистор R3 виконує роль захисного. При перевищенні на вході схеми значення U0n (більше +15 В, або менше -15 В) надлишкова напруга, що перебільшує значення ±15 В впаде на резисторі R3 , пропускаючи струм в джерело живлення ±15 В через діоди VD1 або VD2. Перевищення вхідної напруги ±35 В можуть задовольнити діоди КД202Г з приведеними вище параметрами. R2 = R3 = 2,2 кОм; R1 = 4,7 кОм. Фільтруючі ємності, як і в попередніх схемах, вибираємо по 47 нФ.
Рис.9. Схема компаратора 1.2.6 Розрахунок диференціюючої ланки Для запуску одновібратора використовуємо диференцюючу ланку на основі R-С елементів (рис. 10). Враховуючи, що в наступній схемі будемо використовувати мікросхему на операційному підсилювачі К140УД7 з вхідною диференціальною напругою не перевищуючою ±12 В, R-С ланку виконаємо з двох резисторів, створюючи з них також дільник напруги. Встановимо параметри для дільника Uвих = 5 В, Е = І5 В. Задаємось резистором R1 = 12 кОм. Тоді вихідна напруга буде залежати ще й від двох резисторів дільника R2 і R3 – вхідного опору наступної схеми. Uc (t) = Uc (-¥) – [Uc (¥) – Uc (0)]×e-t/ t . Для нашої схеми враховуючи, що компаратор з відкритим колектором коротить точку з'єднання R1 і С на спільний провід, а при наявності вхідного сигналу знімає вказану закоротку, маємо: Uc = E; Uc (0) = 0; Uc (t) = E - E×e-t/ t = E(1 – e-t/ t ). Тоді напруга на обох резисторах U = E - Uc (t)= E. З урахуванням
де t = (R1 +R2с )×C, R2с = R2 // R3 Для отримання Uвих0 = 4 В в початковий момент часу необхідно виконати умову:
Звідси R2с = (Uвих0 ×R1 )/(E – Uвих0 ) = (4×12·103 )/(15-4) = 4,36 кОм
Рис.10. Диференціююча ланка При R2 = R3, враховуючи R2с = R2 /2, одержуємо R2 = 2×R2с = 8,73 кОм. Вибираємо R2 = R3 =8,2 кОм. Знайдемо ємність конденсатора при тривалості імпульсу 10 мкс, заданій при половинній вихідній напрузі від свого початкового значення. Uвих0 /2 = Uвих0 ×e-t/((R1+R2/2) × C) C = -t/((R1 + R2 /2)·ln(0,5)) = 8,96 нФ Вибираємо ємність C = 9,1 нФ. Для виключення можливості попадання імпульсів зворотної полярності в схему наступного каскаду використовуємо діод КД202Г з вище приведеними даними. Знайдемо величину струмового навантаження попереднього каскаду: Iвих = E/R1 + E/R2 = 15×(1/1,2×104 + 1/0,82×104 ) = 3,08 мА. Обчислене значення значно менше максимального струму компаратора 200 мА. 1.2.6 Розрахунок одновібратора Тривалість імпульсу одновібратора складається з тривалості імпульсу вмикання тиристора t = 4 мкс i тривалості формування фронту вихідного каскаду tf = 16,5 мкc. Амплітуда вихідного сигналу Uвих повинна бути не менше 10 В. Для одновібратора (рис. 11) виберемо операційний підсилювач такий же, як і для схеми ГЛЗН К140УД7 з вище вказаними параметрами.
Рис.11. Схема одновібратора Задаючись мінімально необхідним значенням сигналу Uвх = 2 В, знаходимо відношення вихідного сигналу до вхідного : c = Uвх /Uвих = 2/10 = 0,2. За вказаним значенням c знайдемо значення R2 при значенні R1 = 12 кОм, заданого при розрахунку попередньої схеми. R2 = R1 ×(1 - c)/c = 1,2×104 ×(1-0,2)/0,2 = 48 кОм. Виберемо R2 = 47 кОм. Із співвідношення R3 =(t+tф)/C1·ln(1/(1-c))=7,07 кОм Виберемо значення R3 = 7,5 кОм. При заданій вихідній напрузі і опорi R3 найбільший струм, що може пройти через діод становить: I = Uвих /R3 =10/7,5×103 »1,3 мА. Проходженню такого струму може задовольнити раніше вживаний діод КД202Г. Максимальний струм виходу мікросхеми :
Iвих=6,18×10-3 +10×(1/59×103 +1/7,5×103 )=7,76 мА. Знайдене значення струму не перевищує максимального для мікросхеми 20 мА. Ємності С2 , С3 – фільтруючі. Їх вибираємо аналогічно вище приведеним по 47 нФ. Схема СІФК розроблена для керування тільки одним із шести тиристорів в межах регулювання a від 0 до 60°. Література 1. Забродин Ю.С. Промышленная электроника.– М.:Высшая школа, 1982.– 496с. 2. Колонтаєвський Ю.П.,Сосков А.Г. Промислова електроніка та мікросхемотехніка: теорія і практикум.-К.:Каравела,2003.-368с. 3. Руденко В.С., Сенько В.Н., Трифонюк В.В., Юдин Е.Е. Промышленная электроника.– К.:Техника, 1979.–499 с. 4. Руденко В.С., Сеньков В.Н., Чиженко И.М. Основы преобразовательной техники.– М.: Машиностроение, 1994. 5. Триполитов С.В., Ермилов А.В. Микросхемы, диоды, транзисторы(справочник.).– М.: Машиностроение, 1994. 6. Григорьев О.П., Замятин В.Я., Кондратьев Б.В., Пожидаев С.Л. Тиристоры (справочник).– М.: Радиосвязь, 1990.– 270 с. 7. Интегральные микросхемы: Справочник/ Б.В. Тарабрин, Л.Ф. Лунин и др. Под ред. Б.В. Тарабрина.– М.: Радио и связь, 1984.– 528с. 8. Чебовский О.Г. и др. Силовые полупроводниковые приборы: Справочник/ 2-е изд., перераб. и доп.– М.: Энергоатомиздат, 1985.– 400с. 9. Аксенов А. И., Нефедов А. В. Отечественные полупроводниковые приборы / Аксенов А.И., Нефедов А.В.– 3-е изд., перераб. и доп.– М.: СОЛОН-Р, 2002. 10. Герасимов В.Г. и др. Основы промышленной электроники. - М:Высшая школа,1986.-336с. |










.
