Курсовая работа: Широтно-импульсный модулятор
|
Название: Широтно-импульсный модулятор Раздел: Рефераты по коммуникации и связи Тип: курсовая работа | ||||||||||||||||||||||||||||||||||||||||||||||||||||||||
|
Широтно-импульсная модуляция состоит в изменении ширины (длительности) импульсов, следующих друг за другом с постоянной частотой. Широтно-импульсная модуляция (ШИМ, англ. Pulse-width modulation (PWM)) — приближение желаемого сигнала (многоуровневого или непрерывного) действительным бинарным (с двумя уровнями - вкл/выкл), так что в среднем, за отрезок времени, их значения равны. Основным регулирующим фактором выступает относительная длительность импульсов или коэффициент заполнения
где Т – период следования импульсов. При односторонней ШИМ, опорное напряжение представляет собой периодические пилообразные колебания. В этом случае модуляция осуществляется изменением положения только одного фронта импульса. Для двусторонней ШИМ, требуется треугольное (желательно равностороннее) опорное напряжение. Двусторонняя ШИМ, обладает более высоким быстродействием, чем односторонняя, поэтому ее применяют чаще. Если входной сигнал – биполярный, то должны меняться полярность и среднее значение выходного напряжения. При этом возможны два типа модуляции разнополярная ШИМ и однополярная ШИМ. 1. Формулировка задания В данной курсовой работе разрабатывается широтно-импульсный модулятор со следующими параметрами:Таблица 1. Содержание задания
2. Разработка функциональной схемы устройства
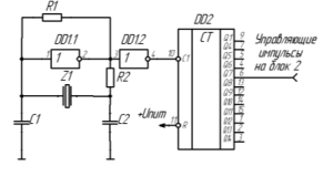
Рисунок 1 – Функциональная схема Генератор прямоугольных импульсов необходим для образования импульсов на следующем блоке – ГЛИНе. Исходя из задания, определяем, что в качестве опорного напряжения должны быть «треугольники». На выходе ГЛИНа имеем треугольные импульсы, которые являются тем самым опорным напряжением, подаваемым на компаратор. Компаратор устройство, на отрицательный вход которого подаётся опорный сигнал в виде треугольников, а на положительный − модулируемый непрерывный аналоговый сигнал. По заданию, модулируемым сигналом является синусоида с частотой 200Гц. Так же согласно заданию, амплитуда выходных сигналов, должна быть 10В. Нужную амплитуду обеспечивает электронный ключ. 3. Функциональные блоки 3.1 Генератор прямоугольных импульсовКварцевый генератор — генератор колебаний, синтезируемых кварцевым резонатором, входящим в состав генератора. Обычно обладает небольшой выходной мощностью. Внешнее напряжение на кварцевой пластинке вызывает её деформацию. А она, в свою очередь, приводит к появлению зарядов на поверхности кварца (пьезоэлектрический эффект). В результате этого механические колебания кварцевой пластины сопровождаются синхронными с ними колебаниями электрического заряда на её поверхности и наоборот.[1] Для обеспечения связи резонатора с остальными элементами схемы непосредственно на кварц наносятся электроды, либо кварцевая пластинка помещается между обкладками конденсатора. Используем Генератор Пирса. В схеме используется минимум компонентов: один цифровой инвертор, один резистор, два конденсатора и кристалл кварца, который действует как высокоизбирательный элемент фильтра. Генератор с RC частотно-задающей цепью, принцип его работы основан на процессе зарядки-разрядки конденсатора С через резистор R. Через этот резистор осуществляется ООС по постоянному току, а через конденсатор—ПОС по переменному. Второй инвертор в схеме генератора предназначен для уменьшения длительности фронтов формируемого прямоугольного колебания. Это необходимо для уменьшения влияния последующей схемы на стабильность колебаний задающего генератора, а также для более надёжной работы цифровых счётчиков делителя частоты.
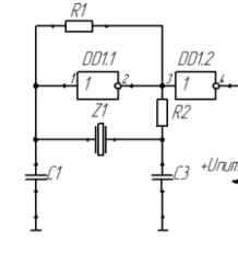
Рисунок 2 – Блок 1. Генератор прямоугольных напряжений Схема делителя частоты до значения нужной частоты. Для реализации делителя потребуется микросхема 561ИЕ16. 3.2 Генератор линейно изменяющегося напряжения Этот блок представляет собой генератор треугольного напряжения. В настоящее время генераторы с малым коэффициентом нелинейности (ε<0,0) и слабым влиянием нагрузки на форму выходного напряжения создаются с использованием операционных усилителей. [7] В частности, распространены генераторы на основе интегратора, управляемого входным импульсом напряжения прямоугольной формы. Элементами схемы являются источник питания, зарядный резистор R6 , конденсатор С3 и разрядный транзистор VT1. Выходное напряжение генератора представляет собой, усиленное операционным усилителем, напряжение на конденсаторе. ОУ охвачен отрицательной (R5 и R9 ) и положительной (резистор R10 ) обратными связями.
Рисунок 3 – ГЛИН Генератор работает следующим образом. В момент, когда полевой транзистор VT1 закрыт, происходит заряд конденсатора С3 через резисторы R10 и R7. Как только мы подаем импульс на VT1, происходит разряд конденсатора этот полевой транзистор. [3] 3.3 КомпараторДанный блок представляет собой компаратор, суть работы которого заключается в сравнении двух входящих сигналов, и получении на выходе импульсов различной длительности. На отрицательный вход подаётся опорный сигнал, т.е. «треугольные импульсы», а на положительный - сам модулируемый непрерывный аналоговый сигнал. Частота импульсов соответствует частоте треугольных импульсов. Ту часть периода, которую входной сигнал выше опорного, на выходе получается единица, ниже — нуль.
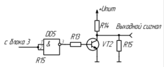
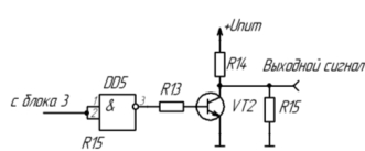
Рисунок 4 - Компаратор 3.4 Электронный ключ Для получения на выходе импульсов нужной амплитуды используем транзистор VT2 и элемент «И-НЕ» DD5. Резистор R13 ограничивает ток на вход базы транзистора. Резистор R15 является нагрузкой.
Рисунок 5 – Схема электронного ключа 4. Расчётная часть и выбор элементов схемы 4.1 Расчет генератора импульсов На рисунке 6 показан генератор, со стоящий из активного элемента – инвертора – и пассивного элемента – кварцевого резонатора.
Рисунок 6 – Кварцевый генератор Вместо одного инвертора можно поставить любое нечетное количество инверторов.
Рисунок 7 – Эквивалентная схема замещения Эквивалентная схема кварцевого резонатора показана на рисунке 7. Генератор Пирса – одна из наиболее популярных схем. Она является основой практически всех генераторов на одном вентиле. Кварц ведет себя как большая индуктивность, так как он подключен параллельно. Роль нагрузки на выход резонатора играют конденсаторы C1 и C2. Конденсаторы C1 и C2 играют роль нагрузочной емкости кварцевого резонатора. В качестве резонатора выбираем кварцевый резонатор: KX-49 номинальная частота которого - 2.4576 МГц. В таблице 2 приведены параметры кварцевого резонатора. Таблица 2 Параметры KX-49
Резистор R1 предназначен для автоматического запуска генератора при включении питания. Этот же элемент определяет коэффициент усиления инвертора, и чем больше будет этот коэффициент усиления, тем более прямоугольные колебания будут формироваться на его выходе, а это, в свою очередь, приведёт к снижению тока, потребляемого кварцевым генератором. Выберем номинал резистора R1 равным 1Мом. Резистор R2 увеличивает импеданс цепи, с тем чтобы вместе с конденсатором C2 увеличить фазовый сдвиг. Это нужно для того, чтобы генератор заработал на нужной, а не на большей частоте. Резистор также изолирует выход инвертора от цепи резонатора и этим сохраняет прямоугольную форму импульса. Номинал резистора должен быть примерно равен импедансу нагрузки ZL , который можно вычислить по приведенной формуле: [6]
Импульсы с частотой f=2,4576 МГц поступают на счетчик ИЕ16, с Q7 выхода счетчика получаем импульсы с частотой f/ 256=9.6 кГц. 4.2 Расчет генератора линейно изменяющегося напряжения В качестве генератора линейно изменяющегося напряжения выбирается схема на рисунке 5. Рассматриваемый ГЛИН выполнен на базе интегратора напряжения (DD2, RC- цепь, источник питания U1), управляемого генератором прямоугольных импульсов и источника питания U1. Когда транзистор закрыт, через него протекает неуправляемый (начальный) ток стока. При открытом транзисторе ток через транзистор должен определяться величиной сопротивления нагрузки и напряжением питания. Когда линейно изменяющееся напряжение Uc(t) на выходе интегратора достигнет значения напряжения срабатывания, происходит подача сигнала управления, под действием которого ключевой транзистор VT1 открывается, разряжая конденсатор. Далее процесс повторяется с периодом: T≈R6 C Задаемся частотой раной 9,6 кГц. Напряжение Ucm целесообразно выбирать минимальным, чтобы исключить влияние разброса параметров используемых резисторов на коэффициент нелинейности формируемого напряжения.[7] Максимальное напряжение на конденсаторе связано с длительностью зависимостью
Выбираем U1 = 5В, U2=0В, тогда Ucm = 5В. Выбираем R6 = R5 = 10 кОм,тогда С3 = 96нФ. Исходя из следующего, найдем R9.
Uвых = 10 В, тогда:R9 = Ucmax*R6 / Uвых = 5*10000/10≈ 2 кОм , берем ближайшее по номиналу R9 = R10 =2 кОм В качестве ОУ DD3 выбран 140УД7. Питание ±10В. 4.3 Выбор компаратора В качестве компаратора DD4 используется 521СА3 для обеспечения стабильной работы ШИМ.Технические характеристики аналогового компаратора 521СА3
Области применения
Резистор R12 в сочетании с диодами D1 и D2 ограничивает размах входного сигнала. Благодаря диодам в ограничиваем размах входного напряжения значениями -12,6 В до +12,6 В, условие состоит в том, что отрицательное входное напряжение не должно достигать значения напряжения пробоя (например, для диода типа КД510А это значение составляет - 50 В). Таблица 3 Параметры выбранного транзистора
4.4 Расчет электронного ключа В качестве ключа выбирается следующая схема:
Рисунок 9 – Схема электронного ключа Rн =0,5 к Ом, Uвых =10В. Iк=Uвых/Rн=10/500=50mА По справочнику ищем транзистор, который выдержит заданный ток коллектора (0,05А). Транзистор КТ315А держит постоянный ток до 0,1 А. Из справочника - h21э, для КТ315А h21э=30. Считаем базовый ток Iб=Ik/h21э=0.05/30≈ 1,67 mA, на базу надо подводить ток не ниже 167 мкА. R14 – согласующее сопротивление между компаратором DD3 и транзистором VT2. Выберем R16 = 200 Ом. Rвых =R15 =500 Ом по заданию, из ряда выбираем 510 Ом. на выходе необходимо получить 10 В, тогда рассчитаем величину резистора R14 (Uпит -Uвых )/R14 =Uвых /R15 , откуда R14 =2R15 /10=102 Ом, из стандартного ряда выбираем номинал 100 Ом. Рассеиваемая мощность 10В*1.25mA≈0,0125 Вт Таблица 4. Параметры выбранного транзистора КТ315А
5. Моделирование схемы Выходной сигнал с генератор треугольных импульсов:
Выходной сигнал с генератора прямоугольных импульсов:
Моделируемый сигнал:
Процесс модуляции:
Период выходного сигнала:
Наименьшая длительность импульса:
Длительность должна быть равна 5,12 мкс. По графику видно, что она составляет 5,56мкс. Наибольшая длительность импульса:
Длительность импульса должна составлять 97,37мкс. По графику видно, что она равна 97,74 мкс. ЗаключениеВ данной курсовой работе разработали принципиальную схему и произвели расчет схемы Широтно-Импульсного модулятора. На вход устройства ШИМ подается синусоида с частотой согласно заданию – 200 Гц, на выходе имеем преобразованный ШИМ сигнал, амплитуда которого 10 В. Диапазон изменения относительной длительности выходных импульсов данного ШИМ составляет – 0.05 ÷ 0.95. Разработанный широтно-импульсный модулятор является достаточно простым. Моделирование схемы производили с помощью пакета CircuitMaker. Список использованной литературы1. Альтшуллер Г.Б., Елфимов Н.Н., Шакулин В.Г. Кварцевые резонаторы: справочное пособие. М.:Радио и связь, 1984.-232с., ил. 2. Хорвиц П., Хилл У. Искусство схемотехники: Пер. с англ. – Изд. шестое. М.: Мир, 2001. 3. Лекционный курс по ЭЦиМС (преподаватель Андреев И.Б.). 4. Цифровые КМОП микросхемы, справочник, Партала О.Н. – СПб: Наука и техника, 2001. - 400 стр. с ил. 5. Л. Лабутин, Кварцевые резонаторы. - Радио, 1975, №3. 6. Генераторы прямоугольных импульсов на микросхемах КМОП. В. Стрижов ,Схемотехника, 2000, № 2, стр. 28 7. Забродин Ю.С., Промышленная электроника: учебник для вузов. - М.: Высш. Школа, 1982. – 496с., ил. |




















