| КУРСОВА РОБОТА НА ТЕМУ:
ВИБІР СХЕМИ ВИДАЧІ ПОТУЖНОСТІ ЕЛЕКТРОСТАНЦІЇ ТИПУ АЕС
Cодержание
1. Вихідні дані завдання
2. Розподіл генераторів між РУ ВН і РУ СН
3. Вибір генераторів і блокових трансформаторів
4. Вибір АТ
5. Визначення втрат у трансформаторах блоків і АТ
6. Вибір провідників для ЛЕП на РУ-330 кВ і РУ-750 кВ
7. Кількість з'єднань на РУ-330 кВ і РУ-750 кВ
8. Вибір варіантів схем РУ всіх напруг
9. Техніко-економічний аналіз варіантів схем
9.1 Визначення втрат електроенергії від потоків відмов елементів схем РУ СН
9.2 Техніко-економічне зіставлення варіантів розглянутих схем
Література
Виконати техніко-економічне зіставлення схем.
Вихідні дані завдання зведені в таблицю №1.
| Тип електростанції й число встановлених на ній генераторів
|
Дані РУ вищої напруги
|
Дані РУ середньої напруги
|
| напруга, кВ
|
потужність к.з. від системи, МВА
|
Напряже
ние, кВ
|
навантаження, МВт
|
потужність к.з. від системи, МВА
|
| АЕС 7´1000 МВт
|
750
|
14000
|
330
|
3800/3200
|
12000
|
Кількість ЛЕП на напругу 750 кВ (4, довжиною 300 км.
Кількість ЛЕП на напругу 330 кВ (5, довжиною 30 км.
Час використання максимального навантаження Тнагр.мах
=6000 годин.
Час використання встановленої потужності генераторів Тг.вуст.
=7200 годин. Максимальна активна потужність, що віддається в енергосистему (7000 Мвт.
Схема видачі потужності визначає розподіл генераторів між РУ різних напруг, трансформаторний і автотрансформаторний зв'язок між РУ, спосіб з'єднання генераторів із блоковими: трансформаторами, точки підключення резервних трансформаторів власних потреб.
Звичайно до РУ середньої напруги (СН) підключається стільки генераторів, скільки необхідно, щоб покрити навантаження в максимальному режимі.
Інші підключаються до РУ вищої напруги (ВН), тобто:
nг-сн = Рнг max
/ Рг
= 3800/1000 » 4
де: Рнг max - максимальне навантаження РУ СН; Рг - потужність одного генератора; nг-сн - число генераторів, підключених до РУ СН.
Згідно завдання вибираємо генератори проектованої станції (вибираються по активній потужності):
Вибираємо по (Л.3) генератор ТВВ-1000-4
| Генератор
|
Ном. частота обертання, про/хв
|
Номінальна потужність
|
Ном. напруга, кВ
|
Cos jном.
|
Ном. струм, кА
|
х”
|
Та
|
| S, МВА
|
Р, МВт
|
| ТВВ-1000-4
|
1500
|
1111
|
1000
|
24
|
0,9
|
26,73
|
0,324
|
0,25
|
Згідно завдання вибираємо по (Л.3) блокові трансформатори:
Sбл. расч.
= 1,05 Sг
= 1,05 ´ 1111 = 1166,55 МВА
По літературі (3) вибираємо ОРЦ-417000/750 і ТЦ-1250000/330
| Тип трансформатора
|
Sн
, МВА
|
Рхх
, кВт
|
Рк
, кВт
|
НН, кВ
|
uквн-нн, %
|
uксн-нн, %
|
Iхх
|
| ОРЦ 417000/750
|
3 ´ 417
|
3 ´ 320
|
3 ´ 800
|
24
|
14
|
45
|
0,35
|
| ТЦ 1250000/330
|
1250
|
500
|
2800
|
24
|
14,5
|
-
|
0,55
|
Вихідні дані для розрахунку наведені в таблиці №1.
Повна потужність генератора Sг
дорівнює:
Sг
= Рг
/ cosj = 1000 / 0,9 = 1111 МВА
Тому що навантаження власних потреб (с.н.) Sсн
не задані, то задаємо її самі з розрахунку 4-6% від потужності генератора:
Sсн
= Sг
´ 5% / 100% = 1111 ´ 5% / 100% = 55,55 МВА
Максимальна повна потужність РУ СН:
Sн max
= Р Снmax
/ cosj = 3800 / 0,85 = 4470,59 МВА
Мінімальна повна потужність РУ СН:
Sнг min
= Р Сн min
/ cosj = 3200 / 0,85 = 3764,7 МВА
Розглянемо два варіанти схем:

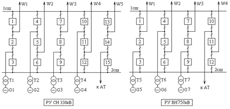
Рис.1 3 блоки на СН і 4 блоки на ВН
Розглядаємо 1-й варіант: 3 блоки на СН і 4 блоки на ВН.
SП min
= SSГсн
- Sнг min
- Sсн
= 3333 - 3764,7 - 166,65 = - 598,35 МВА
SП max
= Sн max
- SSГсн
+ Sсн
= 4470,59 - 3333 + 166,65 = 1304,24 МВА
Sпа
= Sн max
- (SSГсн
- Sг1
) + Sсн
= 4470,59 - (3333 - 1111) + 166,65 = 2415,24 МВА
де:
Sсн
- потужність власних потреб;
Sг1
- потужність одного генератора;
SП min
- мінімальна потужність перетікань РУ СН ® РУ ВН;
SП max
- максимальна потужність перетікань РУ СН ® РУ ВН;
Sпа
- потужність перетікань РУ СН ® РУ ВН при відключенні одного блоку;
SSГсн
- сумарна потужність генераторів на СН;
Sнг min
- мінімальна потужність навантаження на генератори СН;
Sн max
- максимальна потужність навантаження на генератори СН.
Розглядаємо 2-й варіант: 4 блоки на СН і 3 блоки на ВН.
SП min
= SSГсн
- Sнг min
- Sсн
= 4444 - 3764,7 - 222,2 = 457,1 МВА
SП max
= Sн max
- SSГсн
+ Sсн
= 4470,59 - 4444 + 222,2 = 248,79 МВА
Sпа
= Sн max
- (SSГсн
- Sг1
) + Sсн
= 4470,59 - (4444 - 1111) + 222,2 = 1359,79 МВА

Рис.1 4 блоки на СН і 3 блоки на ВН
Вибираємо 2-й варіант: 4 блоки на СН і 3 блоки на ВН, тому що згідно розрахунку в другому варіанті максимальні потужності перетікань РУ СН (РУ ВН в аварійному режимі (відключення одного блоку) виявилися нижче майже вдвічі за значенням стосовно першого варіанта, що спричиняється вибір АТ з Л.3.
Розраховуємо потужність АТ:
SаТ расч.
= 1359,79 МВА
По літературі (3) вибираємо 1 групу однофазних АТ: АОДЦТН-417000/750/330
Sн
= 3 ´ 417 МВА; ВН = 750/ кВ; СН = 330/ кВ
Визначаємо втрати в автотрансформаторі.
Величина втрат у трифазній групі однофазних двох обмотувальних трансформаторів визначається по формулі:

Мвт (ч/рік
де:
n - число паралельно працюючих трансформаторів;
Sn
- номінальна потужність трансформатора;
Snmax
- максимальне навантаження трансформатора за графіком;
Рхх
, Ркз
- втрати потужності одного трансформатора потужністю Sn
;
ТГ
- число годин використання потужності (7200 годин);
tmax
- час найбільших втрат (1% від ТГ
).
Визначаємо втрати в трансформаторах блоку:
Величина втрат у трифазному двох обмотувальному трансформаторі визначається по формулі:
на напругу 330 кВ:

Мвт (ч/рік) на напругу 750 кВ:

Мвт (ч/рік
Вибір провідників для ЛЕП на РУ-330 кВ:

де: n - кількість ліній.
По Л.3 вибираємо провідник АС 400/51
Iдоп.
= 835 А.
Вибір провідників для ЛЕП на РУ-750 кВ:

де: n - кількість ліній.
По Л.3 вибираємо провідник АС 400/51
Iдоп.
= 835 А.
У виді того, що групи РТСН живляться від ОРУ-330 і 150 кВ Запорізької ТЕС, що перебуває в 2-х км від АЕС, то на РУ-330 кВ і РУ-750 кВ АЕС ми їх не враховуємо.
Кіл-сть з'єднань на РУ 750 кВ
:
n = nЛЭП
+ nг
+ nпртсн
+ nсекц.
+ nат
= 4 + 3 + 0 + 0 + 1 = 8
Кіл-У з'єднань на РУ 330 кВ
:
n = nЛЭП
+ nг
+ nпртсн
+ nсекц.
+ nат
= 5 + 4 + 0 + 0 + 1 = 10
Схеми розподільних пристроїв (РУ) підвищених напруг електричних станцій вибираються по номінальній напрузі, числу приєднань, призначенню й відповідальності РУ в енергосистемі, а також з урахуванням схеми прилягаючої мережі, черговості й перспективи розширення.
Схеми РУ напругою 35 - 750 кВ повинні виконаються з урахуванням вимог і норм технологічного проектування.
При наявності декількох варіантів схем задовольняючих перерахованим вище вимогам перевага віддається:
- більше простому й економічному варіанту;
- варіанту, по якому потрібне найменша кількість операцій з вимикачами а роз'єднувачами РУ підвищеної напруги при режимних перемиканнях виводу в ремонт окремих ланцюгів і при відключенні ушкоджених ділянок в аварійних режимах.
Розглянемо основні види схем, застосовувані в схемах РУ330/750 кВ.

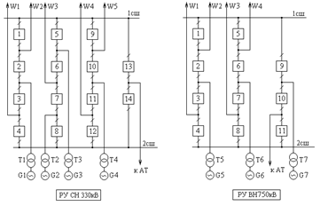
Схема №1. Схема із двома системами шин і трьома вимикачами на два ланцюги (3/2).
Схема із двома системами шин і трьома вимикачами на два ланцюги (сх.1). У розподільних пристроях 330 - 750 кВ застосовується схема із двома системами шин і трьома вимикачами на два ланцюги. Кожне приєднання включене через два вимикачі В нормальному режимі всі вимикачі включені, обидві системи шин перебувають під напругою Для ревізії будь-якого вимикача відключають його й роз'єднувачі, установлені по обох сторони вимикача Кількість операцій для виводу в ревізію - мінімальне, роз'єднувачі служать тільки для відділення вимикача при ремонті, ніяких оперативних перемиканні ними не роблять Достоїнства розглянутої схеми:
- при ревізії будь-якого вимикача всі приєднання залишаються в роботі;
- висока надійність схеми;
- випробування вимикачів виробляється без операцій з роз'єднувачами. Ремонт шин, очищення ізоляторів, ревізія шинних роз'єднувачів виробляються без порушення роботи ланцюгів;
- кількість необхідних операцій роз'єднувачами в плині року для виводу в ревізію по черзі всіх вимикачів, роз'єднувачів і збірних шин значно менше, ніж у схемі із двома робітниками й обхідний системами шин.
Розглянута схема:
- відключення КЗ на лінії двома вимикачами, що збільшує загальну кількість ревізій вимикачів;
- подорожчання конструкції РУ при непарному числі приєднань, тому що один ланцюг повинна приєднуватися через два вимикачі;
- зниження надійності схеми, якщо кількість ліній не відповідає числу трансформаторів. У цьому випадку до одного ланцюжка із трьох вимикачів приєднуються два однойменних елементи, тому можливо аварійне відключення одночасно двох ліній;
- ускладнення релейного захисту;
- збільшення кількості вимикачів у схемі.

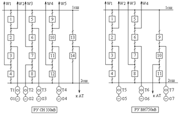
Схема №2. Схема із двома системами шин і чотирма вимикачами на три ланцюги.
Схема із двома системами шин і із чотирма вимикачами на три приєднання (сх.2). Найкращі показники схема має, якщо число ліній в 2 рази менше або більше числа трансформаторів.
Достоїнства схеми:
- схема 4/3 вимикача на приєднання має всі достоїнства властивій полуторній схемі;
- схема більше економічна в порівнянні з полуторною схемою (1,33 вимикача на приєднання замість 1,5);
- секціонування збірних шин потрібно тільки при 15 приєднаннях і більше;
- надійність схеми практично не знижується, якщо до одного ланцюжка будуть приєднані дві лінії й один трансформатор замість двох трансформаторів і однієї лінії;
- конструкція ОРУ за розглянутою схемою досить економічна й зручна в обслуговуванні.
9.1
Визначення втрат електроенергії від потоків відмов елементів схем РУ СН
Розрахунок робимо за допомогою комп'ютерної програми, розробленої випускником УІПА 2000 року Путиліним О.М.
Розрахунок показників надійності головної схеми РУ СН (3/2)
Тип станції - АЕС; Uном, кВ - 330; Топ, год - 2,0
| Устаткування
|
Параметр потоку відмов,
1/рік
|
Час після відмови Тв, ч.
|
Час на пл. ремонт Тр,
ч/рік
|
| Вимикачі
|
0,2500
|
75
|
271
|
| Система шин
|
0,0130
|
5
|
3
|
Отримано результати для вимикачів і систем шин:
| Відмова
|
У період
ремонту
|
W, 1/рік
|
ОП/Тв
|
ОВ
|
Wтиж.,
МВт год
|
| B1
|
|
0,13000
|
l1/0,5
|
B2 B4 B7 B10 B13
|
52,9
|
| B2
|
|
0,13000
|
(l1) b1/16
|
B1 B3
|
2116,4
|
| B3
|
|
0,13000
|
b1/16
|
B2 B6 B9 B12 B15
|
2116,4
|
| B4
|
|
0,13000
|
b2/16
|
B5 B1 B7 B10 B13
|
2116,4
|
| B5
|
|
0,13000
|
(l2) b2/16
|
B4 B6
|
2116,4
|
| B6
|
|
0,13000
|
l2/0,5
|
B5 B3 B9 B12 B15
|
52,9
|
| B7
|
|
0,13000
|
l3/0,5
|
B8 B1 B4 B10 B13
|
52,9
|
| B8
|
|
0,13000
|
(l3) b3/16
|
B7 B9
|
2116,4
|
| B9
|
|
0,13000
|
b3/16
|
B8 B3 B6 B12 B15
|
2116,4
|
| B10
|
|
0,13000
|
b4/16
|
B11 B1 B4 B7 B13
|
2116,4
|
| B11
|
|
0,13000
|
(l4) b4/16
|
B10 B12
|
2116,4
|
| B12
|
|
0,13000
|
l4/0,5
|
B11 B3 B6 B9 B15
|
52,9
|
| B13
|
|
0,13000
|
l5/0,5
|
B14 B1 B4 B7 B10
|
52,9
|
| B14
|
|
0,13000
|
l5/0,5 a1/0,5
|
B13 B15
|
52,9
|
| B15
|
|
0,13000
|
(a1)
|
B14 B3 B6 B9 B12
|
0,0
|
| 1СШ
|
|
0,03500
|
|
B1 B4 B7 B10 B13
|
0,0
|
| 2СШ
|
|
0,03500
|
|
B3 B6 B9 B12 B15
|
0,0
|
| B1
|
B2
|
0,00770
|
l1/75
|
B4 B7 B10 B13
|
464,0
|
| B1
|
B3
|
0,00770
|
(l1) b1/16
|
B2 B4 B7 B10 B13
|
123,7
|
| B1
|
B4
|
0,00770
|
l1/0,5
|
B2 B7 B10 B13
|
3,1
|
| B1
|
B5
|
0,00770
|
(l1) b2/25
|
B2 B4 B7 B10 B13
|
193,4
|
| B1
|
B6
|
0,00770
|
l1/0,5
|
B2 B4 B7 B10 B13
|
3,1
|
| B1
|
B7
|
0,00770
|
l1/0,5
|
B2 B4 B10 B13
|
3,1
|
| B1
|
B8
|
0,00770
|
l1/0,5 l3/25
|
B2 B4 B7 B10 B13
|
157,8
|
| B1
|
B9
|
0,00770
|
l1/0,5
|
B2 B4 B7 B10 B13
|
3,1
|
| B1
|
B10
|
0,00770
|
l1/0,5
|
B2 B4 B7 B13
|
3,1
|
| B1
|
B11
|
0,00770
|
(l1) b4/25
|
B2 B4 B7 B10 B13
|
193,4
|
| B1
|
B12
|
0,00770
|
l1/0,5
|
B2 B4 B7 B10 B13
|
3,1
|
| B1
|
B13
|
0,00770
|
l1/0,5
|
B2 B4 B7 B10
|
3,1
|
| B1
|
B14
|
0,00770
|
l1/0,5 l5/25
|
B2 B4 B7 B10 B13
|
157,8
|
| B1
|
B15
|
0,00770
|
l1/0,5
|
B2 B4 B7 B10 B13
|
3,1
|
| B2
|
B1
|
0,00770
|
b1/16 l1/59
|
B3
|
488,8
|
| B2
|
B3
|
0,00770
|
(l1) b1/75
|
B1
|
580,1
|
| B2
|
B4
|
0,00770
|
(l1) b1/16
|
B1 B3
|
123,7
|
| B2
|
B5
|
0,00770
|
(l1) b1/16
|
B1 B3
|
123,7
|
| B2
|
B6
|
0,00770
|
(l1) b1/16
|
B1 B3
|
123,7
|
| B2
|
B7
|
0,00770
|
(l1) b1/16
|
B1 B3
|
123,7
|
| B2
|
B8
|
0,00770
|
(l1) b1/16
|
B1 B3
|
123,7
|
| B2
|
B9
|
0,00770
|
(l1) b1/16
|
B1 B3
|
123,7
|
| B2
|
B10
|
0,00770
|
(l1) b1/16
|
B1 B3
|
123,7
|
| B2
|
B11
|
0,00770
|
(l1) b1/16
|
B1 B3
|
123,7
|
| B2
|
B12
|
0,00770
|
(l1) b1/16
|
B1 B3
|
123,7
|
| B2
|
B13
|
0,00770
|
(l1) b1/16
|
B1 B3
|
123,7
|
| B2
|
B14
|
0,00770
|
(l1) b1/16
|
B1 B3
|
123,7
|
| B2
|
B15
|
0,00770
|
(l1) b1/16
|
B1 B3
|
123,7
|
| B3
|
B1
|
0,00770
|
b1/16
|
B2 B6 B9 B12 B15
|
123,7
|
| B3
|
B2
|
0,00770
|
b1/75
|
B6 B9 B12 B15
|
580,1
|
| B3
|
B4
|
0,00770
|
b1/16
|
B2 B6 B9 B12 B15
|
123,7
|
| B3
|
B5
|
0,00770
|
b1/16 l2/9
|
B2 B6 B9 B12 B15
|
179,4
|
| B3
|
B6
|
0,00770
|
b1/16
|
B2 B9 B12 B15
|
123,7
|
| B3
|
B7
|
0,00770
|
b1/16
|
B2 B6 B9 B12 B15
|
123,7
|
| B3
|
B8
|
0,00770
|
b1/16 b3/25
|
B2 B6 B9 B12 B15
|
317,1
|
| B3
|
B9
|
0,00770
|
b1/16
|
B2 B6 B12 B15
|
123,7
|
| B3
|
B10
|
0,00770
|
b1/16
|
B2 B6 B9 B12 B15
|
123,7
|
| B3
|
B11
|
0,00770
|
b1/16 l4/9
|
B2 B6 B9 B12 B15
|
179,4
|
| B3
|
B12
|
0,00770
|
b1/16
|
B2 B6 B9 B15
|
123,7
|
| B3
|
B13
|
0,00770
|
b1/16
|
B2 B6 B9 B12 B15
|
123,7
|
| B3
|
B14
|
0,00770
|
b1/16 (a1)
|
B2 B6 B9 B12 B15
|
123,7
|
| B3
|
B15
|
0,00770
|
b1/16
|
B2 B6 B9 B12
|
123,7
|
| B4
|
B1
|
0,00770
|
b2/16
|
B5 B7 B10 B13
|
123,7
|
| B4
|
B2
|
0,00770
|
b2/16 l1/9
|
B5 B1 B7 B10 B13
|
179,4
|
| B4
|
B3
|
0,00770
|
b2/16
|
B5 B1 B7 B10 B13
|
123,7
|
| B4
|
B5
|
0,00770
|
b2/75
|
B1 B7 B10 B13
|
580,1
|
| B4
|
B6
|
0,00770
|
b2/16 (l2)
|
B5 B1 B7 B10 B13
|
123,7
|
| B4
|
B7
|
0,00770
|
b2/16
|
B5 B1 B10 B13
|
123,7
|
| B4
|
B8
|
0,00770
|
b2/16 l3/9
|
B5 B1 B7 B10 B13
|
179,4
|
| B4
|
B9
|
0,00770
|
b2/16
|
B5 B1 B7 B10 B13
|
123,7
|
| B4
|
B10
|
0,00770
|
b2/16
|
B5 B1 B7 B13
|
123,7
|
| B4
|
B11
|
0,00770
|
b2/16 b4/25
|
B5 B1 B7 B10 B13
|
317,1
|
| B4
|
B12
|
0,00770
|
b2/16
|
B5 B1 B7 B10 B13
|
123,7
|
| B4
|
B13
|
0,00770
|
b2/16
|
B5 B1 B7 B10
|
123,7
|
| B4
|
B14
|
0,00770
|
b2/16 l5/9
|
B5 B1 B7 B10 B13
|
179,4
|
| B4
|
B15
|
0,00770
|
b2/16
|
B5 B1 B7 B10 B13
|
123,7
|
| B5
|
B1
|
0,00770
|
(l2) b2/16
|
B4 B6
|
123,7
|
| B5
|
B2
|
0,00770
|
(l2) b2/16
|
B4 B6
|
123,7
|
| B5
|
B3
|
0,00770
|
(l2) b2/16
|
B4 B6
|
123,7
|
| B5
|
B4
|
0,00770
|
(l2) b2/75
|
B6
|
580,1
|
| B5
|
B6
|
0,00770
|
b2/16 l2/59
|
B4
|
488,8
|
| B5
|
B7
|
0,00770
|
(l2) b2/16
|
B4 B6
|
123,7
|
| B5
|
B8
|
0,00770
|
(l2) b2/16
|
B4 B6
|
123,7
|
| B5
|
B9
|
0,00770
|
(l2) b2/16
|
B4 B6
|
123,7
|
| B5
|
B10
|
0,00770
|
(l2) b2/16
|
B4 B6
|
123,7
|
| B5
|
B11
|
0,00770
|
(l2) b2/16
|
B4 B6
|
123,7
|
| B5
|
B12
|
0,00770
|
(l2) b2/16
|
B4 B6
|
123,7
|
| B5
|
B13
|
0,00770
|
(l2) b2/16
|
B4 B6
|
123,7
|
| B5
|
B14
|
0,00770
|
(l2) b2/16
|
B4 B6
|
123,7
|
| B5
|
B15
|
0,00770
|
(l2) b2/16
|
B4 B6
|
123,7
|
| B6
|
B1
|
0,00770
|
l2/0,5
|
B5 B3 B9 B12 B15
|
3,1
|
| B6
|
B2
|
0,00770
|
(l2) b1/25
|
B5 B3 B9 B12 B15
|
193,4
|
| B6
|
B3
|
0,00770
|
l2/0,5
|
B5 B9 B12 B15
|
3,1
|
| B6
|
B4
|
0,00770
|
l2/0,5
|
B5 B3 B9 B12 B15
|
3,1
|
| B6
|
B5
|
0,00770
|
l2/75
|
B3 B9 B12 B15
|
464,0
|
| B6
|
B7
|
0,00770
|
l2/0,5
|
B5 B3 B9 B12 B15
|
3,1
|
| B6
|
B8
|
0,00770
|
(l2) b3/25
|
B5 B3 B9 B12 B15
|
193,4
|
| B6
|
B9
|
0,00770
|
l2/0,5
|
B5 B3 B12 B15
|
3,1
|
| B6
|
B10
|
0,00770
|
l2/0,5
|
B5 B3 B9 B12 B15
|
3,1
|
| B6
|
B11
|
0,00770
|
l2/0,5 l4/25
|
B5 B3 B9 B12 B15
|
157,8
|
| B6
|
B12
|
0,00770
|
l2/0,5
|
B5 B3 B9 B15
|
3,1
|
| B6
|
B13
|
0,00770
|
l2/0,5
|
B5 B3 B9 B12 B15
|
3,1
|
| B6
|
B14
|
0,00770
|
l2/0,5 a1/0,5
|
B5 B3 B9 B12 B15
|
3,1
|
| B6
|
B15
|
0,00770
|
l2/0,5
|
B5 B3 B9 B12
|
3,1
|
| B7
|
B1
|
0,00770
|
l3/0,5
|
B8 B4 B10 B13
|
3,1
|
| B7
|
B2
|
0,00770
|
l3/0,5 l1/25
|
B8 B1 B4 B10 B13
|
157,8
|
| B7
|
B3
|
0,00770
|
l3/0,5
|
B8 B1 B4 B10 B13
|
3,1
|
| B7
|
B4
|
0,00770
|
l3/0,5
|
B8 B1 B10 B13
|
3,1
|
| B7
|
B5
|
0,00770
|
(l3) b2/25
|
B8 B1 B4 B10 B13
|
193,4
|
| B7
|
B6
|
0,00770
|
l3/0,5
|
B8 B1 B4 B10 B13
|
3,1
|
| B7
|
B8
|
0,00770
|
l3/75
|
B1 B4 B10 B13
|
464,0
|
| B7
|
B9
|
0,00770
|
(l3) b3/16
|
B8 B1 B4 B10 B13
|
123,7
|
| B7
|
B10
|
0,00770
|
l3/0,5
|
B8 B1 B4 B13
|
3,1
|
| B7
|
B11
|
0,00770
|
(l3) b4/25
|
B8 B1 B4 B10 B13
|
193,4
|
| B7
|
B12
|
0,00770
|
l3/0,5
|
B8 B1 B4 B10 B13
|
3,1
|
| B7
|
B13
|
0,00770
|
l3/0,5
|
B8 B1 B4 B10
|
3,1
|
| B7
|
B14
|
0,00770
|
l3/0,5 l5/25
|
B8 B1 B4 B10 B13
|
157,8
|
| B7
|
B15
|
0,00770
|
l3/0,5
|
B8 B1 B4 B10 B13
|
3,1
|
| B8
|
B1
|
0,00770
|
(l3) b3/16
|
B7 B9
|
123,7
|
| B8
|
B2
|
0,00770
|
(l3) b3/16
|
B7 B9
|
123,7
|
| B8
|
B3
|
0,00770
|
(l3) b3/16
|
B7 B9
|
123,7
|
| B8
|
B4
|
0,00770
|
(l3) b3/16
|
B7 B9
|
123,7
|
| B8
|
B5
|
0,00770
|
(l3) b3/16
|
B7 B9
|
123,7
|
| B8
|
B6
|
0,00770
|
(l3) b3/16
|
B7 B9
|
123,7
|
| B8
|
B7
|
0,00770
|
b3/16 l3/59
|
B9
|
488,8
|
| B8
|
B9
|
0,00770
|
(l3) b3/75
|
B7
|
580,1
|
| B8
|
B10
|
0,00770
|
(l3) b3/16
|
B7 B9
|
123,7
|
| B8
|
B11
|
0,00770
|
(l3) b3/16
|
B7 B9
|
123,7
|
| B8
|
B12
|
0,00770
|
(l3) b3/16
|
B7 B9
|
123,7
|
| B8
|
B13
|
0,00770
|
(l3) b3/16
|
B7 B9
|
123,7
|
| B8
|
B14
|
0,00770
|
(l3) b3/16
|
B7 B9
|
123,7
|
| B8
|
B15
|
0,00770
|
(l3) b3/16
|
B7 B9
|
123,7
|
| B9
|
B1
|
0,00770
|
b3/16
|
B8 B3 B6 B12 B15
|
123,7
|
| B9
|
B2
|
0,00770
|
b3/16 b1/25
|
B8 B3 B6 B12 B15
|
317,1
|
| B9
|
B3
|
0,00770
|
b3/16
|
B8 B6 B12 B15
|
123,7
|
| B9
|
B4
|
0,00770
|
b3/16
|
B8 B3 B6 B12 B15
|
123,7
|
| B9
|
B5
|
0,00770
|
b3/16 l2/9
|
B8 B3 B6 B12 B15
|
179,4
|
| B9
|
B6
|
0,00770
|
b3/16
|
B8 B3 B12 B15
|
123,7
|
| B9
|
B7
|
0,00770
|
b3/16
|
B8 B3 B6 B12 B15
|
123,7
|
| B9
|
B8
|
0,00770
|
b3/75
|
B3 B6 B12 B15
|
580,1
|
| B9
|
B10
|
0,00770
|
b3/16
|
B8 B3 B6 B12 B15
|
123,7
|
| B9
|
B11
|
0,00770
|
b3/16 l4/9
|
B8 B3 B6 B12 B15
|
179,4
|
| B9
|
B12
|
0,00770
|
b3/16
|
B8 B3 B6 B15
|
123,7
|
| B9
|
B13
|
0,00770
|
b3/16
|
B8 B3 B6 B12 B15
|
123,7
|
| B9
|
B14
|
0,00770
|
b3/16 (a1)
|
B8 B3 B6 B12 B15
|
123,7
|
| B9
|
B15
|
0,00770
|
b3/16
|
B8 B3 B6 B12
|
123,7
|
| B10
|
B1
|
0,00770
|
b4/16
|
B11 B4 B7 B13
|
123,7
|
| B10
|
B2
|
0,00770
|
b4/16 l1/9
|
B11 B1 B4 B7 B13
|
179,4
|
| B10
|
B3
|
0,00770
|
b4/16
|
B11 B1 B4 B7 B13
|
123,7
|
| B10
|
B4
|
0,00770
|
b4/16
|
B11 B1 B7 B13
|
123,7
|
| B10
|
B5
|
0,00770
|
b4/16 b2/25
|
B11 B1 B4 B7 B13
|
317,1
|
| B10
|
B6
|
0,00770
|
b4/16
|
B11 B1 B4 B7 B13
|
123,7
|
| B10
|
B7
|
0,00770
|
b4/16
|
B11 B1 B4 B13
|
123,7
|
| B10
|
B8
|
0,00770
|
b4/16 l3/9
|
B11 B1 B4 B7 B13
|
179,4
|
| B10
|
B9
|
0,00770
|
b4/16
|
B11 B1 B4 B7 B13
|
123,7
|
| B10
|
B11
|
0,00770
|
b4/75
|
B1 B4 B7 B13
|
580,1
|
| B10
|
B12
|
0,00770
|
b4/16 (l4)
|
B11 B1 B4 B7 B13
|
123,7
|
| B10
|
B13
|
0,00770
|
b4/16
|
B11 B1 B4 B7
|
123,7
|
| B10
|
B14
|
0,00770
|
b4/16 l5/9
|
B11 B1 B4 B7 B13
|
179,4
|
| B10
|
B15
|
0,00770
|
b4/16
|
B11 B1 B4 B7 B13
|
123,7
|
| B11
|
B1
|
0,00770
|
(l4) b4/16
|
B10 B12
|
123,7
|
| B11
|
B2
|
0,00770
|
(l4) b4/16
|
B10 B12
|
123,7
|
| B11
|
B3
|
0,00770
|
(l4) b4/16
|
B10 B12
|
123,7
|
| B11
|
B4
|
0,00770
|
(l4) b4/16
|
B10 B12
|
123,7
|
| B11
|
B5
|
0,00770
|
(l4) b4/16
|
B10 B12
|
123,7
|
| B11
|
B6
|
0,00770
|
(l4) b4/16
|
B10 B12
|
123,7
|
| B11
|
B7
|
0,00770
|
(l4) b4/16
|
B10 B12
|
123,7
|
| B11
|
B8
|
0,00770
|
(l4) b4/16
|
B10 B12
|
123,7
|
| B11
|
B9
|
0,00770
|
(l4) b4/16
|
B10 B12
|
123,7
|
| B11
|
B10
|
0,00770
|
(l4) b4/75
|
B12
|
580,1
|
| B11
|
B12
|
0,00770
|
b4/16 l4/59
|
B10
|
488,8
|
| B11
|
B13
|
0,00770
|
(l4) b4/16
|
B10 B12
|
123,7
|
| B11
|
B14
|
0,00770
|
(l4) b4/16
|
B10 B12
|
123,7
|
| B11
|
B15
|
0,00770
|
(l4) b4/16
|
B10 B12
|
123,7
|
| B12
|
B1
|
0,00770
|
l4/0,5
|
B11 B3 B6 B9 B15
|
3,1
|
| B12
|
B2
|
0,00770
|
(l4) b1/25
|
B11 B3 B6 B9 B15
|
193,4
|
| B12
|
B3
|
0,00770
|
l4/0,5
|
B11 B6 B9 B15
|
3,1
|
| B12
|
B4
|
0,00770
|
l4/0,5
|
B11 B3 B6 B9 B15
|
3,1
|
| B12
|
B5
|
0,00770
|
l4/0,5 l2/25
|
B11 B3 B6 B9 B15
|
157,8
|
| B12
|
B6
|
0,00770
|
l4/0,5
|
B11 B3 B9 B15
|
3,1
|
| B12
|
B7
|
0,00770
|
l4/0,5
|
B11 B3 B6 B9 B15
|
3,1
|
| B12
|
B8
|
0,00770
|
(l4) b3/25
|
B11 B3 B6 B9 B15
|
193,4
|
| B12
|
B9
|
0,00770
|
l4/0,5
|
B11 B3 B6 B15
|
3,1
|
| B12
|
B10
|
0,00770
|
l4/0,5
|
B11 B3 B6 B9 B15
|
3,1
|
| B12
|
B11
|
0,00770
|
l4/75
|
B3 B6 B9 B15
|
464,0
|
| B12
|
B13
|
0,00770
|
l4/0,5
|
B11 B3 B6 B9 B15
|
3,1
|
| B12
|
B14
|
0,00770
|
l4/0,5 a1/0,5
|
B11 B3 B6 B9 B15
|
3,1
|
| B12
|
B15
|
0,00770
|
l4/0,5
|
B11 B3 B6 B9
|
3,1
|
| B13
|
B1
|
0,00770
|
l5/0,5
|
B14 B4 B7 B10
|
3,1
|
| B13
|
B2
|
0,00770
|
l5/0,5 l1/25
|
B14 B1 B4 B7 B10
|
157,8
|
| B13
|
B3
|
0,00770
|
l5/0,5
|
B14 B1 B4 B7 B10
|
3,1
|
| B13
|
B4
|
0,00770
|
l5/0,5
|
B14 B1 B7 B10
|
3,1
|
| B13
|
B5
|
0,00770
|
(l5) b2/25
|
B14 B1 B4 B7 B10
|
193,4
|
| B13
|
B6
|
0,00770
|
l5/0,5
|
B14 B1 B4 B7 B10
|
3,1
|
| B13
|
B7
|
0,00770
|
l5/0,5
|
B14 B1 B4 B10
|
3,1
|
| B13
|
B8
|
0,00770
|
l5/0,5 l3/25
|
B14 B1 B4 B7 B10
|
157,8
|
| B13
|
B9
|
0,00770
|
l5/0,5
|
B14 B1 B4 B7 B10
|
3,1
|
| B13
|
B10
|
0,00770
|
l5/0,5
|
B14 B1 B4 B7
|
3,1
|
| B13
|
B11
|
0,00770
|
(l5) b4/25
|
B14 B1 B4 B7 B10
|
193,4
|
| B13
|
B12
|
0,00770
|
l5/0,5
|
B14 B1 B4 B7 B10
|
3,1
|
| B13
|
B14
|
0,00770
|
l5/75
|
B1 B4 B7 B10
|
464,0
|
| B13
|
B15
|
0,00770
|
l5/0,5 a1/0,5
|
B14 B1 B4 B7 B10
|
3,1
|
| B14
|
B1
|
0,00770
|
l5/0,5 a1/0,5
|
B13 B15
|
3,1
|
| B14
|
B2
|
0,00770
|
l5/0,5 a1/0,5
|
B13 B15
|
3,1
|
| B14
|
B3
|
0,00770
|
l5/0,5 a1/0,5
|
B13 B15
|
3,1
|
| B14
|
B4
|
0,00770
|
l5/0,5 a1/0,5
|
B13 B15
|
3,1
|
| B14
|
B5
|
0,00770
|
l5/0,5 a1/0,5
|
B13 B15
|
3,1
|
| B14
|
B6
|
0,00770
|
l5/0,5 a1/0,5
|
B13 B15
|
3,1
|
| B14
|
B7
|
0,00770
|
l5/0,5 a1/0,5
|
B13 B15
|
3,1
|
| B14
|
B8
|
0,00770
|
l5/0,5 a1/0,5
|
B13 B15
|
3,1
|
| B14
|
B9
|
0,00770
|
l5/0,5 a1/0,5
|
B13 B15
|
3,1
|
| B14
|
B10
|
0,00770
|
l5/0,5 a1/0,5
|
B13 B15
|
3,1
|
| B14
|
B11
|
0,00770
|
l5/0,5 a1/0,5
|
B13 B15
|
3,1
|
| B14
|
B12
|
0,00770
|
l5/0,5 a1/0,5
|
B13 B15
|
3,1
|
| B14
|
B13
|
0,00770
|
a1/0,5 l5/75
|
B15
|
464,0
|
| B14
|
B15
|
0,00770
|
l5/0,5 a1/0,5
|
B13
|
3,1
|
| B15
|
B1
|
0,00770
|
(a1)
|
B14 B3 B6 B9 B12
|
0,0
|
| B15
|
B2
|
0,00770
|
(a1) b1/25
|
B14 B3 B6 B9 B12
|
193,4
|
| B15
|
B3
|
0,00770
|
(a1)
|
B14 B6 B9 B12
|
0,0
|
| B15
|
B4
|
0,00770
|
(a1)
|
B14 B3 B6 B9 B12
|
0,0
|
| B15
|
B5
|
0,00770
|
a1/0,5 l2/25
|
B14 B3 B6 B9 B12
|
154,7
|
| B15
|
B6
|
0,00770
|
(a1)
|
B14 B3 B9 B12
|
0,0
|
| B15
|
B7
|
0,00770
|
(a1)
|
B14 B3 B6 B9 B12
|
0,0
|
| B15
|
B8
|
0,00770
|
(a1) b3/25
|
B14 B3 B6 B9 B12
|
193,4
|
| B15
|
B9
|
0,00770
|
(a1)
|
B14 B3 B6 B12
|
0,0
|
| B15
|
B10
|
0,00770
|
(a1)
|
B14 B3 B6 B9 B12
|
0,0
|
| B15
|
B11
|
0,00770
|
a1/0,5 l4/25
|
B14 B3 B6 B9 B12
|
154,7
|
| B15
|
B12
|
0,00770
|
(a1)
|
B14 B3 B6 B9
|
0,0
|
| B15
|
B13
|
0,00770
|
(a1)
|
B14 B3 B6 B9 B12
|
0,0
|
| B15
|
B14
|
0,00770
|
(a1)
|
B3 B6 B9 B12
|
0,0
|
| B1
|
1СШ
|
0,00043
|
l1/0,5
|
B2
|
0,2
|
| B1
|
2СШ
|
0,00043
|
(l1) b1/16
|
B2 B4 B7 B10 B13
|
6,8
|
| B2
|
1СШ
|
0,00043
|
(l1) b1/16
|
B1 B3
|
6,8
|
| B2
|
2СШ
|
0,00043
|
(l1) b1/16
|
B1 B3
|
6,8
|
| B3
|
1СШ
|
0,00043
|
(l1) b1/16
|
B2 B6 B9 B12 B15
|
6,8
|
| B3
|
2СШ
|
0,00043
|
b1/16
|
B2
|
6,8
|
| B4
|
1СШ
|
0,00043
|
b2/16
|
B5
|
6,8
|
| B4
|
2СШ
|
0,00043
|
(l2) b2/16
|
B5 B1 B7 B10 B13
|
6,8
|
| B5
|
1СШ
|
0,00043
|
(l2) b2/16
|
B4 B6
|
6,8
|
| B5
|
2СШ
|
0,00043
|
(l2) b2/16
|
B4 B6
|
6,8
|
| B6
|
1СШ
|
0,00043
|
(l2) b2/16
|
B5 B3 B9 B12 B15
|
6,8
|
| B6
|
2СШ
|
0,00043
|
l2/0,5
|
B5
|
0,2
|
| B7
|
1СШ
|
0,00043
|
l3/0,5
|
B8
|
0,2
|
| B7
|
2СШ
|
0,00043
|
(l3) b3/16
|
B8 B1 B4 B10 B13
|
6,8
|
| B8
|
1СШ
|
0,00043
|
(l3) b3/16
|
B7 B9
|
6,8
|
| B8
|
2СШ
|
0,00043
|
(l3) b3/16
|
B7 B9
|
6,8
|
| B9
|
1СШ
|
0,00043
|
(l3) b3/16
|
B8 B3 B6 B12 B15
|
6,8
|
| B9
|
2СШ
|
0,00043
|
b3/16
|
B8
|
6,8
|
| B10
|
1СШ
|
0,00043
|
b4/16
|
B11
|
6,8
|
| B10
|
2СШ
|
0,00043
|
(l4) b4/16
|
B11 B1 B4 B7 B13
|
6,8
|
| B11
|
1СШ
|
0,00043
|
(l4) b4/16
|
B10 B12
|
6,8
|
| B11
|
2СШ
|
0,00043
|
(l4) b4/16
|
B10 B12
|
6,8
|
| B12
|
1СШ
|
0,00043
|
(l4) b4/16
|
B11 B3 B6 B9 B15
|
6,8
|
| B12
|
2СШ
|
0,00043
|
l4/0,5
|
B11
|
0,2
|
| B13
|
1СШ
|
0,00043
|
l5/0,5
|
B14
|
0,2
|
| B13
|
2СШ
|
0,00043
|
l5/0,5 a1/0,5
|
B14 B1 B4 B7 B10
|
0,2
|
| B14
|
1СШ
|
0,00043
|
a1/0,5 l5/15
|
B13 B15
|
5,1
|
| B14
|
2СШ
|
0,00043
|
l5/0,5 a1/0,5
|
B13 B15
|
0,2
|
| B15
|
1СШ
|
0,00043
|
a1/0,5 l5/0,5
|
B14 B3 B6 B9 B12
|
0,2
|
| B15
|
2СШ
|
0,00043
|
(a1)
|
B14
|
0,0
|
| 1СШ
|
B1
|
0,03000
|
|
B4 B7 B10 B13
|
0,0
|
| 2СШ
|
B1
|
0,03000
|
|
B3 B6 B9 B12 B15
|
0,0
|
| 1СШ
|
B2
|
0,03000
|
l1/25
|
B1 B4 B7 B10 B13
|
603,3
|
| 2СШ
|
B2
|
0,03000
|
b1/25
|
B3 B6 B9 B12 B15
|
754,1
|
| 1СШ
|
B3
|
0,03000
|
|
B1 B4 B7 B10 B13
|
0,0
|
| 2СШ
|
B3
|
0,03000
|
|
B6 B9 B12 B15
|
0,0
|
| 1СШ
|
B4
|
0,03000
|
|
B1 B7 B10 B13
|
0,0
|
| 2СШ
|
B4
|
0,03000
|
|
B3 B6 B9 B12 B15
|
0,0
|
| 1СШ
|
B5
|
0,03000
|
b2/25
|
B1 B4 B7 B10 B13
|
754,1
|
| 2СШ
|
B5
|
0,03000
|
l2/25
|
B3 B6 B9 B12 B15
|
603,3
|
| 1СШ
|
B6
|
0,03000
|
|
B1 B4 B7 B10 B13
|
0,0
|
| 2СШ
|
B6
|
0,03000
|
|
B3 B9 B12 B15
|
0,0
|
| 1СШ
|
B7
|
0,03000
|
|
B1 B4 B10 B13
|
0,0
|
| 2СШ
|
B7
|
0,03000
|
|
B3 B6 B9 B12 B15
|
0,0
|
| 1СШ
|
B8
|
0,03000
|
l3/25
|
B1 B4 B7 B10 B13
|
603,3
|
| 2СШ
|
B8
|
0,03000
|
b3/25
|
B3 B6 B9 B12 B15
|
754,1
|
| 1СШ
|
B9
|
0,03000
|
|
B1 B4 B7 B10 B13
|
0,0
|
| 2СШ
|
B9
|
0,03000
|
|
B3 B6 B12 B15
|
0,0
|
| 1СШ
|
B10
|
0,03000
|
|
B1 B4 B7 B13
|
0,0
|
| 2СШ
|
B10
|
0,03000
|
|
B3 B6 B9 B12 B15
|
0,0
|
| 1СШ
|
B11
|
0,03000
|
b4/25
|
B1 B4 B7 B10 B13
|
754,1
|
| 2СШ
|
B11
|
0,03000
|
l4/25
|
B3 B6 B9 B12 B15
|
603,3
|
| 1СШ
|
B12
|
0,03000
|
|
B1 B4 B7 B10 B13
|
0,0
|
| 2СШ
|
B12
|
0,03000
|
|
B3 B6 B9 B15
|
0,0
|
| 1СШ
|
B13
|
0,03000
|
|
B1 B4 B7 B10
|
0,0
|
| 2СШ
|
B13
|
0,03000
|
|
B3 B6 B9 B12 B15
|
0,0
|
| 1СШ
|
B14
|
0,03000
|
l5/25
|
B1 B4 B7 B10 B13
|
603,3
|
| 2СШ
|
B14
|
0,03000
|
(a1)
|
B3 B6 B9 B12 B15
|
0,0
|
| 1СШ
|
B15
|
0,03000
|
|
B1 B4 B7 B10 B13
|
0,0
|
| 2СШ
|
B15
|
0,03000
|
|
B3 B6 B9 B12
|
0,0
|
| 1СШ
|
2СШ
|
0,00011
|
|
B1 B4 B7 B10 B13
|
0,0
|
| 2СШ
|
1СШ
|
0,00011
|
|
B3 B6 B9 B12 B15
|
0,0
|
| Усього
|
50828,1736404471
|
Подальший розрахунок робимо аналогічно.
Розрахунок показників надійності головної схеми РУ СН (4/3)
Тип станції - АЕС; Uном, кВ - 330; Топ, год - 2,0
| Устаткування
|
Параметр потоку
відмов 1/рік
|
Час. після відмови
Тв, ч.
|
Час на пл. ремонт Тр,
ч/рік
|
| Вимикачі
|
0,2500
|
75
|
271
|
| Система шин
|
0,0130
|
5
|
3
|
Отримано результати для вимикачів і систем шин:
| Відмова
|
У період ремонту
|
W, 1/рік
|
ОП/Тв
|
ОВ
|
Wтиж., МВт год
|
| B1
|
|
0,14000
|
l1/0,5
|
B2 B5 B9 B13
|
56,1
|
| B2
|
|
0,14000
|
(l1) b1/16
|
B1 B3
|
2245,7
|
| B3
|
|
0,14000
|
(l2) b1/16
|
B2 B4
|
2245,7
|
| B4
|
|
0,14000
|
l2/0,5
|
B3 B8 B12 B14
|
56,1
|
| B5
|
|
0,14000
|
b2/16
|
B6 B1 B9 B13
|
2245,7
|
| B6
|
|
0,14000
|
(l3) b2/16
|
B5 B7
|
2245,7
|
| B7
|
|
0,14000
|
(l3) b3/16
|
B6 B8
|
2245,7
|
| B8
|
|
0,14000
|
b3/16
|
B7 B4 B12 B14
|
2245,7
|
| B9
|
|
0,14000
|
l4/0,5
|
B10 B1 B5 B13
|
56,1
|
| B10
|
|
0,14000
|
(l4) b4/16
|
B9 B11
|
2245,7
|
| B11
|
|
0,14000
|
(l5) b4/16
|
B10 B12
|
2245,7
|
| B12
|
|
0,14000
|
l5/0,5
|
B11 B4 B8 B14
|
56,1
|
| B13
|
|
0,14000
|
(a1)
|
B14 B1 B5 B9
|
0,0
|
| B14
|
|
0,14000
|
(a1)
|
B13 B4 B8 B12
|
0,0
|
| 1СШ
|
|
0,02900
|
|
B1 B5 B9 B13
|
0,0
|
| 2СШ
|
|
0,02900
|
|
B4 B8 B12 B14
|
0,0
|
| 1СШ
|
B1
|
0,02300
|
|
B5 B9 B13
|
0,0
|
| 2СШ
|
B1
|
0,02300
|
|
B4 B8 B12 B14
|
0,0
|
| 1СШ
|
B2
|
0,02300
|
l1/20
|
B1 B5 B9 B13
|
360,3
|
| 2СШ
|
B2
|
0,02300
|
|
B4 B8 B12 B14
|
0,0
|
| 1СШ
|
B3
|
0,02300
|
|
B1 B5 B9 B13
|
0,0
|
| 2СШ
|
B3
|
0,02300
|
l2/20
|
B4 B8 B12 B14
|
360,3
|
| 1СШ
|
B4
|
0,02300
|
|
B1 B5 B9 B13
|
0,0
|
| 2СШ
|
B4
|
0,02300
|
|
B8 B12 B14
|
0,0
|
| 1СШ
|
B5
|
0,02300
|
|
B1 B9 B13
|
0,0
|
| 2СШ
|
B5
|
0,02300
|
|
B4 B8 B12 B14
|
0,0
|
| 1СШ
|
B6
|
0,02300
|
b2/20
|
B1 B5 B9 B13
|
450,4
|
| 2СШ
|
B6
|
0,02300
|
|
B4 B8 B12 B14
|
0,0
|
| 1СШ
|
B7
|
0,02300
|
|
B1 B5 B9 B13
|
0,0
|
| 2СШ
|
B7
|
0,02300
|
b3/20
|
B4 B8 B12 B14
|
450,4
|
| 1СШ
|
B8
|
0,02300
|
|
B1 B5 B9 B13
|
0,0
|
| 2СШ
|
B8
|
0,02300
|
|
B4 B12 B14
|
0,0
|
| 1СШ
|
B9
|
0,02300
|
|
B1 B5 B13
|
0,0
|
| 2СШ
|
B9
|
0,02300
|
|
B4 B8 B12 B14
|
0,0
|
| 1СШ
|
B10
|
0,02300
|
l4/20
|
B1 B5 B9 B13
|
360,3
|
| 2СШ
|
B10
|
0,02300
|
|
B4 B8 B12 B14
|
0,0
|
| 1СШ
|
B11
|
0,02300
|
|
B1 B5 B9 B13
|
0,0
|
| 2СШ
|
B11
|
0,02300
|
l5/20
|
B4 B8 B12 B14
|
360,3
|
| 1СШ
|
B12
|
0,02300
|
|
B1 B5 B9 B13
|
0,0
|
| 2СШ
|
B12
|
0,02300
|
|
B4 B8 B14
|
0,0
|
| 1СШ
|
B13
|
0,02300
|
|
B1 B5 B9
|
0,0
|
| 2СШ
|
B13
|
0,02300
|
(a1)
|
B4 B8 B12 B14
|
0,0
|
| 1СШ
|
B14
|
0,02300
|
(a1)
|
B1 B5 B9 B13
|
0,0
|
| 2СШ
|
B14
|
0,02300
|
|
B4 B8 B12
|
0,0
|
| 1СШ
|
2СШ
|
0,00007
|
|
B1 B5 B9 B13
|
0,0
|
| 2СШ
|
1СШ
|
0,00007
|
|
B4 B8 B12 B14
|
0,0
|
| Усього
|
44091,0562127092
|
Розрахунок показників надійності головної схеми РУ ВН (3/2)
Тип станції - АЕС; Uном, кВ - 750; Топ, год - 2,0
| Устаткування
|
Параметр потоку
відмов, 1/рік
|
Час восст. після
відмови Тв, ч.
|
Час на пл. ремонт Тр, ч/рік
|
| Вимикачі
|
0,2500
|
75
|
271
|
| Система шин
|
0,0100
|
6
|
5
|
Отримано результати для вимикачів і систем шин:
| Відмова
|
У період ремонту
|
W, 1/рік
|
ОП/Тв
|
ОВ
|
Wтиж., МВт год
|
| B1
|
|
0,15000
|
l1/0,5
|
B2 B4 B7 B10
|
62,0
|
| B2
|
|
0,15000
|
(l1) b1/16
|
B1 B3
|
2478,5
|
| B3
|
|
0,15000
|
b1/16
|
B2 B6 B9 B12
|
2478,5
|
| B4
|
|
0,15000
|
b2/16
|
B5 B1 B7 B10
|
2478,5
|
| B5
|
|
0,15000
|
(l2) b2/16
|
B4 B6
|
2478,5
|
| B6
|
|
0,15000
|
l2/0,5
|
B5 B3 B9 B12
|
62,0
|
| B7
|
|
0,15000
|
l3/0,5
|
B8 B1 B4 B10
|
62,0
|
| B8
|
|
0,15000
|
(l3) b3/16
|
B7 B9
|
2478,5
|
| B9
|
|
0,15000
|
b3/16
|
B8 B3 B6 B12
|
2478,5
|
| B10
|
|
0,15000
|
a1/0,5
|
B11 B1 B4 B7
|
15,5
|
| B11
|
|
0,15000
|
a1/0,5 l4/0,5
|
B10 B12
|
77,5
|
| B12
|
|
0,15000
|
l4/0,5
|
B11 B3 B6 B9
|
62,0
|
| 1СШ
|
|
0,02500
|
|
B1 B4 B7 B10
|
0,0
|
| 2СШ
|
|
0,02500
|
|
B3 B6 B9 B12
|
0,0
|
| 1СШ
|
B1
|
0,01500
|
|
B4 B7 B10
|
0,0
|
| 2СШ
|
B1
|
0,01500
|
|
B3 B6 B9 B12
|
0,0
|
| 1СШ
|
B2
|
0,01500
|
l1/24
|
B1 B4 B7 B10
|
285,1
|
| 2СШ
|
B2
|
0,01500
|
b1/24
|
B3 B6 B9 B12
|
356,4
|
| 1СШ
|
B3
|
0,01500
|
|
B1 B4 B7 B10
|
0,0
|
| 2СШ
|
B3
|
0,01500
|
|
B6 B9 B12
|
0,0
|
| 1СШ
|
B4
|
0,01500
|
|
B1 B7 B10
|
0,0
|
| 2СШ
|
B4
|
0,01500
|
|
B3 B6 B9 B12
|
0,0
|
| 1СШ
|
B5
|
0,01500
|
b2/24
|
B1 B4 B7 B10
|
356,4
|
| 2СШ
|
B5
|
0,01500
|
l2/24
|
B3 B6 B9 B12
|
285,1
|
| 1СШ
|
B6
|
0,01500
|
|
B1 B4 B7 B10
|
0,0
|
| 2СШ
|
B6
|
0,01500
|
|
B3 B9 B12
|
0,0
|
| 1СШ
|
B7
|
0,01500
|
|
B1 B4 B10
|
0,0
|
| 2СШ
|
B7
|
0,01500
|
|
B3 B6 B9 B12
|
0,0
|
| 1СШ
|
B8
|
0,01500
|
l3/24
|
B1 B4 B7 B10
|
285,1
|
| 2СШ
|
B8
|
0,01500
|
b3/24
|
B3 B6 B9 B12
|
356,4
|
| 1СШ
|
B9
|
0,01500
|
|
B1 B4 B7 B10
|
0,0
|
| 2СШ
|
B9
|
0,01500
|
|
B3 B6 B12
|
0,0
|
| 1СШ
|
B10
|
0,01500
|
|
B1 B4 B7
|
0,0
|
| 2СШ
|
B10
|
0,01500
|
|
B3 B6 B9 B12
|
0,0
|
| 1СШ
|
B11
|
0,01500
|
a1/24
|
B1 B4 B7 B10
|
71,3
|
| 2СШ
|
B11
|
0,01500
|
l4/24
|
B3 B6 B9 B12
|
285,1
|
| 1СШ
|
B12
|
0,01500
|
|
B1 B4 B7 B10
|
0,0
|
| 2СШ
|
B12
|
0,01500
|
|
B3 B6 B9
|
0,0
|
| 1СШ
|
2СШ
|
0,00009
|
|
B1 B4 B7 B10
|
0,0
|
| 2СШ
|
1СШ
|
0,00009
|
|
B3 B6 B9 B12
|
0,0
|
| Усього
|
35548,0950403431
|
Розрахунок показників надійності головної схеми РУ ВН (4/3)
Тип станції - АЕС; Uном, кВ - 750; Топ, год - 2,0
| Устаткування
|
Параметр потоку
відмов, 1/рік
|
Час після
відмови Тв, ч.
|
Час на пл. ремонт Тр, ч/рік
|
| Вимикачі
|
0,2500
|
75
|
271
|
| Система шин
|
0,0100
|
6
|
5
|
Отримано результати для вимикачів і систем шин:
| Відмова
|
|
W, 1/рік
|
ОП/Тв
|
ОВ
|
Wтиж., МВт год
|
| B1
|
|
0,16000
|
l1/0,5
|
B2 B5 B9
|
65,3
|
| B2
|
|
0,16000
|
(l1) b1/16
|
B1 B3
|
2611,4
|
| B3
|
|
0,16000
|
(l2) b1/16
|
B2 B4
|
2611,4
|
| B4
|
|
0,16000
|
l2/0,5
|
B3 B8 B11
|
65,3
|
| B5
|
|
0,16000
|
l3/0,5
|
B6 B1 B9
|
65,3
|
| B6
|
|
0,16000
|
(l3) b2/16
|
B5 B7
|
2611,4
|
| B7
|
|
0,16000
|
(l4) b2/16
|
B6 B8
|
2611,4
|
| B8
|
|
0,16000
|
l4/0,5
|
B7 B4 B11
|
65,3
|
| B9
|
|
0,16000
|
b3/16
|
B10 B1 B5
|
2611,4
|
| B10
|
|
0,16000
|
(a1) b3/16
|
B9 B11
|
2611,4
|
| B11
|
|
0,16000
|
a1/0,5
|
B10 B4 B8
|
16,3
|
| 1СШ
|
|
0,02000
|
|
B1 B5 B9
|
0,0
|
| 2СШ
|
|
0,02000
|
|
B4 B8 B11
|
0,0
|
| 1СШ
|
B1
|
0,01000
|
|
B5 B9
|
0,0
|
| 2СШ
|
B1
|
0,01000
|
|
B4 B8 B11
|
0,0
|
| 1СШ
|
B2
|
0,01000
|
l1/18
|
B1 B5 B9
|
147,0
|
| 2СШ
|
B2
|
0,01000
|
|
B4 B8 B11
|
0,0
|
| 1СШ
|
B3
|
0,01000
|
|
B1 B5 B9
|
0,0
|
| 2СШ
|
B3
|
0,01000
|
l2/18
|
B4 B8 B11
|
147,0
|
| 1СШ
|
B4
|
0,01000
|
|
B1 B5 B9
|
0,0
|
| 2СШ
|
B4
|
0,01000
|
|
B8 B11
|
0,0
|
| 1СШ
|
B5
|
0,01000
|
|
B1 B9
|
0,0
|
| 2СШ
|
B5
|
0,01000
|
|
B4 B8 B11
|
0,0
|
| 1СШ
|
B6
|
0,01000
|
l3/18
|
B1 B5 B9
|
147,0
|
| 2СШ
|
B6
|
0,01000
|
|
B4 B8 B11
|
0,0
|
| 1СШ
|
B7
|
0,01000
|
|
B1 B5 B9
|
0,0
|
| 2СШ
|
B7
|
0,01000
|
l4/18
|
B4 B8 B11
|
147,0
|
| 1СШ
|
B8
|
0,01000
|
|
B1 B5 B9
|
0,0
|
| 2СШ
|
B8
|
0,01000
|
|
B4 B11
|
0,0
|
| 1СШ
|
B9
|
0,01000
|
|
B1 B5
|
0,0
|
| 2СШ
|
B9
|
0,01000
|
|
B4 B8 B11
|
0,0
|
| 1СШ
|
B10
|
0,01000
|
b3/18
|
B1 B5 B9
|
183,8
|
| 2СШ
|
B10
|
0,01000
|
a1/18
|
B4 B8 B11
|
36,8
|
| 1СШ
|
B11
|
0,01000
|
|
B1 B5 B9
|
0,0
|
| 2СШ
|
B11
|
0,01000
|
|
B4 B8
|
0,0
|
| 1СШ
|
2СШ
|
0,00005
|
|
B1 B5 B9
|
0,0
|
| 2СШ
|
1СШ
|
0,00005
|
|
B4 B8 B11
|
0,0
|
| Усього
|
32285,6627673157
|
9.2
Техніко-економічне зіставлення варіантів розглянутих схем
Основним критерієм оптимальності обраного варіанта є мінімум наведених витрат Зmin
.
Зmin
= Рн
´ ДО + И + В, (руб./рік)
де: Рн
= 1/Тн
= 0,12 - нормативний коефіцієнт технічної ефективності;
Тн
- нормативний строк окупності;
К - капітальні вкладення, необхідні для здійснення схеми, обумовлені за укрупненими показниками вартості встаткування (укрупнена вартість осередків РУ);
И - щорічні експлуатаційні витрати;
І = 0,063 ДО + 0,025 ДО + Ипот.
(руб./рік)
0,063 ДО - щорічні амортизаційні відрахування, прийняті рівними 6,3% від капітальних вкладень (руб./рік);
0,025 ДО - щорічні річні витрати на поточні ремонти й зарплату експлуатаційного персоналу, прийняті рівними 2,5% від капітальних вкладень (руб./рік);
Ипот. -
річні витрати, викликані втратами електроенергії в електроустановках (руб./рік);
У - збиток від недовиробітку електроенергії.
В = W тиж. ´ С тиж,
Стиж. -
вартість недовиробітку (= 0,12 грн/кВт ч)
РУ-330 кВ (3/2)
Зmin
= Рн
´ К + И + В=
= (0.12*287200*15) +0.063*287200*15+0.025*287200*15+50828173*0.12 =6530180 грн
РУ-330 кВ (4/3)
Зmin
= Рн
´ К + И + В=
= (0.12*287200*14) +0.063*287200*14+0.025*287200*14+44091056*0.12 =6127253 грн
РУ-750 кВ (3/2)
Зmin
= Рн
´ К + И + В=
= (0.12*452000*12) +0.063*452000*12+0.025*452000*12+35548095*0.12 =5393963 грн
РУ-750 кВ (4/3)
Зmin
= Рн
´ К + И + В=
= (0.12*452000*11) +0.063*452000*11+0.025*452000*11+32285663*0.12 =4908455 грн
На підставі розрахункових даних по наведених витратах вибираємо:
Þдля ОРУ-330 кВ схема 4/3;
Þдля ОРУ-750 кВ схема 4/3.

1. "Електрична частина станцій і підстанцій" Підручник/ О.А. Васильєв і ін. - 2-е видання, перероблене й доповнене. - К., 2000
2. Рожкова Л.Д., Козулін В.С. Електроустаткування станцій і підстанцій. Підручник для технікумів. - К., 2006
3. Неклепаєв Б.Н., Крючков Н.П. Електрична частина електростанцій і підстанцій. Довідкові матеріали для курсового й дипломного проектування. Підручник. - К., 1989
4. Двоскин П.Н. Схемы и конструкции распределительных устройств - 3-е изд. М.: Энергоатомиздат, 1985
5. Гук Ю.Б. и др. Проектирование электрических станций и подстанций. Учебное пособие для ВУЗов / Ю.Б. Гук, В.В. Колтан, С.С. Петров. - М., 1985
|