Курсовая работа: Проектирование слайсера нового поколения
|
Название: Проектирование слайсера нового поколения Раздел: Промышленность, производство Тип: курсовая работа | |||||||||||||||||||||||||||||||||||||||||||||||||||||||||||||||||||||||||||||||||||||||
|
ВВЕДЕНИЕ 1. АНАЛИЗ ОБЪЕКТА АВТОМАТИЗАЦИИ И ПОСТАНОВКА ЗАДАЧИ ПРОЕКТИРОВАНИЯ 1.1 Анализ объекта автоматизации 1.2. Критический анализ объекта автоматизации 1.3 Анализ методов автоматизации 1.3.1 Анализ первичных преобразователей 1.3.2 Анализ исполнительных органов 1.3.3 Анализ СУ 1.4 Постановка задачи проектирования 2. ПРОЕКТИРОВАНИЕ СТРУКТУРЫ СИСТЕМЫ 2.1 Структурная схема подключения датчиков 2.2 Структурная схема подключения исполнительных механизмов 2.3 Распределение пинов микроконтроллера 3. ПРОЕКТИРОВАНИЕ МОДЕЛИ СИСТЕМЫ В СРЕДЕ PROTEUS 3.1 Проектирование моделей датчиков 3.2 Проектирование моделей исполнительных механизмов 3.3. Проектирование панели управления устройством 4. РАЗРАБОТКА ЧЕРТЕЖА БЛОК–СХЕМЫ АЛГОРИТМА ПРОГРАММЫ УПРАВЛЕНИЯ 4.1 Построение блок–схемы алгоритма ВЫВОДЫ В современной кулинарной промышленности, а также в сфере обслуживания, с ростом населения, возрастает потребность в быстром и качественном производстве пищевой продукции, а также максимальной подготовке ее к употреблению, так как «время-деньги». Одно из направлений ускорения данного производственного процесса является проектирование, изготовление, а затем и внедрения различных машин для быстрой очистки, нарезки и прочей механической обработки пищевой продукции. Одной из таких машин является агрегат, как правило, с ручным управлением слайсер. 1. АНАЛИЗ ОБЪЕКТА АВТОМАТИЗАЦИИ И ПОСТАНОВКА ЗАДАЧИ ПРОЕКТИРОВАНИЯ
1.1 Анализ объекта автоматизации Слайсер - специализированное устройство для точной и быстрой нарезки колбасы в больших количествах. Данный прибор является часто встречаемым кухонным прибором в любом супермаркете. Не имеет значение какую модель, какой фирмы рассматривать- все они имеют примерно одинаковую структуру и принцип действия, а как следствие- одинаковые недостатки, но об этом позднее. Остановимся подробнее на принципе действия. Оператор прибора выставляет ширину отрезаемого ломтя при помощи движения задней стенки, затем вручную подносит колбасу и держит ее до тех пор, пока не произойдет отрезка (опять же ручным движением вращающегося ножа), затем отрезаемый ломоть смещается в сторону и оператору необходимо подвинуть колбасу еще вперед и снова держать до момента отрезки. После окончания непосредственно нарезки необходимо взять все отрезанные куски и вручную разложить их на тарелке, что неминуемо ведет к увеличению времени упаковки.
Рисунок 1.1 Типичный Слайсер. 1.2 Критический анализ объекта автоматизации А) Задняя стенка выставляется вручную, что не дает возможность максимально точно выставить ширину нарезки. Следует заметить, что автоматизированный электропривод справиться с данной задачей гораздо быстрее, чем человек, который будет подгонять размер. Что касается ремонтопригодности и надежности, то здесь нареканий нет. Б) Нож. Скорость его вращения не регулируется, поэтому нет подстройки под тип колбасы (Салями – твердая, Докторская- мягкая), а это важно для экономного использования электроэнергии, а также для быстрого и ровного отрезания, ведь если скорость будет не соответствовать, то колбаса может быть просто порвана на куски. Что касается надежности и ремонтопригодности, то здесь вновь нет способов применить автоматизацию для улучшения данных качеств. В) Прижимное устройство. Его попросту нет, либо оно представлено прижимной планкой, которую необходимо постоянно придерживать. Человек не совершенен - его рука устает. И хоть благодаря непосредственному контролю человека может регулироваться сила и корректироваться вектор прижимания - это нерационально. А силу прижима можно поддерживать и средствами автоматизации, но об этом в следующем разделе. Г) «Наезд-ножа-на-колбасу». Данный механизм также отсутствует и это плохо. С одной стороны если бы человек вручную подносил колбасу, то для пальцев это безопаснее, но учитывая пункт В) разумнее сделать автоматику под управлением контроллера. Д) «Продвигатель-колбасы-по-пути-нарезки».И снова ручной труд, бессмысленный и легко заменяемый. Движение замечательно будет передавать и конвейерная лента. Е) «Раскладчик колбасы- Сервирователь» Данное устройство также не предусмотрено в базовой модели. Следовательно, объект может быть доработан, а в некоторых узлах модернизирован для облегчения человеческого труда и рационального использования времени.
1.3 Анализ методов автоматизации 1.3.1 Анализ первичных преобразователей-датчики А) Концевые датчики положения – именно они будут указывать двигателю, отвечающему за движение ножа по направляющей, о достижении конечных точек движения. Б)Датчик положения задней стенки. Необходим для своевременной остановки двигателя перемещающего заднюю стенку, а также для выведения на индикацию положения стенки. В) Оптодатчик наличия колбасы. Т.е. датчик, сообщающий о том, что колбаса положена и можно включать прижимное устройство. Г) Датчик веса, который будет находиться уже в узле сервировки. Установлен будет под тарелкой и может реагировать на увеличение веса либо на удар от падающего кусочка колбасы. В результате обработки сигнала от него тарелка будет поворачиваться. Датчики А,Б,В принято было взять идентичными. Они будут основаны на оптике. Подключение ,а соответственно и конструкция будут рассмотрены в следующей главе. Датчик Г можно указать уже сейчас- Датчик силоизмерительный тензорезисторный ДСТ. Тип датчика - двухопорная балка. Принцип действия - деформация изгиба. Датчик применяется в бункерных весах и дозирующих устройствах; платформенных весах; подвесных бункерных весах и дозирующих устройствах. Его характеристики приведены в Таблице 1.1.
Рисунок 1.3 ДСТ. Общий вид Таблица 1.1.
1.3.2 Анализ исполнительных органов А) Дорожки. Их движение будет реверсивным по возможности. Передаваться движение будет от двигателя через косоугольные шестерни. Реверс желателен при выполнении программы вначале и конце обработки 1й палки колбасы для сброса в корзину отходов «хвостиков».
Рисунок 1.3 Схематическое изображение передачи движения через косоугольные шестерни на конвейерную ленту Б) Поворот тарелки будет осуществляться шаговым двигателем через цепную передачу, возможен варианта встраивания его непосредственно в сервировочное устройство.
Рисунок 1.4 Поворотный механизм с датчиком В) «Прижиматель»- представляет собой прижимную лопатку на одном конце которой закреплен оптодатчик наличия колбасы. Движение передается от ДПТ через шестерню на валу к зубцам на «хвосте» прижимной лопатки.
Рисунок 1.5 Передача движения от двигателя к прижимной лопатке. Вид сверху. В исходное положение лопатка будет возвращаться после прекращения действия ДПТ под действием деформированной пружины, прикрепленной к вращающей шестерне.
Рисунок 1.6 Пружина как возвратный механизм. Вид сбоку. Г) Двигатель движения ножа по направляющей. Реагирует на сигналы концевых датчиков. Сам нож с вращающим его двигателем перемещается по червячной передаче. Д) Двигатель вращения ножа - получает сигнал от контроллера о включении/отключении. Вращает нож с переменной скоростью. Управляется ШИМ, реализованным на таймере счетчике.
Рисунок 1.7 Механизм перемещения ножа 1.3.3 Анализ СУ СУ может быть реализована как аппарат с жесткой логикой Мили/мура, как релейно-контакторная схема, но оптимальный вариант это реализация на контроллере ARM7.Именно этот вариант позволит более точно настроить и отладить систему, а также упростит автоматизацию ряда узлов – задней стенки и т .д. Для упрощения реализации проекта контроллер LPC2138 будет взят не как отдельный элемент, а уже в виде готового к монтажу модуля MMLPC2138-0-2. MMLPC2138-0-2 – миниатюрный модуль с установленным 32-разрядным ARM микроконтроллером LPC2138 NXP. Все выводы микроконтроллера доступны на разъемах платы. Периферия включает два таймера, два интерфейса UART, два I2C, SPI, АЦП, ЦАП, сорок семь линий ввода/вывода. Отличительные особенности· установленный микроконтроллер LPC2138: ARM7TDMI-S™ 16/32 бит, 512 кБ Flash-памяти программ, 32 кБ ОЗУ, часы реального времени, восемь 10-битных АЦП, 2 порта UART, I2C, SPI, два 32-битных таймера, восемь каналов захвата/хранения, ШИМ (6 выходов), "WatchDogTimer", 5 В совместимые входы/выходы, работоспособность до 60 МГц (встроенный PLL); · последовательная DataFlash на 32Mb (4MB); · часы РВ с встроенным резонатором 32,768кГц и батареей (устанавливается дополнительно); · питание 3,3В или 3,8 – 16В от встроенного регулятора; · компактные размеры 39х36мм; · работает в комплексе с отладочной платой EVBlpc213x; · отладочный интерфейс JTAG. Комплектация· отладочная плата MMLPC2138-0-2.
Рисунок 1.8 MMLPC2138-0-2 1.4 Постановка задачи проектирования Проанализировав вышеизложенный материал, были сформулированы следующие задачи данной курсовой работы: – разработка структуры системы управления подсистемами – выбор датчиков тока, угла поворота, скорости, преобразователя частоты; – выбор исполнительных устройств (электродвигателей); –разработка схемы подключения датчиков и исполнительных механизмов; – разработка пользовательского интерфейса с индикацией; –разработка блок–схемы алгоритмов программы управления микроконтроллером; – разработка программы управления на языке Keil. 2. ПРОЕКТИРОВАНИЕ СТРУКТУРЫ СИСТЕМЫ
2.1 Структурная схема подключения датчиков Датчик (сенсор от англ. sensor) — термин систем управления, первичный преобразователь, элемент измерительного, сигнального, регулирующего или управляющего устройства системы, преобразующий контролируемую величину в удобный для использования сигнал. В настоящее время различные датчики широко используются при построении систем автоматизированного управления. ДСТ
Рисунок 2.1 Структурная схема подключения ДСТ Датчик подключается через усилитель и фильтр низких частот к АЦП МК. Обработка информации от него подробнее расписана в блок-схеме к управляющей программе. Оптодатчик
Рисунок 2.2 Структурная схема подключения Оптодатчика. Оптодатчик состоит из оптопары и триггера Шмидта. Подключается непосредственно к GPIO МК. Наиболее распространенный в рассматриваемой системе тип датчика. Следует заметить что при срабатывании датчик выдает сигнал 0, постоянный же уровень сигнала от него логическая еденица, однако при разработке управляющей программы была использована обратная логика, а следовательно сигнал с данных датчиков после триггера Шмидта также следует пропускать через инвертор, разумеется если инвертор уже не встроен в него. Кнопки
Рисунок 2.3 Кнопка нажимного типа. Хотя это не датчики, рациональнее всего отнести кнопки к этому разделу, ведь как и датчики они подают (точнее пропускают) сигнал на входы МК, что позволяет ему скорректировать производственный процесс соответственно вновь поступившим данным. 2.2 Структурная схема подключения исполнительных механизмов Двигатель перемещения ножа
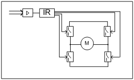
Рисунок 2.4 Двигатель перемещения ножа Поскольку необходимо обеспечить перемещение ножа в обоих направлениях, данный двигатель подключен с возможностью реверса. Возможна реализация на транзисторах работающих в ключевом режиме либо на них же, но также с использованием микросхем IR. Двигатель поворота тарелки/ перемещения задней стенки (ШД)
Рисунок 2.5 Управление ШД Данный тип двигателя подключен к МК через 2 специализированные микросхемы L297+L298, которые в паре составляют драйвер управления шаговым двигателем. Благодаря им попеременно происходит включение обмоток ШД, что приводит к вращению. Управлять двигателем так очень просто. Необходимо лишь подать с МК 3 сигнала. 1й включает двигатель. 2й задает прямой либо обратный ход. 3й активирует режим полушага. На микросхему L297 также необходимо подавать прямоугольные импульсы. Для снижения нагрузки на МК подача данных импульсов идет со стороннего генератора, реализованного на микросхеме 555. Двигатель вращения ножа/ прижимной лопатки/ конвейерных лент
Рисунок 2.6 Структурная схема подключения других ДПТ МК подает сигнал на ключ через который подается напряжение питания данных двигателей. Подробнее их управление будет рассмотрено в главе о блок-схеме. Источники питания
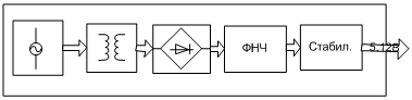
Рисунок 2.7 Кнопка нажимного типа. Хотя источники питания не относятся к исполнительным механизмам они будут упомянуты в этом разделе, ведь без них не будет функционировать система вцелом. Основные элементы блока питания это трансформатор, выпрямитель, ФНЧ и стабилизатор. По желанию можно добавить предохранители. Подробнее схема БП будет рассмотрена при проектировке модели. Следует отметить что для системы необходимо 2 БП на 5 и на 12В постоянного тока. Индикация Еще одним важным звеном являются семисегментные индикаторы, которые наглядно показывают состояние системы, а точнее ее настройки. Подключаются они напрямую к GPIO МК. 2.3 Распределение пинов МК Таблица 2.1 Пины МК
3. ПРОЕКТИРОВАНИЕ МОДЕЛИ СИСТЕМЫ В СРЕДЕ PROTEUS 3.1 Проектирование моделей датчиков
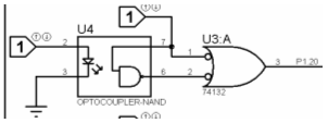
Рисунок 3.1 Оптодатчик Состоит из элемента который выполняет модель оптопары, а также триггера Шмидта совмещенного с лог. элементом.
Рисунок 3.2 Модель датчика веса Состоит из резистора с переменным сопротивлением и ФНЧ (резистор +конденсатор). Подключается к АЦП. 3.2 Проектирование моделей исполнительных механизмов Реверсивная схема включения ДПТ, который отвечает за перемещение ножа представлена транзисторами, работающими как ключи. Для удобства имеется 2 вывода к пинам МК, которые при подаче на них логической единицы заставляют двигатель вращаться вперед или назад.
Рисунок 3.3 Реверс ДПТ Другие ДПТ (перемещение конвейерных лент, вращение ножа, прижим колбасы) подключены также через ключ. В модели данную функцию выполняют транзисторы.
Рисунок 3.4 Модель включения ДПТ Шаговые двигатели (поворот тарелки, перемещение задней стенки) подключены через микросхемы L297+L298, на которые необходимо подавать 4 сигнала. 3 с МК, отвечающие за включение, режим полушага и реверс и 1 с внешнего генератора прямоугольных импульсов (возможна реализация также с МК через таймер счетчик)
Рисунок 3.5 Управление ШД Внешний генератор представлен на микросхеме 555.
Рисунок 3.6 Генератор прямоугольных импульсов Таймер генерирует последовательность прямоугольных импульсов определяемых RC цепочкой. Частота импульсов, зависит от величин C, R1 и R2, и рассчитывается по вышеприведенной формуле.
Рисунок 3.7 Сигнал с генератора Время между началом одного и началом следующего импульса называется периодом (t). Оно состоит из длительности самого импульса (t1) и промежутком между импульсами (t2). Значения t1 и t2 можно рассчитать по следующим формулам: t1 = 0.693(R1+R2)C; t2 = 0.693R2C; 3.3 Проектирование панели управления устройством
Рисунок 3.8 Панель управления Панель управления представлена кнопками, 7сегментными индикаторами, а также лампочкой, указывающей на включение системы. Данная опция исключительно для наглядности, так как кнопка общего ON/OFF не подключена ни к чему в модели, но именно она в реальном устройстве должна отвечать за подачу питания всем элементам системы. Не лишним будет привести и схему блока питания на 5В (на 12 делается аналогично). Эта схема в модели также исключительно для наглядности, т.к. элементы работают от виртуальных источников.
Рисунок 3.9 БП
4. РАЗРАБОТКА ЧЕРТЕЖА БЛОК-СХЕМЫ АЛГОРИТМА ПРОГРАММЫ УПРАВЛЕНИЯ
4.1 Построение блок–схемы алгоритма Блок-схема будет состоять из основной программы main(), а также подпрограмм в различное время вызываемых из нее, включая подпрограммы обработки прерываний. void init(void); // инициализация. Сброс в 0 всех значений void PrigimOtgim(void); // подпрограмма активации прижима void otrez(void); // подпрограмма отрезки void nojRL(void); // подпрограмма перемещения ножа влево-вправо void Fvrash(void); // подпрограмма вращения ножа void povorot(void); // подпрограмма поворота тарелки void indication(void); // подпрограмма вывода на индикаторы void opros(void); // подпрограмма опроса датчиков задней стенки void IRQ_EINT0(void) __irq; //STOP void IRQ_EINT1(void) __irq; //вперед стенку -> void IRQ_EINT2(void) __irq; // назад стенку <- void IRQ_EINT3(void) __irq; // скорость void Timer0(void) __irq; // подпрограмма для таймера void ADC(void) __irq; // подпрограмма для АЦП В ЫВОДЫ В данной курсовой работе была разработана структура системы слайсера. В результате анализа оборудования были установлены недостатки существующих моделей. В связи с современными требованиями к автоматизации производства более целесообразно заменить их на современную систему, которая будет удовлетворять всем требованиям технологического процесса и иметь высокие экономические показатели. Иметь высокую надежность точность, компактность, малое энергопотребление и удовлетворять критериям качества готовой продукции. Многие из поставленных в начале курсовой работы задач были решены, но остались также нерешенные проблемы, а точнее дальнейшие пути модернизации. - обработка кнопки СТОП, при которой программа вернется в часть кода перед подпрограммой init() -исследование оптимальных скоростей вращения ножа и соответствующая корректировка ШИМ, управляющего вращением -реверс конвейерных лент в начале и конце обработки 1й палки колбасы для сброса в специально отведенные контейнеры хвостиков. -доп. Приспособления, устанавливаемые поверх конвейерных лент, имеющие треугольную форму для нарезки колбасы в форме овала, а не круга. -Внедрение систему манипулятора, который будет доставать из ящика колбасу и с высокой точностью класть ее на конвейерную ленту. |






















