Курсовая работа: Проектирование станочного приспособления для фрезерного станка
|
Название: Проектирование станочного приспособления для фрезерного станка Раздел: Промышленность, производство Тип: курсовая работа |
| Министерство образования российской федерации ТОЛЬЯТТИНСКИЙ ГОСУДАРСТВЕННЫЙ УНИВЕРСИТЕТ Кафедра "Технология машиностроения" КУРСОВАЯ РАБОТА по дисциплине "Технологическая оснастка" Студент: Колеконова Ю.Н. Группа: ТМ-502 Преподаватель: Николаев С.В. ТОЛЬЯТТИ, 2006г. Задание для курсового проектирования по технологической оснастке Проектирование станочного приспособления для фрезерного станка. Расчёт точности элементов приспособления. Вариант № 11. Содержание расчётно-пояснительной записки: Расчёт фрезерного приспособления Сбор исходных данных Разработка схемы установки заготовки Расчёт силы резания при фрезеровании шпоночного паза Расчёт усилия зажима заготовки Расчёт силового привода Разработка конструкции корпуса приспособления Расчёт точности приспособления Описание конструкции приспособления Заключение Решение задач по расчету точности элементов приспособления. Список используемой литературы Графическая часть: рабочий чертёж фрезерного приспособления. Срок сдачи работы: 24 декабря 2006 г. Студент группы: ТМ-502 Колеконова Ю.Н. Преподаватель: Николаев С.В. ВведениеСтроительство материально-технической базы современного общества и необходимость непрерывного повышения производительности труда на основе современных средств производства ставит перед машиностроением весьма ответственные задачи. К их числу относятся повышение качества машин, снижение их материалоемкости, трудоемкости и себестоимости изготовления, нормализация и унификация их элементов, внедрение поточных методов производства, его механизация и автоматизация, а также сокращение сроков подготовки производства новых объектов. Решение указанных задач обеспечивается улучшением конструкции машин, совершенствованием технологии их изготовления, применением прогрессивных средств и методов производства. Большое значение в совершенствовании производства машин имеют различного рода приспособления. Использование приспособлений способствует повышению производительности и точности обработки, сборки и контроля; облегчению условий труда, сокращению количества и снижению необходимой квалификации рабочих; строгой регламентации длительности выполняемых операций; расширению технологических возможностей оборудования; повышению безопасности работы и снижению аварийности. При разработке приспособлений имеются широкие возможности для проявления творческой инициативы по созданию конструкций, обеспечивающих наибольшую эффективность и рентабельность производства, по снижению стоимости приспособлений и сокращению сроков их изготовления. Приспособления должны быть удобными и безопасными в работе, быстродействующими, достаточно жесткими для обеспечения заданной точности обработки, удобными для быстрой установки на станок, что особенно важно при периодической смене приспособлений в серийном производстве, простыми и дешевыми в изготовлении, доступными для ремонта и замены изношенных деталей. 1. Расчет и проектирование фрезерного приспособления
1.1 Сбор исходных данныхСодержание технологического перехода: фрезеровать последовательно 2 шпоночных паза, выдерживая размеры, указанные на рис.1.1 Операционный эскиз
Рис.1.1 Материал заготовки - Сталь 45 ГОСТ 1050-88. Металлорежущий станок: выбирается в зависимости от схемы установки заготовки [6]. В свою очередь схема установки определяется величиной погрешности базирования
где Td - допуск диаметра, которым вал базируется на призму. После точения чистового по 9-му квалитету допуск на диметр 75 мм составляет Td=0,074мм.
Видим, что Станок: вертикально - фрезерный 6Р12 [1]. Размеры рабочей части стола: 320*1250, частота вращения шпинделя 31,5-1600 об/мин, число подач стола 18; 8,3-416,6 мм/мин, мощность электродвигателя привода главного движения - 11 кВт. Режущий инструмент: выбираем по необходимой точности обработки. При допуске на ширину шпоночных пазов 0,052 мм выбираем фрезу шпоночную цилиндрическую фрезу ГОСТ 9140-78 Æ20; Z=2. [1] Вспомогательный инструмент: патрон цанговый 191113050 Æ 5-25 ТУ 2-035-986-85. [2] Тип приспособления: - специализированное безналадочное для фрезерования шпоночных пазов в деталях типа валов.
1.2 Разработка схемы установки заготовкиСогласно предварительному расчёту, представленному в пункте 1.1, погрешность базирования не превышает половины допуска на диаметр шейки. Поэтому примем схему установки, показанную на рис.1.2 Заготовка устанавливается на призмы шейками Æ60 и Æ70 мм, обработка ведётся при вертикально расположенной оси вращения фрезы. Схема установки заготовки
Рис.1.2 1.3 Расчёт силы резания при фрезеровании шпоночного пазаУчитывая рекомендации [1] примем следующие параметры обработки: По таблице 36 [1, 285] определяем подачу на зуб Sz = 0,01 мм/зуб. Рассчитываем скорость резания по формуле:
где в - диаметр фрезы; Т - период стойкости; t - глубина фрезерования; Sz - подача на зуб; В - ширина фрезерования; Z - число зубьев фрезы; Kv - общий поправочный коэффициент, учитывающий фактические условия резания. Кv = Км v* Кп v* Ки v (1.3) где KMV - коэффициент, учитывающий качество обрабатываемого материала [1, 262] ; KП V - коэффициент, учитывающий состояние поверхности заготовки; KИ V - коэффициент, учитывающий материал инструмента. Используя табл.1, 5, 6 [1, 262-263] получим: Кv = Км v* Кп v* Ки v = 1*0,9*1=0,9. Используя табл.39 и 40 [1, 286-290] найдём значения коэффициентов и показатели степени в формуле (1.2):
Частоту вращения фрезы найдём по формуле:
Ближайшая стандартная частота по паспорту станка nст =250об/мин, ввиду этого скорректируем значение скорости:
Определим окружную силу при фрезеровании по формуле:
По табл.9 [1, 264] определим, что Кмр =1 Используя табл.41 [1, 291] найдём значения коэффициентов и показатели степени в формуле (1.5):
Величины остальных составляющих силы резания найдём через окружную силу, используя табл.42. Горизонтальная сила (подачи) Ph =0,4*Pz =139 Н. Вертикальная сила Pv =0,9*Pz =314 Н. Радиальная сила Py =0,4*Pz =139 Н. Осевая сила Px =0,55*Pz =192 Н.
1.4 Расчет усилия зажима заготовкиНа рис.1.3 представлена схема силового взаимодействия фрезы, заготовки и приспособления при обработке 1-го и 2-го паза. Схема зажима заготовки
Рис.1.3 Как видно из рисунка 1.3, сила подачи Ph стремится сдвинуть заготовку с призм, но этому препятствуют силы трения Т и Т1 , возникающие на зажимаемой шейке вала и на рабочей поверхности призм. Из уравнения равновесия сил определим величину усилия зажима [6]:
где f и f1 - коэффициенты трения в местах приложения усилия W и на призмах. К - коэффициент запаса, в свою очередь находится по формуле: К=К0 * К1 * К2 * К3 , ( 1.8) где К0 - гарантированный коэффициент запаса, равный 1,5. К1 - коэффициент, учитывающий вид технологической базы, для чистовых баз, как в данном случае, К1 =1. К2 - коэффициент, учитывающий увеличение сил резания вследствие затупления режущего инструмента, при фрезеровании чугуна и стали К2 =1,2. К3 - коэффициент, учитывающий прерывистость резания, при фрезеровании К3 =1,3. К=1,5*1*1,2*1,3=2,34 Коэффициент трения f примем равным 0,14, тогда f1 =1,41×0,14=0, 1974.
Сила Pv стремится повернуть заготовку вокруг оси вращения фрезы, но этому препятствуют моменты от сил трения Т и Т1 . Из условия равновесия заготовки и с учётом коэффициента запаса определим величину усилия зажима:
где l1 - расстояние от оси фрезы до оси приложения усилия прижима. l2 , l3 - расстояния от оси фрезы до осей установочных призм. И равны: l1 = 110 мм; l2 = 13 мм; l3 = 199 мм. Dф - диаметр фрезы. При обработке паза:
Из двух значений усилия прижима выбираем для дальнейшего расчёта максимальное:
1.5 Расчет силового приводаДля закрепления заготовки будем использовать рычажный зажимной механизм. В зажимных механизмах обычно применяются пневматические, гидравлические и смешанные типы приводов. Пневматический привод при своей простоте и удобстве эксплуатации имеет ряд недостатков: во-первых, воздух сжимаем и при переменных нагрузках пневмопривод не обеспечит достаточной жёсткости закрепления. Во-вторых, данный вид привода развивает меньшее усилие, нежели гидропривод; и в третьих, из-за мгновенного срабатывания пневмопривода прижим будет резко ударять по детали, что отрицательно скажется и на заготовке, и на зажимном механизме, и на условиях труда рабочего. Соответственно, применим в нашем приспособлении гидравлический привод. Диаметр поршня гидроцилиндра находим по формуле: Dп
=1,13· где P - рабочее давление масла, принимаемое в расчетах равным 1 МПа, Q - усилие на штоке силового привода, определяется для выбранного нами механизма по формуле:
где W- усилие зажима,
Dп
=1,13·
Вывод: Конструктивно с учетом обработки других заготовок принимаем Dп =60 мм, SQ =30 мм. Разработка конструкции корпуса приспособления. Для приспособлений данного типа могут применяться литые, сварные и сборные корпуса. Ввиду того, что наша конструкция проста по конфигурации, а также из условий максимальной прочности и точности примем в качестве базового варианта литой корпус (рис.1.5).
Расчет точности приспособления Сборка шпоночных соединений производится по методу полной взаимозаменяемости без дополнительной доработки шпонки или паза. Точность паза определяется точностью размеров.
Рис.1.6 При работе на настроенном оборудовании точность размеров d- t и t зависит от точности настройки режущего инструмента и от точности выполнения элементов приспособления.
Рис.1.7 Точность элементов приспособления в направлении размера d- t рассчитывается по формуле:
где Тd- t - операционный допуск на размер d- t, м м; КТ - коэффициент, учитывающий отклонение рассеяния значений составляющих величин от закона нормального распределения, КТ =1; КТ1 - коэффициент, учитывающий уменьшение погрешности базирования при работе на настроенном оборудовании, КТ1 =0,8; εб - погрешность базирования в направлении операционного размера; εз - погрешность закрепления; εу. э - погрешность, зависящая от точности изготовления установочного элемента (призмы) по размеру В; εи - погрешность износа установочного элемента; ω - экономическая точность обработки, равна допуску на размер в; КТ2 - коэффициент, учитывающий долю погрешности обработки в суммарной погрешности метода, вызываемой факторами не зависящими от приспособления, КТ2 =0,6. При установке в призму нарушается принцип единства баз и по размеру d- t появляется погрешность (см. п.1.1):
В данном приспособлении зажим совпадает с направлением оси углового паза заготовки и величина εз рассчитывается по формуле: εз где ΔW- непостоянство силы зажима. Для механизированных приводов ΔW=0,1×W=75,6 Н; СМ - поправочный коэффициент, учитывающий вид материала заготовки, для стали СМ =0,026. εз εу. э Погрешность ΔВ=0,05 мм. εу. э Погрешность износа установочного элемента рассчитывается: εи
= где И0 -средний износ установочного элемента при усилии зажима Р=10 кН и при базовом числе установок N=100000, И0 =115 мкм; К1 - коэффициент, учитывающий влияние материала заготовки, К1 =0,97; К2 - коэффициент, учитывающий вид оборудования, К2 = 1; К3 - коэффициент, учитывающий условия обработки, К3 = 0,94; К4 - коэффициент, учитывающий число установок заготовки (NФ ), отличающееся от принятого (N), К4 =2,4. εи =115*0,97*1*0,94*2,4*0,1=25,17мкм≈0,025мкм. Определим погрешность по (1.12):
мм. Несимметричность паза относительно оси вала зависит от погрешности изготовления половины угла паза призмы. sinΔα= sinΔα= α= 0,038° = 2’ Отсюда угол α=45°±2’ Погрешность формы в продольном направлении зависит от перекоса призм совместно с корпусом приспособления относительно паза станка, вследствие наличия зазора между пазом и шпонками корпуса. Величина угла перекоса корпуса рассчитывается по формуле: tg αпер
= Перекос паза Δф. п. определяется: Δф. п. =LП
* tg αпер
= где Lшп -расстояние между базовыми шпонками, мм; Lп - расстояние от края обрабатываемого шпоночного паза до наиболее удаленной направляющей шпонки. Lшп =315 мм. Lп =175 мм. Заданный перекос паза Δф. п. =0,05 мм. Определим максимальный зазор Smax :
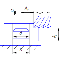
Рис.1.8 Схема полей Подбираем подходящую посадку в сопряжении шпонка - паз станка: Посадка в системе отверстия H7/е8 обеспечивает Smax ф =0,027+0,059=0,086мм. Отсюда запас точности: Smax р - Smax ф = 0,090 - 0,086 = 0,004 мм. Описание конструкции приспособления. Приспособление предназначено для базирования и закрепления вала при фрезеровании шпоночных пазов шпоночной фрезой на вертикально - сверлильном станке 6Р12. Приспособление содержит корпус поз.2, к которому жёстко прикреплены винтами призмы поз.4. Также на корпусе закреплена шпилька поз.3, к которой в свою очередь прикреплены прихват поз.7; гидроцилиндр поз.1. На нижней части корпуса закрепляются винтами направляющие шпонки поз.6, с помощью которых приспособление базируется на столе станка. Закрепление приспособления на столе осуществляется с помощью болтов поз.16. Приспособление работает следующим образом. При подаче масла под давлением 1 МПа в нижнюю полость гидроцилиндра поз.1, поршень вместе со штоком движется вверх, давят на прихват поз.7, который, прижимает с необходимым усилием заготовку к призмам поз.4; таким образом осуществляется зажим заготовки. Для разжима масло подаётся в верхнюю полость гидроцилиндра, толкатель отходит назад, тянет за собой прихват и отжимает вал. ЗаключениеВ результате проделанной работы нами разработано приспособление для обработки шпоночных пазов на вертикально - фрезерном станке 6Р12. Простота конструкции, использование типовых и стандартных деталей и узлов существенно облегчает изготовление приспособление, а использование гидравлического силового привода облегчает труд рабочего, уменьшает вспомогательное время и увеличивает точность изготовления детали. Всё это в совокупности приводит к снижению себестоимости изготовления детали при повышению её качества. Решение задач по расчету точности элементов приспособления. Задача №1.65. Определить исполнительный размер цилиндрического установочного пальца d, обеспечивающий заданную точность выполнения размера А1 при фрезеровании поверхностей втулки (рис.2.1). Исходные данные:
Рис.2.1 Решение. Точность механической обработки должна быть меньше допуска на размер.
В свою очередь на точность механической обработки влияют точность метода обработки, износ установочного пальца, а также зазор между размерами в и d. Максимальная погрешность обработки будет равна:
Отсюда:
В предельном случае:
Для обеспечения условия сборки принимаем
В результате анализа размера полей допусков принимаем установленный диаметр пальца Ø 30 Задача 1.75. Определяем ширину ленточки цилиндрической поверхности срезанного пальца, обеспечивающую свободную установку шатуна для обработки его поверхностей за два установа (рис.2.2). Исходные данные:
Рис.2.2 Схема обработки шатуна Решение. Ширина ленточки 2е цилиндрической поверхности срезанного пальца равна:
Отсюда:
Литература1. Справочник технолога - машиностроителя. Т2\ под ред.А.Г. Косиловой и др. - М.: Машиностроение, 1985 г.496 с., ил. 2. Станочные приспособления: Справочник. В 2х томах. - Т1 \ под ред. Б.Н. Вардашкина и др., 1984, 592с., ил. 3. Обработка металлов резанием: Справочник технолога \ А.А. Панов и др. - М.: Машиностроение, 1988, 736 с., ил. |

(1.1)

(1.2)
(1.4)
,
(1.5)
(1.6)

, 






