Курсовая работа: Расчет деталей машин
|
Название: Расчет деталей машин Раздел: Промышленность, производство Тип: курсовая работа |
| 1. Кинематический расчет привода
1.1 Выбор электродвигателя
1.1.1 Потребляемая мощность привода (мощность на выходе)
1.1.2 Общий КПД привода
h общ = h 2 зуб. × h оп. × h 2 муфты , где h зуб. – КПД зубчатой передачи; h оп. – КПД опор приводного вала; h муфты – КПД муфты. h муфты = 0,98; h зуб. = 0,97; h оп. = 0,99; h общ = 0,972 × 0,99 × 0,982 = 0,895.
1.1.3 Требуемая мощность электродвигателя
1.1.4 Частота вращения приводного вала
1.1.5 Частота вращения вала электродвигателя
n э.тр = n в × u , где u = u быстр × u тих ; Из табл.1.2[Глава 1](уч. П.Ф. Дунаев, О.П. Леликов) выбраны передаточные отношения тихоходной и быстроходной передачи:
u тих = (2,5..5,6); u быстр =3,15..5 n э.тр = n в × u быстр × u тих = 36,544 × (2,5..5,6) × (3,15..5)= 287,8..1023,2 об/мин. Исходя из мощности, ориентировочных значений частот вращения, используя табл.24.9 (уч. П.Ф. Дунаев, О.П. Леликов) выбран тип электродвигателя:
АИР 112МВ6/950 (
1.2 Определение частот вращения и вращающих моментов на валах
1.2.1 Уточнение передаточных чисел привода
T.к. в схеме привода отсутствует ременная и цепная передачи, то передаточное число редуктора: Передаточные числа быстроходной и тихоходной ступеней по соотношениям из табл.1.3 [Глава 1](уч. П.Ф. Дунаев, О.П. Леликов) равны:
1.2.2 Определение частот вращения на валах привода Частота вращения вала колеса тихоходной ступени
Частота вращения вала шестерни тихоходной ступени (вала колеса быстроходной ступени)
Частота вращения вала шестерни быстроходной ступени
1.2.3 Определение вращающих моментов на валах привода Вращающий момент на приводном валу
Вращающий момент на валу колеса тихоходной ступени редуктора
Вращающий момент на валу шестерни тихоходной ступени (на валу колеса быстроходной ступени) редуктора
Вращающий момент на валу шестерни быстроходной ступени редуктора
2. Расчет зубчатых передач
2.1 Проектный расчет 2.1.1 Межосевое расстояние Предварительное значение межосевого расстояния:
где u – передаточное число, K
– коэффициент, зависящий от поверхности твердости Твердость Н
……….
Коэффициент K ……. 10 8 6 Окружная скорость:
Уточнение предварительно найденного значения межосевого расстояния:
где
Коэффициент нагрузки в расчетах на контактную прочность:
где
Коэффициент где
Значение коэффициента Коэффициент где Значение коэффициента для косозубых передач где А=0,15
для зубчатых колес с твердостью А=0,25
при
2.1.2 Предварительные основные размеры колеса Делительный диаметр: Ширина: 2.1.3 Модуль передачи Максимально допустимый модуль определяется из условия неподрезания зубьев у основания:
Минимальное значение модуля определяют из условия прочности:
где Коэффициент нагрузки при расчете по напряжениям изгиба:
где
2.1.4 Суммарное число зубьев и угол наклона Минимальный угол наклона зубьев косозубых колес: Суммарное число зубьев: Действительное значение угла наклона зуба: для косозубых колес
2.1.5 Число зубьев шестерни и колеса Число зубьев шестерни: для косозубых колес Коэффициент смещения: Число зубьев колеса:
2.1.6 Фактическое передаточное число
2.1.7 Диаметры колес Делительные диаметры: шестерни…………………………………. колеса……………………………………... Диаметры окружностей вершин и впадин зубьев колес:
где
2.2 Проверочный расчет
2.2.1 Проверка зубьев колес по контактным напряжениям Расчетное значение контактного напряжения
где
2.2.2 Силы в зацеплении Окружная сила: радиальная сила: осевая сила:
2.2.3 Проверка зубьев колес по напряжениям изгиба Расчетное напряжение изгиба: в зубьях колеса в зубьях шестерни где
2.2.4 Проверочный расчет на прочность зубьев при действии пиковой нагрузки Коэффициент перегрузки:
где
Для предотвращения остаточных деформаций или хрупкого разрушения поверхностного слоя контактное напряжение
где Допускаемое напряжение улучшении или сквозной закалке….…. цементации или контурной ТВЧ……... азотировании…………………………... Для предотвращения остаточных деформаций и хрупкого разрушения зубьев напряжение
где Допускаемое напряжение вычисляется в зависимости от вида термической обработки и возможной частоты приложения пиковой нагрузки:
где
2.3 Анализ результатов расчета на ЭВМ Расчет зубчатых передач на ЭВМ проводился в 2 этапа. По результатам первого этапа расчета зубчатых передач на ЭВМ были построены графики (см. приложение), отражающие распределение общего передаточного Поиск варианта с наименьшей массой привода предусматривал выполнение следующих конструктивных ограничений: · диаметр
где
· при смазывании зацеплений погружением в масляную ванну зубчатых колес обеих ступеней разность Был выбран вариант № 5, на основании чего был проведен второй этап расчета зубчатых передач на ЭВМ и получены все расчетные параметры, требуемые для выпуска чертежей, а также силы в зацеплении, необходимые для расчета и выбора подшипников. 3. Эскизное проектирование
3.1 Проектные расчеты валов Крутящий момент в поперечных сечениях валовБыстроходного TБ = 43,1 H×м Промежуточного Tпр = 222,5 H×м Тихоходного TT = 1077,3 H×м Предварительные значения диаметров различных участков стальных валов редуктора: Для быстроходного:
Для промежуточного:
Для тихоходного:
Зазор где
Расстояние Расстояние между торцевыми поверхностями колес 3.2 Выбор типа и схемы установки подшипников Выбираем роликовые конические радиально-упорные однорядные подшипники повышенной грузоподъемности легкой серии: для быстроходного вала: Подшипник 206 ГОСТ 8338-75; для промежуточного: Подшипник 206 ГОСТ 8338-75; для тихоходного: Подшипник 212 ГОСТ 8338-75; Схема установки подшипников «враспор». 4. Конструирование зубчатых колес 4.1 Параметры зубчатого колеса быстроходной ступени Материал колеса Сталь 40Х (твердость поверхности зубьев 285НВ). Из проектного расчета: ширина зубчатого венца модуль зацепления (нормальный) Диаметр посадочного отверстия Длина ступицы колеса Диаметр ступицы Ширина торцов зубчатого венца
Фаски на торцах зубчатого венца
выполняют фаски под углом Толщина диска
Для свободной выемки из штампа принимаем значение штамповочных уклонов 4.2 Параметры зубчатого колеса тихоходной ступени Материал колеса Сталь 40Х (твердость поверхности зубьев 285НВ). Из проектного расчета: ширина зубчатого венца модуль зацепления (нормальный) Диаметр посадочного отверстия Длина ступицы колеса Диаметр ступицы Ширина торцов зубчатого венца
Фаски на торцах зубчатого венца
выполняют фаски под углом Толщина диска
Для свободной выемки из штампа принимаем значение штамповочных уклонов
5. Расчет соединений
5.1 Соединения с натягом 5.1.1 Соединение зубчатое колесо быстроходной ступени - вал. Материал вала - Сталь 45. Вращающий момент с колеса на вал будет передаваться с помощью соединения с натягом. Подбор посадки с натягом. Исходные данные: - вращающий момент на колесе - - диаметр соединения - - условный наружный диаметр ступицы колеса - - длина сопряжения - 1.) Среднее контактное давление
где K
– коэффициент запаса сцепления, в нашем случае на конце выходного вала установлена муфта f
– коэффициент сцепления (трения), при сборке запрессовкой и для материалов пары сталь-сталь
2.) Деформация деталей
где
3.) Поправка на обмятие микронеровностей
где табл.22.2(уч. П.Ф. Дунаев, О.П. Леликов):
4.) Поправка на температурную деформацию
где нашем случае
5.) Минимальный натяг
6.) Максимальный натяг
Здесь допускаемое прочностью колеса или вала, меньшее из двух:
(для сплошного вала ( Здесь
7.) Выбор посадки. По значениям Леликов) посадку, удовлетворяющую условиям
8.) Сила запрессовки
где выбранной посадки;
9.) Температура нагрева охватывающей детали
где
Чтобы не происходило структурных изменений в материале необходимо чтобы В нашем случает
5.1.2 Соединение зубчатое колесо тихоходной ступени - вал Материал вала - Сталь 45. Вращающий момент с колеса на вал будет передаваться с помощью соединения с натягом. Подбор посадки с натягом. Исходные данные: - вращающий момент на колесе - - диаметр соединения - - условный наружный диаметр ступицы колеса - - длина сопряжения - 10.) Среднее контактное давление
где K
– коэффициент запаса сцепления, в нашем случае на конце выходного вала установлена муфта f
– коэффициент сцепления (трения), при сборке запрессовкой и для материалов пары сталь-сталь
11.) Деформация деталей
где
12.) Поправка на обмятие микронеровностей
где табл.22.2(уч. П.Ф. Дунаев, О.П. Леликов):
13.) Поправка на температурную деформацию
где нашем случае
14.) Минимальный натяг
15.) Максимальный натяг
Здесь
Здесь
16.) Выбор посадки. По значениям
17.) Сила запрессовки
где
18.) Температура нагрева охватывающей детали
где
Чтобы не происходило структурных изменений в материале необходимо чтобы стали 5.2 Шпоночный соединения
5.2.1 Соединение зубчатое колесо быстроходной ступени - вал Материал вала - Сталь 45. Вращающий момент с колеса на вал будет передаваться с помощью призматической шпонки
Линейные размеры шпонки:
Напряжение смятия на боковых рабочих гранях шпонки или паза в ступице и на валу:
где
Условие прочности:
где
5.2.2 Соединение вал-шестерня быстроходной ступени – полумуфта Материал вала - Сталь 45. Вращающий момент с колеса на вал будет передаваться с помощью призматической шпонки
Линейные размеры шпонки:
Напряжение смятия на боковых рабочих гранях шпонки или паза в ступице и на валу:
где
Условие прочности:
где
5.2.3 Соединение вал тихоходной ступени – полумуфта Материал вала - Сталь 45. Вращающий момент с колеса на вал будет передаваться с помощью призматической шпонки
Линейные размеры шпонки:
Напряжение смятия на боковых рабочих гранях шпонки или паза в ступице и на валу:
где
Условие прочности:
где
Условие прочности не выполняется
5.2.4 Соединение тяговая звездочка – приводной вал Материал вала - Сталь 45. Вращающий момент с колеса на вал будет передаваться с помощью призматической шпонки
Линейные размеры шпонки:
Напряжение смятия на боковых рабочих гранях шпонки или паза в ступице и на валу:
где
максимальный вращающий момент на приводном валу.
Условие прочности:
где
5.3 Шлицевые соединения 5.3.1 Соединение Вал тихоходной ступени – полумуфта Материал вала - Сталь 45. Вращающий момент с колеса на вал будет передаваться с помощью соединения прямобочными шлицами Линейные размеры шлицев: Средняя серия; Напряжение смятия на боковых рабочих гранях шлицев в ступице и на валу:
где
Условие прочности:
где
5.3.2 Соединение приводной вал - полумуфта Материал вала - Сталь 45. Вращающий момент с колеса на вал будет передаваться с помощью соединения прямобочными шлицами Линейные размеры шлицев: Средняя серия; Напряжение смятия на боковых рабочих гранях шлицев в ступице и на валу:
где
максимальный момент на приводном валу;
Условие прочности:
где
6. Расчет подшипников При расчете подшипников силы, действующие в зацеплении, взяты из результатов второго этапа проектного расчета зубчатых передач на ЭВМ. 6.1 Расчет подшипников на быстроходном валу Исходные данные: - частота вращения вала - - делительный диаметр шестерни быстроходной ступени - - осевая сила, действующая на шестерню - - радиальная сила, действующая на шестерню - - окружная сила, действующая на шестерню - - расстояние между торцами для наружных колец подшипников - - линейные размеры - - параметры выбранного подшипника: Подшипник 206 ГОСТ 8338-75 Размеры:
6.1.1 Радиальные реакции опор
Расстояние между точками приложения радиальных реакций при установке радиально-упорных подшипников по схеме «враспор»:
где
6.1.1.1 От сил в зацеплении - в плоскости YOZ:
Проверка:
реакции найдены правильно. - в плоскости XOZ:
Проверка:
реакции найдены правильно. Суммарные реакции опор:
6.1.1.2 От действия муфты
Согласно ГОСТ Р 50891-96 значение радиальной консольной силы
где
Реакции от силы
Проверка:
6.1.1.3 Для расчета подшипников
Внешняя осевая сила, действующая на вал:
6.1.2 Эквивалентные нагрузки Для типового режима нагружения II коэффициент эквивалентности
6.1.3 Эквивалентная динамическая радиальная нагрузка Для радиальных шарикоподшипников из условия равновесия вала следует: Отношение
где В соответствии с табл.7.3 [Глава 7](уч. П.Ф. Дунаев, О.П. Леликов) имеем: Коэффициент осевого нагружения согласно табл.7.2 [Глава 7](уч. П.Ф. Дунаев, О.П. Леликов):
Отношение Принимаем согласно табл.7.6 [Глава 7](уч. П.Ф. Дунаев, О.П. Леликов) Эквивалентная динамическая радиальная нагрузка:
6.1.4 Расчетный ресурс подшипника Расчетный скорректированный ресурс подшипника при
6.2 Расчет подшипников на промежуточном валу Исходные даные: - частота вращения вала - - делительный диаметр шестерни тихоходной ступени - - делительный диаметр колеса быстроходной ступени - - осевая сила, действующая на шестерню - - радиальная сила, действующая на шестерню - - окружная сила, действующая на шестерню - - осевая сила, действующая на колесо - - радиальная сила, действующая на колесо - - окружная сила, действующая на колесо - - расстояние между торцами для наружных колец подшипников - - линейные размеры - - параметры выбранного подшипника: Подшипник 206 ГОСТ 8338-75 Размеры:
6.2.1 Радиальные реакции опор Расстояние между точками приложения радиальных реакций при установке радиально-упорных подшипников по схеме «враспор»:
где
6.2.1.1 От сил в зацеплении
-
Проверка: - в плоскости XOZ:
Проверка: Суммарные реакции опор:
6.2.1.2 Для расчета подшипников
Внешняя осевая сила, действующая на вал: 6.2.2 Эквивалентные нагрузки Для типового режима нагружения II коэффициент эквивалентности
6.2.3 Эквивалентная динамическая радиальная нагрузка Для радиальных шарикоподшипников из условия равновесия вала следует: Отношение где В соответствии с табл.7.3 [Глава 7](уч. П.Ф. Дунаев, О.П. Леликов) имеем: Коэффициент осевого нагружения согласно табл.7.2 [Глава 7](уч. П.Ф. Дунаев, О.П. Леликов):
Отношение Принимаем согласно табл.7.6 [Глава 7](уч. П.Ф. Дунаев, О.П. Леликов) Эквивалентная динамическая радиальная нагрузка:
6.2.4 Расчетный ресурс подшипника Расчетный скорректированный ресурс подшипника при
6.3 Расчет подшипников на тихоходном валу Исходные данные: - частота вращения вала - - делительный диаметр шестерни быстроходной ступени - - осевая сила, действующая на колесо - - радиальная сила, действующая на колесо - - окружная сила, действующая на колесо - - расстояние между торцами для наружных колец подшипников - - линейные размеры - - параметры выбранного подшипника: Подшипник 212 ГОСТ 8338-75 Размеры:
6.3.1 Радиальные реакции опор
где
6.3.1.1 От сил в зацеплении - в плоскости YOZ:
Проверка: - в плоскости XOZ:
Проверка: Суммарные реакции опор:
6.3.1.2 От действия муфты Согласно ГОСТ Р 50891-96 значение радиальной консольной силы
где
Реакции от силы
Проверка:
6.3.1.3 Для расчета подшипников
Внешняя осевая сила, действующая на вал:
6.3.2 Эквивалентные нагрузки Для типового режима нагружения II коэффициент эквивалентности
6.3.3 Эквивалентная динамическая радиальная нагрузка Для радиальных шарикоподшипников из условия равновесия вала следует: Отношение где В соответствии с табл.7.3 [Глава 7](уч. П.Ф. Дунаев, О.П. Леликов) имеем: Коэффициент осевого нагружения согласно табл.7.2 [Глава 7](уч. П.Ф. Дунаев, О.П. Леликов):
Отношение Принимаем согласно табл.7.6 [Глава 7](уч. П.Ф. Дунаев, О.П. Леликов) Эквивалентная динамическая радиальная нагрузка:
6.3.4 Расчетный ресурс подшипника Расчетный скорректированный ресурс подшипника при
Расчетный ресурс выбранного нами подшипника для промежуточного вала значительно меньше требуемого ресурса! С целью уменьшения номенклатуры, установим и рассчитаем ресурс роликовых конических радиально-упорных подшипников для всех валов.
6.4 Расчет подшипников на быстроходном валу Исходные данные: - частота вращения вала - - делительный диаметр шестерни быстроходной ступени - - осевая сила, действующая на шестерню - - радиальная сила, действующая на шестерню - - окружная сила, действующая на шестерню - - расстояние между торцами для наружных колец подшипников - - линейные размеры - - параметры выбранного подшипника: Подшипник 7206А ГОСТ 27365-87 Размеры:
6.4.1 Радиальные реакции опор
Расстояние между точками приложения радиальных реакций при установке радиально-упорных подшипников по схеме «враспор»:
где
6.4.1.1 От сил в зацеплении - в плоскости YOZ:
Проверка: в плоскости XOZ:
Проверка: Суммарные реакции опор:
6.4.1.2 От действия муфты: Согласно ГОСТ Р 50891-96 значение радиальной консольной силы
где
Реакции от силы
Проверка:
6.4.1.3 Для расчета подшипников
Внешняя осевая сила, действующая на вал:
6.4.2 Эквивалентные нагрузки Для типового режима нагружения II коэффициент эквивалентности
6.4.3 Эквивалентная динамическая радиальная нагрузка Минимально необходимые для нормальной работы радиально-упорных подшипников осевые силы:
Находим осевые силы нагружающие подшипники. Так как
Отношение Отношение Принимаем согласно табл.7.6 [Глава 7](уч. П.Ф. Дунаев, О.П. Леликов) Эквивалентная динамическая радиальная нагрузка в опорах 1 и 2 :
6.4.4 Расчетный ресурс подшипника Для подшипника более нагруженной опоры 2
вычисляем расчетный скорректированный ресурс подшипника при
6.5 Расчет подшипников на промежуточном валу Исходные данные: - частота вращения вала - - делительный диаметр шестерни тихоходной ступени - - делительный диаметр колеса быстроходной ступени - - осевая сила, действующая на шестерню - - радиальная сила, действующая на шестерню - - окружная сила, действующая на шестерню - - осевая сила, действующая на колесо - - радиальная сила, действующая на колесо - - окружная сила, действующая на колесо - - расстояние между торцами для наружных колец подшипников - - линейные размеры - - параметры выбранного подшипника: Подшипник 7206А ГОСТ 27365-87 Размеры:
6.5.1 Радиальные реакции опор
Расстояние между точками приложения радиальных реакций при установке радиально-упорных подшипников по схеме «враспор»:
где
6.5.1.1 От сил в зацеплении: - в плоскости YOZ:
Проверка: - в плоскости XOZ:
Проверка: Суммарные реакции опор:
6.5.1.3 Для расчета подшипников
Внешняя осевая сила, действующая на вал:
6.5.2 Эквивалентные нагрузки Для типового режима нагружения II коэффициент эквивалентности
6.5.3 Эквивалентная динамическая радиальная нагрузка Минимально необходимые для нормальной работы радиально-упорных подшипников осевые силы:
Находим осевые силы нагружающие подшипники. Так как
Отношение Отношение Принимаем согласно табл.7.6 [Глава 7](уч. П.Ф. Дунаев, О.П. Леликов) Эквивалентная динамическая радиальная нагрузка в опорах 1 и 2 :
6.5.4 Расчетный ресурс подшипника Для подшипника более нагруженной опоры 2
вычисляем расчетный скорректированный ресурс подшипника при
6.6 Расчет подшипников на тихоходном валу Исходные данные: - частота вращения вала - - делительный диаметр шестерни быстроходной ступени - - осевая сила, действующая на колесо - - радиальная сила, действующая на колесо - - окружная сила, действующая на колесо - - расстояние между торцами для наружных колец подшипников - - линейные размеры - - параметры выбранного подшипника: Подшипник 7212А ГОСТ 27365-87 Размеры:
6.6.1 Радиальные реакции опор Расстояние между точками приложения радиальных реакций при установке радиально-упорных подшипников по схеме «враспор»:
где
6.6.1.1 От сил в зацеплении - в плоскости YOZ:
Проверка: - в плоскости XOZ:
Проверка: Суммарные реакции опор:
6.6.1.2 От действия муфты Согласно ГОСТ Р 50891-96 значение радиальной консольной силы
где
Реакции от силы
Проверка:
6.6.1.3 Для расчета подшипников
Внешняя осевая сила, действующая на вал: 6.6.2 Эквивалентные нагрузки Для типового режима нагружения II коэффициент эквивалентности
6.6.3 Эквивалентная динамическая радиальная нагрузка Минимально необходимые для нормальной работы радиально-упорных подшипников осевые силы:
Находим осевые силы нагружающие подшипники. Так как
Отношение Отношение Принимаем согласно табл.7.6 [Глава 7](уч. П.Ф. Дунаев, О.П. Леликов) Эквивалентная динамическая радиальная нагрузка в опорах 1 и 2 :
6.6.4 Расчетный ресурс подшипника Для подшипника более нагруженной опоры 1
вычисляем расчетный скорректированный ресурс подшипника при
6.7 Расчет подшипников на приводном валу Исходные данные: - частота вращения вала - - окружная сила, действующая на 2 звездочки - - линейные размеры - - параметры выбранного подшипника: Подшипник 1212 ГОСТ 28428-90 Размеры:
6.7.1 Радиальные реакции опор Расстояние между точками приложения радиальных реакций На каждую звездочку будет действовать максимальная окружная сила
Радиальная сила действующая на звездочки:
6.7.1.1 От сил в зацеплении - в плоскости YOZ:
Проверка: -
Проверка: Суммарные реакции опор:
6.7.1.2 От действия муфты Радиальная сила на валу от упругой муфты:
где
Реакции от силы
Проверка:
6.7.1.3 Для расчета подшипников
6.7.3 Эквивалентная динамическая радиальная нагрузка При отсутствии осевых сил Принимаем согласно табл.7.6 [Глава 7](уч. П.Ф. Дунаев, О.П. Леликов) Эквивалентная динамическая радиальная нагрузка в опорах 1 и 2 :
Для типового режима нагружения II коэффициент эквивалентности
6.7.4 Расчетный ресурс подшипника Для подшипника более нагруженной опоры 1
вычисляем расчетный скорректированный ресурс подшипника при
7. Конструирование корпусных деталей и крышек подшипников
7.1 Конструирование крышек подшипников Материал крышек – СЧ15. Были выбраны привертные крышки. Т.к. подшипники на быстроходном и промежуточном валу одинаковые, крышки будут также одинаковыми, что способствует уменьшению номенклатуры.
7.1.1 Крышки подшипников быстроходного и промежуточного валов Определяющим при конструировании крышки является диаметр Согласно рекомендациям по выбору толщины
Размеры других конструктивных элементов крышки:
Принимаем Чтобы поверхности фланца крышки и торца корпуса сопрягались по плоскости, на цилиндрической центрирующей поверхности перед торцом фланца делается канавка шириной
7.1.1 Крышки подшипников тихоходного вала Определяющим при конструировании крышки является диаметр Согласно рекомендациям по выбору толщины
Размеры других конструктивных элементов крышки:
Принимаем Чтобы поверхности фланца крышки и торца корпуса сопрягались по плоскости, на цилиндрической центрирующей поверхности перед торцом фланца делается канавка шириной 7.2 Конструирование корпуса и крышки редуктора
7.2.1 Общие рекомендации Материал корпуса – СЧ15. Толщина
Здесь Приблизительно: Толщина стенки, отвечающая требованиям технологии литья, необходимой прочности и жесткости корпуса:
где
Принимаем толщину стенки Радиусы дуг, сопрягающих плоские стенки: Толщина внутренних ребер Обрабатываемые поверхности выполняются в виде платиков, высота которых
7.2.2 Конструктивное оформление внутреннего контура редуктора Из центра тихоходного вала проводится тонкой линией дуга окружности радиусом: Из центра быстроходного вала проводится дуга радиусом
где
Толщина стенки крышки редуктора Расстояние между дном корпуса и поверхностью колеса Для соединения корпуса и крышки по всему контуру плоскости разъема редуктора выполняются специальные фланцы. На коротких боковых сторонах фланцы располагаются внутрь от стенки корпуса. Размеры конструктивных элементов:
На продольных длинных сторонах редуктора фланцы корпуса располагают внутрь от стенки корпуса, а фланцы крышки – снаружи.
7.2.3 Конструктивное оформление приливов для подшипниковых гнезд Диаметр прилива для привертной крышки принимается:
где Для быстроходного и промежуточного валов: Для тихоходного вала:
7.2.4 Крепление крышки редуктора к корпусу Для крепления крышки с корпусом используются винты с цилиндрической головкой с шестигранным углублением «под ключ». Размеры конструктивных элементов:
Диаметр
Принимаем
7.2.5 Фиксирование крышки относительно корпуса Необходимая точность фиксирования достигается штифтами, которые располагаются на наибольшем расстоянии друг от друга. Диаметр штифтов:
Поверхности сопряжения корпуса и крышки для плотного их прилегания шабрят и шлифуют. При сборке узла эти поверхности для лучшего уплотнения покрывают тонким слоем герметика. Прокладки в полость разъема не ставят вследствие вызываемых ими искажения формы посадочных отверстий под подшипники и смещения осей отверстий с плоскости разъема.
7.2.6 Конструктивное оформление опорной части корпуса Опорная поверхность корпуса выполняется в виде нескольких небольших платиков, расположенных в местах установки болтов. Диаметр винта крепления редуктора к раме: Место крепления корпуса к раме оформляется в виде ниш, расположенных по углам корпуса, высота ниши:
7.2.7 Оформление сливных отверстий Прилив сливного отверстия в корпусе выступает над необрабатываемой поверхностью на высоту Отверстие для выпуска масла закрывается пробкой с конической резьбой Размеры пробки: Для наблюдения за уровнем масла в корпусе установлена такая же пробка с конической резьбой 7.2.8 Оформление проушин Для подъема и транспортирования крышки корпуса и редуктора в сборе применяются проушины. Размеры проушин:
7.2.9 Оформление крышки люка Для залива масла в редуктор, контроля правильности зацепления и для внешнего осмотра деталей сделан люк. Крышка люка сделана из листа толщиной Размеры люка:
принимаем
высота прилива: диаметр винтов крепления крышки люка: Для того чтобы внутрь корпуса извне не засасывалась пыль, под крышку поставлена уплотняющая прокладка из технической резины марки МБС толщиной 2 мм , привулканизированная к крышке. 7.3 Конструирование корпусов и крышек опор приводного вала Два корпуса типа 1, исполнение 1, Три низкие торцевые крышки с манжетным уплотнением и одна глухая диаметром 8. Расчет валов на статическую прочность и сопротивление усталости Материал всех валов – Сталь 45,
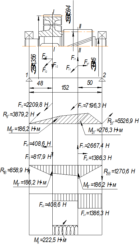
8.1 Быстроходный вал
8.1.1 Расчет валов на статическую прочность
Самым опасным сечением будет сечение I - I . Моменты сопротивления при изгибе, при кручении и площадь Для сплошного круглого сечения:
Для сечения со шпоночным пазом:
Нормальные и касательные напряжения:
где
Напряжения сечении:
Частные коэффициенты прочности по нормальным и касательным напряжениям:
Общий коэффициент запаса прочности по пределу текучести при совместном действии нормальных и касательных напряжений:
8.2 Промежуточный вал
Самым опасным сечением будет сечение II - II . Моменты сопротивления при изгибе, при кручении и площадь Для сплошного круглого сечения:
Нормальные и касательные напряжения:
где
тогда напряжения в этом сечении:
Частные коэффициенты прочности по нормальным и касательным напряжениям:
Общий коэффициент запаса прочности по пределу текучести при совместном действии нормальных и касательных напряжений:
8.3 Тихоходный вал
Самым опасным сечением будет сечение I - I . Моменты сопротивления при изгибе, при кручении и площадь Для сплошного круглого сечения:
Нормальные и касательные напряжения:
где
тогда напряжения в этом сечении:
Частные коэффициенты прочности по нормальным и касательным напряжениям:
Общий коэффициент запаса прочности по пределу текучести при совместном действии нормальных и касательных напряжений:
9. Выбор смазочных материалов и системы смазывания Для смазывания передач широко применяют картерную систему. В корпус редуктора заливают масло так, чтобы венцы колес были в него погружены. Колеса при вращении увлекают масло, разбрызгивая его внутри корпуса. Масло попадает на внутренние стенки корпуса, откуда стекает в нижнюю его часть. Внутри корпуса образуется взвесь частиц масла в воздухе, которая покрывает поверхность расположенных внутри корпуса деталей. В нашем случае необходимо, чтобы в масляную ванну были погружены зубчатые колеса обеих передач. Допустимый уровень погружения колеса быстроходной ступени в масляную ванну:
Допустимый уровень погружения колеса тихоходной ступени в масляную ванну:
Погружаем колесо тихоходной ступени на 64 мм, тогда соответственно колесо быстроходной ступени погрузится в масло на 14,5 мм. Требуемый объем масла будет равен примерно равен
где а=120мм - межосевое расстояние быстроходной ступени ступени; u =5,211 – передаточное число ступени; n
=950
При t =40 o C , определяем кинематическую вязкость К=34мм2 /с . По кинематической вязкости назначаем масло И-Г-А-32. Для смазывания упругой муфты используется ПСМ Литол-24, такой же материал используется для смазки подшипников приводного вала. 10. Расчет муфт Для соединения входного вала редуктора с волом электродвигателя назначаем компенсирующую зубчатую муфту с неметаллической обоймой ГОСТ 5006-83. Для соединения выходного вала редуктора с валом электродвигателя используем упруго-предохранительную муфту со стальными стержнями и с разрушающимся элементом. 10.1 Подбор и проверочный расчет упругой муфты Вращающий момент нагружающий муфту в приводе:
где К - коэффициент режима работы. При спокойной работе и небольших разгоняемых массах Принимаем Муфта будет с переменной жесткостью. При проектировании муфты принимаем:
Диаметр самой муфты
Диаметр стержней:
где Е – модуль упругости стали, Е=2,15. 105 МПа ;
Выбираем материал стержней – 65С2ВА,
допускаемое напряжение которой
Из ряда номинальных линейных размеров выбираем диаметр стержней Число стержней:
принимаем Радиус кривизны гнезда в осевом сечении:
10.2 Расчет и конструирование предохранительной муфты При расчете предохранительной муфты во избежание случайных выключений за расчетный вращающий момент принимаем: Диаметр штифта(предохранительного элемента):
где z – количество штифтов, принимаем z =2 ; k – коэффициент неравномерности распределения нагрузок на штифт, при z =2 k =1,2 ;
Выбираем материал штифта – Сталь 45, тогда
В момент срабатывания (при перегрузке) штифт разрушается, и предохранительная муфта разъединяет кинематическую цепь. Список использованных источников
- М.Н. Иванов. Детали машин. М.: «Машиностроение», 1991. - П.Ф. Дунаев, О.П.Леликов – Конструирование узлов и деталей машин. М.: «Высшая школа», 1985. - Д.Н. Решетов – Детали машин. Атлас конструкций в двух частях. М.: «Машиностроение», 1992. - Тибанов В.П., Варламова Л.П. Методические указания к выполнению домашнего задания по разделу «Cоединения». М., МГТУ им. Н.Э. Баумана, 1999. |
, где 




,
;
;
;
;
или
,
,
;
;
;
;
или
,
,
,
,
,
,
,

.


.
.










;

;

;
,
, принимаем