Курсовая работа: Расчет рабочих и опорных валков четырехвалковой клети толстолистового стана 3600
|
Название: Расчет рабочих и опорных валков четырехвалковой клети толстолистового стана 3600 Раздел: Промышленность, производство Тип: курсовая работа | |||||||||||||||
|
1. Описание разработанной конструкции 2. Расчет рабочих и опорных валков четырехвалковой клети толстолистового стана 3600 2.1 Определение распределения усилия между рабочими и опорными валками 2.2 Определение изгибающих моментов и нормальных напряжений в рабочем и опорном валках 2.3 Определение запасов прочности рабочего и опорного валков 2.4 Контактное напряжение и деформация в поверхностном слое валков 2.5 Определим прогиб опорного валка 2.6 Расчет подшипника в опорах рабочего валка 2.7 Расчет подшипников опорного валка 2.8 Проверочный расчет шпонки на приводном валке 3. Технологичность разработанной конструкции 3.1 Степень унификации диаметров рабочего валка 3.2 Степень унификации посадочных размеров 3.3 Степень стандартизации разработанного узла валков 3.4 Агрегатирование Список использованных источников 1. Описание разработанной конструкцииОпорные валки (поз.1, 1703.07.005.00.01.00) вращаются в четырехрядных роликовых конических подшипниках М270400 (поз. 55), которые воспринимают только радиальное усилие – усилие прокатки. С неприводной стороны рабочей клети для восприятия осевых нагрузок установлен упорный конический двухрядный подшипник М969800 (поз. 56). Подшипниковый узел в сборе удерживается на месте при помощи стопорной гайки (поз. 7), закрепленной на стопорном кольце с резьбой и чекой (поз. 16). Это кольцо подпирается разъемным кольцом на шарнире (поз. 17), установленным в проточке на удлиненной шейке. С приводной стороны в дополнение к четырехрядному поставлен радиальный однорядный шарикоподшипник (поз. 57), который предназначен для удержание веса части вала и полумуфт со шпинделем. Опорные валки изготовлены из стали 9ХФ, которая себя хорошо зарекомендовала и часто используется для этих целей. Рабочие валки (поз. 2) вращаются в четырехрядных роликовых конических подшипниках М224700 (поз. 54). В осевом направлении нижние кольца подшипников с одной стороны фиксирует маслосбойное кольцо (поз.13), а с другой стороны распорная втулка (поз. 3), чтобы втулка не провернулась на рабочем валке, её фиксируют шпилькой (поз. 53). Верхние кольца подшипников с одной стороны упираются в подушку рабочего валка (поз. 26), а с другой стороны поджимается крышкой (поз. 20) через стакан (поз. 28) при помощи болта (38) и шайбы (поз. 50). Степень поджатия регулируется дистанционными кольцами (поз. 8, 9). Рабочие валки выполнены из стали 60ХН, которая широко используется для изготовления рабочих валков станов горячей листовой прокатки. Уравновешивание верхних подушек с опорным валком и гидрораспор станин осуществляется четырьмя гидроцилиндрами (поз. 32), диметром 100 мм, установленными в нижних подушках; усилие распора до 1 Мн. Противоизгиб рабочих валков – от восьми гидроцилиндров (поз. 31), диаметром 70 мм, расположенных в подушках верхнего рабочего валка; усилие противоизгиба до 560 кН. Давление масла в цилиндрах до 20 МПа. Система предназначена для устранения неплоскостности и уменьшения поперечной разнотолщинности полос путем оперативного воздействия на форму зазора между рабочими валками. Комплект опорных валков с подушками меняют с помощью гидравлического цилиндра с большим ходом штока, который расположен ниже уровня пола цеха. Шток шарнирно соединяется с рычагом (поз. 36) нижней подушки опорного валка (поз. 27). С неприводной стороны рабочей клети подушки опорных валков фиксируются направляющими планками (поз. 34) на стойках станин. Подушки рабочих валков фиксируются в подушках опорных валков с помощью планок-фиксаторов, поворачиваемых рукоятками (поз. 35). Подушки рабочих и опорных валков изготовлены из стали марки 25Л. 2. Расчет рабочих и опорных валков четырехвалковой клети толстолистового стана 36002.1 Определение распределения усилия между рабочими и опорными валкамиОпределение распределения усилия между рабочими и опорными валками выполнено по методике приведенной в /1/. Учитывая, что минимальный диаметр валков после перешлифовки
Нагрузка, которую воспринимает рабочий валок (кН):
Нагрузка, которую воспринимает опорный валок (кН):
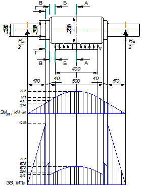
Таким образом, рабочие валки воспринимают только 2.2 Определение изгибающих моментов и нормальных напряжений в рабочем и опорном валкахОпределение напряжений в рабочем и опорном валках выполнено по методике приведенной в /1/. На рис. 1 изображены расчетная схема рабочего валка и эпюры изгибающих моментов, и нормальных напряжений. Определим максимальные нормальные напряжения в сечениях А-А, Б-Б, В-В, Г-Г. Соответствующие значения изгибающих моментов и нормальных напряжений указаны на эпюрах:
На рис. 2 изображены расчетная схема опорного валка и эпюры изгибающих моментов, и нормальных напряжений. Определим максимальные нормальные напряжения в сечениях А-А, Б-Б. Соответствующие значения изгибающих моментов и нормальных напряжений указаны на эпюрах:
Напряжение кручения на шейке ведущего валка (МПа):
где Максимальные эквивалентные напряжения (по четвертой теории прочности)
Рис. 1 Схема нагружения и эпюры изгибающих моментов, и нормальных напряжений рабочего валка.
Рис. 2 Схема нагружения и эпюры изгибающих моментов, и нормальных напряжений опорного валка. 2.3 Определение запасов прочности рабочего и опорного валковОпределение запасов прочности рабочего и опорного валков выполнено по методике, приведенной в /1/. Рабочий валок изготовлен из стали марки 60ХН (ОСТ 24.013.04–83), а опорный – из стали 9ХФ (ГОСТ 5950–2000), механические свойства которых приведены в табл. 1 т.к. это наиболее часто применяемые стали для изготовления рабочих и опорных валков стана горячей прокатки /4/. Таблица 1 Механические свойства валковых сталей 60ХН, 9ХФ
Запас прочности рабочего валка:
Запас прочности опорного валка:
При
минимальный требуемый запас прочности 2.4 Контактное напряжение и деформация в поверхностном слое валковКонтактные напряжения в поверхностном слое валков выполнено по методике приведенной в /1/. Рассчитаем максимальное (радиальное) контактное напряжение
где
Учитывая, что в зоне контакта материал валков находится в благоприятных условиях всестороннего сжатия, принимаем:
Упругое сплющивание в месте контакта опорного и рабочего валков выполнено по методике приведенной в /1/.Рассчитаем радиальную упругую деформацию (сплющивание)
Суммарное упругое радиальное контактное сплющивание двух пар валков рабочей четырех валковой клети:
2.5 Определим прогиб опорного валкаОпределение прогиба опорного валка выполнена по методике приведенной в /1/. Определим момент инерции бочки опорного валка, (м4 ):
Определим соотношение моментов инерции бочки и шейки опорного валка:
Определим соотношение диаметров бочки и шейки опорного валка:
Определим прогиб опорного валка от изгибающих моментов в сечении А-А, (мм):
где a – расстояние между опорами опорного валка, м; b – ширина прокатываемой полосы, м; c – расстояние от опоры до бочки валка, м.
Определим прогиб опорного валка от поперечных сил в сечении А-А, (мм):
где
Суммарный прогиб опорного валка в сечении А-А, (мм):
Определим разность прогибов опорного валка в сечении А-А и у края прокатываемого листа, возникающую под действием изгибающих моментов, (мм):
Определим разность прогибов опорного валка в сечении А-А и у края прокатываемого листа, возникающую под действием поперечных сил, (мм):
Суммарная разность прогибов опорного валка в сечении А-А и у края прокатываемого листа, возникающую под действием изгибающих моментов и поперечных сил, (мм):
Значения прогибов валков – является значимой информацией для технологов, которые используют её для регулирования качества проката и профилирования валков. 2.6 Расчет подшипника в опорах рабочего валкаРасчет подшипника в опорах рабочего валка выполнен по методике приведенной в /3/. В качестве подшипника для рабочих валков примем роликоподшипник радиальный конический четырехрядный M224700. Рассчитаем динамическую эквивалентную радиальную нагрузку:
где
Номинальная долговечность радиальных роликовых подшипников:
Так как
где
Найдем частоту вращения рабочего валка:
Определяем скорректированный по уровню надежности и условиям применения расчетный ресурс подшипника, ч:
где
2.7 Расчет подшипников опорного валкаРасчет подшипника в опорах опорного валка выполнен по методике приведенной в /3/. 2.7.1 В качестве подшипника в опорах опорных валков примем роликоподшипник радиальный конический четырехрядный M270400. Рассчитаем динамическую эквивалентную радиальную нагрузку:
Найдем частоту вращения опорного валка:
Требуемая динамическая грузоподъемность:
Определяем скорректированный по уровню надежности и условиям применения расчетный ресурс подшипника, ч:
2.7.2 Так как опорный валок воспринимает осевую нагрузку со стороны привода, то выбираем роликоподшипник осевой конический двухрядный M969800. Рассчитаем динамическую эквивалентную осевую нагрузку:
где Возможное осевое усилие при горячей прокатке листа - 2 % от радиального:
Требуемая динамическая грузоподъемность:
Определяем скорректированный по уровню надежности и условиям применения расчетный ресурс подшипника, ч:
2.7.3 Со стороны привода на опорный валок действует нагрузка от веса полумуфт и шпинделя, для ее удержания ставим шарикоподшипник радиальный однорядный 172 по ГОСТ 8338-75. Вес полумуфт и шпинделя примем 15000 Н. Рассчитаем динамическую эквивалентную радиальную нагрузку:
Требуемая динамическая грузоподъемность:
Определяем скорректированный по уровню надежности и условиям применения расчетный ресурс подшипника, ч:
2.8 Проверочный расчет шпонки на приводном валкеПроверочный расчет шпонки на приводном валке выполнен по методике, приведенной в /3/. Так как процесс смятия шпонки процесс более вероятный чем срез, то для начала проверим шпонку на смятие. Зададимся следующими размерами для шпонки:
Напряжение смятия воспринимают две шпонки при рабочей нагрузке:
где
Изготовим шпонку из материала Сталь 45 (ГОСТ 1050–88), для которой:
где
Так, как условие прочности на смятие выполняется, то проверку шпонки на срез можно не проводить. 3. Технологичность разработанной конструкцииВ данном валковом узле клети кварто используются стандартные крепежные элементы, подшипники качения (нестандартные размеры), пружины, недорогие материалы (металл, смазка и фрикционный материал), для уменьшения стоимости изделия и её обслуживания. Кожух опорного валка выполнен сварным, из трубы и листа. Все размеры располагаются в ряду предпочтительных чисел, а также они выполнены с учетом опыта предыдущих разработок, с необходимой точностью и коэффициентами запасов. Подушки верхнего рабочего валка взаимозаменяемые, также как и подушки нижнего рабочего валка. Элементы подушек опорных валков взаимозаменяемые. Рабочие и опорные валки выполнены симметрично относительно середины валкового узла, для удобства их монтажа. 3.1 Степень унификации диаметров рабочего валкаВсего для изготовления опорного валка используется 10 разных значений диаметров. Диаметр 750 мм используется один раз, 660, 550, 440, 400, 390, 382, 364, 350мм – два раза, 420 мм – четыре раза. Определим степень унификации (α) каждого диаметра (%):
где
3.2 Степень унификации посадочных размеровВсего для изготовления рабочего валка используется 2 разных значения посадочных размеров. Посадка к6 и Р9, из которых к6 используется 7 раз, а посадка Р9 3 раза. Определим степень унификации (α) каждого посадочного размера (%):
3.3 Степень стандартизации разработанного узла валковСтепень стандартизации (
Количество стандартных изделий использованных для изготовления узла валков (
Степень стандартизации достаточна высока, что ещё более подтверждает надежность разработанной конструкции, так как стандартные изделия прошли неоднократную проверку временем. 3.4 АгрегатированиеРабочие и опорные валки выполнены симметрично относительно середины валкового узла, следовательно подушки каждого из валков взаимозаменяемы. Это также обеспечивает удобство их монтажа. Каждый валок в совокупности со своими подушками является одним целым. Это значит, что они представляют каждый из себя отдельный узел. К примеру, для замены вышедших из строя подшипников верхнего рабочего валка нет необходимости в демонтаже и разборке всего узла валков, а ликвидация поломки сводится к процессу перевалки валков, который в свою очередь в настоящее время происходит за считанные минуты. Это достигнуто благодаря высокой степени агрегатирования всего узла валков. Вычислим степень агрегатирования разработанного нами узла валков. Из выше сказанного следует, что весь агрегат состоит из четырех различных узлов, которые в совокупности являются узлом валков клети кварто, следовательно, степень агрегатирования равна (%):
где
Высокая степень агрегатирования в данном случае облегчит эксплуатацию разработанного изделия благодаря быстрой замене неисправных узлов и повысит степень использования разработанного агрегата, тем самым, повысив его производительность. Список использованных источников1. Королев А.А. Конструкция и расчет машин и механизмов прокатных станов: Учеб. пособие для вузов. – 2-е изд., перераб. и доп. – М.: «Металлургия». 1985. 376 с. 2. Перель Л.Я., Филатов А.А. Подшипники качения: Справочник. – М.: «Машиностроение». 1992. 608 с. 3. В.И. Анурьев. Справочник конструктора – машиностроителя. Изд. 8-е в 3-х тт. – М.: Машиностроение, т. 2, 2001. 4. Машины и агрегаты металлургических заводов. В 3-х томах. Т.3. Машины и агрегаты для производства и отделки проката. Учебник для вузов/ Целиков А.И., Полухин П.И., Гребенник В.М. и др. 2-е изд., перераб. и доп. – М.: Металлургия, 1988. 680 с. |
.
;
;
;
;
;
.




МПа.

,
.
,
.
,
.
,
,
,
,
м4
.
.
,
,
мм.
,
мм.
,
мм.
, где
.
.
.
.
.
.
,
МПа.
,
.
,