Курсовая работа: Технологическая оснастка для механической обработки детали Кронштейн
|
Название: Технологическая оснастка для механической обработки детали Кронштейн Раздел: Промышленность, производство Тип: курсовая работа | ||||||||||||||||||||||||
Предисловие Настоящее методическое пособие разработано в помощь студентам при выполнении эскизного проекта по дисциплине “Технологическая оснастка”, курсового проекта по дисциплине “Технология машиностроения”, а также дипломного проекта. В пособии определено содержание проекта, которое состоит из графических документов: чертеж детали (AutoCAD или Компас), эскиз станочного приспособления для выполнения конкретной операции на станке ЧПУ, чертеж контрольного приспособления и пояснительная записка в составе: - титульный лист; - бланк задания; - содержание; - введение; - разделительный лист “Проектирование станочного приспособления”; - анализ конструкции детали; - анализ технологического процесса, включая выполняемую операцию; - выбор элементов базирования и зажима заготовки; - схема нагрузок; - расчет силы зажима; - определение размеров элементов зажима заготовки; - выбор гидро- или пневмоцилиндров; - расчет на прочность “слабых” звеньев конструкции приспособления; - графическая компоновка приспособления; - конструкции и работы приспособления; - расчет погрешности базирования; - выводы по конструкции приспособления; - разделительный лист “Проектирование контрольного приспособления”; - расчет исполнительных размеров; - конструкция и эксплуатация контрольного приспособления; - литература. Содержание проекта и этапы проектирования раскрываются на конкретном примере задания на эскизное проектирование. В приложениях представлены гидроцилиндры по ОСТ 2Г22-86, работающие при давлении P=6 МПа, стыковочные размеры станков с ЧПУ для базирования приспособлений, титульный лист, бланк задания, чертеж детали, эскиз станочного приспособления, эскиз контрольного приспособления, и спецификации. Листы пособия оформлены так, как должны быть оформлены в пояснительной записке проекта. При разработке пособия учтены требования и положения, установленные в Государственных и отраслевых стандартах, рекомендациях и нормативных документах. Содержание Введение……………………………………………………………………….4 Проектирования станочного приспособления Анализ конструкции………………………………...………….……………..6 Анализ технологического процесса, включая выполняемую операцию.….6 Выбор элементов базирования и зажима заготовки…………………...…....7 Схема нагрузок……………………………………...………………………....9 Расчет силы зажима…………………………………………………………..10 Определение размеров элементов зажима заготовки…….…………….......11 Выбор гидроцилиндров…………………………….…………….……….….13 Расчет на прочность “слабых” звеньев конструкции приспособления.…..14 Графическая компоновка приспособления…………………………………15 Конструкция и работа приспособления…………………………………….17 Расчет погрешности базирования…………………………...………….…...18 Выводы по конструкции приспособления…………………………....…….18 Проектирование контрольного приспособления Расчет исполнительных размеров………………………………..…….……19 Конструкция и эксплуатация контрольного приспособления………..……20 Литература……………….……………………………………………..……..22 Введение На протяжении всего периода развития авиационной промышленности наша страна всегда занимала ведущее место. Ситуация в стране постоянно меняется, но основные направления развития авиационной промышленности остаются неизменными – создание современных самолетов, которые отвечают всем мировым стандартам. Для создания таких самолетов как истребитель-перехватчик СУ-30МК, самолет-амфибия БЕ-200 и других на Иркутском авиационном объединении принята линия научно-технического прогресса по мировым стандартам и международным правилам, совершенствование техники, технологии и информационных систем, внедрение высокопроизводительных многоцелевых станков с ЧПУ и прогрессивной технологической оснастки. Современная технологическая оснастка в виде станочных приспособлений для станков с ЧПУ значительно повышает производительность труда за счет уменьшения вспомогательного времени на установку и закрепления заготовок, повышает точность обработки, облегчает условия труда операторов станков с ЧПУ, расширяет технологические возможности оборудования. Приспособления для станков с ЧПУ предъявляется ряд специфических требований, обусловленных особенностью этих станков, не соблюдение которых значительно которых снижает эффективность использования станков с ЧПУ. Приспособления должны иметь повышенную размерную точность. Погрешности базирования и закрепления, возникающие при установке заготовок в приспособления, должны быть сведены к минимуму. Для возможности использования полной мощности станка на черновых проходах и при обработке труднообрабатываемых материалов (титановые сплавы, нержавеющие, жаропрочные стали и другие) приспособления должны иметь повышенную жесткость конструкции. Относительное перемещение заготовки и инструмента на станках с ЧПУ осуществляется в системы заданных координат. Следовательно, заготовка должна иметь полное базирование в приспособлении, а приспособление иметь полное базирование относительно нулевой точки станка. Станки с ЧПУ обеспечивают возможность обработки заготовки с одной стороны за одну установки. Для этой цели приспособление должно обеспечить возможность подхода инструмента ко всем обрабатываемым поверхностям. Наиболее существенное сокращение вспомогательного времени при зажиме – разжиме заготовки достигается за счет использования гидро и пневмоцилиндров. Контрольные приспособления должны обеспечить максимальную точность контроля при минимальной затрате времени, должны быть долговечны в работе, просты по конструкции и удобны в эксплуатации. 1. Проектирование станочного приспособления 1.1 Анализ конструкции детали Деталь “Кронштейн” является силовой балкой конструкции фюзеляжа самолета. Деталь имеет габаритные размеры: длина – 135 мм, ширина – 100 мм, высота – 42 мм, в сечении - представляет балку в виде усеченного двутавра, что повышает жесткость конструкции детали. Деталь имеет двухстороннею конструкцию со стенкой толщиной 2 мм и 3 мм, обводные полки толщиной 2 мм, 2,5 мм и 3 мм совместно со стенкой удерживают ухо толщиной 25 мм. В ухе имеется паз шириной 13 мм и сквозное отверстие ø12Н7 , в которое запрессовываются две втулки (показаны на сборочном чертеже) для соединения “Кронштейна” через ось с другой деталью узла. Ребра жесткости толщиной 2 мм противоположные полки. В стенке расположены два базовых отверстия ø9Н9. Точность обработки остальных поверхностей соответствует 14 квалитету точности. Шероховатость обработки отверстий Ra = 2,5, остальные поверхности имеют шероховатость Rz = 20. Проведена унификация элементов конструкции: радиусы сопряжений R8 и R4, одинаковые диаметры базовых отверстий. Исходя из этого коэффициенты точности, шероховатости и унификации должны по величине соответствовать технологичной детали. Наличие теоретического контура ухудшает технологичность детали. 1.2 Анализ технологического процесса, включая выполняемую операцию Техпроцесс начинается с входного контроля заготовки. Контрольная операция 005 проводится проверка марки материала на стиллоскопе и контроль габаритных размеров заготовки посредством ШК и штангенциркуля ШЦ-I-125-0,1 ГОСТ 166-89. В дальнейшем создаются базовые поверхности. В операции 010 – разметка, производиться разметка границ фрезерования базовой плоскости стенки с обратной стороны на разметочной плите 630х400 ГОСТ 10985-86, комплектом разметочного и измерительного инструмента. В операции 015 – фрезерная, производиться на фрезерном станке модели 6Р12 с использованием станочных тисков В-250, ход-160 ГОСТ 14904-80; переход 1 – фрезерование плоскости стенки концевой фрезой ø28, R4, l 50, Р6М5 ГОСТ 23247-78, контроль проводится стенкомером С-10Б-0,1 ГОСТ 11358-89; переход 2 – фрезерование плоскости уха, контроль проводиться штангенрейсмусом ШР-150-0,05 ГОСТ 164-80; переход 3 – фрезерование торца полки, контроль проводиться штангенрейсмусом ШР-150-0,05 ГОСТ 164-80. В операции 020 – слесарная, производиться опиловка заусенцев и скругление острых кромок R0,6 бормашиной ПМ34-150 с использованием борфрезы Р6М5 ГОСТ 22138-76. В операции 025 – сверлильная, на сверлильном станке модели 2М112 с использованием кондуктора производиться обработка двух базовых отверстий ø9Н9; переход 1 – сверление двух отверстий ø8, сверло ø8 Р6М5 ГОСТ 10903-77; переход 2 – зенкерование двух отверстий ø8,7, зенкером ø8,7 Р6М5 ГОСТ 2255-71; переход 3 – развертывание двух отверстий ø9Н9, разверткой ø9Н9 Р6М5 ГОСТ 883-80, контроль проводится калибр - пробкой ø9Н9 ГОСТ 14810-69. В операции 030 – фрезерная, проводится фрезерование наружного и внутреннего контура с одной стороны на фрезерном станке с ЧПУ модели МА655СМН с использованием специального фрезерного приспособления, которое необходимо спроектировать. Обработка производится за четыре установа, шесть переходов и два прохода. Установ А. Переход 1 – фрезерование наружного контура окончательно, кроме уха и правого торца концевой фрезой ø28, R0,5, l 50 , Р6М5 ГОСТ 23247-78. Установ Б. Переход 2 – фрезерование контура уха окончательно, фрезерование правого торца окончательно концевой фрезой ø16, R0,5, l 50, Р6М5 ГОСТ 23247-78. Установ В. Переход 3 – фрезерование плоскости уха, торца ребра и полки концевой фрезой ø28, R4, l 30, Р6М5 ГОСТ 23247-78. Переход 4 – фрезерование фаски по контуру уха угловой фрезой ø20, Установ Г. Переход 5 – фрезерование плоскости стенки в карманах окончательно концевой фрезой ø28, R4, l 30, Р6М5 ГОСТ 23247-78. Переход 6 – фрезерование внутреннего контура окончательно концевой фрезой ø16, R4, l 30, Р6М5 ГОСТ 23247-78. Контроль производится посредством ШК, штангенциркуля ШЦ-I-125-0,1 ГОСТ 166-89, стенкомера С-10Б-0,1 ГОСТ 11358-89, радиусамера ГОСТ 4126-82 и фаскамера МН 5091-6098 Схема установок
1.3 Выбор элементов базирования и зажима заготовки Для полного базирования заготовки в приспособлении элементы базирования должны лишить заготовку шести степеней свободы (правило “шести точек”). В качестве установочной базы принимается ступенчатый ложемент в виде плиты, конфигурация которого должна соответствовать конфигурации детали. Ложемент лишает заготовку трёх степеней свободы. В качестве направляющей базы принимается цилиндрический палец ø9f7, который лишает заготовку двух степеней свободы. И, наконец, срезанный палец ø9f7 лишает заготовку шестой степени свободы, выполняя функцию опорной базы. Указанные пальцы запрессованы в ложемент. Для ориентации приспособления относительно координатных осей стола станка в плиту приспособления запрессовываются два цилиндрических пальца: ø30g6, который войдет в центральную втулку стола станка и ø22g6, который войдет в центральный паз стола. Для зажима заготовки применяются плоские прихваты в количестве пяти штук, расположенные по контуру заготовки и работающие от гидроцилиндров толкающего типа. 1.4 Схема нагрузок Схема нагрузок составляется для определения силы зажима заготовки W. Для построения схемы нагрузок вычерчивается упрощенный контур детали, относительно которого располагаются прихваты, которые обеспечивают зажим заготовки в данном установе, остальные прихваты показывают смещенными относительно заготовки. Причем выбирается тот установ, при котором работает минимальное количество прихватов, а главная сила резания Pz максимальна (черновое фрезерование при большой ширине фрезерования В). Показывается фреза с векторами сил резания Pz и Pос в том месте, где они максимальны. Сила Pос за счет правой винтовой канавки фрезы стремится оторвать заготовку от ложемента. В точках зажима прихватами показывают векторы сил трения на станках между ложементом и заготовкой F1, F2 и т.д., которые создаются при зажиме прихватами направленные встречно силе Pz. Схема нагрузок
1.5 Расчет силы зажима Если расчет вести обычным способом при большом количестве работающих прихватов, получится статически неопределимая система. Поэтому расчет ведется по типу расчета заклепочных соединений. Составляется уравнение сил, на схеме нагрузок: (Pz+Poc·f)·Кз=с1 ·F1 +c2 ·F2 Тогда из уравнения определяется сила зажима заготовки W:
Pz – максимальная сила резания, согласно заданию 890 Н; ω - подъема винтовой канавки концевой фрезы для обработки материала В95пч фрезой из быстрорежущей стали Р6М5 – ω= 30°; f - коэффициент трения на стыке между ложементом и заготовкой, f=0,15;
с1 и c2 – коэффициенты, которые учитывают нагружение прихватов; с1 – всегда равен 1; с2 =1/2. Последующие коэффициенты определяются по формуле:
к – порядковый номер работающего прихвата; n – общее количество работающих прихватов в установе.
1.6 Определение размеров элементов зажима заготовки Исходя из прочности материала шпильки и при одинаковой длине плеч прихвата b, диаметр резьбы шпильки определяется по формуле:
W – сила зажима – 1013 кг
Принимается шпилька с резьбой М16. 1.6.2. Определение размеров прихвата.
Ширина прихвата B принимается (3…3,5)dшп B=3·dшп =3·16=48 мм Высота прихвата h принимается (1,1…1,3)dшп h=1,2·dшп =1,2·16=19 мм Ширина прихвата L принимается (6…10)dшп L=7·dшп =7·16=112 мм Ширина паза b= dшп =16 мм Длина паза зависит от величины смещения прихватов при выполнении установа. l = dшп +c=16+39=55 мм с – максимальная величина смещения прихватов с = Dмакс +к+1=28+10+1=39 мм Dмакс – максимальный диаметр фрезы – 28 мм к – максимальная длина контакта прихвата с заготовкой – 10 мм (в установах А и Б) Размер l 1 определяется при выполнении компоновки, он должен быть ≥ 6 мм. По ГОСТ 12937-67 принимаются плоские передвижные прихваты. 1.7 Выбор гидроцилиндров Гидроцилиндры по сравнению с пневмоцилиндрами имеют следующие преимущества: развивают большую силу зажима при минимальных диаметральных размерах; высокая стабильность силы зажима, что даёт возможность исключить погрешность закрепления; высокое быстродействие. Для данной схемы закрепления заготовки принимаются толкающие гидроцилиндры двухстороннего действия. Определяем диаметр цилиндра по формуле:
D – диаметр цилиндра - см W – сила зажима - 1013 кг p – давление в цилиндре 100 кг/см2 η – КПД - 0,85.
По нормали МН 2251-61 принимается гидроцилиндр ближайшего большего значения с в = 40 мм, с длиной хода штока 15 мм. Нормаль предусматривает ряд диаметров: 40,50,60,80,100 мм с минимальной длиной 70 мм. В штоке имеется резьбовое отверстие М12 для установки шпильки с минимальным выступанием 10 мм, в крышке имеется резьбовое отверстие – М12 для крепления цилиндра. Рабочее давление P = 10МПа (100кг/см2 ).
Гидроцилиндры по ОСТ 2Г22-3-86 (см. приложение) работают при давлении Р = 6 МПа (60кг/см2 ) и имеют ряд диаметров: 40,50,63 мм с минимальной длиной – 23 мм. Если принимать цилиндры по ОСТ, то он будет иметь больший диаметр и длину, а значит, толщина ложемента при небольшой высоте детали получится значительно больше. Гидроцилиндры по ГОСТ 19899-74 имеют только резьбовое крепление корпуса цилиндра, что неприемлемо для данного приспособления. Если принимать гидроцилиндры тянущего типа, то диаметр рассчитывается по формуле:
W – сила зажима - Н Р – рабочее давление - Па η – КПД - 0,85. 1.8 Расчет на прочность “слабых” звеньев конструкции Слабым звеном конструкции является прихват, ослабленный пазом при работе на изгиб. Напряжение при одинаковой длине плеч прихвата (см.п. 1.6) определяется по формуле:
W – сила зажима – 1013 кг l – длина плеча – см W’ – момент сопротивления сечения прихвата – см3
L – длина прихвата 112 мм (см.п.1.6.2) dшп – диаметр шпильки в штоке цилиндра – 12 мм к – максимальная длина контакта прихвата с заготовкой – 10 мм (в установах А и Б) е – величина отступа шпильки цилиндра от торца прихвата – 2 мм
B – ширина прихвата 4,8 см b – ширина паза 1,6 см h – толщина прихвата 1,9 см
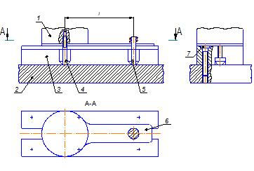
Расчет удовлетворяет прочности прихвата. 1.9 Графическая компоновка приспособления Графическая компоновка приспособления выполняется на миллиметровой бумаге стандартного форматы. Количество видов, разрезов и сечения должно быть достаточным для представления формы входящих деталей и узлов. Для выполнения эскиза компоновки приспособления необходимо: - вычертить эскиз детали штрихпунктирной линии с двумя точками, причем элементы конструкции детали, которые не выполнены до данной операции не вычерчиваются, деталь считается прозрачной; - относительно контура детали вычерчиваются элементы базирования и зажима заготовки: ложемент, конфигурация которого должна соответствовать конфигурации детали, цилиндрический и срезанный палец, прихваты, гидроцилиндры, шпильки, пружины, шайбы и гайки; - вычерчивается плита приспособления, размеры которой для уменьшения металлоемкости должны быть минимальны, толщина плиты принимается - на плите размещают два цилиндрических базовых пальца ø30g6 и ø22g6 (см. приложение) четыре рым-болта для транспортировки приспособления; - если требуется большая величина смещения прихватов, то вычерчиваются направляющие 3, которые образуют Т-образный паз для одновременного смещения цилиндра 1, вместо шпильки болта 5 и прихвата с установкой обоймы 6 для фиксации постоянного межцентрового расстояния l между цилиндром и центральным болтом (Рис.1); направляющие 3 крепятся к плите 2 винтами 7, цилиндр 1 без натяга крепиться болтами с лысками 4; - вычерчивают штифты для фиксации ложемента, крепежные винты; - указывается место маркировки; - проставляются номера позиции и узлов; - проставляются позиционные, посадочные, монтажные и габаритные размеры; - представляются технические требования; - составляется спецификация.
1.10 Конструкция и работа приспособления Приспособление состоит из плиты 2, на которой размещается ступенчатый ложемент 3, который фиксируется двумя штифтами 6 и крепится на плите винтами 7. В плиту запрессованы два цилиндрических пальца 4, 5 для ориентации приспособления на столе станка. На ложементе размещается цилиндрический палец 15 и срезанный 16 для базирования заготовки. Для зажима заготовки предусмотрены прихваты 14, шпильки 9, пружины 13, гайки 10, сферические шайбы 12 и гидроцилиндры 1. На плите размещены рым-болты 17 для транспортировки приспособления. После установки приспособления на столе станка и закрепления его посредством болтов и гаек через Т-образные пазы стола на ложемент через базовые пальцы устанавливается заготовка. Прихваты, работающие в установе А сдвигаются на плоскость уха и стенки заготовки. Включается четырехпозиционный распределитель в требуемую позицию, поворачивается кран управления. Тогда масло от гидростанции высокого давления через гибкий шланг, кран управления, распределитель, шланг и трубопроводы будет поступать в нижние полости двух гидроцилиндров – штоки гидроцилиндров смещаются вверх, воздействуя через шпильки, ввернутые в штоки на два прихвата. Прихваты поворачиваются относительно сферических шайб, прижимаю заготовку к ложементу. Для перехода на установ Б поворачивается кран управления – масло поступает в верхние полости цилиндров, смещая штоки вниз, пружины прижимают прихваты до горизонтального положения. Исполнитель отодвигает их от заготовки, смещает прихваты, работающие в установе Б на торцы полок заготовки (см. схему установов), переключает распределитель в другую позицию, поворачивает кран управления, программа отрабатывает установ Б и так далее до установа Г включительно, после чего заготовка снимается. 1.11 Расчет погрешности базирования Погрешность базирования при установке заготовки на цилиндрический и срезанный палец определяется по формуле:
L- расстояние между пальцами 74 мм
|
||||||||||||||||||||||||
| Δ | Н | W | Δк |
| мкм | |||
| 50-100 | 8 | 10 | 8 |
| 100-160 | 10 | 12 | 10 |
| 160-250 | 12 | 16 | 12 |
| 250-400 | 16 | 20 | 16 |
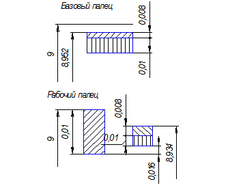
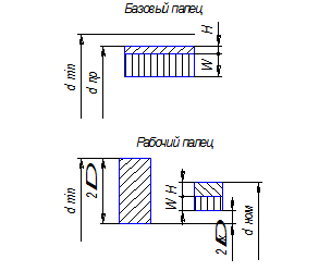
dном = 9-2·0,05+2·0,008+0,01+0,008=8,934 мм

2.2 Конструкция и эксплуатация контрольного приспособления
Контрольное приспособление предназначено для контроля межцентрового расстояний отверстий. Калибр состоит из планке, в которую запрессованы базовый измерительный палец (он должен иметь большую длину), а также рабочий палец. В планку запрессована или посажена резьбовым соединением ручка с сетчатыми рифлениями, на ней имеется лыска для маркировки. Предварительно контролируются диаметры выполненных отверстий в заготовке калибр-пробками. В случае положительных результатов контроля производится контроль межцентрового расстояния контрольным приспособлением. Для этого вводится базовый палец в отверстие, а далее и рабочий, если он проходит, то межцентровое расстояние выполнено в допуске.
3. Литература
1. Кузнецов Ю.И. и др. Оснастка для станков с ЧПУ. – М.: Машиностроение. 1990.
2. Белоусов А.П. Проектирование станочных приспособлений. – М.: Высшая школа. 1980.
3. Ансеров М.А. Приспособление для металлорежущих станков. – Л.: Машиностроение. 1975.
4. Плотицын В.Г. Наладка фрезерных станков. – Л.: Машиностроение. 1975.
5. Корсаков В.С. Основы проектирования приспособлений. – М.: Машиностроение. 1983.
6. Справочник технолога-машиностроителя под ред. Косиловой А.Г. и Мещерякова Р.К. – М.: Машиностроение. 1985.
7. Горошкин А.К. Приспособления для металлорежущих станков. – М.: Машиностроение. 1979.
8. Кутай А.К. Справочник по производственному контролю в машиностроении. – Л.: Машиностроение. 1974.
9. Кутай А.К. Справочник контрольного мастера. Лениздат. 1980.
10. Городецкий Ю.Г. Конструкция, расчет и эксплуатация измерительных инструментов и приборов. – М.: Машиностроение. 1971.
11. Допуски и посадки. Справочник. Под ред. Мягкова В.Д. – Л.: Машиностроение. 1978.







