Реферат: Физико-химические основы процесса пайки
|
Название: Физико-химические основы процесса пайки Раздел: Промышленность, производство Тип: реферат |
БЕЛОРУССКИЙ ГОСУДАРСТВЕННЫЙ УНИВЕРСИТЕТ ИНФОРМАТИКИ И РАДИОЭЛЕКТРОНИКИ кафедра ЭТТ реферат на тему: «ФИЗИКО-ХИМИЧЕСКие основы ПРОЦЕССА ПАЙКИ » МИНск, 2008 Пайкой называется процесс соединения материалов в твердом состоянии путем введения в зазор легкоплавкого металла — припоя, взаимодействующего с основными материалами и образующего жидкую металлическую прослойку, кристаллизация которой приводит к образованию паяного шва. Для образования качественного паяного соединения необходимо: · подготовить поверхности соединяемых деталей; · активировать материалы и припой; · удалить оксидные пленки в зоне контакта; · обеспечить взаимодействие на межфазной границе раздела; · создать условия для кристаллизации жидкой металлической прослойки. Подготовка поверхностей деталей к пайке включает механическую, химическую или электрохимическую очистки от оксидов, загрязнений органического и минерального происхождения, а также нанесение покрытий, улучшающих условия пайки или повышающих прочность и коррозионную стойкость паяных соединений. Удаление продуктов коррозии и оксидных пленок механическим способом производят с помощью режущего инструмента (напильника, шлифовального круга, шабера), а также наждачной бумаги, проволочной сетки. Для повышения производительности при обработке протяженных или сложнопрофилированных изделий применяют гидроабразивную очистку с помощью струи жидкости или вращающихся щеток из синтетического материала с добавлением в моющий состав абразивных частиц. Образование шероховатой поверхности после механической обработки способствует увеличению растекания припоя, так как риски на поверхности являются мельчайшими капиллярами. Удаление поверхностных пленок, препятствующих смачиванию расплавленным припоем, осуществляется как химическими, так и электрохимическими способами. Химическое обезжиривание деталей проводят в 5 % -м растворе щелочи или в органических растворителях (ацетон, бензин, спирт, четыреххлористый углерод), спиртобензиновых и спиртофреоновых смесях путем протирки, погружения, распыления, обработки в паровой фазе или ультразвуковой ванне. Для ультразвукового обезжиривания используют ванны УЗВ-0,1, УЗВ-0,25, УЗВ-0,4, работающие на частотах 18—22 кГц в докавитационном режиме, который обеспечивает получение интенсивных микропотоков в моющей жидкости, что гарантирует высокое качество очистки мелких деталей и ускоряет процесс в 5—10 раз. Толстые слои оксидных пленок удаляют травлением в растворах кислот или щелочей. Состав раствора определяется видом металла, толщиной оксидной пленки и требуемой скоростью травления. Электрохимическое травление ускоряет процесс растворения оксидных пленок и проводится при плотности тока 2—5 А/дм2 . После травления детали тщательно промывают в нейтрализующих растворах. Очищенные детали необходимо немедленно направлять на сборку и пайку, так как паяемость меди сохраняется 3—5 сут, а серебра 10—15 сут. Поэтому для обеспечения межоперационного хранения деталей и компонентов ЭА на их поверхности наносят металлические покрытия, которые улучшают процесс смачивания припоем и сохраняют паяемость в течение длительного времени. В качестве таких покрытий используют легкоплавкие припои (ПОС 61, ПОСВ 33 и др.), сплавы олова с висмутом или никелем, золото, серебро, палладий и другие металлы, которые наносят погружением в расплав, гальваническим или термовакуумным осаждением, а также плакированием. При первом методе погружение производят в расплавы припоев после предварительного флюсования. Гальванические покрытия благородными металлами наносят толщиной 3—6 мкм, остальными — 6—9 мкм. Пленки, полученные термовакуумным осаждением, отличаются высокой равномерностью, отсутствием окисления покрытия, однако имеют малую толщину (0,1—1,0 мкм). Плакирование осуществляется совместной прокаткой паяемого металла и металла покрытия; при этом обеспечивается равномерная толщина покрытия (100—150 мкм). После выполнения подготовительных операций или межоперационного хранения контролируется пригодность деталей к пайке путем оценки паяемости. Активация паяемых поверхностей необходима для физико-химического взаимодействия атомов основного металла и припоя. Существуют три способа переноса энергии в форме теплоты: теплопроводностью, конвекцией и излучением. Перенос теплоты при пайке паяльником осуществляется за счет теплопроводности паяльного жала, которое служит аккумулятором теплоты, выделяемой нагревателем. Скорость нагрева паяльником зависит от температуры жала и количества теплоты, аккумулированного жалом (4—8 кДж). Удельная мощность, выделяемая в зоне пайки деталей паяльником, не превышает 1·104 Вт/м2 . Пайка расплавленным припоем осуществляется путем контакта паяемых деталей с обширной поверхностью расплава, аккумулирующего значительно большее количество теплоты, чем паяльник, поэтому удельная мощность при этом достигает 106 Вт/м2 , что сокращает время пайки. При газопламенном нагреве пламя горелки является конвективным теплообменным источником нагрева. Для газопламенной пайки, сварки, резки мелких деталей с высокой температурой плавления применяют аппараты с водородной микрогорелкой, в основу работы которых положен принцип электролиза воды электрическим током. Аппарат представляет собой настольный переносной прибор, состоящий из электролизера, смесителей, дополнительного смесителя, панели управления, горелки. Для увеличения проводимости в дистиллированную воду добавляют химически чистый едкий калий. В результате прохождения электрического тока из раствора выделяются водород и кислород. В смесителе после прохождения через водный затвор смесь насыщается парами бензина (спирта или ацетона) и поступает в горелку. Управление электролизом воды осуществляется с помощью электронного регулятора мощности. Горелка формирует необходимый факел пламени и снабжается быстросъемными наконечниками. При газопламенном нагреве возможен пережог деталей, окисление припоя вследствие неравномерности температурного поля в зоне нагрева. Более перспективны бесконтактные способы нагрева паяемых деталей различными видами излучений. При пайке излучением высокой частоты (ВЧ) в деталях индуцируются токи, которые проходят главным образом в поверхностном слое толщиной δ и разогревают детали до необходимой температуры. Глубина проникновения токов ВЧ
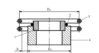
где ρ , μ — соответственно удельное электрическое сопротивление и магнитная проницаемость металла; f — частота тока. Поскольку глубина проникновения зависит от частоты, то для толстостенных деталей (2—5 мм) применяют низкочастотный нагрев (66 кГц), для тонкостенных — ВЧ-нагрев (440; 1760 кГц). Скорость нагрева пропорциональна Технологической оснасткой при ВЧ-пайке является индуктор, представляющий собой катушку из нескольких витков полой медной трубки, по которой в процессе нагрева интенсивно прокачивается охлаждающая жидкость — вода. Витки индуктора располагаются вблизи нагреваемых деталей (рис. 2). Эффективность нагрева повышается, если в зоне нагрева образовать электрический короткозамкнутый контур с малым удельным электрическим сопротивлением, расположенный вдоль паяемого соединения и выполненный в виде локального покрытия (медного, серебряного) толщиной 20—30 мкм либо специальной оправки.
1, 4 детали; 2 припой; 3 индуктор; D и ,D д диаметр индуктора и детали рис. 2. Схема нагрева токами ВЧ: Воздействие СВЧ-излучения мощностью 5—10 Вт на атмосферу рабочего газа (аргона) приводит к его ионизации, что дает возможность получать плазменный стержень тлеющего разряда диаметром 0,1—10 мм с температурой до 1000 °С. СВЧ-излучение от магнетронного генератора непрерывного действия мощностью 5—10 Вт возбуждают в волноводно-коаксиальном тракте, в который подают аргон с небольшой добавкой водорода со скоростью 1—5 л/мин. С помощью плазменного стержня практически безынерционно можно вести пайку планарных выводов микросхем к контактным площадкам плат. Недостатком метода является значительный градиент температур как по длине стержня, так и в радиальном направлении. Инфракрасное (ИК ) излучение применяют для бесконтактного нагрева деталей в различных средах: на воздухе, в контролируемой атмосфере, в вакууме. Инфракрасное тепловое излучение находится в диапазоне длин волн 0,76—1000 мкм, однако наибольшая эффективность (75 %) приходится на коротковолновый поддиапазон 0,75—3,0 мкм. Падающее на паяемую поверхность ИК-излучение вследствие поглощения незначительно проникает вглубь металла, частично отражаясь от его поверхности. Отражательная способность гладких поверхностей чистых металлов зависит от их удельного электрического сопротивления и температуры поверхности:
Для полированных поверхностей из серебра, алюминия коэффициент отражения составляет 95 %, поэтому они используются для изготовления рефлекторов ИК-установок. Неотраженная часть излучения поглощается рефлектором, и в установках предусматривают его водяное или воздушное охлаждение (рис. 3). В качестве источников ИК-энергии используются галогенные кварцевые лампы мощностью 500—2000 Вт. Галогенные (йодные, галоидные) лампы изготавливаются из кварцевого стекла и имеют вольфрамовую спираль с рабочей температурой порядка 3000 о С и сроком службы 2000—5000 ч.
1 рефлектор; 2 ИК-лампа; 3 маска; 4 деталь рис. 3. Схема ИК-нагрева В процессах пайки широкое применение получили два вида ИК-нагрева: локальный сфокусированный и прецизионный рассеянный. Для локального нагрева целесообразны отражатели эллиптической формы, фокусирующие излучение источника, помещенного в ближнем фокусе рефлектора, на объект нагрева в дальнем фокусе (рис. 4, а ). Для прецизионного нагрева используют параболические (рис. 4, б ) либо овально-цилиндрические с сопловыми насадками рефлекторы (рис. 4, в ).
рис. 4. Типы отражателей ИК-излучения К достоинствам пайки ИК-излучением следует отнести: бесконтактный подвод энергии к паяемым деталям, точную регулировку времени и температуры нагрева, локальность нагрева в зоне пайки. Недостатки процесса — затруднение при флюсовой пайке, так как испаряющийся флюс загрязняет лампы и рефлекторы, отсутствие серийно выпускаемого оборудования. Оптическое излучение в диапазоне длин волн 0,7—10,6 мкм, генерируемое различными типами лазеров, является удобным, надежным и экономичным видом бесконтактного нагрева. В технологии пайки используют лазерные установки, основным элементом которых является оптический квантовый генератор (ОКГ), создающий мощный импульс монохроматического когерентного излучения. Пайка лазерным излучением не требует вакуума и позволяет соединять изделия из разнотолщинных элементов. В процессах пайки используют как непрерывное, так и импульсное лазерное излучение. Процессы пайки ЭРЭ и микросхем на печатные платы с помощью лазерного излучения, получаемого от твердотельного ОКГ на алюмоиттриевом гранате (АИГ) мощностью до 125 Вт с λ = 1,06 мкм, отличаются высокой производительностью. Для качественной пайки выводов микросхем к контактным площадкам печатных плат необходимо, чтобы плотность потока излучения составляла 1,95—2,0 Дж/мм2 . Перемещение печатной платы со скоростью 8 мм/с обеспечивает производительность процесса 400—440 паек в минуту. Процесс пайки может быть легко автоматизирован путем применения координатного стола и системы ЧПУ, осуществляющей управление столом и мощностью излучения. Лазерное излучение не влияет на электроизоляционные свойства диэлектриков, если средняя плотность потока не превышает 3,4 и 2,8 Дж/мм2 для материалов СФ-2-50 и ФТС соответственно. Для низкотемпературной пайки за рубежом используют установки многоточечной пайки с голографическим делением луча (рис. 5). В этом случае луч лазера, генерируемый ОКГ 1 , с помощью телецентрической оптики 2 сначала расширяется до значительного диаметра, а затем направляется как плоскопараллельный поток на голограмму 3 . Отражаясь от плоского зеркала 4 , лучи направляются на участки пайки 5 с высокой степенью локальности. Для каждого процесса пайки необходима специальная голограмма, содержащая информацию о том, на какое количество элементарных лучей должен быть разложен пучок и в каких точках сфокусирован каждый из них. Для пайки легкоплавкими припоями изделий электронной техники достаточна мощность 5 Вт, выделяемая в зоне протекания процесса. Одним импульсом промышленного лазера мощностью 20—50 Вт можно осуществлять пайку одновременно в нескольких точках. При использовании лазерных установок целесообразно применять в качестве припоев покрытия, которые, оплавляясь, образуют соединения.
рис. 5. Схема лазерной пайки В обычном состоянии поверхность металлов покрыта оксидными пленками. Нагрев основного металла и расплавленного припоя приводит к тому, что их активность снижается вследствие взаимодействия с кислородом воздуха и ростом оксидных пленок на поверхности. Удаление оксидных пленок в процессе пайки является необходимым условием получения качественных паяных соединений. Константа равновесия реакции окисления металла К р зависит от давления паров кислорода в окружающей среде при данной температуре:
где Р
Ме
, Уменьшив парциальное давление кислорода и увеличив температуру среды, можно сместить равновесие реакции в сторону разложения (диссоциации) оксида. Однако полное разложение оксидов металла (например, олова, меди) происходит при очень низком давлении (10–6 —10–8 Па) и температуре 600—700 °С. При нагреве металлов в активных (восстановительных) газовых средах, в качестве которых используют азотно-водородную смесь или добавку оксида углерода, происходит восстановление оксидов металлов активными компонентами газовых сред по реакциям:
Недостатком такого процесса является взаимодействие водорода с расплавленным припоем, что приводит в ряде случаев к появлению водородной хрупкости, образованию пор, трещин и других дефектов. Суть механического удаления оксидных пленок с паяемой поверхности заключается в их разрушении под слоем жидкого припоя с помощью режущего или абразивного инструмента, при этом припой защищает паяемую поверхность от воздействия кислорода воздуха и вступает с ней в физический контакт. В качестве режущего и абразивного инструмента используют металлические щетки, сетки, а в качестве материалов — порошки из твердых материалов, асбест, вводимые в припой в мелкоизмельченном виде. Недостатки метода — низкая производительность, неравномерность удаления оксидных пленок, загрязнение припоя частицами абразива. Самым распространенным способом удаления оксидов в процессе пайки является флюсование . Флюс как химический реагент имеет два основных назначения: очистить поверхность металла от оксидов; уменьшить поверхностное натяжение припоя и угол смачивания. Типичные представители активных флюсов содержат в качестве растворителя воду или спирты, активаторами являются неорганические и органические кислоты либо их соли, например соляная или фосфорная кислота, неорганические соли (ZnCl2 , NH3 Cl, SnCl2 , CuCl и др.). При взаимодействии хлористого цинка и воды образуется соляная кислота, которая растворяет оксиды на поверхности металла:
В результате образуется хлористая медь, которую ввиду ее хорошей растворимости в воде необходимо удалять с поверхности детали. Поскольку флюс на основе хлористого цинка обладает высокой активностью, его остатки оказывают коррозионное воздействие и должны тщательно удаляться. Самофлюсование заключается в том, что в состав припоев вводят раскислители (бор, фосфор, литий, калий, натрий), обладающие восстановительными свойствами:
Примером являются припои систем Сu—P, Cu—Mn—Ni—B (ВПр4), которые используются при пайке сталей в нейтральных газовых средах или вакууме. Ультразвуковое удаление оксидных пленок основано на введении упругих механических колебаний частотой 18—45 кГц в расплавленный припой и создании в нем кавитации, а также ряда сопутствующих явлений: звукового давления, микро- и макропотоков. Кавитацией называется явление возникновения, развития и захлопывания газовых полостей в жидкой среде. Реальные жидкости и расплавы содержат нерастворимые примеси, на поверхности которых в трещинах и углублениях могут находиться нерастворенные пузырьки газа размером 10–6 —10–7 м. При введении в расплав УЗ-колебаний интенсивностью 104 Вт/м2 эти зародыши кавитации начинают пульсировать с частотой колебаний. Их количество увеличивается за счет образования разрывов в жидкой среде при интенсивностях ультразвука более 2·104 Вт/м2 . При захлопывании пузырька сконцентрированная в ничтожно малом объеме кинетическая энергия трансформируется частично в силовой импульс и частично в тепловую энергию. Из центра захлопнувшегося пузырька распространяется ударная сферическая волна, давление в которой на расстоянии, равном 10R 0 (по расчетным данным), составляет 150 Па, а температура — 1000 °С и выше. Захлопывание кавитационных полостей и создание микропотоков в расплавленном припое приводят к удалению оксидных пленок с поверхности металла, что позволяет осуществлять пайку и лужение труднопаяемых металлов: алюминия, магния и никеля, тугоплавких металлов и сплавов на их основе. Генерация упругих механических колебаний УЗ-частоты осуществляется магнитострикционными и пьезоэлектрическими преобразователями с частотой колебаний 22 и 44 кГц и амплитудой колебаний 10—25 мкм. Преобразователи встраиваются в ванны и паяльники, излучающие поверхности которых изготавливаются из кавитационно-стойких материалов (нержавеющие стали, титановые сплавы). Электрическая мощность установок для УЗ-пайки не превышает 0,4—2,5 кВт. Время пайки или лужения составляет 5—10 с, скорость перемещения излучателя паяльника (0,8—1,6)·10–2 м/с, а оптимальный зазор между торцом излучателя и паяемой поверхностью 0,2—3,0 мм (рис. 7).
1 окисел; 2 припой; 3 излучатель паяльника; 4 кавитационный пузырек; 5 шлак; 6 металл Рис. 7. Схема ультразвуковой пайки С помощью УЗ-металлизации удается соединять непаяемые материалы — керамику, стекло, ферриты и др. Однако это требует специальных припоев, объективного контроля режимов процесса (амплитуды и частоты колебаний), а также специальных мер против повышенного окисления припоя. Плазмохимический способ заключается в использовании энергии потока ускоренных ионов активных газов, получаемых в вакууме при ионно-плазменном или магнетронном распылении. Воздействие ионного луча на поверхность металла приводит к испарению оксидной пленки в зоне обработки. Недостатком является необходимость высокого вакуума, сложного технологического оборудования, что ограничивает применение метода. Взаимодействие на границе "основной металл — жидкий припой" связано с процессами смачивания и растекания припоя по паяемой поверхности. Процесс смачивания основного металла припоем состоит в замене межатомных связей, возникших между металлами в твердой фазе, на металлическую связь атомов на границе раздела между ними. При этом взаимодействие сил поверхностного натяжения определяет контактный угол смачивания q (рис.6.11). Условию равновесия капли на поверхности отвечает минимум свободной поверхностной энергии Е п , под которой понимают избыток энергии поверхностных атомов вследствие несбалансированности сил связи в решетке. При этом изменение поверхностной энергии описывается уравнением Юнга:
Из этого выражения следует, что
Величина cosq служит параметром для количественной оценки степени смачивания: 1) полное смачивание при cos q = 1, q = 0; 2) ограниченное смачивание при 0 < cos q£ 1 (0 £q£ 90o , σ2,3 £ σ 1,3 ); 3) несмачивание при –1 £ cos q < 0 (90o £q < 180o , σ 2,3 > σ 1,3 ). Работа сил адгезии W а связана с образованием межфазной границы с энергией σ 2,3 вместо единичных поверхностей с энергиями σ 1,2 и σ 1,3 :
Для преодоления сил сцепления частиц внутри самой жидкости (сил когезии) необходимо затратить работу сил когезии по образованию двух единичных поверхностей жидкости с энергиями σ 1,2 , т. е.
С учетом приведенных выражений можно получить формулу
Жидкие металлы и сплавы обладают более высоким поверхностным натяжением, чем неметаллические жидкости. Так, для припоя типа ПОС 61 σ1,2 = 0,5 Н/м, что на порядок превышает поверхностное натяжение воды. В этом случае образование связи под действием сил Ван-дер-Ваальса не может обеспечить смачивание. Для выполнения при пайке условия смачивания на межфазной границе должны образовываться высокоэнергетические межатомные связи химической природы с большой работой сил адгезии W а (металлические, металло-ковалентные и др.). Реальные пути улучшения смачивания заключаются в применении защитных газовых сред (снижение σ1,2 ) и более тщательной очистке контактирующих поверхностей твердой и жидкой фаз от оксидных пленок (снижение σ2,3 ).
1 газ; 2 припой; 3 основной металл рис.8. Схема равновесия сил поверхностного натяжения При рассмотрении условий равновесия системы "припой—основной металл" во флюсовой среде вместо σ1,2 вводят σ2,4 (межфазное натяжение на границе "флюс—основной металл"). При этом σ2,4 < σ1,2 , σ3,4 < σ1,3 , а уравнение для краевого угла имеет вид
Для реализации условия смачивания в данном случае необходимо вытеснение припоем прореагировавшего флюса по мере удаления оксидной пленки с поверхности основного металла, что выполняется при σ2,3 < σ3,4 . При достаточном химическом сродстве компонентов основного металла и припоя энергия s2,3 мала, а работа W а велика. В этом случае реализуется второе условие смачивания: W а > σ2,4 .
1 газ; 2 флюс; 3 припой; 4 основной металл рис. 9. Схема равновесия сил поверхностного натяжения во флюсовой среде Растекание припоя по поверхности основного металла происходит в результате взаимодействия сил поверхностного натяжения и сопровождается сближением жидкой и твердой фаз. Коэффициент растекания определяется из условия разности работ сил адгезии и когезии:
При смачивании и растекании припой заполняет зазоры между соединяемыми деталями, образуя мениски вблизи вертикальных стенок и проявляя тем самым капиллярные свойства. Разность давлений, действующих на искривленную поверхность жидкости, называют капиллярным давлением p к , которое определяется уравнением Лапласа:
где p 1 , p 2 — давление жидкости для выпуклой и вогнутой поверхностей соответственно; R 1 , R 2 — радиусы кривизны рассматриваемого элемента поверхности. Для выпуклой поверхности Р к считают положительным и направленным внутрь жидкости, для вогнутой поверхности Р к отрицательно и направлено наружу от поверхности жидкости. При малом диаметре D капилляра свободная поверхность жидкости имеет форму сферы (рис. 10) радиусом
Подставив значение радиуса мениска в уравнение Лапласа, получим
Разность давлений p 1 – p 2 уравновешивается столбом расплавленного припоя высотой h :
Из уравнений видно, что высота подъема припоя в капилляре круглого сечения прямо пропорциональна его поверхностному натяжению и смачивающей способности и обратно пропорциональна диаметру капилляра и плотности припоя:
Отличие расплавов припоев от обычных жидкостей состоит в том, что жидкий припой представляет собой систему, состоящую из нескольких компонентов, и в процессе его растекания происходит физико-химическое взаимодействие компонентов и основного металла, дополнительное растворение элементов основного металла в припое, взаимодействие с газовыми и флюсующими средами. При вытеснении припоем флюса из капилляра высота подъема припоя будет определяться выражением
В горизонтальном капилляре шириной h для припоя с вязкостью h время затекания t на длину капилляра l определяется следующим образом:
На втором этапе физико-химического взаимодействия припоя и основного металла основную роль играют процессы диффузии. Теоретически процесс диффузии при постоянной температуре и стационарном во времени потоке вещества описывается первым уравнением Фика:
где m — количество диффундирующего вещества; D — коэффициент диффузии; С — концентрация вещества; x — координата. Минус указывает на то, что процесс диффузии идет в направлении уменьшения концентрации вещества.
рис. 10. Схема подъема жидкости в капилляре В реальных условиях скорость диффузии — величина переменная во времени, поэтому процесс диффузии описывается вторым уравнением Фика:
где Коэффициент диффузии зависит от температуры:
где D 0 — коэффициент, зависящий от типа кристаллической решетки; Q — энергия активации диффузии; R — универсальная газовая постоянная: R = 8,31 кДж/(кмоль·град); Т — абсолютная температура. Для практических целей решение второго уравнения Фика имеет вид
где Сх — концентрация диффундирующего вещества на глубине x от поверхности; С 0 — концентрация элемента на поверхности; Ф — интеграл функции ошибок Гаусса. На скорость процесса диффузии помимо температуры оказывает влияние состояние металла. Наклеп, сопровождающийся искажением кристаллической решетки и появлением вакансий, увеличивает диффузию по границам зерен и вдоль дислокации, что приводит к увеличению диффузионной зоны. Диффузионные процессы при пайке позволяют увеличить механическую прочность соединений, однако образование интерметаллидных соединений в спае типа Cu3 Sn, AuSn2 при глубокой взаимной диффузии компонентов вызывает снижение прочности паяных соединений. Процесс кристаллизации при пайке сопровождается затвердеванием жидкой металлической прослойки расплавленного металла, находящегося в зазоре. Основными особенностями кристаллизации при пайке являются: · неравновесность процесса, т. е. отсутствие выравнивания состава в жидкой фазе, что приводит к выделению в паяном шве наряду с легкоплавкими тугоплавких фаз повышенной хрупкости; · влияние основного металла, которое проявляется в эпитаксиально-ориентированной кристаллизации зерен припоя вблизи поверхности основного металла; · ярко выраженная ликвация в паяном шве — появление зональных неоднородностей, дендритных образований, отличающихся меньшей прочностью; · зависимость характера кристаллизации от объема припоя в зазоре. Для получения надежных паяных соединений применяют эвтектические припои с узкой зоной кристаллизации, а также уменьшают время кристаллизации, что способствует получению мелкозернистой структуры спая. В результате физико-химического взаимодействия припоя и основного металла образуется паяное соединение с определенной структурой. Паянный шов включает зону сплавления (припой) и образовавшиеся диффузионные зоны на границе между припоем и основным металлом (рис. 11.). Конечная структура и состав паяного соединения зависят от природы взаимодействующих металлов, их химического сродства, времени и температуры пайки. Различают следующие спаи: · бездиффузионный , в котором существующими методами анализа не удается обнаружить зоны диффузии; такой спай образуется между металлами со слабым химическим сродством, низким коэффициентом взаимной диффузии, малым временем пайки и ограниченной температурой (например, соединение Fe—Sn); · растворно-диффузионный , в котором реагирующие компоненты образуют твердые растворы или промежуточные фазы (интерметаллиды, например Au—Sn, Ag—Sn и др.); · контактно-реакционный , который возникает при контакте металла с полупроводником; в результате образуется эвтектический сплав с низкой температурой плавления (Au—Si).
1,5 соединяемые детали; 2,4 зоны диффузии; 3 припой рис. 11. Структура паяного соединения ЛИТЕРАТУРА 1. Гелль П.П., Иванов-Есипович Н.К. Конструирование и микроминиатюризация радиоэлектронной аппаратуры: Учебник для вузов. - Спб.: Энергоатомиздат, Ленингр. отд. - 2004. - 536 с. 2. Технология поверхностного монтажа: Учеб. пособие / Кундас С.П., Достанко А.П., Ануфриев Л.П. и др. – Мн.: «Армита - Маркетинг, Менеджмент», 2000. 3. Технология радиоэлектронных устройств и автоматизация производства: Учебник/ А.П. Достанко, В.Л.Ланин, А.А. Хмыль, Л.П. Ануфриев; Под общ. ред. А.П. Достанко. – Мн.: Выш. шк., 2002 |




,
. 
.
,
,
,