Лабораторная работа: Изучение характеристик ключевых схем на дополняющих МОП-транзисторах (КМОП)
|
Название: Изучение характеристик ключевых схем на дополняющих МОП-транзисторах (КМОП) Раздел: Рефераты по коммуникации и связи Тип: лабораторная работа |
1. ЦЕЛЬ РАБОТЫ Изучить характеристики ключевых схем на дополняющих МОП-транзисторах (КМОП) и базовых схем логических элементов КМОП, используя возможности программы MC8DEMO. Изучить содержание процессов в формирователях импульсов на базе ЛЭ КМОП и проявления гонок (состязаний) в цифровых схемах. 2. КРАТКИЕ СВЕДЕНИЯ О РАБОТЕ БАЗОВОЙ СХЕМЫ КМОП КМОП обозначает получившую широкое распространение технологию изготовления ИС. Особенностью ИС КМОП является использование
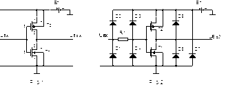
в качестве базовой схемы комплементарного ключа (рис.1), состоящего из ключевого транзистора Tn и нагрузочного – Tp. Ключевой транзистор c индуцированным каналом Tn имеет канал n-типа (отпирание транзистора Tn происходит при Управляющее напряжение Когда напряжение
В режиме замкнутого ключа (максимальной проводимости канала) МОП-транзистор представляет собой некоторое сопротивление Rт между истоком и стоком (сопротивление канала), зависящее от напряжения на затворе. Величина этого сопротивления аналитически выражается формулой
где При
соответствует простейшая схема замещения рис.3,а, в которой запертый транзистор Tn представлен разрывом всех его выводов, а открытый транзистор Tp - эквивалентным резистором Rт2 между стоком и истоком. В таком статическом состоянии При больших значениях напряжения
Такому статическому состоянию ключа рис.1 соответствует простейшая схема замещения рис.3,б, в которой запертый транзистор Tp представлен разрывом всех его выводов, а открытый транзистор Tn - эквивалентным резистором Rт1 между стоком и истоком. В таком статическом состоянии Как следует из моделей рис.3а,б, комплементарный ключ не потребляет тока в обоих статических состояниях, когда - напряжения логических уровней - высокое быстродействие (в схеме нет статического тока - сопротивления проводящих каналов могут быть снижены и, следовательно, скорости перезаряда емкостей повышены); - ключ сохраняет работоспособность при изменении питающего напряжения - малая мощность потребления при низких и средних частотах переключения; - большая нагрузочная способность при низких и средних частотах переключения; - малая зависимость рабочих характеристик от температуры. Входное сопротивление МОП-транзисторов независимо от их состояния очень велико: Логические элементы КМОП имеют специальную диодно-резисторную схему защиты от статического электричества, пример такой схемы приведен на рис.2. Положительный статический заряд стекает на шину питания, если потенциал затвора превышает потенциал шины питания на величину напряжения отпирания диодов D2, D3. Отрицательный статический заряд стекает на общую шину через диоды D1, D4. Резистор R1 нужен для ограничения токов в защитных диодах. Физическая структура ключа КМОП, содержащая схему защиты, и ее эквивалентная схема могут быть различными, следовательно, различаются и входные характеристики. Входные токи, обусловленные отпиранием защитных диодов, следует принимать во внимание при использовании логических элементов КМОП в импульсных схемах с конденсаторами (генераторы, формирователи импульсов). В цифровых схемах входные напряжения в КМОП-ключах меняются в пределах логического перепада ( Характеристики выходного тока, которые необходимо знать при работе КМОП-ключа на резистивную и емкостную нагрузку, определяются выходными характеристиками используемых транзисторов Tn и Tp. В каждом из двух статических состояний ключа выходной ток равен току стока открытого транзистора. В первом состоянии (на выходе ключа – логический нуль) этот ток Схема замещения открытого транзистора, определяющая величину втекающего
а в пологой области , при
Параметры передаточной, входной и выходных характеристик КМОП-ключей имеют большой разброс. Так пороговое напряжение Характеристики ЛЭ КМОП подвержены также влиянию температуры. Меняется пороговое напряжение Обозначения ИС КМОП, выпускаемых различными фирмами, содержат название серии ИС, определяющее технологию производства (семейство) и идентификаторы, определяющие фирму-производителя, рабочий температурный диапазон, тип корпуса. В справочниках по ИС КМОП идентификаторы могут не приводиться. Примеры: семейство CD4000, CD4000A, CD4000В – фирма RCA (отечественные серии 164, 176, 564, 561,); семейство MС1400 – фирма Motorola (КР1561), семейство HC – фирма National Semiconductor (1564), семейство AC – фирма Texas Instruments Inc. (КР1554). Базовые схемы ИС КМОП разных серий имеют свою физическую структуру и имеют соответствующие физические параметры, обеспечивающие взаимную совместимость. Статические режимы в логических элементах КМОП характеризуются стандартными параметрами, к которым относятся уровни входных и выходных напряжений:
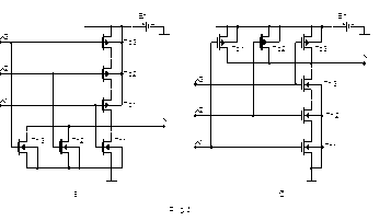
Стандартные динамические параметры ЛЭ характеризуются временами задержки Быстродействие схем с МОП-транзисторами ограничивается значениями выходных токов и величиной межэлектродных емкостей: затвор-исток Характеристики быстродействия для разных серий ИС КМОП могут сильно отличаться. Так указанные выше в качестве примера ИС серий CD4000, CD4000A, CD4000В, MС1400 имеют общий недостаток – малые значения выходных токов и, соответственно, низкое быстродействие (время задержки сигналов 3. ЛОГИЧЕСКИЕ ЭЛЕМЕНТЫ КМОП Логические элементы (ЛЭ) на комплементарных ключах получаются соединением группы последовательно включенных транзисторов одного типа с группой параллельно включенных транзисторов другого типа. Причем число транзисторов в каждой группе равно числу входов схемы, рис.4,а,б.
ЛЭ, построенный по схеме рис.4,а, реализует логическую операцию ИЛИ-НЕ. Если среди входных сигналов есть хотя бы один сигнал высокого уровня (логическая единица), то в группе последовательно соединенных транзисторов Tp найдется хотя бы один запертый транзистор, а в группе параллельно соединенных транзисторов Tn – хотя бы один проводящий. Состояние схемы соответствует схеме замещения рис.3,б, выходное напряжение равно нулю (логический нуль). Логическая единица для схемы рис.4,а, следовательно, является активным значением логической переменной. При нулевом напряжении на всех входах (на всех входах логические нули) все n-канальные транзисторы заперты, а p-канальные – проводят, поэтому состояние схемы соответствует схеме замещения рис.3,а, выходное напряжение равно EП (логическая единица). Логический нуль, следовательно, - пассивное значение логической переменной для схемы рис.4,а. Таблица истинности, которая получается в результате проведенного анализа схемы, соответствует логической операции ИЛИ-НЕ. Нетрудно убедиться, проведя анализ схемы рис.4,б аналогичным способом, что для нее активным значением логической переменной является логический нуль, а пассивным – логическая единица, следовательно, схема рис.4,б реализует логическую операцию И-НЕ. Неиспользуемые входы в ЛЭ КМОП оставлять свободными (никуда не подключать) нельзя. Неиспользуемые входы либо объединяются с используемыми, либо на них подается напряжение, соответствующее пассивному сигналу (0 – для элементов ИЛИ-НЕ, Еп – для элементов И-НЕ). 4. ФОРМИРОВАТЕЛИ КОРОТКИХ ИМПУЛЬСОВ Формирователи импульсов выполняют преобразование входных импульсных сигналов с целью получения новых сигналов с определенными нормированными временными характеристиками. Такими устройством может быть, например, формирователь коротких импульсов заданной длительности, привязанных к каждому положительному (отрицательному, положительному и отрицательному) перепаду входного сигнала или устройство задержки входных импульсных сигналов на заданное время и т.п. Времязадающим элементом, определяющим длительность формируемых импульсов, может быть ЛЭ КМОП. На рис.5 приведен пример схемы формирователя, в котором
для каждого положительного перепада сигнала X вырабатываются короткие импульсы Y и Y1. Анализ схемы показывает, что длительность выходных импульсов определяется задержкой, которую вносят логические элементы A4, A5, A6 для сигнала Если длительность выходных импульсов велика, количество элементов задержки может оказаться нерационально большим. В таком случае целесообразно использовать в качестве узла задержки в схеме рис.5 времязадающую RC-цепь интегрирующего типа. Схема формирователя импульсов в таком случае принимает вид рис.6. Инерционная цепь R1, C1 увеличивает длительность переходных процессов в цепи
задержки сигнала X и позволяет получить необходимую длительность выходных импульсов. В качестве времязадающей цепи в формирователях импульсов используется также RC-цепь дифференцирующего типа. Пример такой схемы приведен на рис.7.
5. ПРОЯВЛЕНИЕ ЭФФЕКТА ГОНОК В ЦИФРОВЫХ СХЕМАХ Приведенная на рис.5 схема может рассматриваться как простейший пример, показывающий возникновение гонок (состязаний) в цифровых устройствах. Гонки возникают из-за неравенства задержек физических сигналов X и Анализ работы схемы, приведенной на рис.8 и в которой имеют место гонки, приводит к выводу о том, что временное рассогласование поступления сигналов на входы элемента A2 меньше, чем временное рассогласование сигналов на входах элемента А3. Следовательно, импульсы на выходах Y и Y1 отличаются по длительности и могут отличаться по амплитуде. Замена ЛЭ ИЛИ-НЕ в схеме рис.8 на элементы И-НЕ дает схему с такими же свойствами. Из-за разброса
параметров динамических характеристик ЛЭ КМОП параметры выходных импульсов могут изменяться в большом диапазоне значений. Поэтому риск сбоя в работе цифровых устройств из-за появления импульсов, не предусмотренных логикой их работы, носит вероятностный характер. 6. ПРОГРАММА РАБОТЫ 6.1 ПОДГОТОВКА К РАБОТЕ Изучить: а) характеристики полевых транзисторов с индуцированным каналом n-типа и p-типа (входную б) физику работы ключа КМОП, его модели в статических состояниях и характеристики (входную в) физику работы базовых схем И-НЕ КМОП и ИЛИ-НЕ КМОП и их таблицы истинности, г) статические характеристики ЛЭ КМОП при изменении напряжения питания д) факторы, влияющие на длительность переходных процессов в ключах КМОП, и физику переключения ключа, е) принцип построения и схемы формирователей коротких импульсов, ж) факторы, обусловливающие гонки и влияние гонок на функциональную надежность цифровых устройств. 6.2 ВЫПОЛНЕНИЕ РАБОТЫ (Результаты по всем пунктам программы работы документировать и включить в отчет) 1. Вызвать программу Micro-Cap (ярлык Micro-Cap Evaluation 8.0) 2. Открыть (File > Open > DATA RUS > 2p-1.CIR) и исследовать Схему 1:
а) получить передаточную характеристику (ПХ) и характеристику входного тока ключа (Analysis > DC... > Run); б) определить по ним значения входного напряжения, при которых открываются транзисторы Т1, Т2 и защитные диоды; в) определить и объяснить значения статических уровней ПХ; г) получить статические характеристики схемы при вариации напряжения питания (DC > Stepping > Step It Yes > OK > F2); проследить за изменением формы характеристик, задокументировать и объяснить изменения; д) выключить режим вариации напряжения питания и выйти из режима анализа (DC > Stepping > Step It No > OK > F3); е) получить переходные характеристики ключа (Analysis > Transient > Run), определить стадии переходных процессов при включении и выключении схемы, их длительность и среднее время задержки; ж) получить характеристики переключения схемы при вариации напряжения питания (Transient > Stepping > Step It Yes > OK > F2); проследить за изменением формы характеристик, задокументировать и объяснить изменения; з) выключить режим вариации напряжения питания и выйти из режима анализа (Transient > Stepping > Step It No > OK > F3); и) закрыть Схему 1 (File > Сlose > No Save...). 2. Открыть (File > Open > DATA RUS > 2p-2.CIR) и исследовать Схему 2:
а) получить статическую характеристику выходного напряжения от значения статического напряжения на одном из входов ключа (Analysis > DC... > Run), объяснить поведение и параметры полученной характеристики; б) выйти из режима анализа (F3); в) получить и объяснить таблицу истинности, задавая различные статические уровня напряжения на входах X2, X1, X0 (Analysis > Transient > Run), г) выйти из режима анализа (F3); д) закрыть Схему 2 (File > Сlose > No Save...). 3. Открыть Схему 3 (File > Open > DATA RUS > 2p-3.CIR) и выполнить для нее п.п.2 а), б), в), г), д).
4. Открыть (File > Open > DATA RUS > 2p-4.CIR) и исследовать Схему 4:
а) получить и объяснить статические передаточные характеристики схемы – V(Y,Y1) = f(V(X)) (Analysis > DC... > Run); б) выйти из режима анализа (F3); в) получить временные диаграммы сигналов Y(t) и Y1(t) (Analysis > Transient > Run) при воздействии на вход схемы периодического импульсного сигнала U1(t) c заданными параметрами, сопоставить сигналы Y(t) и Y1(t) с значениями статических уровней, полученными в п. а), объяснить различия; г) измерить и обосновать длительность выходных импульсов Y(t) и Y1(t) и их временное положение относительно входных; д) выйти из режима анализа (F3); е) закрыть Схему 4 (File > Сlose > No Save...). 5. Открыть (File > Open > DATA RUS > 2p-5.CIR) и исследовать Схему 5:
а) получить и объяснить статические передаточные характеристики схемы – V(Y,Y1) = f(V(X)) (Analysis > DC... > Run); б) выйти из режима анализа (F3); в) получить временные диаграммы сигналов Y(t) и Y1(t) (Analysis > Transient > Run) при воздействии на вход схемы периодического импульсного сигнала U1(t) c заданными параметрами, сопоставить сигналы Y(t) и Y1(t) с значениями статических уровней, полученными в п. а), объяснить различия; г) измерить и обосновать длительность выходных импульсов Y(t) и Y1(t) и их временное положение относительно входных; сопоставить результаты с п.4.г) и объяснить различия; д) получить временные диаграммы сигналов Y(t) и Y1(t) при вариации сопротивления резистора R1 (Transient > Stepping > Step It Yes > OK > F2); проследить за изменением их формы, задокументировать и объяснить изменения; е) выключить режим вариации сопротивления резистора и выйти из режима анализа (Transient > Stepping > Step It No > OK > F3); ж) закрыть Схему 5 (File > Сlose > No Save...). 6. Открыть (File > Open > DATA RUS > 2p-6.CIR) и исследовать Схему 6:
а) получить и объяснить временные диаграммы времязадающего напряжения и сигналов Y(t) и Y1(t) (Analysis >Transient > Run) при воздействии на вход схемы периодического импульсного сигнала U1(t) c заданными параметрами; сформулировать и проанализировать факторы, определяющие длительность выходных импульсов и их временное положение; б) получить временные диаграммы при вариации сопротивления резистора R1 (Transient > Stepping > Step It Yes > OK > F2); проследить за изменением их формы, задокументировать и объяснить изменения; в) выключить режим вариации сопротивления резистора и выйти из режима анализа (Transient > Stepping > Step It No > OK > F3); г) закрыть Схему 6 (File > Сlose > No Save...). 6. Открыть (File > Open > DATA RUS > 2p-7.CIR) и исследовать Схему 7: а) получить и объяснить статические передаточные характеристики схемы – V(Y,Y1) = f(V(X)) (Analysis > DC... > Run); б) выйти из режима анализа (F3); в) получить временные диаграммы сигналов Y(t) и Y1(t) (Analysis > Transient > Run) при воздействии на вход схемы периодического импульсного сигнала U1(t) c заданными параметрами; сформулировать вывод о величине риска сбоя работы цифрового устройства,
построенного на ИС КМОП, сигналами Y(t) и Y1(t). г) выйти из режима анализа (F3); д) закрыть Схему 7 (File > Сlose > No Save...). 7. Открыть (File > Open > DATA RUS > 2p-8.CIR) и исследовать Схему 8:
а) сопоставить конфигурацию, состав Схемы 8 и Схемы 7, проанализировать работу и сформулировать вывод об их свойствах и наличии гонок в Схеме 8; построить временные диаграммы сигналов Y(t) и Y1(t); б) выполнить для Схемы 8 п.п.7 а), б), в), г), д); 8. Получить у преподавателя дополнительное задание по работе. БИБЛИОГРАФИЧЕСКИЙ СПИСОК 1. Разевиг В.Д. Схемотехническое моделирование с помощью Micro-Cap 7. – М.: Горячая линия – Телеком, 2003. – 368 с. 2. Импульсные и цифровые устройства на интегральных микросхемах КМДПТЛ: Руководство к лабораторной работе № / Сост. Сальников Н.И.– Рязань. : РРТИ, 1984. - 16 с. 3. Сальников Н.И., Белкин А.П., Соколов Ю.П. Импульсные устройства на интегральных логических элементах: Учебное пособие. – Рязань: РРТИ, 1986. – 72 с. 4. Зельдин Е.А. Цифровые интегральные микросхемы в информационно-измерительной аппаратуре. - Л.: Энергоатомиздат., 1986. – 280 с. 5. Алексенко А.Г., Шагурин И.И. Микросхемотехника: Учеб. пособие. – М.: Радио и связь, 1982. – 416 с. 6. Пухальский Г.И., Новосельцева Т.Я. Цифровые устройства: Учеб. пособие. СПб.: Политехника, 1996. |














