Дипломная работа: Разработка конструкции и технологии изготовления модуля управления временными параметрами
|
Название: Разработка конструкции и технологии изготовления модуля управления временными параметрами Раздел: Рефераты по коммуникации и связи Тип: дипломная работа | |||||||||||||||||||||||||||||||||||||||||||||||||||||||||||||||||||||||||||||||||||||||||||||||||||||||||||||||||||||||||||||||||||||||||||||||||||||||||||||||||||||||||||||||||||||||||||||||||||||||||||||||||||||||||||||||||||||||||||||||||||||||||||||||||||||||||||||||||||||||||||||||||||||||||||||||||||||||||||||||||||||||||||||||||||||||||||||||||||||||||||||||||||||||||||||||||||||||||||||||||||||||||||||||||||||||||||||||||||||||||||||||||||||||||||||||||||||||||||||||||||||||||||||||||||||||||||||||||||||||||||||||||||||||||||||||||||||||||||||||||||||||||||||||||||||||||||||||||||||||||||||||||||||||||||||||||||||||||||||||||||||||||||||||||||||||||||||||||||||||||||||||||||||||||||||||||||||||||||||||||||||||||||||||||||||||||||||||||||||||||||||||||||||||||||||||||||||||||||||||||||||||||||||||||||||||||||||||||||||||||||||||||||||||||||||||||||||||||||||||||||||||||||||||||||||||||||||||||||||||||||||||||||||||||||||||||||||||||||||||||||||||||||||||||||||||||||||||||||||||
Министерство образования Республики Беларусь Учреждение образования «Белорусский государственный университет информатики и радиоэлектроники» Факультет компьютерного проектирования Кафедра электронно – вычислительных средств К защите допустить Заведующий кафедрой ____ __/ А.А.Петровский / "_____"___________2002г. ПОЯСНИТЕЛЬНАЯ ЗАПИСКА к дипломному проекту НА ТЕМУ: “Разработка конструкции и технологии изготовления модуля управления временными параметрами” Дипломник / В.А.Николаев / Руководитель / В.Б.Соколов / Консультанты: по экономике / Т.Л. Слюсарь / по охране труда и экологической безопасности / А.И. Навоша / Нормоконтроль / В.Б.Соколов Рецензент / / Минск 2002 г. ВВЕДЕНИЕ Современная микроэлектроника привела к революционным преобразованиям практически во всех отраслях техники, не говоря уже о радиоэлектронной и электронно-вычислительной аппаратуре. Повышение плотности упаковки аппаратуры на микросхемах, их надежности и долговечности, автоматизация производства элементной базы дали возможность применять достаточно сложные микроэлектронные устройства в таких областях, как автомобилестроение, связь, управление технологическими процессами, измерительная техника, бытовая техника и т. д. В то же время появление и развитие микроэлектроники как научно-технического направления потребовало коренного изменения как методов проектирования аппаратуры, так и направления подготовки современных специалистов по проектированию, производству и эксплуатации микроэлектронной аппаратуры различного назначения. Дипломное проектирование является завершающим этапом всей программы обучения. В процессе дипломного проектирования решаются следующие задачи: - изучение конструкторских разработок, базовых техпроцессов и методов контроля параметров по теме дипломного проекта; - приобретение практических навыков постановки анализа и решения инженерных задач, связанных с разработкой проекта; - сбор материала справочного, информационного характера, ознакомление с современными разработками РЭА; - выбор и обоснование методов реализации технических решений проекта; - разработка структурной и принципиальной схем блока; - разработка конструкции блока; - экономическое обоснование и охрана труда. Используемые в настоящее время устройства управления временем в основном построены на дискретных элементах или представляют собой механические крупногабаритные реле, и обеспечивают, как правило, относительно большую погрешность контроля процесса для современного производства. В данном дипломном проекте будет разработан модуль управления временными параметрами ,встраиваемый в шкафы промышленной автоматики, благодаря которому упрощается процесс регулирования, задания и обработки информации, при этом обеспечивается обмен информацией с центральным компьютером типа IBM PC . Так же данное исполнение позволяет увеличить точность отсчета времени. В ходе дипломного проектирования будет проведен выбор и обоснование элементной базы, материалов конструкции, компоновочной схемы, метода и принципа конструирования. Правильность и целесообразность принятых решений должны подтвердить проведенные конструкторские расчеты, выполненные с помощью ЭВМ. Кроме этого будет проведена оценка технологичности конструкции, разработана технологическая схема сборки, а так же маршрутная и операционная технология. 1 Анализ технического задания Разрабатываемое устройство предназначено для управления временными параметрами контролируемого процесса . 1.2 Основание для разработки Основанием для разработки устройства является задание на дипломное проектирование. 1.3 Источники разработки Устройство должно быть разработано на базе уже существующих схемных решений аналогичных устройств. 1.4 Технические требования 1.4.1 Состав изделия и принцип работы Устройство собрано на микроконтроллере МС68НС711Е9 фирмы Motorola. Реализована возможность записи изменений временных значений в энергонезависимую память. 1.4.2 Устройство должно иметь следующие технические параметры: Устройство разрабатывается на базе микроконтроллера МС68НС711Е9. Конструктивно устройство выполняется в виде отдельного блока. Мощность, потребляемая прибором от сети электропитания, не должна превышать 10 Вт. Габаритные размеры не более не более 200х150х100. 1.4.3 Требования к надёжности Средняя наработка на отказ должна быть не менее 10000 часов в нормальных условиях эксплуатации. 1.4.4 Конструкторско-технологические требования Показатели технологичности конструкции изделия должны соответствовать ГОСТ 14.201-73. 1.4.5 Условия эксплуатации 1.4.6 Требования к упаковке, маркировке, транспортированию и хранению Маркировка разрабатываемого устройства должна соответствовать ГОСТ 21552-84. она должна содержать: полное торговое наименование по ГОСТ 26794-85; торговый знак и (или) наименование предприятия изготовителя; отметку ОТК предприятия изготовителя; порядковый номер изделия по системе нумерации предприятия изготовителя; предупредительные знаки по ГОСТ 12.2.006; обозначение стандарта на модуль; дополнительные требования (определяет предприятие изготовитель); 1.5 Экономические показатели 1.6 Порядок испытаний По ГОСТ 11478-88 аппаратуру в зависимости от условий эксплуатации подразделяют на 4 группы. Разрабатываемое устройство относится к группе 1 (условия эксплуатации - в производственных помещениях). На аппаратуру этой группы действуют следующие дестабилизирующие факторы : синусоидальные вибрации; различные механические воздействия при транспортировке; пониженная и повышенная температура среды; повышенная влажность воздуха; воздействие пыли. Для того, чтобы выяснить, как поведет себя аппаратура при воздействии этих факторов, а также для проверки соответствия ее установленным в техническом задании требованиям, проводят испытания аппаратуры на воздействие внешних механических и климатических факторов. 2 ОБЗОР АНАЛОГИЧНЫХ РАЗРАБОТОК ПО ТЕМЕ ДИПЛОМНОГО ПРОЕКТА Целью патентных исследований является получение исходных данных для обеспечения высокого технического уровня и конкурентоспособности объектов техники, для использования современных объектов НТП и исключения неоправданного дублирования исследований и разработок. Проведем краткое описание изобретений. Цифровой контроллер DC ЗООО. Универсальный цифровой контроллер DC ЗООО - микропроцессорный автоматический контроллер в соответствии со стандартом ¼ DІМ. Контроллер обеспечивает высокую степень функциональных возможностей в сочетании с простотой зксплуатации. Стандартная точность контроллера - +/-0,2О% от диапазона. DС 3000 представляет собой идеальный контроллер для регулирования температуры и других переменных процесса в нагревательных и холодильных установках различного назначения, металлообработке, пищевой и фармацевтической промышленности, в испытательных установках и средствах заш,иты окружаюш,ей среды. Специальные вакуумные флуоресцентные дисплеи с подсказками и сообщениями на английском языке обеспечивают удобство работы с контроллером. Запрограммированные последовательности вывода информации на дисплей обеспечивают быстрый и точный ввод настраиваемых параметров. Используя несложные комбинации клавиш, можно устанавливать конфигурацию входных величин и диапазона, задавать рабочие параметры в соответствии с требованиями управляемого процесса и при необходимости вносить в них изменения. Тактильная клавиатура обеспечивает обратную связь с оператором. Контроллер устойчив к внешним воздействиям. Его можно установить практически в любом месте: на стене, на панели и даже на корпусе машины. Контроллер может работать при окружаюцей температуре до 55°С, устойчив к вибрациям, толчкам и ударам. Средства самодиагностики, отказоустойчивая конструкция и надежная клавиатура обеспечивают надежную безотказную работу. ВОЗМОЖНОСТИ И ДОСТОИНСТВА Специализированные дисплеи - вакуумные флуоресцентные дисплеи с сообщениями на английском языке обеспечивают оператора информацией о текущем состоянии процесса. Индикатор отклонения (в виде полосы) указывает отклонение (до +/-10% диапазона) между заданной величиной и переменной процесса. Универсальные изолированные входы допускают подключение термопары, резистивного термометра, милиамперных, миливольтовых и вольтовых входных сигналов. Все входы настраиваемые, не требуют калибровки. Контроллер позволяет выполнять следующие функции: - возможность настройки действий в случае отказа термопары ; - простая настройка ( запросы на английском языке обеспечивают настройку конфигурации кснтроплера в логической последовательности); - ручные н автоматические режимы – удобный , без каких-либо промежуточных действий переход из одного режима в другой; - алгоритмы управления - контроллер может быть настроен на двухрежимное управление (включено-выключено) ,с ручным сбросом , трехпозиционного пошагового управления. - нагрев/охлаждение - имеется возможность разделения диапазонов управления с независимыми константами настройки для ПИД-управления: для нагрева, для охлаждения и смешанные. - управляющие выходы - пропорциональный времени , пропорциональный току или пропорциональный позиции, двухрежимный (включен-выключен), пропо рциональный времени дуплекс или пропорциональный току дуплекс , ток/релейный дуплекс ; - две локальные заданные величины - могут выбираться через клавиатуру или дополнительный дистанционный переключатель. - выбор сигнала тревоги - один или два настраиваемых сигнала тревоги., предупреждающих о критическом состоянии процесса. - линейное изменение заданной величины - один программируемый участок линейного изменения заданной величины длительностью до 255 минут. - программирование изменения заданной величины - программирование и сохранение нескольких (до шести) сегментов линейного изменения и сохранения заданной величины, ис:пользуемых в одной программе (или в нескольких небольших программах). - дополнительные возможности - автонастройка с автотоматическим расчетом оптимальных констант настройки, дополнительный выход 4--20 мА, масштабируемый в соответствии с любым представляемым параметром; канал связи для подключения к управляющему компьютеру; программирование изменения заданной величины, позволяюш,ее указать до шести сегментов линейного изменения и до шести сегментов сохранения постоянного значения заданной величины; цифровой вход для дистанционного выбора заданных величин, режимов управления, действий контроллера,выполнения / фиксации линейного изменення заданной величины , программы изменения заданной величины. ОСНОВНЫЕ ТЕХНИЧЕСКИЕ ХАРАКТЕРИСТИКИ Точность обычно в пределам +/-0.20% диапазона ( для цифрового отображения +/ - 1 цифра). Для достижения номинальной точности может потребоваться калибровка на месте. Это требуется для температур ниже –2ОО°F. Параметры настройки : коэффициент передачи (%)- 0,1; cкорость 0 ,0 8 - - 10 ,0 0 м и н у т. Сброс 0,02 - 50,00 минут/повтор или повторов/минуту; э.ле к т ро п и т а н и е: 120/240 В, 50 или 60 Гц; ИНТЕРФЕЙС ОПЕРАТОРА Верхний дисплей (6 разрядов): - при нормальной работе отображается переменная процесса (4 цифры); - в режиме конфигурирования отображается величина или выбранное значение параметра. Нижний дисплей (8 разрядов): -при нормальной работе отображаются рабочие параметры вел и ч и н ы ; - в режиме конфигурирования отображаются названия параметров. Цифровой контроллер DC 2000 Міnі-Рго Универсальный цифровой контроллер DC 2000 Міnі-Рго - это недорогой прибор семейства моделей фирмы НonеуwеІІ. Он осуществляет текущий контроль за управлением температурой и другими переменными параметрами в такой аппаратуре, как климатические камеры, машины обработки пластмассы, печи и термостаты, оборудование для упаковки. Универсальный цифровой контроллер DС 2000 Міnі-Рго можно использовать для контроля переменных параметров, таких как температура, давленне, поток, уровень н поворот. Универсальный цифровой контроллер DС 2000 Міnі-Рго имеет определенной конфигурации дисплей, который обеспечивает простые подсказки для упрощения работы с прибором. Программируемые последовательности команд дисплеев обеспечивают быстрый и точный ввод всех конфигурационных параметров. Простая клавиатура позволяет изменять рабочие параметры для полного удовлетворения требований контроля процесса. Техническне данные/преимущества Легкость конфигурирования - яркий специальный дисплей обеспечивает непосредственно подсказки на английском языке, что позволяет задавать необходимые установки с минимальными затратами времени и усилий. Универсальные входы - допускают использованне 10 тонов термопар посредством простого конфигурирования. Надежность термопар - конфигурируемый с масштабированием вверх и вниз не нагреваемый и надежный выходной уровень. Высокая помехоустойчивость - универсалыный цифровой контроллер DС 2000 Міnі-Рго разработан для обеспечення надежных характеристик в окружающей среде промышленного производства, которая часто воздействует на высокочувствительные к помехам электронное оборудование. Двойное управление параметрами- простой клавишный выбор позволяет быстро переключаться от основной к альтернативной программе с минимальными неудобствами для оператора. Диагностические/сигнальные выходы - постоянные диагностические программы обнаруживают возникающие неисправности, переключают выходное значение обнаружения отказа и идентифицируют неисправность, чтобы до минимума сократить время устранения неисправности. Высокая надежность - долговременная память гарантирует сохранность информации при потере электропитания. Надежность клавиатуры не допускает случайные или не санкционированные изменения в процессах. Конфигурация дисплея по умолчанню - может быть конфигурация для показа переменных процесса или контрольной точкм, вместо пустого дисплея в процессе нормальной работы. Алгоритмы контроля - контроллер может быть конфигурирован для режимов: двухрежимное управление ,с ручным сбросом или трехпозиционного пошагового контроля. Дополнительные особенности Дистанционная контрольная точка - 4 - 20 мА или 1 - 5 В входы, используемые для дистанционных сигналов. Выход РV - этот выходной сигнал переменной процесса можно масштабировать от 0 до 5 В или от 1 до 5 В в диапазоне от 0 до 100% для любого требуемого диапазона. Контактный вход - позволяет станционарный выбор: локальной контрольной точки от дистанционной, локальной контрольной точки 2 от локальной контрольной точки 1. Выбор предупредительных сигналов - отсутствие, одно или два реле для запуска внешних устройств, когда достигаются предварительно установленные верхние/нижние точки. Имеется индикатор для каждого тревожного сигнала в интерфейсе оператора. Для дуплексной работы применяется только один предупредительный сигнал. Фиксированный гистерезис аварийного сигнала 0,5% входного диапазона. Автонастройка - при разрешенном состоянии позволяет автоматически вычислять и вводит в память оптимальные параметры настройки, требуемые для процесса. Эта особенность быстрой настройки позволяет получить приблизительные константы настройки. Линейное изменение/ программа - позволяет запускать одиночное линейное изменение или программу и записывать в память 6 линейных измененнй и 6 сегментов для программирования контрольной точки. Прогон или удержание программы выбирается клавиатурой или дистанционным переключателем. Универсальный цифровой контроллер DС 2000 Міnі-Рго применяется с ниже перечисленными типами выходов. Пропорциональный временной - обеспечивает режим включено/выключено (Оn-Off) или пропорционально временной (релейный) выход. Релейный выход является стандартным, дополнительным выходом является выход для полупроводниковых реле. Пропорциональный токовый - обеспечивает токовый выход для конечных регулирующих элементов, которые требуют сигнала 4-20 мА. Пропорциональный временной дуплексный - (Нагрев/Охлажденне) в зависимости от выбранного алгоритма управлення этот дуплексный выход может обеспечивать включение-выключение или дуплексное пропорционально временное регулирование. Пропорционально временной дуплексный выход обеспечивает независимые константы и два пропорционально-временных выхода: один для зоны нагрева выше 50% выходного сигнала и другой для зоны охлаждения ниже 50% выходного сигнала. Контроллер процессов DC512 Контроллер процессов DС512 является прибором на основе микропроцессоров стандарта DIМ , способным осуществлягь слежение и управление большим количеством разнообразных процессов и переменных параметров процессов. Его широкий и гибкий набор входов и выходов вместе с мощными возможностями программного обеспечения делают его подходящим выбором для осуществления жесткого контроля буквально во всех областях промышленности , от переработки пищевых продуктов до химической технологии и термообработки, поскольку он достаточно экономически эффективен, чтобы удовлетворять требованиям поставщиков технологического оборудования. Уникальные модульные сменные карты контроллера DC512 позволяют пользователю легко выполнять изменения входа, выхода и функций реле системы безопасности в производственных условиях. Опции входов поступления информации об управляемом процессе включают термопару, резнстивный детектор температуры (с разрешением 1° или0,1°) и напряжение/ток. Входы напряжения или тока можно линеаризовать с помощью заданной 10-точечной кривой линеаризации или функции наименьших квадратов. Смещение входного значения сигнала позволяет пользователю легко компенсировать деградацию сенсоров или разбаланс передатчика. Все входы полностью изолированы от управляющих выходов. Имеется возможность достиження большего уровня изоляции с помощью оптической изоляции входного сигнала переменной величины процесса от остальных входов, выходов и систем передачи данных, чтобы еще более снизить риск возникновения паразитного контура с замыканием на землю. Опции выходов сигналов управления включают механнческое реле, твердотельное реле, привод твердотельного реле . Эти типы выходов могут быть использованы в практически любых комбинациях дпя управлення процессами нагрева/охлаждения. Карта опции выхода сигнала тревоги содержит два механических реле. Сигналам тревоги можно придать независимую друг от друга конфигурацию в виде переменной процесса, диапазонами отклонения. Зона нечувствительности, действие сигнала тревоги и фиксация являются полностью настраиваемыми на определенную конфигурацию. Стандартные входы и выходы включают удаленную точку задания с настраиваемой конфигурацией и смещением; передачу информации о любом переменном параметре процесса или заданной точке; контактньй вход для внешнего выбора режима ручного управлення, удаленной гочки задания, второй заданной точки; специальное реле "откатов", которое срабатывает, если потерян входной сигнал или отказал микропроцессор; источник питания 24 В постоянного тока для энергообеспечения передающей системы. Все входы всегда находятся в рабочем состоянии, без замены одного на другой. Дополнительные свойства DC 512 контроллера включают четыре уровня блокировки клавиатуры безударный переход от выхода автоматического к выходу ручного управления и самонастройка, которая позволяет пользователю регулировать процесс нажатием клавиши. Настраиваемые параметры также можно весьма легко выбрагь вручную. Физическая конструкция включает алюминиевый корпус с мембраной , передней панелью, которая отвечает требованиям 3 Национальной ассоциации производителей электрооборудования (СІІІА). Все клавиши выпуклой формы контактного типа. Имеется последовательная линия передачи сообщений со скоростью передачи сообщений до 19200 бод, проверка данных избыточным циклическим кодом и функция "крыши", которая управляет контроллером в случае потери возможности передачи сообщений.Чрезвычайно эффективный протокол совместим со всеми приборами фирмы Роwers .Имеется специальный пакет программного обеспечення ControlLink для наблюдательного контроля на базе персонального компьютера, а также популярное программное обеспеченне Genesis Control Series. 3 РАЗРАБОТКА КОНСТРУКЦИИ УСТРОЙСТВА 1. В данном разделе необходимо произвести предварительное разбиение разрабатываемого устройства на составные части, произвести комплекс мер по совершенствованию конструкции и приведению её к общепринятым используемым стандартам, а также проверяеть и уточнить соответствие основных характеристик разработанного устройства к предъявляемым в технических требованиях. Выбираются способы защиты от воздействия внешних факторов, таких, например, как вибрация, пыль, влага и повышенная температура. 2. В процессе расчетов выбирается компоновочная схема устройства, метод и принцип его конструирования, производится ориентировочный выбор способа охлаждения и расчет теплового режима по выбранному способу охлаждения, расчет на виброзащищенность конструкции путем расчета собственной частоты колебаний печатной платы. 3. Надежность является одним из главных технических параметров, характеризующих ЭВА. Расчетные значения показателей надежности служат отправным моментом при окончательном выборе схемных и конструктивных решений. Методика расчетов надежности, теплового режима и виброзащищенности приведена далее. 4. Проектируемое устройство представляет собой модуль промышленной автоматики. Исходя из климатических условий модуль предназначен для эксплуатации в закрытом пространстве с исскуственным климатом. Чтобы избежать проникновения пыли и влаги конструкция должна быть герметична. Исходя из ГОСТ 14254-80 определим степень защиты проектируемого блока: 5. Степень защиты от проникновения внутрь оболочки внешних предметов- группа 6 (пыленепронецаемость). 6. Степень защиты от проникновения влаги – группа 6 (защита от водяных паров). 7. Получаем степень защиты блока –IP66 8. Конструирование может быть реализовано различными методами [13]: геометрическим, машиностроительным, топологическим, проектирования моноконструкций, базовым, эвристическим и автоматизированного проектирования. Дадим краткую характеристику некоторым из них. 9. Геометрический метод. В основу метода положена структура геометрических и кинематических связей между деталями, представляющая собой систему опорных точек, число и размещение которых зависит от заданных степеней свободы и геометрических свойств тела. 10. Этот метод является основным средством решения задачи во всех случаях, когда от конструкции требуется высокая точность взаимного перемещения деталей или длительное и точное сохранение определенных параметров, зависящих от расположения деталей. 11. Машиностроительный метод. В основу этого метода положена структура геометрических и кинематических связей между деталями, представляющая собой систему опорных поверхностей, число и размещение которых выбирается из минимизации массы и допустимой прочности конструкции. 12. Метод нашел применение при проектировании несущих конструкций ЭВА всех уровней, кинематических звеньев функциональных узлов, а также всех видов неподвижных соединений. 13. Топологический метод. В основу его положена структура физических связей между ЭРЭ, т. е. Представление конструктивного вида электрической схемы и ее геометрической (топологической) связности, независимо от ее функционального содержания. 14. Топологический метод конструирования применяется, в первую очередь, для создания пленочных интегральных схем, печатных плат, гибких печатных соединителей, электромонтажных чертежей. 15. Базовый метод конструирования. В основу метода положено деление аппаратуры на конструктивно и схемно законченные части. Базовый метод конструирования и его разновидности (функционально-модульный, функционально-узловой и функционально- блочный методы) основываются на принципах агрегатирования, функциональной и размерной взаимозаменяемости, схемной и конструктивной унификации. Деление базового метода на разновидности связано с ограничениями схемной и конструкторской унификации структурных уровней (модулей, функциональных узлов, блоков). 16. Базовый метод является основным при проектировании любой современной радиоаппаратуры всевозможного назначения, он имеет много преимуществ по сравнению с другими: 17. на этапе разработки позволяет одновременно вести работу над многими узлами и блоками, что сокращает сроки проведения разработок; упрощает отладку и сопряжение узлов в лаборатории, так как работа любого функционального узла определяется работой известных модулей и микросхем; резко упрощает конструирование и макетирование, сокращает объем оригинальной конструкторской документации, дает возможность непрерывно совершенствовать аппаратуру без коренных изменений конструкции; упрощает и ускоряет внесение изменений в схему, конструкцию и конструкторскую документацию; 18. на этапе производства сокращает сроки освоения серийного производства аппаратуры; упрощает сборку, монтаж, снижает требования к квалификации сборщиков и монтажников; снижает стоимость аппаратуры благодаря широкой автоматизации и механизации производства; повышает степень специализации производства; 19. при эксплуатации повышает эксплуатационную надежность ЭВА, облегчает обслуживание, улучшает ремонтопригодность аппаратуры. 20. Чтобы правильно скомпоновать устройство, необходимо проанализировать его электрическую схему с точки зрения электромагнитной совместимости, тепловой режим, учесть требования ремонтопригодности и удобство эксплуатации. 21. Существует большое разнообразие видов электрического монтажа. Наибольшее же распространение получили проводной и печатный монтаж. Соединения с помощью монтажных проводов применяются в конструкциях ЭВА для электрического соединения сравнительно крупных узлов. Электрические же соединения в самих узлах обычно проводятся с помощью печатных проводников, выполненных на печатных платах. 22. Применение печатных плат создает предпосылки для механизации и автоматизации процессов сборки радиоэлектронной аппаратуры, повышает ее надежность, обеспечивает ее повторяемость параметров монтажа (емкость, индуктивность) от образца к образцу. 23. С целью повышения процента выхода годных плат, применения на предприятиях унифицированного технологического оборудования и снижения трудоемкости применяют единую базовую технологию, которой является: 24. а) химический метод – для односторонних печатных плат; 25. б) комбинированный позитивный (негативный) метод – для двусторонних печатных плат; 26. в) полуаддитивный (электрохимический) метод – для двусторонних печатных плат с повышенной плотностью монтажа (3–5 класс точности). 27. Основная задача, решаемая при компоновке ЭВА - это правильный выбор форм, основных геометрических размеров, ориентировочное определение веса и расположения в пространстве любых элементов или изделий радиоэлектронной аппаратуры [13]. На практике задача компоновки ЭВА чаще всего решается при использовании готовых элементов с заданными формами, размерами и весом, которые должны быть расположены в пространстве или на плоскости с учетом электрических, магнитных, механических, тепловых и других видов связей. Имея прин-ципиальную схему и компоновочный эскиз функционального узла, можно еще до разработки рабочих чертежей и изготовления лабораторного макета оценить возможный характер и величину паразитных связей, рассчитать тепловые режимы узла и его элементов, выполнить расчет надежности с учетом не только режимов работы схемы (электрические коэффициенты перегрузки), но и с учетом рабочих температур элементов. 28. Методы компоновки элементов ЭВА можно разбить на две группы: аналитические и модельные. К первым относятся численные (аналитические) и номографические, основой которых является представление геометрических параметров и операций с ними в виде чисел. Ко вторым относятся аппликационные, модельные, графические и натурные методы, основой которых является та или иная физическая модель элемента, например в виде геометрически подобного тела или обобщенной геометрической модели. 29. Основой для всех является рассмотрение общих аналитических зависимостей. При аналитической компоновке мы оперируем с численными значениями различных компоновочных характеристик: геометрическими размерами элементов, их объемами, весом, энергопотреблением и т.п. Зная соответствующие компоновочные характеристики элементов изделия и законы их суммирования, можно оценить компоновочные характеристики всего изделия и его частей. 4 СХЕМОТЕХНИЧЕСКОЕ ПРОЕКТИРОВАНИЕ 4.1 РАЗРАБОТКА СТРУКТУРНОЙ СХЕМЫ УСТРОЙСТВА Модуль реализован на базе цифрового микроконтроллера МС68НС711Е9 фирмы Motorola.Данный модуль выполняет следующие функции: - -ввод с клавиатуры требуемого значения времени ,вывод текущего значения времени на жидкокристаллический дисплей; - -регистрация текущего значения времени и контролируемого параметра в энергонезависимой памяти; - -выдачу сообщения об отклонении сигнала от заданного на ЖКИ и центральный компьютер; - -обмен информацией с центральным компьютером типа IBM PC ; - -регулирование контролируемого параметра во времени по заданному закону. Проанализировав выполняемые функции выделим следующие структурные элементы: - силовая часть; - электрическая развязка; - управление уровнем выходного сигнала; - наборное поле; - сброс микроконтроллера при включении и снижении питания ниже уровня 0,5 В ; - датчик входного сигнала; - аналогово-цифровой преобразователь входного сигнала; - микроконтроллер; - ЦАП выходного сигнала для ЖКИ; - индикация; - преобразование уровней сигнала для связи с центральным компьютером. Взаимосвязи между этими структурными элементами приведены в приложении . 4.2 ВЫБОР И ОБОСНОВАНИЕ ПРИМЕНЯЕМОЙ ЭЛЕМЕНТНОЙ БАЗЫ Выбор элементной базы необходимо производить исходя из условий эксплуатации устройства. Таким образом, ко всем электрорадиоэлементам схемы, ко всем конструкционным материалам и изделиям предъявляются те же требования, что и ко всему устройству в целом. Выбор ЭРЭ производится на основе требований к аппаратуре, в частности, кинематических, механических и других воздействий при анализе работы каждого ЭРЭ и каждого материала внутри блока, и условий работы каждого блока конструкции. Выбор резисторов будем производить учитывая: - эксплуатационные факторы (интервал рабочих температур, относительную влажность окружающей среды, атмосферное давление и др.); - значение электрических параметров и их допустимое отклонение в процессе эксплуатации (номинальное сопротивление, допуск, и др.) - показатели надежности и долговечности; - конструкцию резисторов, способ монтажа, массу. В целях повышения надежности и долговечности резисторов (и других ЭРЭ), во всех возможных случаях следует использовать их при менее жестких нагрузках и в облегченных режимах по сравнению с допустимыми. Исходя из схемы электрической принципиальной, определяем, что постоянные резисторы должны обеспечивать номинальную мощность 0,0125 Вт. При этом используются резисторы сопротивлением 10 Ом. Учитывая все эти характеристики (требования по габаритам и массе, требования в области кинематических и механических воздействий), можно сделать вывод, что перечисленным требованиям удовлетворяют постоянные непроволочные резисторы общего назначения типа МЛТ. Резисторы этого типа имеют характеристики, приведенные в таблице 4.2.1. Таблица 4.2.1 - Эксплуатационные характеристики резисторов типа МЛТ
Эксплуатационная надежность конденсаторов, так же как и резисторов, во многом определяется правильным выбором их типа и возможного использования их в режимах, не превышающих допустимые. Для правильного выбора типа конденсаторов необходимо, с учетом требований к устройству, принимать во внимание следующие факторы: - значение номинальных параметров и их допустимые изменения в процессе эксплуатации (номинальная емкость, допуск и др.); - эксплуатационные факторы; - показатели надежности и долговечности; - конструкцию конденсаторов, способы их монтажа, габариты и массу. С учетом всех выше изложенных требований произведем выбор конденсаторов постоянной емкости. В качестве таких конденсаторов выбираем конденсаторы типа КМ-6А. Эксплуатационные характеристики конденсаторов этого типа приведены в таблице 4.2.2. Таблица 4.2.2 -Эксплуатационные характеристики конденсаторов КМ-6а
Схема электрическая принципиальная содержит также и полярные конденсаторы. С учетом всех требований предъявляемых к ним выберем электролитические конденсаторы типа К50-29 . Эксплуатационные характеристики конденсаторов этого типа приведены в таблице 4.2.3. Таблица 4.2.3 - Эксплуатационные характеристики конденсаторов типа К50-29
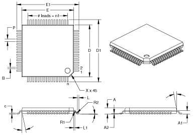
В данном устройстве используются и интегральные микросхемы. При выборе типов микросхем будем учитывать совместимость их с динамическими параметрами MC69HC11E9 и в соответствии с функциональным назначением микросхем. С учетом этого можно выбрать следующие интегральные микросхемы: КР140УД12,МС145000,МС145407,МС34064,МС7805. Приведем краткую характеристику Микроконроллера МС68НС711Е9. Данное семейство микроконтроллеров является одним из наиболее распространенных в мире.Условные обозначения, которыми маркируются микроконтроллеры семейства, имеют вид: Микроконтроллер содержит внутреннюю память программ (ППЗУ) емкостью 12 Кбайт, ОЗУ емкостью 512 байт. Модель имеют внутреннее ЭСППЗУ емкостью 512 байт.Микроконтроллер работает при напряжении питания Vn = 5 В, имеет максимальную тактовую частоту до Ft = 4 МГц. Потребляемая мощность составляет 150...300 мВт в диапазоне тактовых частот Ft = 2...4 МГц. В режиме ожидания мощность снижается в 2 раза, а в режиме останова не превышает 250 мкВт. Рассмотрим особенности функционирования периферийных модулей, используемых в микроконтроллерах этого семейства. Модель содержит 16-разрядный таймер, который имеет три входа фиксации 1C, четыре выхода совпадения ОС. Эти таймеры служат также для генерации периодических прерываний и контроля выполнения программы с помощью сторожевого устройства (watchdog). Кроме таймера микроконтроллер имеет также 8-разрядные счетчики импульсов. Микроконтроллер содержит асинхронный и синхронный последовательные порты SCI, SPI, 8-разрядный АЦП, ,число аналоговых входов 8. Внешний вид корпуса показан на рисунке 4.1
Рис.4.1 Корпус микроконтроллера МС68НС711Е9 Номинальные значения в мм A 1.10 A1 0.64 A2 0.10 E1 12.00 E 10.00 D1 12.00 D 10.00 n1 16.00 n 64 c 0.15 B 0.22 L 0.30 R1 0.08 R2 0.14 alpha 10 beta 12 phi 3 L1 0.20 p 0.50 X 0.89 Микросхема МС145407 размещается в корпусе 751D-04.Вид корпуса показан на рисунке 4.2
Рис.4.2 Микросхема МС145407 4.3 РАЗРАБОТКА ПРИНЦИПИАЛЬНОЙ СХЕМЫ Модуль реализован на базе цифрового микроконтроллера МС68НС711Е9 фирмы Motorola, выполнен в виде платы и размещается в корпусе. Модуль был разработан для задания и контроля продолжительности цикла технологического процесса . Ядром модуля является процессор микроконтроллер МС68НС711Е9 . Микроконтроллер МС68НС711Е9 представляет собой микросхему МС68НС711Е9 (DD6). Схемотехническое изображение микросхемы представлено на рис.4.3. входы РВ0/А8…РВ7/А15-oбращение к параллельному порту PORTB; входы РС0/АD0…РC7/АD7-oбращение к параллельному порту PORTC; входы РE0…РE7- oбращение к параллельному порту PORTE; входы РA0/IC3…РA7/OC1 используются для обращения к регистрам таймера; вход XIRQ –запрещает обслуживание внешнего прерывания; Reset-сигнал начальной установки микроконтроллера; Сигналы на входах MODA,MODB воспринимаются микроконтроллером в процессе начальной установки.В дальнейшем на вход MODA выдается сигнал LIR=0, позволяющий осуществить контроль за работой микроконтроллера в процессе отладки цифровой системы. IRQ –задает значение внешнего сигнала запроса прерывания.Сигналы XTAL,EXTAL предназначены для задания частоты следования импульсов генератора тактовых импульсов.Импульсы поступают на выход Е микроконтроллера и синхронизируют работу других устройств системы.
Рис.4.3 ИМС МС68НС711Е9 Для контроля отклонения регулируемого параметра используется оптоэлектронная пара АОТ110А.Она представляет собой транзисторную оптопару средней мощности .Излучателем служит диодная структура на основе твердого раствора галий-алюминий-мышьяк; приемник-кремниевый составной фототранзистор.Выпускается в металлостеклянном корпусе.Вид корпуса и УГО показаны на рисунке 4.4.
Рис. 4.4 Оптопара АОТ110А АОТ 110А имеет следующие параметры: Электрические параметры при Токр=25С -Входное напряжение при Iвх =25мА не более 2В; -Выходное остаточное напряжение не более 1,5В; -Ток утечки на выходе не более 100мкА; -Входной ток номинальный 10мА; -Время включения 1-50мкс; -Время выключения 5-100мкс; -Сопротивление изоляции не менее 10 ГОм; Предельные эксплуатационные данные -Входной постоянный или средний ток: при Токр=35С 30 мА; при Токр=70С 15 мА; -Входной импульсный ток ti: при Токр=35С 100 мА; при Токр=70С 85 мА; -Входное обратное напряжение 0,7 В; -Средняя рассеиваемая мощность при Токр=35С 80 мВт; при Токр=70С 360мВт; -Выходной ток 200мА; -Дипазон рабочей температуры окружающей среды -60..+70С. Преобразование сигнала датчика в напряжение, поступающее на вход микроконтроллера,выполняют два операционных усилителя К140УД12. Это микромощный операционный усилитель с регулируемым током потребления и защитой выхода от коротких замыканий.Микросхемы конструктивно оформлены в корпусе типа 301.8-2.
Рис. 4.5 Функциональная схема включения ИМС К140УД12 Электрические параметры ИМС приведены в таблице 4.3.1 Таблица 4.3.1 Электрические параметры
Подстроечные резисторы в цепях обратной связи усилителей обеспечивают установку диапазона измеряемых параметров в заданных пределах. Управление мощностью управляющего элемента осуществляется симмистром с фазовым управлением ,которое реализуется с помощью таймера микроконтроллера.При переходе сетевого напряжения через 0 оптронная пара АОТ110А формирует импульс напряжения , поступающий на вход фиксации IC1 таймера.На выходе совпадения ОС2 таймера вырабатывается сигнал управления симмистром . Оптоэлектронные пары АОУ103В обеспечивают электрическую развязку между схемой управления и силовой частью.Общий вид оптопары и УГО показаны на рисунке 4.6
Рис.4.6 Общий вид АОУ103В АОУ 103В имеет следующие параметры: Электрические параметры при Токр=25С -Входное напряжение при Iвх =10мА не более 2В; -Выходное напряжение при открытом состоянии фототирристора не более 2В; -Входной импульсный ток срабатывания не более 80мкА; -Входной ток срабатывания не более 10мА; -Время включения 15мкс; -Время выключения 100мкс; -Сопротивление изоляции не менее 10 ГОм; Предельные эксплуатационные данные -Входной постоянный или средний ток 55 мА; -Входной импульсный ток не более 500 мА; -Входное обратное постоянное напряжение 200В; -Выходная рассеиваемая мощность 130мВт; -Выходной постоянный прямой ток 100мА; -Дипазон рабочей температуры окружающей среды -50..+70С. Микросхема МС34064 служит для сброса микроконтроллера в момент включения питания и при снижении напряжения питания ниже 4,5В.УГО микросхемы показана на рисунке 4.7, размещается в корпусе Р-5/29.
Рис. 4.8 Микросхема МС34064Р-5 Микросхема МС34064 имеет следующие параметры: минимальный выходной ток-10мА; поддерживаемое напряжение-1.0-10В; напряжение питания-5,0В; максимальный входной ток-500мА; диапазон рабочих температур-0..70С. Микросхем МС7805 служит для стабилизации напряжения +5..8В до уровня 5В.Конденсаторы С8,С9 поддерживают напряжение при внезапных скачках напряжения.Схема подключения МС7805 показана на рисунке 4.9
Рис.4.9 Микросхема МС7805 Связь с персональным компьютером осуществляется через асинхронный последовательный порт SCI.При этом преобразования уровней выполняется с помощью микросхемы МС145407. Клавиатура реализована в виде матрицы 4Х4 и подключена к восьми выводам параллельного порта С.Младшая тетрада выполняет функции линий опроса , старшая –функции линий возврата.Вывод информации производится на семи-сегментный ЖКИ LXD69D3FO9KG9,в котором используются шесть разрядов. Управление индикатором осуществляется с помощью микросхемы МС14500,которая принимает данные от микроконтроллера через синхронный последовательный порт SPI. Управление блоком осуществляется программой, записанной в ППЗУ микроконтроллера, которая осуществляет контроль и вывод на дисплей текущего значения времени ,опрос клавиатуры , регулирование контролируемого параметра в заданных пределах , связь с центральным компьютером. Таким образом , в ходе схемотехнического проектирования была разработана схема электрическая принципиальная ( см. Приложение). 5 Разработка конструкции модуля 5.1 Расчет элементов печатного монтажа 5.5.1 Печатные платы Применение печатных плат, позволяет увеличить: а) надежность элементов, узлов и ЭВС в целом; б) технологичность, за счет автоматизации некоторых процессов сборки и монтажа; в) плотность размещения элементов за счет уменьшения габаритов и массы; г) быстродействие; д) помехозащищенность элементов и схем. Печатные платы (ПП) предназначены для электрического соединения элементов схемы между собой и в общем, случае представляют вырезанный по размеру материал основания, содержащий необходимые отверстия и проводящий рисунок, который может быть выполнен как на поверхности, так и в объеме основания (ГОСТ 20406-75). В качестве материалов оснований печатных плат используются различные диэлектрики (ткань и бумага, пропитанные смолами, пластмассы, керамика, металлы, покрытые диэлектриком и т.д.). Проводящий рисунок на основании может быть получен обработкой фольгированных диэлектриков (субстрактивные методы), созданием металлических пленок при химическом и гальваническом осаждении металлов, нанесением пленок по тонкопленочной и толстопленочной технологии (полу аддитивные и аддитивные методы). В зависимости от жесткости материала основания различают гибкие (ГПП) и жесткие печатные платы. Определен ряд значений толщин оснований печатных плат: гибких (0.1, 0.2, 0.4 мм) и жестких (0.8, 1.0, 1.5, 1.8, 2.0, 3.0 мм). По конструктивному исполнению ПП классифицируются на односторонние печатные платы (ОПП), двусторонние (ДПП) и многослойные (МПП). По способу получения межслойных соединений различают платы с металлизированными отверстиями, выступающими выводами, открытыми контактными площадками и т.д. При разработке печатных плат конструктору необходимо решить следующие задачи: а) конструктивные: размещение элементов на печатной плате, посадочные элементы, контактирование, трассировка печатных проводников, минимизация количества слоев и т.д. б) схемотехнические (радиотехнические): расчет паразитных наводок, параметров линий связи и т.д. в) теплотехнические: температурный режим печатной платы, теплоотвод и т.д. г) технологические: выбор метода изготовления, защита и т.д. Все эти задачи взаимосвязаны. Так, от выбора метода изготовления зависят точность размеров проводников и их электрические характеристики; от расположения печатных проводников - степень влияния их друг на друга и т.д. В настоящее время известно более 40 различных технологических методов изготовления печатных плат. Метод изготовления печатных плат необходимо выбирать при эскизной компоновке аппаратуры, в процессе которой определяются основные габариты и размеры плат, требуемая для данных изделий ЭВС плотность монтажа. Комбинированный метод. Комбинированный метод изготовления печатных плат заключается в химическом травлении фольгированного диэлектрика с последующей металлизацией монтажных отверстий. Комбинированный способ позволяет получать проводники шириной 0,1 мм и менее с расстоянием между ними 0,2 - 0,3 мм. Существует несколько модификаций метода, отличающихся по отдельным операциям. Конструирование печатных плат осуществляется ручным, полу автоматизированным и автоматизированным методами. Автоматизированный метод предусматривает кодирование исходных данных, размещение навесных изделий электронной техники (ИЭТ) и трассировку печатных проводников с использованием ЭВМ, что обеспечивает более высокую производительность при конструировании и разработке конструкторской документации. Особое значение при конструировании печатных плат имеет НТД: ГОСТы, ОСТы, СТП. В настоящее время их используется до нескольких десятков. Одними из основных документов являются: ГОСТ 23751-86 и ГОСТ 23752-79.ГОСТ 23751-86 устанавливает основные конструктивные параметры ПП (размеры печатных проводников, зазоров, контактных площадок, отверстий и т.п.), позиционные допуски расположения элементов конструкций, электрические параметры. ГОСТ 23752-79 определяет требования к конструкции ПП и ее внешнему виду, к электрическим параметрам, к паяемости и перепайке, к устойчивости при климатических и механических воздействиях. Печатные платы должны сохранять конструкцию, внешний вид и электрические параметры в пределах норм при климатических, механических, радиационных и других внешних и внутренних воздействиях. Поэтому, на первом этапе, по результатам изучения требований технического задания на проектирование изделия ЭВС в состав которого входят ПП (электронного модуля, печатного узла и т. п.), выясняют те из них, которые могут определить конструкцию и технико-экономические характеристики ПП. Например, условия эксплуатации, хранения и транспортирования, условия сборки узлов, требования по ремонтопригодности, технологичности, стоимости и др. При выборе типа печатной платы (ОПП, ДПП или МПП) обычно учитываются следующие факторы: возможность выполнения всех коммутационных соединений; возможность автоматизации процессов изготовления, контроля и при установке навесных ИЭТ; технико-экономические показатели как ПП, так и проектируемого изделия ЭВС, такие как, стоимость, габариты и др. Возможность выполнения всех коммутационных соединений может быть приближенно оценена путем расчета трассировочной способности и количества слоев ПП .При выборе типа ПП следует учитывать, что двусторонние печатные платы имеют сравнительно низкие коммутационные возможности, но одновременно обладают низкой стоимостью и повышенной ремонтопригодностью. Многослойные печатные платы, имея высокие коммутационные способности, высокую помехозащищенность электрических цепей, обладают высокой стоимостью конструкции и низкой ремонтопригодностью. Исходя из вышесказанного в конструкции модуля будем использовать многослойную печатную плату изготовленную комбинированным позитивным методом. После выбора типа печатной платы приступают к выбору класса точности изготовления печатных плат. ГОСТ 23751-86 устанавливает пять классов точности выполнения размеров элементов ПП. Печатные платы 1 и 2 классов точности просты в исполнении, надежны в эксплуатации и имеют минимальную стоимость; 3 класса - требуют использования высококачественных материалов, более точного инструмента и оборудования. Обычно проводящий рисунок на основании ПП 1-3 классов может быть получен обработкой фольгированных диэлектриков субстрактивными методами. Печатные платы 4 и 5 классов требуют специальных материалов, дорогостоящего прецизионного оборудования и особых условий для изготовления ПП. Создание печатного рисунка обычно достигается здесь избирательным нанесением металлических пленок при химическом и гальваническом осаждении металлов, нанесении пленок по тонкопленочной и толстопленочной технологии ( полуаддитивные и аддитивные методы ). Класс точности определяет наименьшие номинальные значения основных размеров конструктивных элементов, такие как: ширина проводника, расстояние между центрами (осями) двух соседних проводников (контактных площадок), ширина гарантированного пояска металлизации контактной площадки и др. Естественно, что выбор определенного класса точности на данной стадии конструирования должен быть в дальнейшем подтвержден соответствующими расчетами, вытекающими из требований к электрическим параметрам и надежности платы, а также из конструктивно-технологических и других соображений. Исходя из вышеизложенного выбираем третий класс точности печатной платы. Особое значение имеет выбор формы и размеров печатной платы. Приемлемым является расположение межсоединений или на одной ПП (идеальное решение) или хотя бы на минимальном их количестве. Вследствие этого целесообразно применение крупноформатных печатных плат. С другой стороны проще выполнять раскладку печатных проводников на небольшой плате. Поскольку важнейшими параметрами конструкций печатных плат являются электрические параметры, в значительной мере определяющие быстродействие ЭВС, то это обстоятельство также влияет на выбор размеров ПП. Другими критериями выбора размеров, формы, а также мест крепления ПП могут быть, например, установочные размеры узлов, размеры и форма ИЭТ; эксплуатационные характеристики ЭВС; использование автоматизированных методов установки навесных элементов, пайки, контроля, а также другие технико-экономические показатели. Размеры сторон печатных плат должны соответствовать ГОСТ 10317-79 и другим НТД, разработанным в его ограничение. Такими НТД, например, могут являться ГОСТы, ОСТы или СТП, определяющие типоразмеры конкретных систем базовых конструкций ЭВС. Обычно рекомендуется разрабатывать ПП прямоугольной формы с соотношением сторон не более 3:1. Толщину основания печатной платы H п ,в основном, определяют в зависимости от механических нагрузок на печатную плату и от ее конструктивных особенностей. Толщина печатной платы также определяет технологические возможности металлизации отверстий. Толщину МПП определяют толщиной материала основания с учетом толщины фольги. Если на печатной плате конструктивно размещаются концевые печатные контакты (ламели) разъемных соединителей прямого сочленения, то при выборе толщины ПП следует учитывать, что допуск на суммарную толщину ПП и на соединитель должны сопрягаться, следовательно, выбираем толщину печатной платы равную 2 мм. Выбор материала основания производят с учетом обеспечения электрических и физико-математических характеристик ПП в результате воздействия климатических факторов, механических нагрузок, агрессивных химических средств и т.п. В некоторых случаях в качестве материалов оснований печатных плат могут применяться нетрадиционные материалы: керамика, металлы с диэлектриками, композиционные и составные материалы . С целью обеспечения стабильности параметров печатных плат, обеспечения паяемости, защиты от коррозии, применяют конструктивные металлические покрытия. Материалами таких покрытий обычно являются: сплав Розе (1.5-3 мкм); сплав О-С (9-15 мкм); серебро-сурьма (6-12 мкм); медь (25-30 мкм) и др. Для защиты печатных проводников и поверхности основания печатной платы от воздействия припоя, для защиты элементов проводящего рисунка от замыкания навесными элементами возможно применение диэлектрических защитных покрытий на основе эпоксидных и др. смол, лаков, эмалей и т.п. 5.1.2 Конструкторско-технологический расчет элементов печатного рисунка Расчет элементов печатного рисунка обычно включает две основные стадии: конструкторско-технологический расчет параметров элементов и расчет электрических параметров. Наравне с электрическими параметрами печатных плат необходимо определить такие конструктивно-технологические параметры печатной платы, как ширина и шаг трассировки печатных проводников, диаметр контактных площадок, число проводников, которое можно провести между двумя соседними отверстиями, диаметр отверстий на плате до и после металлизации. При расчете элементов печатного монтажа следует учитывать технологические особенности производства, допуски на всевозможные отклонения значений параметров элементов печатного монтажа, установочных характеристик корпусов ИМС, требования по организации связей, вытекающие из схемы электронного функционального узла, а также перспективности выбранной технологии. Исходные данные для конструкторско-технологического расчета элементов плат следующие: шаг координатной сетки по ГОСТ 10317-79 и равный 2,5 мм; допуски на отклонения размеров и координат элементов печатной платы от номинальных значений, зависящих от уровня технологии, материалов и оборудования; установочные характеристики навесных элементов. Расстояние между центрами двух соседних отверстий на плате (контактных площадок) L условно делят на зоны : а) контактной площадки; б) печатного проводника; в) зазора (между контактными площадками, печатными проводниками и контактными площадками и проводниками); Понятие «зона печатного элемента» включает не только номинальное значение их размеров и координат, но и допуски на отклонение этих размеров от номинальных значений:
где
С учетом допусков на размеры печатных элементов:
где
Диаметр контактной площадки не может быть меньше величины, обеспечивающей гарантированную ширину металла вокруг просверленного отверстия. С учетом возможного смещения центра отверстия относительно центра контактной площадки:
где в с - диаметр зоны сверления с учетом допусков на смещение центра отверстия, мм;
Величина зоны сверления
где
Выводы ИМС и других навесных радиоэлементов вставляют в металлизированные отверстия печатной платы. Для этого необходимо, чтобы диаметр отверстия после металлизации был равен:
где
Следовательно,
С учетом толщины слоя металлизации стенок отверстий, диаметр отверстий определяется по формуле:
где Следовательно,
Шаг трассировки печатных проводников определяется выражением:
Следовательно,
Диаметр переходного отверстия рассчитывается по формуле:
где Следовательно,
Принимаем диаметр переходного отверстия равный По формуле (5.3) рассчитаем диаметр контактной площадки переходного отверстия:
По формуле (5.4) рассчитаем диаметр зоны сверления монтажных отверстий:
По формуле (5.5) рассчитаем диаметр контактной площадки монтажных отверстий:
Минимальное расстояние для прокладки
т.е. между двумя контактными площадками можно провести только один проводник. Подтвердим данный расчет, расчетом на ЭВМ. В приложении 1 приведены результаты расчета элементов печатного рисунка на ЭВМ. Произведем расчет максимальной длины печатных проводников.В печатных платах ЭВС проводники проходят на достаточно близком расстоянии друг от друга и имеют относительно малые линейные размеры сечения. При большом времени переключения и малых тактовых частотах параметры печатных проводников, соединяющих выходы этих элементов с входами других, не оказывают существенного воздействия на быстродействие всей схемы в целом и на помехоустойчивость элементов. С увеличением быстродействия схемы все большее значение приобретают вопросы высокочастотных связей. Особенно это важно в микроэлектронных изделиях, поскольку время переключения составляет единицы и доли наносекунд и высока плотность размещения микросхем. При передаче высокочастотных импульсных сигналов по печатным элементам платы из-за наличия индуктивного сопротивления проводников, взаимной индуктивности и емкости, сопротивления утечки между проводниками и др., сигналы задерживаются, «отражаются», искажаются, появляются также перекрестные помехи. Поэтому необходима проверка электрических параметров печатных проводников по переменному току. Распределение переменного тока по сечению печатного проводника вследствие поверхностного эффекта неравномерно. При протекании по проводнику высокочастотного переменного тока внутри проводника образуется магнитное поле, приводящее к возникновению индукционного тока, взаимодействующего с основным. Вследствие этого происходит перераспределение тока по сечению проводника, и в результате его плотность в периферийных областях сечения возрастает, а ближе к центру уменьшается. На очень больших частотах ток практически равен нулю во внутренних слоях проводника. Емкость между печатными проводниками, используемыми в качестве линий связи в логических схемах (также как индуктивность и взаимоиндуктивность) служит источником помех. Рассмотрим наиболее часто встречающиеся случаи. Емкость между параллельными печатными проводниками одинаковой ширины, расположенной на одной стороне платы:
где
где
Следовательно,
Емкость между двумя параллельными проводниками, расположенными по обе стороны печатной платы с толщиной диэлектрика:
где Следовательно,
Собственная индуктивность печатного проводника:
Следовательно,
Индуктивность двух параллельных печатных проводников шириной, расположенных с одной стороны печатной платы и с заземляющей плоскостью:
где Следовательно,
Индуктивность двух параллельных печатных проводников шириной, расположенных с одной стороны печатной платы без заземляющей плоскости:
Следовательно,
Конструктивная задержка в одиночном печатном проводнике зависит от паразитной индуктивности и емкости:
где
Следовательно,
Паразитная индуктивность и емкость определяются по формулам:
Следовательно,
Для определения допустимых величин паразитных связей на печатных платах следует учитывать динамическую помехоустойчивость применяемых микросхем. Ее следует рассчитывать для двух случаев: - ложное срабатывание: помеха может привести к переключению микросхем функционального узла, не предусмотренному алгоритмом его работы; - сбой сигнала: помеха накладывается на информационный сигнал и препятствует переключению микросхем функционального узла в соответствии с алгоритмом их работы. Динамическая помехоустойчивость микросхем характеризуется значениями амплитуды импульса помехи Значение допустимой величины паразитной емкости между двумя соседними проводниками, полученное на основе экспериментального определения помехоустойчивости микросхем для случаев ложного срабатывания и сбоя сигнала для микросхем серии 1533 соответственно равны Сбой сигнала следует учитывать в случае максимального быстродействия, при этом обеспечивается условие отсутствия ложных срабатываний. Экспериментально полученное значение допустимой величины индуктивности шин заземления Как видно из вышеизложенного расчета величины паразитной емкости между печатными проводниками и их индуктивность не превышают допустимых величин. Проверочный расчет помехоустойчивости печатной платы заключается в расчете допустимых длин проводников в зависимости от учета одновременного действия емкостной и индуктивной паразитной связи между двумя параллельно расположенными проводниками. В этом случае:
где
Следовательно,
Допустимая длина шины питания и земли определяется по формуле:
где
где
Следовательно,
По формуле (5.22) определим допустимую длину шины питания и земли:
Величину емкости конденсатора сглаживающего фильтра
где
Следовательно,
Для одновременного уменьшения низкочастотных и высокочастотных паразитных осцилляций в шинах питания рекомендуется параллельно низкочастотному конденсатору фильтра емкостью порядка Низкочастотные конденсаторы фильтра рекомендуется устанавливать по одному на каждый номинал питающего напряжения в непосредственной близости от разъема на плате. Таким образом, максимальная длина проводников получилась гораздо больше чем есть в данной конструкции, следовательно данному критерию плата соответствует. 5.2 Обоснование выбора материалов и применяемых конструкторских решений Проектирование современной электронно-вычислительной аппаратуры (ЭВА) основано на модульном принципе, на базе которого разработаны функционально-модульный, функционально-узловой и функционально-блочный методы конструирования. Основное требование при проектировании ЭВА состоит в том, чтобы создаваемое устройство было эффективнее своего аналога, то есть превосходило по качеству функционирования, степени миниатюризации. Современные конструирования должны обеспечивать снижение стоимости, в том числе и энергоемкости, уменьшение объема и массы; расширение области использования микроэлектронной базы, увеличение степени интеграции, микроминиатюризацию межэлементных соединений и элементов несущих конструкций; магнитную совместимость и интенсификацию теплоотвода, широкое внедрение методов оптимального конструирования, высокую технологичность, однородность структуры, максимальное использование стандартизации. Разрабатываемое нами устройство является печатной платой, следовательно, от правильного расположения корпусов микросхем зависят такие параметры как габариты, масса, надежность работы, помехоустойчивость. Чем плотнее будут располагаться корпуса микросхем на плоскости, тем сложнее автоматизировать их монтаж, тем более жестким будет температурный режим их работы, тем больший уровень помех будет наводиться в сигнальных связях. И наоборот, чем больше расстояние между микросхемами, тем менее эффективно используется физический объем машины, тем больше длина связей. Поэтому при установке микросхем на печатную плату следует учитывать все последствия выбора того или иного варианта размещения. Выбор шага микросхем на печатной плате определяется требуемой плотностью компоновки микросхем, температурным режимом работы, методом разработки топологии печатных плат, сложностью принципиальной схемы и конструктивными параметрами корпуса микросхемы. Вне зависимости от типа корпуса шаг установки микросхем рекомендуется принимать кратным 2,5мм. При этом зазоры между корпусами не должны быть меньше 1,5мм. Микросхемы на печатных платах располагаются линейно-многорядно, однако допускается их размещение в шахматном порядке. Такое размещение корпусов микросхем позволяет автоматизировать процессы сборки и контроля, с большей эффективностью использовать полезную площадь печатной платы и прямоугольную систему координат для определения места расположения корпусов. Корпуса микросхем со штыревыми выводами устанавливают только с одной стороны платы. Преимущество микросхем со штыревыми выводами - возможность автоматизации сборки и монтажа. Следует также учитывать, что аналоговые микросхемы следует размещать в одном месте платы, для исключения помех. На начальном этапе компоновки выберем размеры печатной платы соответствующим размерам оговоренных в техническом задании, а именно 120Х100 мм. В последующем эти размеры будут уточняться. При выборе материалов конструкции, также как и при выборе элементной базы, необходимо руководствоваться комплексом взаимосвязанных физико-механических, электрических, технологических, экономических и других требований. В первую очередь проведем выбор материала печатных плат. Основными материалами, применяемыми для изготовления печатных плат, являются слоистые пластики, состоящие из связки и наполнителя. Основные параметры этих материалов приведены в таблице 5.2.1. Таблица 5.2.1- Основные параметры слоистых пластиков
Выбор материалов для производства печатной платы нашего устройства необходимо производить исходя из условий его эксплуатации и условий проведения испытаний на прочность. Материал печатной платы должен обладать механической прочностью на изгиб и растяжение. Кроме этого материал печатной платы должен иметь диапазон рабочих температур не меньший, чем у всего устройства. Учитывая эти и другие требования можно выбрать в качестве материала печатной платы стелкотекстолит марки СФ2-35-2 ГОСТ 10316-78. При выборе припоя следует учитывать, что припой должен быть легкоплавким, недорогим и технологичным. Кроме этого припой должен обладать хорошей адгезией к меди, а также иметь малое переходное сопротивление. Выберем наиболее распространенный оловяно-свинцовый припой марки ПОС-61 ГОСТ 21931-76. Характеристики этого припоя приведены в таблице 5.2.2. Таблица 5.2.2 Характеристика припоя марки ПОС-61
5.3 Размещение элементов и трассировка печатной платы средствами САПР 5.3.1 Анализ топологии Проектирование современной электронно-вычислительной аппаратуры (ЭВА) основано на модульном принципе, на базе которого разработаны функционально-модульный, функционально-узловой и функционально-блочный методы конструирования. Основное требование при проектировании ЭВА состоит в том, чтобы создаваемое устройство было эффективнее своего аналога, то есть превосходило по качеству функционирования, степени минитюаризации. Современные методы конструирования должны обеспечивать снижение стоимости, в том числе и энергоемкости, уменьшение объема и массы; расширение области использования микроэлектронной базы, увеличение степени интеграции, микроминитюаризацию межэлементных соединений и элементов несущих конструкций; магнитную совместимость и интенсификацию теплоотвода, широкое внедрение методов оптимального конструирования, высокую технологичность, однородность структуры, максимальное использование стандартизации. Разрабатываемое нами устройство является печатной платой, следовательно, от правильного расположения корпусов микросхем зависят такие параметры как габариты, масса, надежность работы, помехоустойчивость. Чем плотнее будут располагаться корпуса микросхем на плоскости, тем сложнее автоматизировать их монтаж, тем более жестким будет температурный режим их работы, тем больший уровень помех будет наводиться в сигнальных связях. И наоборот, чем больше расстояние между микросхемами, тем менее эффективно используется физический объем машины, тем больше длина связей. Поэтому при установке микросхем на печатную плату следует учитывать все последствия выбора того или иного варианта размещения. Выбор шага микросхем на печатной плате определяется требуемой плотностью компоновки микросхем, температурным режимом работы, методом разработки топологии печатных плат, сложностью принципиальной схемы и конструктивными параметрами корпуса микросхемы. Вне зависимости от типа корпуса шаг установки микросхем рекомендуется принимать кратным 2,5мм. При этом зазоры между корпусами не должны быть меньше 1,5мм. Микросхемы на печатных платах располагаются линейно-многорядно, однако допускается их размещение в шахматном порядке. Такое размещение корпусов микросхем позволяет автоматизировать процессы сборки и контроля, с большей эффективностью использовать полезную площадь печатной платы и прямоугольную систему координат для определения места расположения корпусов. Корпуса микросхем со штыревыми выводами устанавливают только с одной стороны платы. Преимущество микросхем со штыревыми выводами - возможность автоматизации сборки и монтажа. Следует также учитывать, что аналоговые микросхемы следует размещать в одном месте платы, для исключения помех. Внедрение в инженерную практику методов автоматизации проектирования позволяет перейти от традиционного макетирования разрабатываемой аппаратуры к ее моделированию с помощью персональных компьютеров (ПК). Более того, с помощью ПК возможно осуществить цикл сквозного проектирования, включающий в себя: синтез структуры и схемы электрической принципиальной (ЭП) устройства, анализ его характеристик в различных режимах с учетом разброса параметров компонентов и наличия дестабилизирующих факторов и параметрическую оптимизацию, синтез топологии, включая размещение элементов на плате или кристалле, выпуск конструкторской документации (КД). Топология печатной платы (ПП) разрабатывается после завершения схемотехнического моделирования. На этом этапе осуществляется размещение элементов на ПП и трассировка соединений. Заключительным этапом разработки является проверка топологии. На нем проверяется соблюдение технологических норм, соответствие топологии схеме ЭП, а также рассчитываются электрические характеристики схемы с учетом паразитных параметров, присущих конкретной конструкции. Одни из наиболее распространённых систем автоматизированного проектирования на ПК – система PCAD фирмы ACCEL Technologies и система OrCad . В них содержатся редакторы принципиальных схем и многослойных ПП, программа автоматического размещения компонентов на ПП и трассировки соединений, выдача данных на станки с ЧПУ, а также вспомогательные сервисные программы. Для нанесения на чертежи схем и плат надписей создана программа рисования алфавитно-цифровых символов набором стандартных символов графических примитивов и вставки текста с помощью макрофайлов. Для окончательной доводки чертежей к виду, регламентированному требованиями ГОСТов, можно использовать систему AutoCAD. Система позволяет разрабатывать двухмерные чертежи и рисунки в различных областях человеческой деятельности, разрабатывать и моделировать каркасные и объемные конструкции. Данная система дает возможность редактировать чертежи, которые были импортированы из других пакетов, с последующей выдачей их на принтер или плоттер. В данном дипломном проекте, используя схему ЭП и исходные данные ТЗ, необходимо произвести топологический синтез печатной платы (ПП). В результате должны получиться чертежи топологии ПП и сборочный чертёж печатного узла. Исходными данными являются следующие документы и указания: 1. Схема электрическая принципиальная. 2. Способ монтажа — печатный. 3. Основные размеры печатной платы (ПП) в соответствии со стандартом МЭК297-3[1]; 4. Шаг координатной сетки и отверстий—2,5 мм; 5. Шаг трассировки печатных проводников, ширину печатных проводников, диаметр контактных площадок и переходных отверстий определить с использованием методики [2]; 6. Число слоёв ПП — не менее 2; 7. Коэффициент заполнения ПП - не менее 0,8. 8. Ввод электрической схемы, генерацию списка связей, компоновку и размещение элементов и трассировку ПП осуществлять средствами пакета САПР OrCad, учитывая результаты расчёта в п.5.1.1 и 5.1.2. 9. Передать результаты проектирования в систему AutoCad. 10. Чертежи ПП и печатного узла выполнить средствами пакета САПР AutoCad. Опишем некоторые особенности применяемых пакетов САПР. Система САПР Or-CAD позволяет выполнять: создание условных графических обозначений (УГО) элементов принципиальной схем; создание корпусов компонентов; графический ввод схемы электрической принципиальной и конструктивов ПП; 1- и 2-стороннее размещение компонентов (корпуса со штыревыми выводами) на ПП с печатными шинами; трассировка ПП проводниками произвольной ширины; автоматизированный контроль результатов разработки печатного узла на соответствие схеме ЭП и технологическим ограничениям (зазоры и т.д.); автоматическая коррекция схемы ЭП по результатам размещения и трассировки. Программный комплекс Or-CAD включает в себя взаимосвязанные пакеты программ, образующих систему сквозного проектирования ПП электронной аппаратуры. В ее состав входят следующие программы: · Or-CAD Capture – графический ввод и редактирование принципиальной электрической схемы, графический ввод и редактирование символов радиоэлектронных компонентов на принципиальных схемах; · Layout Plus – графический ввод и редактирование корпусов компонентов РЭА и стеков контактных площадок. Автоматическое или ручное размещение компонентов на плате; Система САПР Or-CAD не позволяет выполнять выпуск КД на печатный узел и подготовку ТД, удовлетворяющих, указанным в п.1 (анализ ТЗ), ГОСТам. Поэтому, как оговаривалось раньше, необходима доработка результатов проектирования средствами пакета САПР AutoCad. К таким доработкам относятся следующие: - редактирование ранее созданного текста; - создание текста содержащего символы кирилицы; - простановка размеров на печатном узле; В связи с тем, что в системе САПР AutoCad возможно более быстрое и эффективное создание графических примитивов, то рисование рамки, штампа основой надписи, редактирование ранее созданных графических примитивов в системе Or-CAD целесообразно производить средствами пакета САПР AutoCad. Так как эта система позволяет создавать окружности более сглаженной округлой формы (в дальнейшем это явно выразится при выводе результатов проектирования на печатающее устройство (принтер)), то необходимо произвести корректировку результатов, полученных в Or-CAD, средствами AutoCad. Как и система Or-CAD система AutoCAD поддерживает слойность чертежа. Слои обладают свойствами сходными со слоями Or-CAD, что дает возможность редактировать чертежи созданные Or-CAD-ом. Слои в AutoCAD могут содержать имя слоя, состоящее из символов и цифр-букв, они могут переходить из включенного состояния в выключенное и наоборот. Решение задачи топологического синтеза с помощью пакета САПР OrCAD сводится к получению чертежей топологии ПП в соответствии с созданной схемой ЭП и технологическими ограничениями на разрабатываемый печатный узел, оговоренными в исходных данных к курсовому проектированию. Для задания технологических ограничений необходимо использовать средства Layout или SmartRoute.Средствами программы Layout создаётся: контур ПП, барьеры для прокладки трасс в местах крепёжных отверстий печатного узла и технологической зоне по периметру платы. Производится размещение компонентов. Для этого определяется: - координатная сетка с шагом 2,5 мм, в узлах которой будут размещаться компоненты, а также определяется ориентация размещаемых на ней компонентов; - барьеры для прокладки трасс в местах крепления корпусов компонентов (разъёмов); - список компонентов для размещения и положение дискретных компонентов относительно основных, а также допустимые зазоры между компонентами. Затем производится фиксация компонентов (разъёмов), не подлежащих перемещению в дальнейшем. Используя средства программы Layout, задаются параметры и правила для трассировки ПП. Пункт Options / System Settings: - устанавливается метрическая система единиц, мм; - устанавливаются параметры координатной сетки – шаг основной координатной сетки, в узлах которой будут размещаться центры проводников и переходных отверстий, равен 1,25мм, шаг сетки размещения барьера и текста и шаг сетки размещения компонентов равен 2,5; 2. Пункт View / Database Spreadsheets / Layer. Просматривается и редактируется структура слоев. – слоям Top и Bottom ставим тип слоя Routing, слоям GND и POWER – Plane соответственно. 3. Пункт View / Database Spreadsheets / Padstacks. Просматриваются и редактируются стеки контактных площадок и переходные отверстия. Учитываем, что первый вывод в микросхеме должен быть отличной формы от других, поэтому установим его квадратным 4. Пункт View / Database Spreadsheets / Nets. Просматриваются и редактируются параметры цепей; – разрешаем повторную трассировку для перерасположения трассы; – разрешаем соеденять участеи цепи для Т- образных соеденений; – шинам “ земли” и питания задаем большй приоретет трассировки 5. Пункт Options / Global Spacing – приводим значения зазоров между проводниками, между проводниками и контактными площадками, между проводниками и отверстиями, между отверстиями для всех слоев ПП. 6. Пункт Options / Route Settings. Задаются глобальные параметры стратегии трассировки. 7. Пункт Options / Route Strategies / Manual Route. Задаются частные параметры стратегии трассировки. – Via cost - устанавливаем значение веса переходного отверстия равным 20. – Retry cost – при большом значении данного весового коэфициента увеличивается число повторных попыток расположить связь. Ставим значение 80. – Routed Limit – коэффициент влияния на длину трассы.Cтавим значение 100 – Attemps – число попыток перерасположить связь. Ставим 2. 8. Пункт Options / Route Strategies / Route Layers. Сведения о трассировке слоев. – Routing Enabled – разрешение трассировки в данном слое. – Layer Cost – коэффициент определяющий предпочтительные слои для трассировки. При высоком значении коэффициента трассировщик будет стараться избегать данный слой при трассировке. – Direction - весовой коэффициент направления трассировки. 9. Пункт Options / Route Strategies / Between – весовой коэффициент , который при большом значении ограничивает проведение связей между выводами. 10. Пункт Options / Route Strategies / Route Sweep – указываются параметры разверток. – 45S – разрешает проведение диогональных связей. 11. Пункт Options / Route Strategies / Route Passes – параметры прохода трассировки. – Name – имена проходов; – Pass – определяет проходы для данной разверки; – Enable – используемость данного прохода; – Options – тип прохода - Henristics; - Maze; - Auto DFM – алгоритм улучшения трассировки; - Fan out - алгоритм для развоки элементов с поверхностным монтажем; - Via Reduce – минимизатор ПО-ий; - Auto CDE – алгоритм , удаляет ошибки проекта. Именно в Layout Plus делаются начальные установки и расположение элементов на плате. Далее данные из Layout передаются в SmartRoute. SmartRoute – Быстрый трассировщик с малым количеством настроек и установок, предназначенный для тестовых промежуточных трассировок, особенно полезных при расстановке элементов по полю платы. Хорошо зарекомендовал себя при оконечной работе с простыми схемами, особенно на мелкой логике. Практика использования данного трассировщика показывает, что его применение в случае печатных плат с большой плотностью расположения компонентов и большим количеством связей даёт вполне приемлемый выходной результат, и при этом заметно сокращается время трассировки по сравнению с Layout Plus. После того, как мы растрассировали плату, необходимо оформить ее как чертежи топологии в соответствии с требованиями, регламентированными ГОСТами. Система OrCAD не позволяет полностью провести оформительскую работу, и поэтому воспользуемся системой AutoCAD. Для того чтобы AutoCAD смог “прочитать” чертежи, выполненные в системе Or-Cad, преобразуем файлы с расширением .max в файлы формата “.dxf”. После преобразования мы загружаем файлы в AutoCAD. Далее необходимо: нанести текст в штампе основной надписи, а также технические требования к полученным чертежам, сделать вид сбоку на полученный сборочный чертёж для получения информации о габаритах печатного узла, проставить необходимые размеры и допуски на изделие. 5.3.2 Оценка качества разработанной конструкции Оценку качества разрабатываемой конструкции можно проводится постепенно, по мере разработки конструкции. После создания базы данных принципиальной электрической схемы с помощью программы Capture выявляются ошибки, после их исправления можно приступить к разработке ПП. Для проверки принципиальной схемы в окне менеджера проекта необходимо выполнить команду Tools / Design Rules Check. В появившемся меню необходимо установить контроль всех параметров на наличие ошибок. Результаты проверки заносятся в текстовый файл с расширением .drc. В выходном файле приводится список ошибок каждого вида и их подробное описание. Теперь осуществим проверку платы на соответствие ее требуемым технологическим ограничениям. Как уже отмечалось ранне, трассировка платы производилась в SmartRout. Важным моментом можно отметить то обстоятельство, что программа SmartRoute не позволяет проводить после окончания процесса трассировки технологической проверки правильности разводки печатных проводников и соблюдения определённых норм. Так, чтобы провести данную проверку необходим обратный переход в Layout Plus. Утилита Design Rules Check проверяет разведенную базу данных ПП и выявляет не разведенные проводники, нарушение технологических требований к проектированию ПП. Результаты проверок приводятся в приложении. 5.4 Конструкторские расчеты 5.4.1 Компоновочный расчет устройства Компоновка блока - размещение на плоскости и в пространстве различных компонентов (радиодеталей, микросхем, блоков , приборов) РЭА - одна из важнейших задач при конструировании, поэтому очень важно выполнить рациональную компоновку элементов на самых ранних стадиях разработки РЭА. Основная задача, решаемая при компоновке РЭА - это правильный выбор форм, основных геометрических размеров, ориентировочное определение веса и расположения в пространстве любых элементов или изделий радиоэлектронной аппаратуры. На практике задача компоновки РЭА чаще всего решается при использовании готовых элементов с заданными формами, размерами и весом, которые должны быть расположены в пространстве или на плоскости с учетом электрических, магнитных, механических, тепловых и других видов связей. Имея принципиальную схему и компоновочный эскиз функционального узла, можно еще до разработки рабочих чертежей и изготовления лабораторного макета оценить возможный характер и величину паразитных связей, рассчитать тепловые режимы узла и его элементов, выполнить расчет надежности с учетом не только режимов работы схемы (электрические коэффициенты перегрузки), но и с учетом рабочих температур элементов. Методы компоновки элементов РЭА можно разбить на две группы: аналитические и модельные. К первым относятся численные (аналитические) и номографические, основой которых является представление геометрических параметров и операций с ними в виде чисел. Ко вторым относятся аппликационные, модельные, графические и натурные методы, основой которых является та или иная физическая модель элемента, например в виде геометрически подобного тела или обобщенной геометрической модели. Основой для всех является рассмотрение общих аналитических зависимостей. При аналитической компоновке мы оперируем с численными значениями различных компоновочных характеристик: геометрическими размерами элементов, их объемами, весом, энергопотреблением и т.п. Зная соответствующие компоновочные характеристики элементов изделия и законы их суммирования, можно вычислить компоновочные характеристики всего изделия и его частей. При аналитическом методе оцениваются габаритные размеры, объем и масса изделия по формулам: V = M = Km M = M' V, (5.4.3) где V, M – общий объем и масса изделия; kv – обобщенный коэффициент заполнения объема изделия элементами; Vi,Mi – значения установочных объемов и массы i-х элементов конструкции; Km – обобщенный коэффициент объемной массы изделия; М' – объемная масса аппарата; n – общее количество элементов конструкции изделия. Исходными данными для расчета являются: 1) количество элементов в блоке; 2) установочная площадь каждого элемента; 3) установочный объем каждого элемента; 4) установочный вес каждого элемента; 5) количество деталей; 6) объем блока; 7) вес блока; 8) количество наименований деталей; 9) линейные размеры. В соответствии с заданием kv = 0.5.Для прибора можно принять Мў=0.4кг/дм3 . Сведения об установочных размерах элементов и их массе сведены в таблицу 5.4.1 Таблица 5.4.1-Значение установочного объема и массы элементов изделия
Суммарный объем, занимаемый всеми элементами конструкции, посчитанный по табличным данным составляет:
По формуле (5.4.1)определяем ориентировочный объем блока: V=1787124м3 В соответствии с ТЗ габаритные размеры блока должны быть не более 185х145х100 мм. Согласно проведенным расчетам выбираем габаритные размеры блока 100х120х125 мм. По формуле (5.4.2) определяем ориентировочную массу блока: М =0.8кг В соответствии с ТЗ масса блока должна быть не более 2.5 кг. Также дополнительно можно определить параметр функционально-конструктивной сложности изделия, ПФКСИ. Величина ПФКСИ определяет степень использования платы активными элементами по отношению к общему количеству всех ЭРЭ, монтажных соединений Используя данные таблицы 5.4.1, имеем;;. Подставив данные в формулу (5.4.1) получим значение ПФКСИ = 27. По результатам расчета можно сделать вывод: полученные данные расчета вполне удовлетворяют требованиям технического задания. 5.4.2 Расчет показателей надежности устройства Проблема обеспечения надежности связана со всеми этапами создания изделия и всем периодом его практического использования. Надежность изделия в основном закладывается в процессе его конструирования и обеспечивается в процессе его изготовления путем правильного выбора технологии производства, контроля качества исходных материалов, полуфабрикатов и готовой продукции, контроля режимов и условий изготовления. Надежность обеспечивается применением правильных способов хранения изделия и поддерживается правильной эксплуатацией, планомерным уходом, профилактическим контролем и ремонтом. В зависимости от назначения объекта и условий его эксплуатации, надежность может включать безотказность, долговечность, ремонтопригодность и сохраняемость. Применительно к разрабатываемому устройству наиболее часто употребляются следующие показатели надежности: - вероятность безотказной работы - вероятность того, что в пределах заданной наработки отказ объекта не возникнет; - средняя наработка на отказ - отношение суммарной наработки объекта к математическому ожиданию числа отказов в течение этой наработки - заданная наработка (заданное время безотказной работы) - наработка, в течение которой объект должен безотказно работать для выполнения своих функций; - интенсивность отказов - вероятность отказов неремонтируемого изделия в единицу времени после заданного момента времени при условии, что до этого отказ не возникал. Другими словами - это число отказов в единицу времени отнесенное к среднему числу элементов, исправно работающих в данный момент времени. Оперируя этими понятиями можно судить о надежностных характеристиках изделия. Итак, произведем расчет надежности, приняв следующие допущения: - отказы случайны и независимы; - учитываются только внезапные отказы; - имеет место экспоненциальный закон надежности. Последнее допущение основано на том, что для аппаратуры, в которой имеют место только случайные отказы, действует экспоненциальный закон распределения - закон Пуассона - и вероятность работы в течение времени равна:
Учитывая то что с точки зрения надежности все основные функциональные узлы и элементы в изделии соединены последовательно и значения их надежностей не зависят друг от друга, т.е. выход из строя одного элемента не меняет надежности другого и приводит к внезапному отказу изделия, то надежность изделия в целом определяется как произведение значений надежности для отдельных
где Учет влияния режима работы и условий эксплуатации изделия при расчетах производится с помощью поправочного коэффициента
где Для точной оценки
где
Все После этого можно определить значение суммарной интенсивности отказов элементов изделия по формуле:
где
Исходные данные по группам элементов, необходимые для расчета показателей надежности приведены в таблице 5.4.2. Таблица 5.4.2 - Справочные и расчетные данные об элементах конструкции
Воспользовавшись данными таблицы 5.4.2 по формуле (5.4.10) можно определить суммарную интенсивность отказов Далее найдем среднюю наработку на отказ
Итак, имеем:
Вероятность безотказной работы определяется исходя из формулы (5.4.12), приведенной к следующему виду:
где Итак, имеем:
Среднее время восстановления определяется последующей формуле:
где
Подставив значения в формулу (5.4.9), получим среднее время восстановления Далее можно определить вероятность восстановления по формуле:
где Следовательно, по формуле (5.4.14) определим Таким образом, полученные данные удовлетворяют требованиям ТЗ по надежности, так как при заданном времени непрерывной работы 5.5 Описание конструкции модуля Устройство смонтировано на шасси из пластмассы. Лицевая и задняя панель выполнена съёмной. Корпус состоит из двух частей, крепящихся винтами.. Марки материалов, разрешенных к применению в данной отрасли промышленности регламентируется ведомственными нормами. На предприятиях существует более узкое ограничение марок материалов и сортаментов из числа разрешенных к применению ведомостной нормалью. Материалы, не вошедшие в перечень рекомендуемых, допускается применять в технически обоснованных случаях с разрешения органов стандартизации на предприятиях. Металлические детали проектируемого нашего прибора за отдельным исключением можно изготовить механической обработкой материалов, поставляемых металлургической промышленностью в виде прутков, полос, ленты и листов. Однако целесообразно использование стандартных винтов крепления. Технологические процессы, основанные на использовании способов прессования, обладают следующими основными преимуществами: - более высокая производительность; - меньший расход металла; - меньшее количество операций и меньшая производительность производственного цикла; - относительно постоянная и высокая степень точности, зависящая в основном от точности изготовления инструмента и в меньшей степени от мастерства рабочего; - благоприятные условия для механизации и автоматизации технологического процесса и для перехода на многостаночное обслуживание; - в большинстве случаев - экономия производственной площади. Выбор марки материала и заготовки имеет важное значение, так как определяет расход материала, трудоемкость процесса изготовления детали, конструкцию технологической оснастки и в конечном счете себестоимость детали. Важным показателем целесообразности выбора того или иного вида заготовки является коэффициент использования материала: К = Qд /Qз ,, (5.5.1) где Qд - вес готовой детали; Qз - вес заготовки. Большинство деталей в проектируемом устройстве сделаны методом горячей штамповки. Она обладает рядом преимуществ перед другими видами обработки материалов: - простота технологического процесса; - высокая производительность, позволяющая на большой площади при малом количестве единиц оборудования изготовить в короткие сроки большое количество деталей; - относительная и абсолютная дешевизна деталей; - возможность комбинирования с другими видами технологических процессов; - достаточная точность. Основа точной штамповки - высокая культура эксплуатации штампов. В соответствии с выбранным методом конструирования целесообразно выделить следующие основные функционально законченный узел - блок управления, выполняемый на отдельной печатной плате. При данном разбиении схемы электрической принципиальной обеспечивается минимальное количество связей между узлами, высокая ремонтопригодность изделия, минимальные величины паразитных наводок, уменьшение габаритов изделия. Компоновочные схемы блоков определяются количеством и видом составляющих элементов (дискретных радиодеталей, модульных узлов и микросхем) и их расположением. На компоновочные схемы блоков значительное влияние оказывают вспомогательные элементы (ручки, направляющие, фиксаторы, разъёмы и т.п.). Разрабатываемая конструкция с выбранной внутренней компоновкой прибора отвечает требованиям производственной технологичности, обеспечивает высокую ремонтопригодность изделия и удобство в эксплуатации. 5.6 Защита конструкции устройства от внешних и внутренних дестабилизирующих факторов В процессе эксплуатации разрабатываемый модуль подвергается воздействию различных факторов, отрицательно влияющих на его надёжность. К ним относятся: нагрев и охлаждение, изменение давления, влажности, химического и биологического состава среды, попадание пыли и песка, находящихся в земной атмосфере, солнечная и искусственная радиация, вибрации и удары. Для повышения надёжности блока необходимо в той или иной степени защитить его от воздействия этих факторов. 5.6.1 Выбор способа теплозащиты Способ охлаждения во многом определяет конструкцию РЭС. Поэтому уже на ранней стадии конструирования необходимо выбрать способ охлаждения блока, после чего можно приступить к предварительной проработке конструкции. Выбранный способ охлаждения должен обеспечить заданный по ТЗ тепловой режим блока. Как уже было отмечено, устройство управления представляет собой разборную конструкцию; блок управления монтируется в пластмассовом корпусе. Таким образом, при рассмотрении вопросов теплового режима необходимо подходить ко всему электронному блоку в целом. Для выбора способа охлаждения необходимы следующие исходные данные: -суммарная мощность P, рассеиваемая в блоке; P= 3 Вт; -диапазон возможного изменения температуры окружающей среды Тсmax, Tcmin; из раздела 1 имеем: Tcmax=55°C, Tcmin=-25°C; -пределы измерений давления окружающей среды Pmax, Pmin; из ранее сказанного имеем Pmax=106.7кПа, Pmin=84кПа; -время непрерывной работы T; будем считать, что режим работы длительный, т. е. T велико; -допустимые температуры элементов Ti; -коэффициент заполнения блока Kv=0,5; -размеры корпуса блока L1, L2, L3; размеры корпуса электронного блока согласно ТЗ: L1=100 мм, L2=120 мм, L3=125 мм. Определим площадь условной поверхности теплообмена:
где L1, L2, L3- соответственно длина, ширина и высота блока; Kv - коэффициент заполнения объёма корпуса.
За основной показатель, определяющий области целесообразного применения способа охлаждения, принимается величина плотности теплового потока, проходящего через поверхность теплообмена:
где P-суммарная мощность, рассеиваемая блоком с поверхности теплообмена; Kp - коэффициент, учитывающий давление воздуха. Для указанного диапазона давлений; Kp=1.
Значит Lg q=Lg7,89=0,9 Вторым показателем служит минимально допустимый перегрев элементов в блоке: dT=Ti min-Tc , (5.6.3) где Ti min - допустимая температура корпуса наименее теплостойкого элемента; Tc - температура окружающей среды. Для естественного охлаждения Tc=Tc max (5.6.4) Согласно данным, приведённым в подразделе, наименее теплостойкими элементами являются конденсаторы типа К50-6 и резисторы СП5-3. Для них Tmin=70°С. Таким образом dTc=70-40=30°C Далее, используя график зависимости dTc=f(lgq), приведённый на рисунке 7.8 [17], выбираем предпочтительный способ охлаждения. Вся методика расчёта и рисунок взяты из [17]. Рассчитанным выше значениям lg q и dT соответствует область 1. Для данной области целесообразно применение естественного воздушного охлаждения. Таким образом, для охлаждения измерительного блока выбираем естественное воздушное охлаждение. Такое охлаждение является наиболее простым, надёжным и дешёвым способом охлаждения и осуществляется без затрат дополнительной энергии. 5.6.2 Выбор способа герметизации Герметизация - обеспечение практической непроницаемости корпуса РЭС для жидкостей и газов с целью защиты его элементов и компонентов от влаги, плесневых грибов, пыли, песка, грязи и механических повреждений [20,21]. Различают индивидуальную, общую, частичную и полную герметизацию. Часто РЭС располагают в разъёмном герметичном корпусе, который затем заполняют сухим воздухом или инертным газом, после чего корпус запаивается. При размещении РЭС в неразъёмном корпусе существенно затрудняется доступ к компонентам. В соответствии с изложенным выше анализом климатических и дестабилизирующих факторов, делаем вывод, что для обеспечения нормальной работы блока измерения, выполнения всех требований ТЗ никаких работ по герметизации блока не требуется. 5.6.3 Выбор способа виброзащиты Под вибрациями понимают механические колебательные процессы, оказывающие при соответствующих уровнях дестабилизации влияние на работу аппаратуры. Вибропрочность - способность РЭС работать в условиях воздействия вибрационных нагрузок. Виброустойчивость - способность конструкции противостоять разрушающему действию вибрации и продолжать нормально работать после устранения вибрационных нагрузок [14]. Виброизоляция - эффективный способ повышения надёжности РЭС, функционирующих в условиях механических воздействий. Энергия механических колебаний поглощается специальными приспособлениями-виброизоляторами. Так как модуль эксплуатируется в стационарных условиях, то предполагаем, что для обеспечения виброзащиты достаточно применения опорных виброизоляторов. 5.6.4 Выбор способа экранирования Экранированием называется локализация электромагнитной энергии в определённом пространстве за счёт ограничения её распространения всеми возможными способами [23]. Предложенное ранее разделение схемы электрической принципиальной позволяет в наибольшей степени обеспечить её надёжное функционирование. Для экранировки от внешних магнитных полей блок заземляется. Внутренний электрический монтаж между узлами блока выполнен гибкими монтажными проводами, сигнальные цепи - гибким проводом в экранирующей оплётке. По цепям питания необходимо предусмотреть развязывающие фильтры. Предполагаемые мероприятия по экранированию должны обеспечить надёжную работу измерительного блока. Дополнительные требования к конструкции разрабатываемого блока могут быть скорректированы при последующем проектировании при проведении соответствующих расчётов[23]. 5.6.5 Обеспечение электрической прочности Проблема обеспечения электрической прочности ЭВА, особенно актуальна для элементов в интегральном исполнении и печатных плат, где зазоры между токоведущими дорожками малы и напряженность электрического поля может достигать больших значений при небольших напряжениях. Кроме того, пробивное напряжение снижается при повышении температуры диэлектрика, при сорбции влаги пылью и полимерными материалами. Явление образования, под действием электрического поля проводящего канала в диэлектрике, называется электрическим пробоем. У твердых диэлектриков кроме пробоя по объему, возможен пробой по поверхности в окружающей среде. напряжение такого пробоя зависит от природы окружающей диэлектрик Среды, содержания влаги, формы проводников, наличия загрязнения на поверхности диэлектрика и наличия веществ, способных поглощать влагу(например, разнообразные пыли). Для повышения пробивного напряжения платы покрывают лаком, исключают острые углы при трассировке печатных проводников, производят сушку плат перед нанесением лака, следят за содержанием пыли и влаги в газовой среде технологических помещений, увеличивают пробивной промежуток благодаря установке дополнительных ребер (высоковольтных изоляторов). Обеспечение электрической прочности тесно связано с проблемой влагозащиты. На выбор способа влагозащиты большое влияние оказывает объем производства. 6 Разработка технологических процессов 6.1 Оценка технологичность Анализ устройства на технологичность проводится с целью проверки, насколько изделие обеспечивает следующие требования: максимальное использование в конструкции изделия стандартных, нормализованных и заимствованных деталей и узлов; механизацию и автоматизацию отдельных технологических операций и всего процесса в целом; применение наиболее прогрессивных методов выполнения заготовительных, сборочных и контрольных операций; обоснованное определение классов чистоты и точности изготовления деталей и узлов; минимальное количество применяемых марок и типоразмеров материалов; применение типовых технологических процессов; использование стандартной и нормализованной технологической оснастки и оборудования. Анализ и отработка конструкции изделия на технологичность должны проводиться с учётом программы его выпуска и конкретных условий завода-изготовителя. Для объективной оценки технологичности изделия вводятся показатели технологичности, состоящие из системы частных Кчi и комплексного показателей и предназначенные для задания конструктору требований технологичности при проектировании нового изделия, а также ее оценки до передачи конструкции в производство. Методика расчета технологичности для электронных узлов приведена в [**]. Комплексный показатель технологичности определяется по формуле:
где Кi - коэффициент значимости i-го частного показателя технологичности, определяемый по методике изложенной в [**]. Коэффициент использования микросхем определяется по формуле:
где
По выражению (6.2) вычислим коэффициент использования микросхем:
Коэффициент автоматизации и механизации монтажа определяется по следующей формуле:
где
Значение коэффициента автоматизации и механизации монтажа согласно нашему технологическому процессу получаем равным (по выражению (6.3)):
Коэффициент механизации подготовки ЭРЭ определяется по следующей формуле:
где
Принимаем Коэффициент механизации контроля и настройки определяется по формуле:
где
Принимаем Коэффициент повторяемости ЭРЭ определяется по формуле:
где
Следовательно,
Коэффициент применяемости определяется по формуле:
где
Следовательно,
Подставляя полученные значения частных показателей и коэффициентов значимости в формулу (6.1) получим Полученное значение комплексного показателя технологичности удовлетворяет нормативным ограничениям от 0.6 до 0.9, указанных в ГОСТ 25360, что говорит о хорошей технологичности конструкции модуля. 6.2 Разработка технологического процесса сборки модуля Типовая структура технологического процесса изготовления модуля включает следующие операции: входной контроль элементов и печатных плат, подготовка к монтажу, установка комплектующих элементов на плату, нанесение флюса и его сушка, пайка, очистка от остатков флюса, контрольно-регулировочные работы, технологическая тренировка, маркировка, герметизация и приемо-сдаточные испытания. Сборка осуществляется согласно ГОСТ 23887-79. Входной контроль — это технологический процесс проверки поступающих на завод ЭРЭ, ИМС и ПП по параметрам, определяющим их работоспособность и надежность перед включением этих элементов в производство. Входной контроль комплектующих элементов может быть как 100 % так и выборочным. Подготовка ЭРЭ и ИМС включает распаковку элементов, выпрямление, зачистку, формовку, обрезку и лужение выводов, размещение элементов в технологической таре. Для проведение подготовительных операций разработано много типов технологического оборудования и оснастки. В условиях мелкосерийного производства подготовка осуществляется пооперационно с ручной подачей элементов. Установка элементов на печатные платы в зависимости от характера производства может выполняться вручную, механизированным и автоматизированными способами. Нанесение флюса на плату может осуществляться различными способами (кистью, погружением, потягиванием, распылением, вращающимися щетками, пенное и волной). Нанесенный слой флюса перед пайкой просушивается при температуре 353…375 К, а плата подогревается. Групповая пайка элементов со штыревыми выводами производится волной припоя на автоматизированных установках модульного типа. Процесс групповой пайки начинаются с подготовки поверхности ПП, которая заключается в зачистке мест пайки и обезжиривании. Зачистку выполняют эластичными кругами с абразивным порошком или металлическими щетками. Затем поверхность платы обезжиривают в растворе спирта с бензином и обдувают воздухом. Защита участков платы не подлежащих пайке, осуществляется маской из бумажной ленты, пропитанной костным клеем. Маску приклеивают к плате так, чтобы места пайки не выходили за пределы отверстий в маске. Вместо бумажной маски можно применять слой краски, наносимой через сетчатый трафарет. Краска должна противостоять непосредственному воздействию расплавленного припоя, температура которого доходит до 260 ° С. Следующим этапом является нанесение флюса и подогрев платы, который удаляет влагу и уменьшает термический удар в момент погружения платы в расплавленный припой. Пайка волной представляет собой процесс, при котором нагрев паяемых материалов, помещенных над ванной и подача припоя к месту соединения осуществляется стоячей волной припоя возбуждаемой в ванне. При пайке волной припоя устраняется возможность быстрого окисления припоя и температурных деформации платы. Заключительной операцией групповой пайки является удаление маски. Для этого ПП погружают на 0.8 … 0.9 ее толщины в ванну с горячей водой (t=40 ° С) и выдерживают до тех пор, пока она не отклеится (2…3 мин). Затем плату обдувают горячим воздухом до полного высыхания. Удаление остатков водорастворимых флюсов осуществляется путем промывки плат в горячей проточной воде с использованием мягких щеток или кистей. Следы канифольных флюсов удаляют промывкой в течение 0.5 … 1 мин, в таких растворителях, как спирт, смесь бензина и спирта (1:1), трихлорэтилен и др. Выходной контроль можно условно разделить на три последовательных этапа: 1) визуальный контроль правильности сборки и качества паяных соединений; 2)контроль правильности монтажа и поиск неисправностей; 3)функциональный контроль. При разработке технологии необходимо руководствоваться следующим: предшествующие операции не должны затруднять выполнение последующих; необходимо стремиться применять наиболее совершенные формы организации производства; при поточной сборке разбивка процесса на операции определяется ритмом сборки, причем время, затрачиваемое на выполнение каждой операции должно быть равно или кратно ритму; после наиболее ответственных операций сборки, а также после операций, содержащих регулировку или наладку, выводится контрольная операция или переход. Учитывая все выше изложенные операции, для выполнения технологического процесса сборки и монтажа модуля , можно предложить следующие виды отечественного и зарубежного оборудования : Автомат комплексной подготовки элементов АКПР-1.Он предназначен для формовки и лужения выводов ЭРЭ в цилиндрических корпусах. Построен он по модульному типу. В нем имеются входной и выходной магазин с прямоточными кассетами, пресс и штамп, линейный манипулятор, пульт управления. Автомат подготовки выводов конденсаторов из липкой ленты ВА-200 (ФРГ). Автомат формовки выводов ИМС ГГ-2629. Полуавтомат УР-5, предназначенный для установки навесных элементов на плату. Полуавтомат УР-10, предназначенный для установки ИМС на плату. Автомат УЗО-4М, предназначен для очистки плат от остатков флюса. Полуавтомат контроля и настройки электрических параметров CMG-100. Приспособление для визуального контроля ГГ6366У/012. Производится визуальный контроль качества сборки при увеличении 2,5. Автомат нанесения влагозащитного лака УЛПМ-901. Ориентировочный технологический процесс сборки модуля приведен в таблице 6.2.1. Таблица 6.2.1 – Ориентировочный технологический процесс сборки модуля.
Маршрутная карта на техпроцесс изготовления печатной платы приведена в приложении. 8 ТЕХНИКО-ЭКОНОМИЧЕСКОЕ ОБОСНОВАНИЕ ДИПЛОМНОГО ПРОЕКТА 8.1 Характеристика изделия «Модуль управления временными параметрами». Обоснование объема производства и расчетного периода Модуль управления временными параметрами – электронное устройство, которое можно использовать для контроля времени и сбора информации в модулях промышленной автоматики. Модуль относится к среднему классу по своим техническим характеристикам и выполняет следующие функции : -отсчет времени; -ввод с клавиатуры требуемого значения времени, вывод текущего значения на ЖКИ ; -обмен информацией с центральным компьютером ; -регистрация текущих значений времени энергонезависимой памяти; Применение настоящего устройства позволяет повысить точность и надежность работы промышленных автоматов.. Стоимость зарубежных образцов такого же класса колеблется около 15 долларов США. Возможный объем производства прогнозируется исходя из объема потенциальных потребителей, которыми выступают небольшие предприятия-производители . Исследование рынка сбыта позволило определить реальный объем продаж - 10000 штук в каждый год расчетного периода, который составит 4 года. 8.2 Определение себестоимости и рыночной цены единицы изделия Себестоимость продукции представляет собой сумму текущих затрат предприятия на её производство и реализацию. Для определения суммарных текущих издержек необходимо рассчитать себестоимость каждой единицы выпускаемой продукции. 8.2.1 Расчёт затрат по статье “Сырьё и материалы за вычетом возвратных отходов” представлен в табл. 1. Таблица 1- Расчёт затрат на основные и вспомогательные материалы
8.2.2 Расчёт затрат по статье “Покупные комплектующие изделия, полуфабрикаты и услуги производственного характера” представлен в табл. 2. Таблица 2- Расчёт затрат на покупные комплектующие изделия и полуфабрикаты
8.2.3Расчёт затрат по статье “Основная заработная плата производственных рабочих” представлен в табл. 3. Таблица 3-Расчет основной заработной платы производственных рабочих по видам работ
8.2.4. Расчёт затрат по статье “ Дополнительная заработная плата основных производственных рабочих” Формула расчёта имеет вид где HД – процент дополнительной заработной платы производственных рабочих, равный 20 %. Тогда дополнительная заработная плата производственных рабочих Зд = 299*0,2=60 р. 8.2.5 Расчёт затрат по статье “Отчисления в фонд социальной защиты населения”. Согласно действующему законодательству ставка отчислений составляет 35%, тогда затраты по этой статье равны Рсоц = (298,7 + 59.7) * 0,35 = 126 р. 8.2.6 Расчёт отчислений в фонд занятости и Чрезвычайный “чернобыльский” налог В эту статью включаются Чрезвычайный (чернобыльский) налог в размере 4% и отчисления в фонд занятости - 0,5% в соответствии с действующим законодательством. Рно = (298,7 + 59.7) * 0,045 = 26,1 р. Расчет себестоимости и отпускной цены единицы продукции представлен в табл. 4. Таблица 4-Расчёт себестоимости и отпускной цены единицы продукции
8.3 Расчет стоимостной оценки затрат Стоимостная оценка затрат у производителя новой техники определяется с учетом затрат, необходимых для ее разработки и производства. Единовременные затраты в сфере производства включают предпроизводственные затраты (КППЗ ) и единовременные капитальные вложения в производственные фонды завода-изготовителя (КПФ ). Предпроизводственные затраты определяются по формуле КППЗ = ЗНИОКР + КОСВ , (8.3.1) где ЗНИОКР – сметная стоимость НИОКР, ден. ед.; КОСВ – затраты на освоение производства, доработку опытного образца продукции, изготовление моделей и макетов, ден. ед 8.3.1 Расчёт сметной стоимости НИОКР Смета затрат на проведение научно-исследовательских и опытно-конструкторских работ рассчитывается по следующим статьям: - материалы и комплектующие; - расходы на оплату труда; - отчисления в фонд социальной защиты; - расходы на служебные командировки; - услуги сторонних организаций; - прочие прямые расходы; - налоги включаемые в себестоимость; - плановая (нормативная) прибыль; - добавленная стоимость; - налог на добавленную стоимость; - отчисления на содержание ведомственного жилого фонда и аграрный налог. Расчёт сметной стоимости материалов приведён в таблице 5. Таблица 5 – Расчёт стоимости материалов и комплектующих
Расчёт основной заработной платы участников НИОКР приведён в таблице 6. Таблица 6 - Расчёт основной заработной платы научно-технического персонала
Полная смета затрат на НИОКР приведена в таблице 7 Таблица 7 - Полная смета затрат на НИОКР
Таким образом, сметная стоимость НИОКР составила: 10189576 руб. 8.3.2. Расчет единовременных затрат Единовременные затраты в сфере производства включают предпроизводственные затраты (КППЗ ) и единовременные капитальные вложения в производственные фонды завода-изготовителя (КПФ ). Единовременные капитальные вложения рассчитываются по формуле: Кпф = КОК + КОС, где КОК – капитальные вложения в основной капитал; КОС – капитальные вложения в прирост оборотных средств. Расчет капитальных вложений в технологическое оборудование, используемое при производстве продукции представлен в табл.8. Таблица 8-Оборудование, необходимое для производства изделия
Эффективный фонд времени работы единицы оборудования (ФЭФ ) рассчитывается исходя из двухсменного режима работы, продолжительности смены, равной 8 часам, и коэффициента потерь на ремонт 0,96 по формуле ФЭФ = ДР S tСМ КР = 256 *2 * 8 *0,96 =3932,16 ч Планируемый коэффициент выполнения норм времени для всех групп оборудования равен 1,05. Расчетное количество оборудования округляется до целого числа и называется принятым количеством рабочих мест (nПР ). Расчет количества оборудования должен производиться по всем его группам (видам работ): Количество сборочных столов nсс = 10000 * 0,55/3932,16*1,05=1,33~ = 1 единица. Количество монтажных столов nмс = 10000 * 0,15/4128,768 = 0,37 ~ 1 единица. Количество столов для контроля nкс = 10000 * 0,15/4128,768 = 0,37 ~ 1 единица. Количество столов для упаковки nупс = 10000 * 0,01/4128,768 = = 1 единица. Количество установок пайки волной nпв = 10000 * 0,05/4128,768 = 0,18 ~ 1 единица. Общая величина капитальных вложений в оборудование равна Коб = (150000 +150000 + 160000 +150000 + 754000) * 1,15 * 1,1 = 1725460 р. 8.3.2.1 Расчёт величины капитальных вложений в здания Капитальные вложения в здания определяются на основании расчёта производственных площадей. Площадь, занимаемая технологическим оборудованием, равна SОБ = 6 + 8 + 8 + 6 + 12 = 40 кв. м. Площадь, занимаемая служащими, специалистами и руководителями, равна SA = 40 * 0,5 = 20 кв. м. Площадь под складские помещения равна SСК = 40 * 0,4 = 16 кв.м. Площадь под санитарно-бытовыми помещениями равна SБЫТ = 40 * 0,3 = 12 кв. м. Общая площадь зданий проектируемого предприятия включает следующие составляющие SЗД = 40 + 20 + 16 + 12 = 88 кв. м. Величина капитальных вложений в здания равна КЗД = 88 * 330000 = 29040000 р. Результаты расчёта вложений в основной капитал сводятся в табл. 9. Таблица 9 - Инвестиции в основной капитал
8.3.2.2 Расчет капитальных вложений в оборотный капитал В состав оборотных средств (оборотного капитала) включаются денежные средства, необходимые для создания оборотных производственных фондов и фондов обращения. Капитальные вложения в оборотный капитал определяются в процентах от основного капитала и будут равны КОС = 0,3 * 31943460 = 9583038 р. Результаты расчета инвестиций в производственные фонды (единовременные затраты) приведены свести в табл. 10. Таблица 10- Инвестиции в основной и оборотный капитал (единовременные затраты)
8.4 Расчет стоимостной оценки результата Результатом в сфере производства нового изделия является абсолютная величина чистой прибыли, полученная от реализации продукции, и амортизационные отчисления, которые являются источником компенсации инвестиций. 8.4.1. Расчёт амортизационных отчислений основного капитала Годовая сумма амортизационных отчислений определяется на основе типовых единых норм амортизационных отчислений на полное восстановление основных фондов. Расчёт амортизационных отчислений по годам представлен в табл. 11. Таблица 11- Расчёт амортизации основных фондов
8.4.2 Расчет чистой прибыли от реализации продукции Чистая прибыль (прибыль, остающаяся в распоряжении предприятия) определяется следующим образом: ПЧ = Пед * Nt (1 – Нп/100), (2.20) где Пед - прибыль на единицу изделия в году t, ден. ед.; Nt – объем выпуска продукции в году t, шт. НП – ставка налога на прибыль (24 %) . Расчет чистой прибыли представлен в табл. 12. Таблица 12- Расчет чистой прибыли
8.5 Расчет экономического эффекта у производителя новой техники При расчете коэффициентов дисконтирования по годам использовалась норма дисконта Ен = 40%. Расчет экономического эффекта целесообразно осуществлять в табличной форме (табл.13). Таблица 13-Расчет экономического эффекта у производителя новой техники
8.6 Определение срока окупаемости и рентабельности проекта Расчет срока окупаемости инвестиций. Как видно из таблицы инвестиции окупятся на четвертый год производства и реализации модуля. Ток = 36,92/9,0195 = 4,1 года . Расчет рентабельности инвестиций R = 18,039/51,71* 100% = 35%. 8.7 Выводы В процессе технико-экономического обоснования инвестиционного проекта по внедрению в производство модуля питания телевизионных приемников были получены следующие результаты: 1. Интегральный экономический эффект от внедрения в производство изделия за четыре года составил 36227000 ден. ед.; 2. Срок окупаемости инвестиций составляет 4,1 года, т.е. все затраты окупятся на четвертый год; 3. Рентабельность инвестиций составит 35 %; 4. Низкие издержки производства, позволяют установить цену на уровне 8 долларов, что меньше цен зарубежных аналогов. Это при одинаковом качестве изделий даст возможность предприятию расширить рынок своей продукции, и, следовательно, увеличивать прибыль. Полученные результаты свидетельствуют о том, что данный проект является экономически целесообразным и его реализация принесет предприятию коммерческий успех. 9 ОХРАНА ТРУДА И ЭКОЛОГИЧЕСКАЯ БЕЗОПАСНОСТЬ 9.1Обеспечение эргономичности устройства управления временными параметрами на базе ЦПС и условий его эксплуатации Разрабатываемое устройство предполагается использовать в качестве управляющего оборудования в модулях промышленной автоматики.Эскиз панели управления приведён на рисунке 1.
Рис.9.1 Эскиз панели управления Процесс управления осуществляется следующим образом: а)оператор путем нажатия кнопки « Сброс » приводит устройство в состояние готовности к работе. б)используя наборное поле задает значения временных интервалов и параметры контролируемого параметра ; в)кнопкой «Ok» непосредственно включает систему в режим автоматики. Местом применения устройства является шкаф или стойка. Данное пространство можно охарактеризовать следующей совокупностью вредных и опасных и факторов, сопутствующих при работе с проектируемым объектом : недостаточная аэронизация воздуха; недостаточное или некачественное освещение; низкие эргономические показатели рабочего места. Нормирование естественного и искусственного освещения производится СНиП 11-4–79 в зависимости от характеристики зрительной работы и объекта различения[ ]. Освещение на рабочем месте должно быть таким, чтобы работающий мог без напряжения зрения выполнять свою работу. Недостаточность освещения приводит к напряжению зрения, преждевременной усталости и ослабляет внимание. В этих условиях для нормального функционирования системы человек- машина (СЧМ) необходимо обеспечить высокие эргономические качества изделия. Общие эргономические требования к производственному оборудованию регламентируются ГОСТ 12.2.049-80. Основными эргономическими показателями проектируемого являются: размер лицевой панели; размеры и форма органов управления, а также усилия необходимые для управления ими; размеры надписей и знаков; световые характеристики индикаторов и надписей; яркостные характеристики индикаторов. Выбор конкретного типа компонента лицевой панели должен проводиться на основе комплексного подхода, при котором учитывается и согласовывается множество различных и часто противоречивых факторов. Произведем расчет следующих эргономических показателей устройства : размеров лицевой панели; размеров компонентов лицевой панели; эргономических характеристик органов управления лицевой панели.Размеры лицевой панели определяются не только конкретными требованиями (суммарной площадью компонентов, расположением на панели, коэффициентом заполнения панели), но и эргономическими и психофизическими требованиями человека – оператора. Максимально допустимый размер лицевой панели определяется исходя из горизонтального и вертикального угловых размеров зоны периферического зрения оператора и заданного расстояния до лицевой панели. Тогда максимальная длина, высота и площадь лицевой панели можно рассчитать из выражений [ ]
где L=50 см – расстояние до лицевой панели;
Получим, Минимальная площадь лицевой панели, удовлетворяющая эргономическим требованиям , может быть определена из соотношения
где N – количество компонентов, устанавливаемых на лицевую панель; SПЗ – площадь оперативного поля зрения,определенная по формуле
где Учитывается, что в поле зрения оператора должно попадать 4…8 компонентов лицевой панели (примем 6) и приняв Фактическая площадь лицевой панели выбирается из условия:
В данном случае:
Минимально допустимая высота знака надписей, позволяющая оператору надежно их распознавать, определяется по формуле
где Минимально допустимая ширина знака оценивается выражением
где Получим Все компоненты должны иметь не только соответствующие размеры, но и выделяться на фоне лицевой панели при соответствующей внешней освещенности, т.е. они должны иметь необходимый контраст по отношению к фону:
где К – коэффициент контраста. Рассчитаем коэффициент контраста для индикатора . Он будет иметь обратный контраст:
где ВФ - яркость фона; ВП - яркость предмета (индикатора). Яркость фона определяется из соотношения
где
Яркость индикатора оценивается соотношением
где I - сила света источника ( I = 0,9 мкКд - светодиод АЛ 307 Б - красного цвета свечения );
В результате получим, что Органы управления, являющиеся компонентами лицевой панели, должны быть не только хорошо различимы на лицевой панели, но и отвечать эргономическим требованиям. Их форма должна быть удобной для захвата рукой оператора, а размеры обеспечивать требуемые усилия для приведения их в действие. Для приводных элементов нажимного действия (кнопки управления) их размер (площадь) может быть определена по формуле
где
Кнопки наборного поля имеют сопротивление нажатию Fдоп= 3Н , площадь оси
Лицевая панель управления выполнена черного цвета для обеспечения требуемых контрастов и надписей . Надписи выполнены белой несмываемой краской, шрифтом не менее 4мм. Кнопка « Cброс » располагается в левом верхнем углу, так как большинство людей работают правой рукой, а операции с данным органом управления будут производиться редко,индикаторы в центре , а наборное поле с правой стороны для более лёгкого доступа правой рукой. Проанализировав все приведенные выше расчеты можно сделать выводы о том, что спроектированное устройство управления временными параметрами на базе ЦПС удовлетворяет эргономическим и эстетическим требованиям, предъявляемых к блокам такого типа. Список использованных источников 1. Романов Ф.И., Шахнов В.А., “Конструкционные системы микро- и персональных ЭВМ”, Москва, ВШ, 1995г. 2. Шерстнёв В.В., “Конструирование и микроминиатюризация ЭВМ”, Москва, ВШ, 1984г. |
|||||||||||||||||||||||||||||||||||||||||||||||||||||||||||||||||||||||||||||||||||||||||||||||||||||||||||||||||||||||||||||||||||||||||||||||||||||||||||||||||||||||||||||||||||||||||||||||||||||||||||||||||||||||||||||||||||||||||||||||||||||||||||||||||||||||||||||||||||||||||||||||||||||||||||||||||||||||||||||||||||||||||||||||||||||||||||||||||||||||||||||||||||||||||||||||||||||||||||||||||||||||||||||||||||||||||||||||||||||||||||||||||||||||||||||||||||||||||||||||||||||||||||||||||||||||||||||||||||||||||||||||||||||||||||||||||||||||||||||||||||||||||||||||||||||||||||||||||||||||||||||||||||||||||||||||||||||||||||||||||||||||||||||||||||||||||||||||||||||||||||||||||||||||||||||||||||||||||||||||||||||||||||||||||||||||||||||||||||||||||||||||||||||||||||||||||||||||||||||||||||||||||||||||||||||||||||||||||||||||||||||||||||||||||||||||||||||||||||||||||||||||||||||||||||||||||||||||||||||||||||||||||||||||||||||||||||||||||||||||||||||||||||||||||||||||||||||||||||||||








(5.9)
(5.11)
(5.12)
(5.13)
(5.14)
(5.16)
(5.17)
(5.18)
(5.19)
(5.20)
,

(5.21)
(5.22)

, (5.23)
.
, (5.4.10)
1/ч
(5.4.11)
, (5.4.13)
, (5.4.14)
(6.1)
(6.2)
(6.3)
(6.4)
(6.5)
(6.6)
(6.7)
,

(9.1)
, (9.2)
, (9.4)
, (9.5)
, (9.7)
, (9.10)
, (9.12)
, (9.13)
²