Курсовая работа: Разработка маломощного стабилизированного источника питания
|
Название: Разработка маломощного стабилизированного источника питания Раздел: Рефераты по коммуникации и связи Тип: курсовая работа | |||||||||||||||||||||||||||||||||||||||||||||||||||||||||||||||||
МИНИСТЕРСТВО ОБРАЗОВАНИЯ И НАУКИ УКРАИНЫ Донбасский Государственный Технический Университет Кафедра Электронные системы КУРСОВАЯ РАБОТА на тему: "Разработка маломощного стабилизированного источника питания" Алчевск 2005 РефератКурсовая работа содержит 39 листов, 9 рисунков, 7 таблиц, 11 источников различной технической литературы и справочников, 3 приложения, которые содержат схему, габаритные размеры трансформаторов, параметры транзисторов, диодов, стабилитрона, резисторов, конденсаторов. Расчет вёлся в программах Mathcad и MicrosoftWord. Ключевые слова: трансформатор, выпрямитель, сглаживающий фильтр, стабилизатор напряжения, КПД, охладитель. СодержаниеВведение Реферат 1. Аналитический обзор 2. Разработка структурной и принципиальной схем 2.1 Разработка структурной схемы 2.2 Разработка принципиальной схемы 3. Расчет и выбор элементов принципиальной схемы 3.1 Расчет параметров и выбор трансформатора 3.2 Расчет выпрямителя 3.3 Расчет сглаживающего фильтра 3.4 Расчет стабилизатора напряжения 3.5 Расчет внешней характеристики 3.6 Расчет коэффициента полезного действия 3.7 Расчет охладителя Заключение Литература ВведениеВ каждом электронном устройстве имеется источник электропитания, от нормального функционирования которого зависит работоспособность всего устройства. Эти источники разнообразны, и выбор того или иного из них определяется потребляемой мощностью, видом питаемого электронного устройства, а также условиями его эксплуатации. В одних случаях источники питания конструктивно объединены с питаемым устройством, в других – отделены от него и представляют собой самостоятельную конструкцию. Основным источником электрической энергии для промышленных предприятий являются энергосистемы или местные электрические станции, вырабатывающие переменный ток с частотой 50 Гц. Однако для непосредственного питания электронной аппаратуры промышленного и бытового назначения требуется, в основном, постоянный ток. Все современные электропитающие устройства подразделяются на первичные и вторичные источники электрической энергии. К первичным относятся все непосредственные преобразователи различных видов энергии в электрическую: гальванические и топливные элементы, солнечные батареи, атомные элементы и батареи, электромашинные и термоэлектрические генераторы, термоэлектронные источники тока и магнитогидродинамические (МГД) генераторы. Вторичными считаются все виды преобразователей тока, в том числе, выпрямители со сглаживающими фильтрами, стабилизаторы напряжения и тока, преобразователи постоянного тока, различные электронные генераторы тока высокой и повышенной частот. Сюда же относятся также аккумуляторы, поскольку их можно использовать как источники питания лишь после предварительной зарядки. 1. Аналитический обзорСуществует несколько наиболее используемых вариантов схем маломощных блоков питания (рис. 1.1 – 1.4). Для выбора одной из них целесообразно коротко рассмотреть их структуры и основные характеристики.
Рисунок 1.1 – Структурная схема блока питания с линейным стабилизатором напряжения
Рисунок 1.2 – Структурная схема блока питания с импульсным стабилизатором напряжения
Рисунок 1.3 – Структурная схема блока питания с управляемым выпрямителем
Рисунок 1.4 – Структурная схема блока питания с защитой по току и импульсным стабилизатором напряжения Схема с линейным стабилизатором напряжения (рис. 1.1) характеризуется невысокими значениями КПД, порядка 50%, наличием низкочастотного трансформатора. В сравнении с другими схемами реализуется наиболее просто. Схема с импульсным стабилизатором (рис. 1.2) может обеспечить достаточно широкий диапазон регулирования выходного напряжения. Обеспечивает КПД порядка 90… 100%. В данной схеме может отсутствовать трансформатор. Однако импульсный стабилизатор напряжения содержит достаточно сложную систему управления, с обратной связью, которая должна реализовывать алгоритм ШИМ. Эта схема является достаточно сложной для реализации. Схема с управляемым выпрямителем (рис. 1.3) также, как и схема с импульсным стабилизатором, может обеспечивать достаточно широкий диапазон регулирования. Однако эта схема также содержит достаточно сложную систему управления с обратной связью. В связи с тем, что регулирование происходит на низкой частоте (импульсно-фазовое управление), то возникают дополнительные сложности при выборе выходных фильтров. При равных коэффициентах пульсации напряжения на нагрузке фильтр этой схемы должен иметь значительно большие габариты. Схема с защитой по току и импульсным стабилизатором (рис. 1.4) еще больше усложняет решение поставленной задачи, т.к. ее реализация предусматривает объединение двух предыдущих схем (рис. 1.2, 1.3). Из вышеизложенного следует, что схема с компенсационным (линейным) стабилизатором является наиболее простой в реализации и может с успехом использоваться для решения поставленной задачи. 2. Разработка структурной и принципиальной схем 2.1 Разработка структурной схемы В результате проведенного аналитического обзора следует остановить внимание на схеме источника питания с компенсационным стабилизатором напряжения.
Рисунок 2.1 – Структурная схема разрабатываемого блока питания Рассмотрим основные блоки структурной схемы. Поскольку напряжение на нагрузке значительно меньше сетевого напряжения, то для его понижения необходим трансформатор. Выпрямитель преобразует переменное напряжение вторичной обмотки трансформатора U2 в выпрямленное пульсирующее напряжение Ud . Выпрямленное пульсирующее напряжение непригодно для того, чтобы его непосредственно подавать на вход стабилизатора. Для уменьшения пульсации выпрямленного напряжения применен сглаживающий фильтр. Конечный узел источника питания – компенсационный стабилизатор напряжения. На выходе стабилизатора получается плавно регулируемое стабилизированное напряжение требуемой величины. 2.2 Разработка принципиальной схемы Схему электрическую принципиальную блока питания разработаем в соответствии со структурной схемой. В качестве выпрямителя в задании предусмотрена мостовая схема выпрямления. По сравнению с нулевой схемой выпрямления она имеет следующие недостатки: – напряжение на вентилях в два раза больше; – типовая мощность трансформатора больше; – необходимость средней точки трансформатора; – напряжение вторичной обмотки трансформатора больше. Однако имеются и некоторые преимущества: – используются 2 вентиля вместо 4-х; – внутреннее сопротивление выпрямителя меньше в связи с одновременной работой одного вентиля. Из вышесказанного следует, что трансформатор будет иметь две обмотки: первичную и вторичную, причем вторичная обмотка не содержит средний вывод. В качестве сглаживающего фильтра заданием предусмотрено использование либо C-, либо LC-фильтра. L-фильтр обычно используется при небольших напряжениях и значительных токах нагрузки, чаще всего в схемах источников питания большой мощности (свыше 1000 Вт). Он характеризуется простотой и относительной дешевизной. Сглаживающий LC-фильтр применяется в схемах средней и большой мощностей. Недостатки, присущие L-фильтру, в LC-фильтре отсутствуют. Кроме того величина индуктивности в LC-фильтре может быть значительно меньше, чем в L-фильтре, при условии получения такого же коэффициента сглаживания. Недостатком LC-фильтра является более сложная конструкция и, возможно, большие габариты. Очевидно, что в нашем случае можно применить как C-, так и LC-фильтр. Остановимся на схеме сглаживающего C-фильтра. Что касается компенсационного стабилизатора напряжения, то его схемных решений известно довольно большое количество, однако все они разделяются на два основных типа: схемы параллельного и последовательного типов (рис. 2.2).
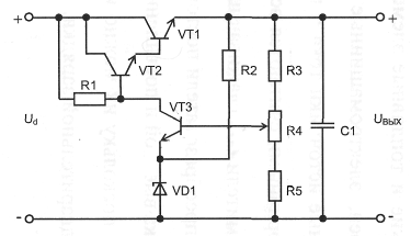
Рисунок 2.2 – Структурные схемы компенсационных стабилизаторов: а) параллельного типа, б) последовательного типа РЭ – регулирующий элемент, У – усилитель сигнала рассогласования, ИЭ – измерительный элемент. Кратко остановимся на каждом из типов схем стабилизации. Оба типа схем могут обеспечить близкие по значению коэффициенты стабилизации. Однако схема параллельного стабилизатора обязательно должна содержать балластный резистор R-б, на котором неизбежно будет падать часть напряжения, вследствие чего КПД схемы снижается. Схема стабилизатора последовательного типа балластного резистора не содержит, регулирование происходит за счет изменения сопротивления регулирующего элемента РЭ. КПД здесь по сравнению со схемой параллельного типа значительно выше. Следует отметить, однако, что последовательный стабилизатор боится короткого замыкания в нагрузке, а параллельный – нет, т.к. ток КЗ ограничен балластным сопротивлением. В данном случае более целесообразным является использование компенсационного стабилизатора последовательного типа. Схема электрическая принципиальная приведена в приложении А на рисунке АЛ. Стабилизатор работает следующим образом. Часть выходного напряжения снимается с резистивного делителя R3, R4, R5 и на переходе Б-Э транзистора VT2 сравнивается с опорным напряжением (на стабилитроне VD5). Если вследствие изменения входного напряжения стабилизатора, либо изменения напряжения на нагрузке, появляется сигнал рассогласования, то он усиливается и поступает на вход регулирующего транзистора VT1. Регулирующий транзистор изменит свое сопротивление постоянному току таким образом, что выходное напряжение ивых сохранит свое первоначальное значение с определенной степенью точности, Следует отметить то, что при выборе регулирующего транзистора могут возникнуть определенные сложности, вследствие больших заданных токов нагрузки. 3. Расчет и выбор элементов принципиальной схемы 3.1 Расчет параметров и выбор трансформатора Выбор трансформатора производится по расчетным максимальным действующим значениям тока и напряжения вторичной обмотки трансформатора f 2 и U 2 , с учетом полной мощности трансформатора S . Определим сопротивление нагрузки при номинальном выходном напряжении по формуле:
где Rн - сопротивление нагрузки, Ом; Uн – номинальное напряжение на нагрузке, В; Iнном – номинальный ток на нагрузке, А. Максимальное и минимальное напряжения на нагрузке с учетом коэффициента регулирования найдем из выражений:
где Uн max – максимальное напряжение на нагрузке, В; Кр = 0.2 – коэффициент регулирования входного напряжения. Uн min – минимальное напряжение на нагрузке, В. Далее необходимо определить минимальное напряжение на выходе выпрямителя, исходя из условия работоспособности схемы при максимальном напряжении на нагрузке. Для различных схем стабилизаторов это напряжение будет определяться по-разному. В случае источника питания с линейным стабилизатором можно пользоваться выражением:
где Udmin – минимальное напряжение на выходе выпрямителя, В; Ucmmin –минимальное падение напряжения на регулирующем транзисторе, необходимое для обеспечения линейного режима данного транзистора, 2.6 В. Минимальное значение действующего напряжения вторичной обмотки трансформатора определяется по формуле:
где U2 min – минимальное напряжение на вторичной обмотке трансформатора, В; Kcx – схемный коэффициент, определяется схемой выпрямления. Максимальный ток нагрузки:
Коэффициент передачи тока стабилизатора:
Коэффициент использования для мостовой схемы:
Максимальный ток на выходе выпрямителя:
Действующее значение тока вторичной обмотки:
Напряжение первичной обмотки трансформатора принимаем равным номинальному напряжению сети Максимальная мощность трансформатора:
Полная мощность трансформатора:
По полученным данным U 2 , I 2 и S , выбираем из справочника [9, 11] трансформатор. Выбранный трансформатор должен удовлетворять условиям
Коэффициент запаса:
Так как трансформатор выбрать не удалось, рассчитываем его. Приняв равными площадь сечения окна, и площадь сечения стали SQ = SC , можно записать:
где S 0 – площадь сечения окна, м2 ; Sc – площадь сечения стали, м2 ; К30 – коэффициент заполнения окна, (0,5); Кзс – коэффициент заполнения стали, (0,95); Вт - индукция магнитопровода, (1,3) Тл; j – плотность тока, (2.5*106 ) А/м2 ; fс – частота питающей сети, Гц. По таблице В, приведенной в приложении В, выбираем магнитопровод из условия y - x > Sc и b - h > S 0 . Ширина средней полосы пластин: Ширина набора пластин: Ширина окна магнитопровода: Высота окна магнитопровода: Длина магнитопровода: Высота магнитопровода:
Расчёт числа витков первичной обмотки:
где Кстах – коэффициент, учитывающий 10% повышение напряжения сети. Рассчитаем коэффициент трансформатора
Сечение провода первичной обмотки:
Диаметр провода первичной обмотки dnpl определим из условия:
Предварительно приняв равными суммарные площади сечения витков первичной и вторичной обмоток, осуществим проверку:
Число витков вторичной обмотки трансформатора определяется по формуле:
Сечение провода вторичной обмотки:
Диаметр провода вторичной обмотки:
Сделаем проверку:
После чего необходимо выполнить пересчет, начиная с выражения (3.20). В итоге делают общую проверку по сечению окна:
В случае если трансформатор рассчитывался, то найти сопротивление обмоток можно по формуле:
Напряжение на выходе выпрямителя Ud при угле регулирования а = 0 с учетом максимального снижения напряжения сети, падения напряжения на вентилях выпрямителя и сопротивления обмотки трансформатора, может быть определено по формуле:
Ud = 20.81 (В) Условием выполнения проверки является выполнение неравенства: 3.2 Расчёт выпрямителя Для выпрямления переменного напряжения чаще всего применяются мостовая (рис. 3.2) схема выпрямления.
Рисунок 3.2 – Схемы выпрямления – мостоваяРасчет выпрямителя сводится к определению параметров для выбора вентилей: максимального значения среднего тока вентилей 1а и максимально возможного обратного напряжения вентилей Uo 6 p . Определяем среднее значение анодного тока вентилей выпрямителя
где К 1 – коэффициент использования вентилей по току, для соответствующей схемы выпрямления. Максимальное значение обратного напряжения, прикладываемого к вентилям, можно определить по формуле:
где Кв – коэффициент, связывающий действующее значение выпрямленного напряжения и амплитудное значение напряжения на диодах; Ud – максимальное значение выпрямленного напряжения. Максимальное значение выпрямленного напряжения необходимо определять с учетом возможного 10% повышения напряжения сети:
где Кстгх – коэффициент, учитывающий 10% повышение напряжения сети. Выбираем 4 вентиля из справочника [1,5] 2Д201Б
3.3 Расчет сглаживающего фильтра При малых мощностях нагрузки и высоких напряжениях нагрузки более предпочтительным является применение емкостного фильтра.
Рисунок 3.3 – Схема емкостного фильтра Определим коэффициент пульсации на входе и выходе фильтра для расчета необходимого коэффициента сглаживания. Коэффициент пульсации на входе фильтра определяется схемой выпрямления и рассчитывается по формуле:
Количество пульсаций за период: Номер гармонической составляющей: Предварительно можно принять равным:
где Udmin – минимальное значение выпрямленного напряжения.
Коэффициент пульсаций на выходе фильтра:
Коэффициент сглаживания:
Расчёт параметров для выбора элементов емкостного фильтра:
Максимальное напряжение на конденсаторе Ucmax определяется следующим образом:
Выбранный из справочника конденсатор должен удовлетворять условиям с>сФ и uс >uстах . Выбираем два конденсатора К50–18
3.4 Расчёт линейного стабилизатора напряжения
Рисунок 3.4 – Схема электрическая – принципиальная компенсационного стабилизатора напряжения Выберем регулирующие транзисторы VT1-VT2
где – Iк1 – максимальное значение тока коллектора, А; – Uкэ – максимально-допустимое напряжение коллектор-эммитер, В; – Uкэнас – напряжение коллектор-эммитер насыщения, В; – Uбэнас – прямое напряжение на переходе база-эммитер, В; – – fгp – частота единичного усиления транзистора, МГц; - Должны выполняться условия:
Т.к. у большинства стабилитронов величина максимального рабочего тока составляет Iсмах " 50 мА,то требуемый коэффициент передачи по току Робщ должен быть:
Ток базы транзистора VT1 определим по формуле:
Ток базы транзистора VT2 определим по формуле:
Сопротивление резистора R1, ограничивающего ток базы VT2 в случае минимального входного и максимального выходного напряжения, можно найти из формулы:
где
Мощность, рассеиваемая резистором R1, определяется по формуле:
Приводим мощность к стандартному ряду Е24
Выберем резистор из справочника МЛТ 2 Вт 240 Ом +-5% E24 Ток коллектора транзистора VT3 найдем из условия:
Выбор транзистора VT3 из справочника [4, 6,1,
11] осуществляется таким образом, чтобы
где – Iк1 – максимальное значение тока коллектора, А; – Uкэ – максимально-допустимое напряжение коллектор-эммитер, В; – Uкэнас – напряжение коллектор-эммитер насыщения, В; – Uбэнас – прямое напряжение на переходе база-эммитер, В; – – fгp – частота единичного усиления транзистора, МГц; - При выборе стабилитрона VD1 из справочника [5, 11] необходимо, чтобы
где: – UCT – напряжение стабилизации, В; – Icrmin – минимальный ток стабилизации, мА; – Ictmax – максимальный ток стабилизации, мА; - гст – динамическое сопротивление стабилитрона, Ом. Сопротивление резистора R2 определим из выражения:
Полученное значение сопротивления резистора R2 приводим к стандартному ряду Е24 и выбираем ближайшее меньшее значение.
Максимальный ток резистора R2:
Мощность, рассеиваемая на резисторе R2, определяется по формуле:
Приводим мощность к стандартному ряду Е24
Выберем резистор из справочника МЛТ 2 Вт 28 Ом +-5% E24 Ток базы транзистора VT3 определяется из условия:
Примем ток делителя R3-R5 на порядок больше тока базы VT3:
Определим суммарное сопротивление резисторов R4 и R5 по формуле:
Сопротивление резистора R3:
Полученное значение сопротивления резистора R3 приводим к стандартному ряду Е24
Общее сопротивление делителя:
Максимальный ток делителя определяется из выражения:
Сопротивление резистора R5 при условии протекания максимального тока делителя определяется как:
Полученное значение сопротивления резистора R5 приводим к стандартному ряду Е24 и выбираем ближайшее меньшее значение: Сопротивление резистора R4 определим из выражения:
Полученное значение R4 приводим к стандартному ряду Е24 и выбираем ближайшее большее значение: Далее пересчитываем максимальный ток делителя с учетом значений сопротивлений резисторов R3, R4, R5, выбранных из стандартного ряда Е24:
Мощность, рассеиваемая каждым резистором делителя, определяется из выражения:
Из справочника [9, 11] выбираем стандартные резисторы исходя из условия Выберем резистор из справочника BC 5Вт 56Ом +-5% Е24
Выберем резистор из справочника ПЭВР С5–36В 15Вт 160 Ом +-5% Е24
Выберем резистор из справочника МЛТ 0,125 Вт 275 Ом +-5% Е24 Конденсатор С1 служит для улучшения динамических показателей стабилизатора. Значение его ёмкости можно определить по формуле:
где
КМ-5 70В 47*10^-9Ф Вычислим коэффициент деления резистивного делителя R3, R4, R5 – а:
Динамическое входное сопротивление r ех3дин определяется по входной характеристике транзистора VT3 для схемы с ОЭ по формуле:
Коэффициент усиления по напряжению для транзистора VT3 определяется из выражения:
Коэффициент стабилизации, полученный в результате расчета и выбора элементов стабилизатора, определяется по формуле:
Пульсацию входного напряжения стабилизатора можно определить из выражения:
Условием выполнения проверки является:
3.5 Расчет внешней характеристики Для расчета внешней характеристики блока питания можно использовать его упрощенную схему замещения, которая представлена на рисунке 3.4.
Рисунок 3.5 – Схема замещения блока питания для расчета внешней характеристики Динамические входные сопротивления r ех1дин и r ех2дин определяется по входным характеристикам транзисторов VT1 и VT2 для схемы с ОЭ по формуле:
Входное динамическое сопротивление первого и второго транзисторов соответственно:
где гвх1дин и гвх2дин – динамические входные сопротивления, соответствующих транзисторов VT1 и VT2, Ом. Уравнение для внешней характеристики имеет вид:
Для построения внешней характеристики достаточно двух точек
3.7 Расчёт К.П.Д. источника питания Расчет коэффициента полезного действия необходимо производить для работы стабилизатора, когда
Номинальная мощность нагрузки:
Вычислим токи
Мощность, рассеиваемую на регулирующем транзисторе стабилизатора, определим из выражения:
Напряжение на регулирующем транзисторе VT1:
Мощность, рассеиваемую на регулирующем транзисторе стабилизатора, определим из выражения:
Мощность потерь выпрямителя:
Мощность, рассеиваемая на всех резисторах схемы:
Общие потери:
Определяем КПД:
3.8 Расчет охладителя Результатом расчета охладителя будет площадь охладителя, которая обеспечит рассеяние тепловой энергии, выделяемой на регулирующем транзисторе. Тепловое сопротивление переход-корпус регулирующего транзистора:
Возможную температуру перегрева прибора определяем из выражения:
Коэффициент теплоотдачи принимаем равным:
Тогда площадь охладителя равна:
Заключение Схема с линейным стабилизатором напряжения характеризуется невысокими значениями КПД, порядка 50%, наличием низкочастотного трансформатора. В сравнении с другими схемами реализуется наиболее просто. Схема с импульсным стабилизатором может обеспечить достаточно широкий диапазон регулирования выходного напряжения. Обеспечивает КПД порядка 90…100%. В данной схеме может отсутствовать трансформатор. Однако импульсный стабилизатор напряжения содержит достаточно сложную систему управления, с обратной связью, которая должна реализовывать алгоритм ШИМ. Эта схема является достаточно сложной для реализации. Схема с управляемым выпрямителем также, как и схема с импульсным стабилизатором, может обеспечивать достаточно широкий диапазон регулирования. Однако эта схема также содержит достаточно сложную систему управления с обратной связью. В связи с тем, что регулирование происходит на низкой частоте (импульсно-фазовое управление), то возникают дополнительные сложности при выборе выходных фильтров. При равных коэффициентах пульсации напряжения на нагрузке фильтр этой схемы должен иметь значительно большие габариты. Схема с защитой по току и импульсным стабилизатором еще больше усложняет решение поставленной задачи, т.к. ее реализация предусматривает объединение двух предыдущих схем (рис. 1.2, 1.3). Из вышеизложенного следует, что схема с компенсационным (линейным) стабилизатором является наиболее простой в реализации и может с успехом использоваться для решения поставленной задачи. Литература 1. Диоды: Справочник / О.П. Григорьев, В.Я. Замятин, Б.В. Кондратьев, С.Л. Пожидаев. – М: Радио и связь, 1990 – 336 с. 2. Забродин Ю.С. Промышленная электроника: Учебник для вузов. – М.: Высш. школа, 1982. 3. Методические указания по оформлению курсовых проектов и работ / Сост.: Ю.Э. Паэранд, П.В. Охрименко – Алчевск: ДГМИ, 2002. – 50 с. 4. Перельман Б.Л., Петухов В.М. Новые транзисторы. Справочник – "СОЛОН", "МИКРОТЕХ", 1996. – 272 с. 5. Полупроводниковые приборы. Диоды выпрямительные, стабилитроны, тиристоры: Справочник / А.Б. Гитцевич, А.А. Зайцев, В.В. Мокряков и др. Под ред. А.В. Голомедова. – М.: Радио и связь, 1988. – 528 с. 6. Полупроводниковые приборы: Транзисторы. Справочник / В.Л. Аронов, А.В. Баюков, А.А. Зайцев и др. Под общ. ред. Н.Н. Горюнова. – 2-е изд., перераб. – М.: Энергоатомиздат, 1985. – 904 с. 7. Полупроводниковые приборы. Транзисторы средней и большой мощности: Справочник / А.А. Зайцев, А.И. Миркин, В.В. Мокряков и др.; Под ред. А.В. Голомедова. – М.: Радио и связь, 1989. – 640 с. 8. Промышленная электроника / B.C. Руденко, В.И. Сенько, В.В. Трифонюк, Е.Е. Юдин. – К.: Технка, 1979. 503 с. 9. Резисторы, конденсаторы, трансформаторы, дроссели, коммутационные устройства РЭА: Справ. / Н.Н. Акимов, Е.П. Ващуков, В.А. Прохоренко, Ю.П. Ходоренок. – Мн.: Беларусь, 1994. – 591 с. 10. Справочник по расчету электронных схем. Б.С. Гершунский. – Киев: Вища школа. Изд-во при Киев, ун-те, 1983. – 240 с. 11. Терещук P.M. и др. Полупроводниковые приемно-усилительные устройства: Справ. радиолюбителя / P.M. Терещук, К.М. Терещук, С.А. Седов. – 4-е изд., стер. – Киев: Наук, думка, 1988. – 800 с. |










