Курсовая работа: Устройство контроля интенсивности движения через мост
|
Название: Устройство контроля интенсивности движения через мост Раздел: Рефераты по коммуникации и связи Тип: курсовая работа | |
Министерство общего и профессионального образования Российской Федерации ТОМСКИЙ ГОСУДАРСТВЕННЫЙ УНИВЕРСИТЕТ СИСТЕМ УПРАВЛЕНИЯ И РАДИОЭЛЕКТРОНИКИ (ТУСУР) Кафедра промышленной электроники (ПрЭ) УСТРОЙСТВО_КОНТРОЛЯ_ИНТЕНСИВНОСТИ ДВИЖЕНИЯ Пояснительная записка к курсовому проекту по дисциплине «Микропроцессорные устройства и системы» ФЭТ КП.ХХХХХХ.001 ПЗ Студент группы 367-3 ________ Д.А. Сахно Руководитель проекта аспирант кафедры ПрЭ _______М.Ю. Шевелев АННОТАЦИЯ Дисциплина «Цифровая и микропроцессорная техника» (ЦиМПТ) является одной из центральных фундаментальных дисциплин, изучаемых будущими инженерами специальности «Промышленная электроника». Любая инженерная деятельность без знания основ данной дисциплины является несостоятельной. ЦиМПТ является дисциплиной жестко привязанной к прикладным схемотехническим задачам. Схемотехническая деятельность многогранна и предполагает умение решать различные виды схемотехнических задач, в том числе задач синтеза электронных схем, то есть проектирования электронных устройств заданного функционального назначения. Микропроцессоры являются основой совершенно нового поколения интеллектуальных машин. Современные специалисты в области электронной техники должны обладать знаниями о микропроцессорах и микропроцессорных систем. Данный курсовой проект позволит сделать первые серьезные шаги в применении этих и других знаний для оптимального проектирования электронных систем, так как процесс проектирования всегда связан с выбором оптимального варианта из множества возможных. Разработанное устройство контроля интенсивности движения машин через мост позволяет наглядно на практике рассмотреть возможности применения микропроцессорных систем в быту. Данное устройство воспроизводит таймер и счетчик внешних событий в общем корпусе. Оно просто в использовании и может применяться как в ГАИ, так и дорожными службами. Министерство общего и профессионального образования Российской Федерации ТОМСКИЙ ГОСУДАРСТВЕННЫЙ УНИВЕРСИТЕТ СИСТЕМ УПРАВЛЕНИЯ И РАДИОЭЛЕКТРОНИКИ (ТУСУР) Кафедра промышленной электроники (ПрЭ) УТВЕРЖДАЮ Зав. кафедрой ПрЭ _______А. В. Кобзев ЗАДАНИЕ по курсовому проектированию студенту Сахно Дмитрию Анатольевичу группа №367-3 факультет электронной техники. 1. Тема проектирования: Разработка устройства контроля интенсивности движения через мост. 2. Срок сдачи студентом законченного проекта: 3. Исходные данные к проекту: Устройство ведет подсчет количества автомобилей, проехавших через мост, и по запросу внешнего устройства выдает час-пик и количество автомобилей, проехавших в этот час. 4. Содержание пояснительной записки (перечень подлежащих разработке вопросов): выбор микроконтроллера, обоснование функциональной схемы, распределение функций между аппаратными и программными средствами, разработка полной принципиальной схемы устройства с перечнем элементов, алгоритм работы программы, листинг управляющей программы. 5. Перечень графического материала (с точным указанием обязательных чертежей): функциональная схема устройства, схема алгоритма прикладной программы, схема электрическая принципиальная. 6. Дата выдачи задания: РУКОВОДИТЕЛЬ аспирант кафедры ПрЭ Шевелев Михаил Юревич ______________ Задание принял к исполнениюСахно Дмитрий Анатольевич CОДЕРЖАНИЕ 1. Введение . . . . . . . . . . . . . . . . . . . . . . . . . . . . . . . . . . . . . . . . . . . . 6 2. Конкретизация технического задания . . . . . . . . . . . . . . . . . . . .8 3. Разработка функциональной схемы устройства . . . . . . . . . . . . 9 4. Алгоритм работы устройства . . . . . . . . . . . . . . . . . . . . . . . . . 11 5. Разработка управляющей программы . . . . . . . . . . . . . . . . . . . . 13 6. Заключение . . . . . . . . . . . . . . . . . . . . . . . . . . . . . . . . . . . . . . . . . .14 7. Список использованной литературы . . . . . . . . . . . . . . . . . . . . . 15 Приложение А. Листинг управляющей программы . . . . . . . . . . 16 Приложение Б. Карта прошивки памяти программ . . . . . . . . . . 21 1. ВВЕДЕНИЕ.Широкое внедрение во все сферы человеческой деятельности получила микропроцессорная техника. Этот процесс неразрывно связан как с развитием многочисленных сложных технических разработок, так и с уровнем подготовки в этой области специалистов самого различного профиля. Микропроцессоры, как основа совершенно нового поколения интеллектуальных машин, встречаются повсюду. В настоящее время микропроцессорные системы широко внедряются во все сферы учебной, научной и производственной деятельности. Вследствие создания программируемого элемента, называемого микропроцессором, можно рассчитывать на ускорение разработок искусственного интеллекта. Электронные вычислительные машины широко используются с 50-х годов. Сначала это были ламповые и дорогие машины, предназначенные для административно-управленческих целей, доступные только крупным предприятиям. Из-за появления нового элемента - микропроцессора структура и формы вычислительных машин изменились. Микропроцессор - это интегральная схема (ИС), обладающая такой же производительностью при переработке информации, что и большая ЭВМ. Более точно - это очень сложное программируемое устройство малых размеров, представляющее собой большую интегральную схему (БИС). Электронные вычислительные машины работают в соответствии с загружаемой в них программой, микро-ЭВМ действуют по такому же принципу, она содержит микропроцессор и, по меньшей мере, один какой-либо либо тип полупроводниковой памяти. Выполнение курсового проекта требует от будущего специалиста промышленной электроники обязательных знаний не только о микропроцессорах и микропроцессорных системах в общем, т. е. сведениями об её аппаратной и программной частях, но и о различных аспектах архитектуры, функционирования и применения микропроцессоров и микропроцессорных систем. Курсовой проект позволит студентам укрепить знания в области цифровой и микропроцессорной техники, почувствовать себя специалистами в области разработки этой аппаратуры и её программного обеспечения. Кроме того, проектирование микропроцессорных систем наряду с организацией центрального процессора, подключением памяти и устройств ввода/вывода информации связано с разработкой прикладных программ на языке ассемблера используемого микропроцессора. Для успешного и эффективного построения микропроцессорных систем необходимо в совершенстве знать их программные возможности и предоставляемые ими средства. На этапе разработки прикладной программы используются различные компьютерные средства поддержки проектирования: кросс-трансляторы, эмуляторы, редакторы текстов, программаторы. При выполнении курсового проекта прямые интересы проектировщика электронного устройства замыкаются на решении специальных технических проблем: моделирование технического объекта, его эксплуатация и управление, разработки различных видов технологии и оборудования и т. д. В проекте раскрываются сложные вопросы структуры, функционирования, принципов построения аппаратных и программных средств микропроцессоров и микропроцессорных систем. В курсовом проекте по ЦиМПТ микропроцессор является основой для построения электронного устройства с заданными в техническом - задании функциональными свойствами. Применение однокристальных микроконтроллеров в цифровых электронных устройствах обеспечивает достижение исключительно высоких показателей эффективности при низкой стоимости. 2. КОНКРЕТИЗАЦИЯ ТЕХНИЧЕСКОГО ЗАДАНИЯ Конструктивные особенности этого устройства: диапазон рабочих температур, конструктивное исполнение, характеристики аналоговых узлов и т. д. Устройство ориентировано на установку на четырех полосах проезжей части моста, оно работает в режиме таймера и одновременно счетчика внешних импульсов с входа INТ0, которые создают автомобили, проезжающие по дорожным пластинам (конструктивно они похожи на большие кнопки). По уровню логической "1" входа INТ1 программа выдает на внешнее устройство количество автомобилей в час-пик и час, в которое это количество автомобилей было достигнуто. Контролируемое количество автомобилей не должно превышать 9999 за час, иначе переполнение регистров может вызвать некорректную работу устройства. Применение микроконтроллера в данном устройстве вызвано задачами подсчета внешних импульсов при параллельной работе часов и выводе нужной информации на цифровые индикаторы и внешнее устройство. Разработанный прибор по заданным характеристикам и выполняемым им функциям должен выпускаться в специальном корпусе, обеспечивающем температурный режим, не нарушающий работоспособность микропроцессорной системы. 3. РАЗРАБОТКА ФУНКЦИОНАЛЬНОЙ СХЕМЫ УСТРОЙСТВА Устройство можно спроектировать с применением однокристального микроконтроллера семейства МК51. Микросхемы семейств МК48 и МК51 получили наибольшее распространение среди микросхем такого класса. Использование микросхемы К1830ВЕ51 в данном случае - самый экономичный вариант реализации устройства с удовлетворяющими требованиями быстродействия. Функциональная схема устройства изображена на рисунке 3.1. Для подсчета количества автомобилей к линии пота Р3 (INT0) микроконтроллера подключаем датчики с коммутатором импульсов, c которого снимаем сигнал на вход INТ0 при проезде автомобиля. Датчик формирует импульс с единичным уровнем в тот момент, когда автомобиль проезжает по нему. Принципиальная схема датчика приведена на рисунке 3.2. Датчик представляет собой гигантские кнопки шириной в половину полосы и длинной 3м. При проезде автомобиля по двум частям полосы дорожного покрытия формируется единичный импульс, который переключает счетный триггер из "1" в "0" и наоборот. В результате на триггере сформируется единичный импульс, соответствующий по длительности времени проезда автомобиля. Затем, после формирования сигналов с датчиков, информация поступает на коммутатор. Вывод информации о текущем времени осуществляется через порты Р1 и Р2 и светодиодные семи-сегментные цифровые индикаторы HG1.. HG4, в качестве которых можно использовать индикаторы типа АЛС324А. Индикаторы подключаются к линиям портов микроконтроллера через дешифраторы DD2..DD5, в качестве которых используются микросхемы 514ИД1, преобразующие двоично-десятичное содержимое портов в коды управления цифровыми индикаторами. Начальные установки таймера реального времени задаются кнопками подключенными к линиям Т0 и T1 порта Р3, которые обозначаются на функциональной схеме «час» и «мин». Сразу при включении устройство переходит в режим счета.
Программно реализуется счетчик внешних событий на регистрах R4 и R6, а таймер реального времени на таймере-счетчике Т/С1. Импульс, приходящий с коммутатора вызывает увеличение содержимого счетчика, причем информация о максимальном значении автомобилей и час-пике обновляется каждый час. Время берется из таймера реального времени. 4. АЛГОРИТМ РАБОТЫ УСТРОЙСТВА
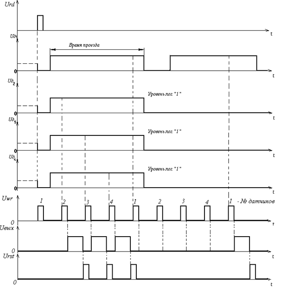
Рисунок 4.1. Эпюры напряжений на основных элементах схемы. Рассмотрим наихудший случай для проектируемой системы: пусть по четырем полосам через датчики одновременно проехали автомобили. Тогда коммутатор будет распределять импульсы следующим образом: на счетчик поступают тактирующие импульсы Uwr, формируется код номера датчика, линию которого надо опросить. Этот код поступает на мультиплексор, который осуществляет подключение соответствующего датчика к микропроцессору. На выходе коммутатора будут информационные импульсы Uвых. При единичном состоянии датчика триггер сбрасывается в "0" импульсом Urst для предотвращения повторного учета "старой" информации. При каждом приходе импульса по линии INТ0 порта Р3 содержимое регистров R4 и R6 будет увеличиваться, при этом параллельно будет работать таймер реального времени. Каждый час информация будет обновляться, будет происходить сравнение количества автомобилей, проехавших за минувший час через мост с максимальным количеством автомобилей, находящимся в памяти МК. При поступлении на вход INT1 положительного единичного импульса, через последовательный порт, через регистр сдвига, дешифраторы на семи-сегментные цифровые индикаторы внешнего устройства выводится количество автомобилей, проехавших через мост в час-пик и сам час-пик. 5. РАЗРАБОТКА УПРАВЛЯЮЩЕЙ ПРОГРАММЫ. Схема алгоритма работы управляющей программы изображена на рисунке 5.1. После включения устройства производится операция обнуления и установки начальных параметров. Разрешаются прерывания от таймера-счетчика и запускается таймер реального времени, причем. Счетчик внешних событий, реализованный на регистрах R4 и R6, будет считать количество проехавших автомобилей, обнуляясь каждый час, а информация будет сравниваться с хранимой в памяти и обновляться. Также информация будет обновляться каждые сутки.
6. ЗАКЛЮЧЕНИЕМикропроцессоры и микропроцессорные системы являются основой построения электронных устройств с заданными функциональными свойствами. Решающими факторами при проектировании таких устройств являются удобство практической эксплуатации и новый набор качественных характеристик (более высокое быстродействие, точность, новые функциональные возможности) по сравнению с домикропроцессорным вариантом реализации подобного устройства. В таком варианте изделие функционирует автономно и не требует постоянного вмешательства человека. Данный курсовой проект позволил сделать серьёзные упражнения в применении знаний, полученных в процессе изучения дисциплины “Микропроцессорные устройства и системы”. 7. СПИСОК ИСПОЛЬЗУЕМОЙ ЛИТЕРАТУРЫ. ОС ТАСУР 6.1-97. Работы студенческие учебные и выпускные квалификационные. Общие требования и правила оформления. Шарапов А. В. Микропроцессорные устройства и системы. Методические указания к выполнению курсового проекта. - Томск: ТУСУР, 1998. - 39 с. Шарапов А. В. Примеры решения схемотехнических задач. Учебное пособие. - Томск: ТИАСУР, 1994. - 141 с. Шарапов А. В. Цифровая и микропроцессорная техника: Учебное пособие. 2-е изд., перер. и доп. - Томск: Изд-во Том. Ун-та, 1997. - 108 с. Токхайм Р. Микропроцессоры: Курс и упражнения/ Пер. С англ., под ред. В. Н. Грасевича. - М.: Энергоатомиздат, 1988. - 336 с. Приложение А Листинг управляющей программы Основная программа: ORG 00H;начальный адрес программы CLR A;очистка аккумулятора ;начальная загрузка счетчика часов MOV R5,A;начальная загрузка MOV R7,A;счетчика минут MOV P2,A;начальная загрузка счетчика секунд MOV R2,#1;загрузка MOV R1,#1;счетчиков генератора MOV TH1,#156;секундных импульсов MOV TMOD,#20H;T/C1 в режиме 2 MOV IE,#8DH;разрешение прерываний от T/C1 SETB TR1;старт таймера T/C1 SJMP MAIN;Переход к основной программе ;-----====== П/п обслуживания прерывания от T/C1 =====-------- ORG 1BH;вектор прерывания PUSH PSW;задержка DJNZ R2,EXIT;в одну MOV R2,#1;секунду DJNZ R1,EXIT; MOV R1,#1; PUSHACC; JNB T0,M1;коррекция минут JNB T1,M2;коррекция часов MOV A,R7;счетчик секунд ADD A,#1; DA A; MOV R7,A; CJNE R7,#60H,M3; MOV R7,#0; M1:MOVA,R5;счетчик минут ADD A,#1; DA A; MOV R5,A; CJNE R5,#60H,M3; MOV R5,#0; M2:CALL COMP;Запуск п/п выявления мах кол-ва а/м. MOV R4,#0 ;Обнуление количества а/м, MOV R6,#0;проехавших через мост за час. MOV A,R3;Счетчик часов. ADD A,#1; DA A; MOV R3,A; CJNER3,#24H,M3; MOV R3,#0;Установка 0 (24) часов. MOV R4,#0;Обнуление количества а/м, проехавших MOV R6,#0 ;через мост, с началом новых суток. M3:MOV P1,R3;Вывод информации . MOV P2,R5;индикаторы. POP ACC;Восстановление аккумулятора. EXIT:POP PSW;Восстановление регистра PSW. RETI;Возврат из п/п. ;-----======== Основная программа. ========---------- MAIN:MOV R4,#0;Обнуление MOV R6,#0;количества а/м. MOV P0,#0FFH;Сброс триггеров SETB RD;Сброс счетчика. NOP ;Задержка в 1мкс (для срабатывания CT) CLR RD; MOV P0,#0;Восстановление работы триггеров. SETB WR ;Импульс переключения линий с датчиков. MOV SP,#100;Установка указателя стека. BEGIN:MOV B,#4;Число датчиков. MOVR0,#1;R0=1. CYCLE:CLR WR;Импульс переключения линий с датчиков. NOP;Задержка в 1мкс (для срабатывания CT и MS). JNB INT0,J11;Опрос линии порта (проверка состояния датчиков). MOV P0,R0;Сброс соответсвующего триггера датчика CALL SUM;Вызов п/п суммипрвания. MOV P0,#0;Восстановление счетнго режима триггера J11:MOVA,R0;A=R0. RL A;Пестановка сбрасывающего бита триггеров. MOVR0,A;R0=A. SETB WR;Импульс переключения линий с датчиков. DJNZ B,CYCLE;B=B-1. If B<>0, то переход на новый цикл ;опроса датчиков. JB INT1,J2;Если INT1=1, то J2, CALL DSPLY; иначе вызов п/п вывода инф-ции на ;внешнее устройство. J2:SJMP BEGIN;Переход на начало опроса датчиков. ;П/п суммирования количества прошедшего транспорта. SUM:MOV A,R6;Суммирование десятков. ADDA,#1;A=A+1. DA A;Десятичная коррекция. MOV R6,A;R6=A. JNC S1;Если С<>1, то S1, MOV A,R4; иначе прибавить 1 к сотням. ADDA,#1;A=A+1. DA A;Десятичная коррекция. MOVR4,A;R4=A. S1:RET;Возврат из п/п. ;-------===== П/п сравнения количесва а/м, прошедших ранее, ======----- ;с прошедшими в этот час. COMP: MOV A,R0;Сохранение R0 PUSH ACC;в стеке. MOV R0,#20H;Адрес хранения младшего байта максимального ;количеств а/м. MOVA,R6;A=R6. SUBBA,@R0;A=A-@R0. JC C1;Если содержимое @R0>A, то переход к C1, MOV A,R6;иначе записать MOV @R0,A;в память мах. кол-во а/м. C1:INC R0;Увеличение указателя памяти. MOV A,R4;A=R4. SUBB A,@R0; JC C2; MOV A,R4; MOV @R0,A; INC R0; MOV A,R3; MOV @R0,A; POP ACC;Восстановление MOV R0,A;R0 из стека. C2:RET;Возврат из п/п ;---------======= П/П ВЫВОДА ДАННЫХ НА ВНЕШ. УСТР-ВО ========-------- DSPLY:MOV R0,#20H;Начальный адрес данных. MOV SBUF,@R0;Вывод данных ч/з последовательный порт INC R0;Увеличение указателя памяти. MOV SBUF,@R0; INC R0; MOV SBUF,@R0; INC R0; RET;Возврат из п/п. END Приложение Б Карта прошивки памяти программ 0: 1: 2: 3: 4: 5: 6: 7: 8: 9: A: B: C: D: E: F: 0000: 99 00 9A 0FD5 0E 03 F0 A9 0D 47 A8 0C 68 A8 C5 0010: 26 10 27 A8 A9 AA AB AC AE BD05 36 1B 14 42 14 0020:53 FD 47 53 0F AD FE 47 53 F0 6DAD39 FE 53 F0 0030: 3A47 AED5 69 C5 F6 3E FD D5 68 C5 E6 40 14 6F 0040: 04 10 28 03 01 57 28 29 13 00 57 29 BF 2F EF4E 0050: 26 42 83 2A 68 57 2A 2B 79 57 2B 2C 13 00 57 B2 0060: 6E2C2D 03 01 57 2D 2E 13 00 57 2E 04 53 83 56 0070: 6F 23 FE 9F 46 74 23 01 8F 83 FF FF FF FF FF FF 0080: FF FF FF FF FF FF FF FF FF FF FF FF FF FF FF FF 0090: FF FF FF FF FF FF FF FF FF FF FF FF FF FF FF FF 00A0:FF FF FF FF FF FF FF FF FF FF FF FF FF FF FF FF 00B0:FF FF FF FF FF FF FF FF FF FF FF FF FF FF FF FF 00C0:FF FF FF FF FF FF FF FF FF FF FF FF FF FF FF FF 00D0:FF FF FF FF FF FF FF FF FF FF FF FF FF FF FF FF 00E0:FF FF FF FF FF FF FF FF FF FF FF FF FF FF FF FF 00F0:FF FF FF FF FF FF FF FF FF FF FF FF FF FF FF FF |


