Статья: Особенности и перспективы использования асинхронных двигателей с короткозамкнутым статором и преобразованием числа фаз (АДКСП)
|
Название: Особенности и перспективы использования асинхронных двигателей с короткозамкнутым статором и преобразованием числа фаз (АДКСП) Раздел: Рефераты по коммуникации и связи Тип: статья | |||
УДК 621.313.33 ОСОБЕННОСТИ И ПЕРСПЕКТИВЫ ИСПОЛЬЗОВАНИЯ АСИНХРОННЫХ ДВИГАТЕЛЕЙ С КОРОТКОЗАМКНУТЫМ СТАТОРОМ И ПРЕОБРАЗОВАНИЕМ ЧИСЛА ФАЗ Ставинский А.А., д-р технических наук, профессор; Миронов Д.В. Украина, г. Николаев, Национальный университет кораблестроения имени адмирала Макарова. Забора И.Г., кандидат технических наук, доцент. Россия, г. Москва, Московский институт коммунального хозяйства и строительства. Зеленый Н.И.; Шурыгин В.И. Украина, г. Новая Каховка, отделение УкрНИИВЭ. Стоящие перед человечеством задачи освоения космоса и глубин мирового океана требуют разработки специальных электрических машин, в частности асинхронных двигателей (АД). Задачу длительной и надежной защиты изолированных витков и катушек обмотки от агрессивной среды можно решить двумя способами. Первым способом является установка статора в герметичный корпус с отделением активной поверхности от зазора и ротора сплошной металлической перегородкой, то есть экранирование статора [1]. Согласно второму способу, можно применить статор с короткозамкнутыми фазами, соединенными электрически через гермовводы с преобразователем числа фаз в герметичной оболочке [2]. Такая машина является АД с короткозамкнутым статором и преобразователем числа фаз и напряжения (АДКСП). Использование каждого способа обуславливает существенное ухудшение массогабаритных и энергетических показателей, однако применение АДКСП является более предпочтительным при толщине герметичной перегородки (толщина металлической гильзы между статором и ротором), превышающей 0,5…0,7 мм [3]. Согласно [4], применение АДКСП является также более предпочтительным в системах электрооборудования глубоководных комплексов, так как исключается дробление мощности привода механизмов, обусловленное требованием снижения пусковых токов АД при линейном напряжении питания 27 В, а также решается, без дополнительных мер, проблема взрывопожароопасности. Электромеханическая часть АДКСП [2,3] содержит короткозамкнутый ротор и Z – фазный статор (Z – число пазов статора) с полувитковыми фазами в виде установленных в пазах магнитопровода стержней, которые с одной лобовой стороны соединены с Z – фазной вторичной обмоткой трансформаторного преобразователя (ТП). ТП содержит магнитопровод с трехфазной первичной распределенной обмоткой, создающей вращающееся магнитное поле возбуждения. Вторичная обмотка ТП является продолжением статорной обмотки электромеханической части и замкнута в Z – лучевую (стержневую) звезду. Особенностью статора АДКСП является практическое равенство площади паза сечению сплошного фазного стержня, а также малая длина вылета и металлоёмкость лобовых частей. Поэтому удельные показатели электромеханической части АДКСП превышают показатели эквивалентного АД обычной конструкции со всыпной или стержневой многовитковой обмоткой статора. Однако в АДКСП [2, 3] для преобразования числа фаз m = 3 в mп = Z использован трансформатор с вращающимся магнитным полем и с первичной распределенной обмоткой. Недостатком такого трансформатора является значительный вылет и объем меди лобовых частей. Кроме того, наличие преобразовательной части ухудшает массогабаритные показатели системы за счёт того, что ТП рассчитывается на мощность надежного обеспечения пуска, которая превышает номинальную мощность АДКСП. Существенным недостатком также является значительное количество гермовводов, а положительным качеством – низкая кратность пускового тока в связи с наличием между сетью и электромеханической части ТП. Указанные недостатки обуславливают необходимость усовершенствования конструкции АДКСП [2, 3] уменьшением количества гермовводов до минимального пазового числа образования вращающейся магнитодвижущей силы (МДС) и снижением объема меди и длины вылета лобовых частей первичной обмотки ТП. В случае трехфазного питания и образования в электромеханической части АДКСП вращающейся МДС на основе чередования фаз по трехфазной системе (рис. 1, а) с заданным числом пар полюсов 2р, возможный минимум числа отводов соответствует количеству пазов на полюс и фазу q = 1 и для 2р = 2, 2р = 4 или 2р = 6 соответственно составляет:
Поэтому преобразовательная часть АДКСП должна содержать шестифазную (шестистержневую) вторичную обмотку, позволяющую создать двух (рис. 1, б), четырех или шестиполюсную (рис. 1, в) волну вращающейся МДС статора Fs (x) при наличии соответственно 6, 12 или 18 герметичных отводов. В связи с успехами электроники и преобразовательной техники, на основе [5], можно предположить, что снижение числа вводов и исходных фаз создает возможность разработки шестифазного полупроводникового преобразователя (ПП) со звездой фазных напряжений (рис. 1, а). При этом АДКСП приобретает свойства частотно – регулируемого асинхронного электромеханотронного преобразователя. Замена ТП на ПП позволяет обеспечить чередование питающих импульсов стержневой обмотки статора АДКСП по двухфазной системе. В этом случае в соответствии с числом фаз преобразователя mп = 2 число герметичных отводов соответственно снизится относительно (1) до значений:
Поэтому применение системы ПП с преобразованием m = 3 в mп = 2 является более предпочтительным. Для реализации рассмотренной возможности снижения числа отводов или герметичных вводов в электромеханическую часть, необходимо решение задачи улучшение гармонического состава МДС статора АДКСП с q = 1. Указанная задача решается разделением каждой фазы ТП или ПП на входе в статор на части (долевые стержни), размещением этих частей в отдельных пазах и замыканием автономными короткозамыкающими кольцами (рис. 2, а) [6]. Например, разделение каждого отвода от фазных гермовводов на четыре части (развертка короткозамкнутой обмотки на рис. 2, б), в соответствии со звездой (рис. 1, а) создает структуру Fs (x) (рис. 2, в), эквивалентную структуре МДС 24 – пазового статора традиционного АД. Применение первичной обмотки ПТ с q = 1 упрощает укладку катушек и позволяет снизить длину вылета и металлоемкость лобовых частей. Дополнительное снижение объема меди ТП возможно использованием двухслойной обмотки с q = 1 и укороченным шагом. Несмотря на повышение объема стали за счет уменьшения обмоточного коэффициента индуктора, такое решение может обеспечить минимальные массогабаритные показатели АДКСП.
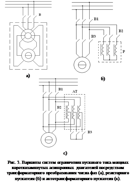
Основными объектами примененния АДКСП являются машины и механизмы с герметичным электроприводом. Однако при использовапнии рассмотреных выше конструктивных преобразований и оптимизации геометрических соотношений активной части электромеханического и индукционного преобразовательного элементов системы, технические решения АДКСП (рис. 3,а ) могут составить конкуренцию традиционной конструкции мощного короткозамкнутого АД с многовитковой стержневой обмоткой и индукционным реакторным Р (рис. 3, б) или автотрансформаторным АТ (рис. 3, в) пускателем с группой выключателей В1 ...В3 . Другой вероятной областью конкурентной возможности АДКСП являются асинхронные электромеханотронные микромашины и машины малой мощности с полупроводниковой системой преобразования m = 3 в mп = 2. Такие машины будут отличаться минимальной материалоемкостью и максимальной надежностью электромеханической части. Применение АДКСП также перспективно в системах рудничного и шахтного силового электрооборудования, в условиях эксплуатации которых скапливающийся в результате резкой смены температурных режимов внутренний конденсат, приводит к быстрому выходу из строя закрытых АД традиционной конструкции [6].
Литература 1. Вишневский Н.Е., Глуханов Н.П., Ковалев И.С. Машины и аппараты с герметичным электроприводом. – Л.: Машиностроение, 1977. – 256 с. 2. Ставинский А.А., Забора И.Г., Кимстач О.Ю. Трансформаторно – асинхронная система электропривода герметичных объектов // Збірник наукових праць УДМТУ. – Миколаїв: УДМТУ, 2000. – №1 (367). – с. 136 – 140. 3. Ставинский А.А., Забора И.Г., Кимстач О.Ю. Казанский С.Б. Анализ электромеханических преобразователей для герметичного электропривода // Электротехника. – 2002. – №3. – с. 48 – 53. 4. Ставинский А.А., Забора И.Г. Усовершенствование оборудования водолазных комплексов на основе специальных исполнений электромеханических устройств // Проблеми автоматики та електрообладнання транспортних засобів. Матеріали Всеукраїнської науково – технічної конференції з міжнародною участю. – Миколаїв: НУК, 2006 – с. 194 – 202. 5. Лоренц Л. Состояние и направления дальнейшего развития в сфере разработки, производства и применения силовых полупроводниковых приборов // Электротехника. – 2002. – №3. – с. 2 – 16. 6. Індукційна система електроприводу герметичних об’єктів. Деклараційний патент на винахід №45874А. Україна / Ставинський А.А., Кімстач О.Ю., Забора І.Г., Казанський С.Б. Заявл. 07.08.2001; Опубл. 15.04.2002. Бюл. №4. 7. Взрывозащищенные асинхронные двигатели (конструкция, проектирование, эксплуатация) / В.А. Яковенко, Н.Н Волковой, В.В. Кашка и др.; Под ред. В.А. Яковенко. – М.: Энергия, 1977. – 312 с. |
