Курсовая работа: Расчет электрической передачи мощности тепловоза
|
Название: Расчет электрической передачи мощности тепловоза Раздел: Рефераты по транспорту Тип: курсовая работа | |||||||||||||||||||||||||||||||||||||||||||||||||||||||||||||||||||||||||||||||||||||||||||||||||||||||||||||||||||||||||||||||||||||||||||||||||||||||||||||||||||||||||||||||||||||||||||||||||||||||||||||||||||||||||||||||||||||||||||||||||||||||||||||||||||||||||||||||||||||||||||||||||||||||||||||||||||||||||||||||||||||||||||||||||||||||||||||||||||||||||||||||||||||||||||||||||||||||||||||||||||||||||||||||||||||||||||||||||||||||||||||||||||||||
Содержание Задание 1 Определение основных параметров электрической передачи мощности 1.1 Расчет внешней характеристики тягового генератора (выпрямительной установки) 1.2 Определение числа и типа ТЭД 2 Пересчет рабочих характеристик ТЭД и предварительное определение ограничений тяговой характеристики тепловоза 2.1 Расчет нагрузочных характеристик серийного ТЭД 2.2 Предварительное определение расчетной скорости тепловоза 2.3 Предварительное определение необходимой минимальной величины коэффициента ослабления поля ТЭД 2.4 Предварительное определение расчетной силы тяги тепловоза и ограничений тяговой характеристики 3 Построение рациональных тяговой и технико – экономических характеристик 3.1 Определение рациональной величины передаточного отношения тягового редуктора 3.2 Расчет тягового редуктора 3.3 Расчет рациональных тяговой и технико-экономической характеристик проектируемого тепловоза 4 Определение параметров и характеристик электрического тормоза проектируемого тепловоза 5 Разработка силовой схемы проектируемой ЭПМ Список используемой литературы Схема проектируемой ЭПМ в режиме тяги Схема проектируемой ЭПМ в режиме электрического торможения 1 Определение основных параметров электрической передачи мощности Ориентировочная мощность ТГ, кВт
где
POP = 0,91 ∙ 2800 = 2548 кВт Так как Мощность на зажимах СТГ, кВт
где PСТГ = 2548 ∙ 0,95 = 2420,6 кВт Мощность на зажимах ВУ, кВт
где PВУ = 2420,6 ∙ 0,98 = 2372,2 кВт 1.1 Расчет внешней характеристики тягового генератора (выпрямительной установки) Внешняя характеристика ТГ строится для высшей позиции контроллера машиниста и представляет собой зависимость Максимальное значение выпрямленного напряжения на выходе ВУ, В
где
Определяем значения минимальных, номинальных и максимальных токов и напряжений на выходе ВУ. Номинальное напряжение (напряжение продолжительного режима) ВУ, В
где
Номинальный ток ВУ, А
Минимальный ток ВУ, А
Максимальный ток ВУ, А
где
Минимальное напряжение ТГ (ВУ), В
Задавшись несколькими значениями
Результаты расчетов сводятся в таблицу 1. Таблица 1 – Расчетная таблица внешней характеристики ВУ
По полученным данным строится внешняя характеристика ВУ, ограниченная гиперболой
Рисунок 1 – Внешняя характеристика ВУ 1.2 Определение числа и типа ТЭД Сцепная масса проектируемого тепловоза, т
где
QСЦ = 59 ∙ 2800 ∙ 10-3 = 165,2 кг/кВт Число осей проектируемого тепловоза
где
При нецелом или нечетном значении m принимается ближайшее четное число осей mпр mпр = 8
Потребная мощность ТЭД в кВт
где
Для проектируемой ЭПМ выбираем серийный ТЭД – ЭД 118А 2 Пересчет рабочих характеристик ТЭД и предварительное определение ограничений тяговой характеристики тепловоза Электромеханическими характеристиками ТЭД, которые являются одним из видов рабочих характеристик, называются зависимости крутящего момента М , частоты вращения вала n и коэффициента полезного действия h от тока якоря I Я :
при приложенном напряжении Для расчета рабочих характеристик серийного ТЭД в проектируемой ЭПМ необходимо иметь характеристики намагничивания стали ТЭД
или (что значительно упрощает расчеты) нагрузочные характеристики
где Нагрузочные характеристики можно построить по имеющимся электромеханическим характеристикам выбранного ТЭД. 2.1 Расчет нагрузочных характеристик серийного ТЭД Нагрузочные характеристики ТЭД (отношение противо–ЭДС якоря Е
к его числу оборотов n
в зависимости от тока возбуждения при различных токах якоря,
где
В паспортных данных ТЭД указывается сопротивление при температуре
где
Задавшись по электромеханическим характеристикам величинами
отношение tн = 20 °С
θ°=100 °С rя = 0,013 ∙ (1+0,0033 ∙ (100 – 20)) = 0,0164 Ом rв = 0,0105∙ (1+0,0033 ∙ (100 – 20)) = 0,0133Ом rдп = 0,00821 ∙ (1+0,0033 ∙ (100 – 20)) = 0,01038Ом Расчет нагрузочных характеристик ТЭД сводим в таблицу 2. Таблица 2 – Расчет нагрузочных характеристик выбранного ТЭД
По данным таблицы 2 строятся кривые зависимости
Рисунок 2 – Нагрузочные характеристики ТЭД. 2.2 Предварительное определение расчетной скорости тепловоза Скорость движения проектируемого тепловоза (км/ч) определяется по формуле:
где n – частота вращения якоря ТЭД в проектируемой ЭПМ, с-1 ;
Число оборотов (в с-1 ) якоря ТЭД в проектируемой ЭПМ, в общем случае определяется по формуле:
где
Напряжение в (В), подводимое к зажимам ТЭД в проектируемой ЭПМ, определяется по формуле
где
Ток якоря (А) ТЭД в проектируемой ЭПМ, определяется по формуле
где
Расчетная скорость движения проектируемого тепловоза имеет место при номинальном числе оборотов якоря ТЭД – при номинальных напряжении и токе ТЭД в проектируемой ЭПМ, т.е. при
и
Eпр = 431,2 – (687,6 ∙ 0,0401 + 2) = 401,63 В
2.3 Предварительное определение необходимой минимальной величины коэффициента ослабления поля ТЭД Степень регулирования проектируемой ЭПМ по скорости характеризуется коэффициентом регулирования:
где Vmax =0,9 ∙ VК где Vmax =0,9 ∙ 110 = 99 км/ч
При Для обеспечения работы ЭПМ с постоянной мощностью вплоть до максимальной скорости движения тепловоза (при сохранении величины Ослабление поля ТЭД является наиболее распространенным и простым способом повышения диапазона регулирования ЭПМ по скорости тепловоза. Первоначально необходимо проверить возможность обеспечения необходимого диапазона регулирования по скорости за счет ослабления поля ТЭД. Для этого определяют минимальное значение коэффициента ослабления поля ТЭД, являющегося, как известно, отношением
2.4 Предварительное определение расчетной силы тяги тепловоза и ограничений тяговой характеристики Сила тяги на ободе колеса (Н) в общем случае определяется как
где
Касательная сила тяги тепловоза определяется как
Для предварительного определения расчетной силы тяги тепловозов
PТЭД = 431,2 ∙ 687,6 ∙ 0,92 ∙ 10-3 = 272,8 кВт
Тяговая характеристика имеет ограничения по сцеплению колес тепловоза с рельсами и максимальному току ЭПМ. Ограничение касательной силы тяги по сцеплению определяется в соответствии с Правилами тяговых расчетов (ПТР) выражением
где Расчет Таблица 3 – Расчет ограничения касательной силы тяги тепловоза по сцеплению
Ограничение касательной силы тяги по максимальному току ЭПМ
Eпр = 287,5 – (1031,4 ∙ 0,0401 + 2) = 244,14 В
PТЭД = 287,5 ∙ 1031,2 ∙ 0,84 ∙ 10-3 = 249,03 кВт
Соответствующая этому ограничению минимальная критическая скорость
По полученным данным строится предварительные ограничения тяговой характеристики тепловоза.
Рисунок 3 – Вид предварительных ограничений тяговой характеристики проектируемого тепловоза – ограничение мощности тепловоза из-за недоиспользования максимального тока ЭПМ. 3 Построение рациональной тяговой и технико–экономических характеристик 3.1 Определение рациональной величины передаточного отношения тягового редуктора Соотношение значений
где
FКТР = 9,81 ∙ 0,3 ∙ 165,2 ∙ 103 = 486183,6 Н PВУ = 287,5 ∙ 8251,2 ∙ 10-3 = 2372,22 кВт
Полученное значение
где
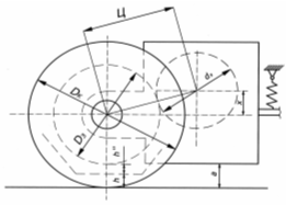
3.2 Расчет тягового редуктора В курсовой работе следует принять опорно-осевую подвеску ТЭД, при которой его размеры ограничиваются расстоянием между внутренними гранями бандажей колесных пар и минимально допустимым расстоянием от станины ТЭД до головки рельса а (рис. 3.1). Чтобы увеличить это расстояние (и возможные габариты ТЭД) ось ТЭД размещают несколько выше оси колеса. Для тепловозных ТЭД размер Х (см. рис. 3.1) устанавливается в пределах 20…40 мм.
Рисунок 4 – Эскиз опорно-осевой подвески ТЭД Как известно, передаточное отношение тягового редуктора определяется выражением
где
Максимально возможная величина диаметра
где
DЗ = 1,05 – 2 ∙ (0,121 + 0,024) = 0,76 м Диаметр делительной окружности малого зубчатого колеса
Задается модуль зацепления зубчатых колес, который определяется из номинального крутящего момента ТЭД при следующих значениях:
Подсчитывается число зубьев малого и большого зубчатых колес
После чего уточняется величина передаточного отношения
Определяется централь, которая при обычно применяемой коррекции зацепления (для большого зубчатого колеса
Вписывание ТЭД в отпущенные для него габариты обеспечивается в случае, если
где
Затем по уточненной величине
3.3 Расчет рациональных тяговой и технико-экономической характеристик проектируемого тепловоза При расчетах тяговой и технико-экономических характеристик КПД серийного ТЭД при его работе в проектируемой ЭПМ определяется по формуле
где
Касательная мощность тепловоза в кВт определяется выражением
КПД тепловоза рассчитывается по формуле
где 859,1
GЧ = 0,204 ∙ 2800 = 571,2 кг/ч
IВ = α ∙ IТЭД , А
Расчеты сводим в таблицу 4. По данным таблицы 4 строятся электромеханические ( Таблица 4 – Расчет тяговой и экономических характеристик проектируемого тепловоза
Рисунок 5 – Электромеханические ( 4 Определение параметров и характеристик электрического тормоза проектируемого тепловоза На тепловозах наибольшее распространение получили схемы реостатного торможения, в которых якорные обмотки ТЭД присоединяются к тормозным резисторам, а обмотки возбуждения (соединенные в последовательную цепь) получают независимое питание от ВУ. Это обеспечивает гибкость управления скоростью движения при плавном регулировании тормозной силы в широком диапазоне. Сопротивление тормозного резистора (Ом) определяется по формуле
где
Расчет предельных тормозных характеристик тепловоза рекомендуется производить в следующей последовательности: 1) Определяется максимальная ЭДС ТЭД, работающего в тормозном режиме (в режиме генератора),
где
2) Строится предельная зависимость тормозной силы тепловоза от скорости
и необходимая скорость движения тепловоза VH .
Тормозная сила тепловоза (Н) при этих условиях
Таким образом, на тормозной характеристике имеем точку (А) с координатами 3) Строится предельная тормозная характеристика по максимальному току якоря генерирующего ТЭД. Для ее построения необходимо: задаться несколькими значениями скорости в диапазоне от Таблица 5 – Расчет предельной тормозной характеристики по максимальному току якоря генерирующего ТЭД
4) Ограничение тормозной силы тепловоза по коммутации в зоне высоких скоростей в курсовой работе может быть определено из условия:
где
Задаваясь значениями скорости в диапазоне от Таблица 6 – Расчет ограничения тормозной силы тепловоза по коммутации
5) Для построения ограничения тормозной характеристики тепловоза по условию сцепления колес с рельсами используется формула
где Вид этого ограничения на рисунке представлен кривой 4. Таблица 7 – Расчет ограничения тормозной характеристики тепловоза по условию сцепления колес с рельсами
Построим также зависимость мощности ВУ (отдаваемой в цепь возбуждения генерирующих ТЭД) от скорости движения тепловоза. Для ее построения определяется мощность ВУ в (кВт) по формуле
где обычно,
Задавшись рядом значений скорости от Вид зависимости
Рисунок 8 – Предельные тормозные характеристики тепловоза Таблица 8 – Расчет зависимости мощности ВУ от скорости движения тепловоза
5 Разработка силовой схемы проектируемой ЭПМ Тепловоз выполнен с электропередачей на переменно-постоянном токе. Переменное шестифазное напряжение тягового генератора СГ выпрямляется установкой ВУ и подается на восемь параллельно включенных тяговых электродвигателей, приводящих тепловоз в движение. К тяговому генератору электродвигатели подключаются с помощью восьми электропневматических поездных контакторов П1 —П8, которые позволяют разрывать цепи электродвигателей, чтобы предотвратить самопроизвольное движение тепловоза от остаточного магнетизма при работе генератора на холостом ходу, а также быстро отключить неисправный электродвигатель Скорость тепловоза и тяговое усилие регулируются возбуждением тягового генератора и изменением частоты вращения вала дизеля, задаваемой позицией контроллера машиниста. Для расширения диапазона скоростей тепловоза, при которых используется полная мощность дизеля, существуют ступень ослабления возбуждения тяговых электродвигателей: на 64% (ОП-1). Ослабление возбуждения осуществляется подключением резисторов СШ1 —СШ8 параллельно обмоткам возбуждения тяговых двигателей с помощью групповых контакторов ВШ. Переход на ослабленное возбуждение и обратно осуществляется автоматически с помощью реле перехода РП, включающих и отключающих групповые контакторы ВШ. Направление движения тепловоза зависит от изменения направления тока в обмотках возбуждения тяговых электродвигателей переключением контактов реверсора ПР. Список используемых источников 1 А.В. Донченко, А.А. Зарифьян, А.В. Козубенко Электрические передачи локомотивов: Методические указания по выполнению курсового проекта для студентов IV курса специальности 150700 «Локомотивы». – Ростов н/Д: Рост. гос. ун-т путей сообщения, 2006. – 48 с. 2 Филонов С.П., Гибалов А.И., Быковский В.Е. Тепловоз 2ТЭ116. – М.: Транспорт, 1985. – 328 с. |
|||||||||||||||||||||||||||||||||||||||||||||||||||||||||||||||||||||||||||||||||||||||||||||||||||||||||||||||||||||||||||||||||||||||||||||||||||||||||||||||||||||||||||||||||||||||||||||||||||||||||||||||||||||||||||||||||||||||||||||||||||||||||||||||||||||||||||||||||||||||||||||||||||||||||||||||||||||||||||||||||||||||||||||||||||||||||||||||||||||||||||||||||||||||||||||||||||||||||||||||||||||||||||||||||||||||||||||||||||||||||||||||||||||||
,
,


– коэффициент регулирования ВУ по току (

















0,25




– минимальная частота вращения ТЭД при параметрах 
– номинальная частота вращения ТЭД при номинальных параметрах 



; 

, м/с


, с-1
, км/ч
– касательная сила тяги тепловоза, Н




