Дипломная работа: Проект пассажирского вагонного депо с разработкой контрольного пункта автосцепки
|
Название: Проект пассажирского вагонного депо с разработкой контрольного пункта автосцепки Раздел: Рефераты по транспорту Тип: дипломная работа | |||||||||||||||||||||||||||||||||||||||||||||||||||||||||||||||||||||||||||||||||||||||||||||||||||||||||||||||||||||||||||||||||||||||||||||||||||||||||||||||||||||||||||||||||||||||||||||||||||||||||||||||||||||||||||||||||||||||||||||||||||||||||||||||||||||||||||||||||||||||||||||||||||||||||||||||||||||||||||||||||||||||||||||||||||||||||||||||||||||||||||||||||||||||||||||||||||||||||||||||||||||||||||||||||||||||||||||||||||||||||||||||||||||||||||||||||||||||||||||||||||||||||||||||||||||||||||||||||||||||||||||||||||||||||||||||||||||||||||||||||||||||||||||||||||||||||||||||||||||||||||||||||||||||||||||||||||||||||||||||||||||||||||||||||||||||||||||||||||||||||||||||||||||||||||||||||||||||||||||||||||||||||||||||||||||||||||||||||||||||||||||||||||||||||||||||||||||||||||||||||||||||||||||||||||||||||||||||||||||||||||||||||||||||||||||||||||||||||||||||||||||||||||||||||||||||||||||||||||||||||||||||||||||||||||||||||||||||||||||||||||||||||||||||||||||||||||||||||||||||
Проект пассажирского вагонного депо с разработкой контрольного пункта автосцепки ПОЯСНИТЕЛЬНАЯ ЗАПИСКАк дипломному проекту РЕФЕРАТ Дипломный проект Стр.114, рис.5, табл.27, использованных источников 24 ПАССАЖИРСКОЕ ВАГОННОЕ ДЕПО, РЕКОНСТРУКЦИЯ, КОНТРОЛЬНЫЙ ПУНКТ АВТОСЦЕПКИ, КОРПУС АВТОСЦЕПКИ, КОНТРОЛЬ, МЕХАНИЗАЦИЯ, ЭКОНОМИКА, ОХРАНА ТРУДА И ОКРУЖАЮЩЕЙ СРЕДЫ Проект реконструкции контрольного пункта автосцепки пассажирского вагонного депо Ростов СКЖД на основе внедрения поточного метода ремонта вагонов. Вариант организации контрольного пункта автосцепки вместо участка ремонта автосцепки с разработкой технологии ремонта и контроля. Экономический анализ реконструкции контрольного пункта автосцепки. Разработка мероприятий по охране труда и окружающей среды. СОДЕРЖАНИЕ Введение 1. Вагонное депо 1.1 Характеристика пассажирского вагонного депо Ростов СКЖД 1.2 Предложения по совершенствованию организации ремонта пассажирских вагонов в вагонном депо Ростов СКЖД 1.3 Определение режима работы депо 1.4 Определение штата работников депо 1.5 Определение параметров поточной линии ремонта пассажирских вагонов в условиях вагонного депо Ростов СКЖД 1.6 Организация работ в ВСУ 1.7 Организация работ в МО 1.8 Организация работ в тележечном участке 1.9 Организация работ в колесно-роликовом участке 1.10 Организация работ в кузнечном отделении 1.11 Организация работ в слесарно-комплектовочном и механическом отделении 1.12 Организация работ в авто контрольном пункте (АКП) 1.13 Организация работ в деревообрабатывающем отделении 1.14 Организация работ в обойном отделении и отделении резки стекол 1.15 Организация работ в сварочном отделении 1.16 Организация работ в отделении по ремонту электрооборудования 1.17 Организация работ в отделении ремонта холодильного оборудования 1.18 Организация работ в отделении декоративного напыления 1.19 Организация работ в отделении по ремонту устройств отопления, водоснабжения и вентиляции 1.20 Организация работ в полимерном отделении 1.21 Организация работ в жестяно-кровельном отделении 1.22 Определение параметров помещений вагонного пассажирского депо Ростов СКЖД с учетом реконструкции 1.23 Расчет отопления депо 1.24 Расчет потребности депо в электроэнергии 1.25 Расчет потребности депо в воде 1.26 Расчет потребности депо в сжатом воздухе 2. Контрольный пункт автосцепки 2.1 Организация работ ремонта автосцепного оборудования в депо Ростов СКЖД 2.2 Предлагаемый вариант организации работ ремонта автосцепного оборудования в КПА 2.3 Годовая программа ремонта автосцепного оборудования КПА 2.4 Определение штата работников КПА 2.5 Определение производственной площади 2.6 Контроль корпуса автосцепки феррозондовым методом 2.7 Пресс для выправления корпуса автосцепки 3. Анализ износов и неисправностей корпуса автосцепки 4. Безопасность и экологичность решений проекта 4.1 Обеспечение безопасности работ на контрольном пункте автосцепки 4.2 Охрана окружающей среды 5.Экономический анализ реконструкции КПА Список использованных источников ВВЕДЕНИЕ Эффективное использование парка пассажирских вагонов неразрывно связано с улучшением организации ремонта вагонов на вагоноремонтных предприятиях. С целью повышения эффективности производства, улучшения качества ремонта вагонов в вагонных депо совершенствуются технологические процессы ремонта вагонов и их узлов, вводятся в эксплуатацию новые высокопроизводительные машины и механизмы, широко внедряется более прогрессивный поточный метод деповского ремонта вагонов. При поточном методе ремонта вагонных депо достигается высокая степень механизации всех ремонтных и вспомогательных работ с использованием более совершенного оборудования и технологической оснастки, максимальная параллельность работ и строгое соблюдение последовательности их выполнения; четкая специализация ремонтных позиций на выполнение определенных операций; наилучшее использование рабочего времени; одновременность выполнения работ на всех ремонтных позициях поточной линии; использование транспортных средств для перемещения вагонов, их узлов и деталей на всем технологическом цикле выполнения работ; строгое соблюдение ритмичности выполнения отдельных ремонтных операций и всего технологического процесса; более эффективное использование производственных площадей и ремонтных средств вагонных депо. Таким образом, одним из главных направлений технического прогресса вагонного депо Ростов СКЖД является поточный метод ремонта пассажирских ЦМВ, а также их узлов, где это возможно. При совершенствовании технологии ремонта пассажирских ЦМВ в депо Ростов СКЖД особое внимание следует уделить вопросам, связанным с организацией малярного отделения в отдельном отапливаемом помещении, а также механизацией процессов окраски и сушки вагонов. 1. ВАГОННОЕ ДЕПО Вагонное депо Ростов СКЖД предназначено для производства деповского ремонта пассажирских вагонов и специализировано на ремонте цельнометаллических вагонов всех типов, кроме вагонов-ресторанов. Этот тип ремонта предназначен для поддержания вагонов в исправном техническом состоянии между 1.1 Характеристика пассажирского вагонного депо Ростов СКЖД Вагонное депо сквозного типа имеет десять фракционных путей, из которых три пути ремонтные, два – для отстоя вагонов, один путь – объездной, два пути для погрузки и выгрузки материалов и колесных пар, два пути – выставочные для отстоя выгонов, подаваемых в ремонт и из ремонта. Ремонт вагонов производится поточно- стационарным методом. План вагонного депо со всеми зданиями и сооружениями представлен на чертеже И9.047.1.039.01.СЧ Таблица 1 Общая характеристика депо.
Ремонт вагонов и их узлов в вагонном депо Ростов СКЖД организован на низком уровне, не отвечающем современным требованиям. Во- первых практически отсутствует малярное отделение, вместо него есть не отапливаемый ангар, в связи с этим малярные работы ведутся и в вагоносборочном участке ВСУ. Такая организация работ с использованием лакокрасочных недопустима. Окраску вагонов производят вручную, отсутствуют камеры сушки. Во-вторых, отсутствует тележное отделение, работы по ремонту тележек, их очистки, сборке и разборке ведутся практически вручную в ВСУ. В-третьих, ремонт автосцепного оборудования ведется в разных отделениях, таким образом, контрольного пункта автосцепки (КПА) в депо нет, вместо него существует участок по ремонту автосцепок. Тяговые хомуты и поглощающие аппараты проходят ремонт в сварочном и механическом отделении в основном блоке производственных участков и отделений. Следует отметить, что степень механизации производства достаточно низкая. 1.2 Предложения по совершенствованию организации ремонта пассажирских вагонов в вагонном депо Ростов СКЖД Проанализировав все недостатки вагонного депо Ростов СКЖД, предлагается ряд мер, связанных с реконструкцией депо и участка по ремонту автосцепки, а также улучшением технического оснащения производственных участков и отделений. В частности предлагается: - перевести ремонт вагонов на поточный метод; - сделать пристройку малярного отделения на два вагона; - сделать пристройку для перенесения ряда участков и организации ремонта тележек с применением современного метода ремонта тележек; - сделать пристройку к участку по ремонту автосцепок и организовать КПА, со всеми, ему присущими отделениями; - внедрить окраску вагонов с применением самодвижущихся площадок, на которых смонтированы распылительные головки для нанесения краски в электростатическом поле; - внедрить сушильные установки на МО; - применить современную технологическую оснастку в производственных отделениях в соответствии с последним Руководством по деповскому ремонту ЦМ вагонов /1/. 1.3 Определение режима работы депо Режим работы включает в себя определение годовой программы ремонта пассажирских вагонов заданных типов, количество смен, а также фонда рабочего времени депо. Годовая программа ремонта вагонов Годовая программа ремонта пассажирских вагонов депо Ростов СКЖД с принятыми изменениями составляет Nв =710 вагонов. По типам вагонов программа составляет: ЦМО – открытые 400 вагонов ЦМК – купейные 270 вагонов ЦММ – мягкие 40 вагонов. Фонд рабочего времени депо. Предлагается организация работы депо в односменном режиме с прерывной пятидневкой 40-ка часовой неделей, с двумя выходными днями и продолжительностью рабочей смены 8 часов. Фонд рабочего времени рассчитывается для 2004 года. Определяем годовой фонд времени явочного рабочего с нормальной продолжительностью рабочего времени по формуле (1) /2/ FЯВ = (DК - dПР ) ×tСМ – dСК ×tСК , час , (1) где DК - число календарных дней в году, DК =366 дн.; dПР – число нерабочих дней в году, dПР = 114 дн; tСМ = 8 ч – продолжительность рабочей смены; dСК – количество предпраздничных дней, dСК =7 дн; tск =1 ч– продолжительность сокращения рабочего дня. Fяв = (366 – 114) × 8 – 7 ×1 = 2009 час. Действительный годовой фонд времени работы оборудования определяем по формуле (2). Fд об = Fяв × (1 – Коб /100) , час, (2) где Коб = 5% - коэффициент, учитывающий потери времени на ремонт оборудования. Fд об = 2009 × (1 – 5/100) = 1909 час. 1.4 Определение штата работников депо Расчет численности рабочих на деповский ремонт пассажирских вагонов производится по формуле(3) /2/.
где Ni – программа деповского ремонта для каждого типа вагона: NЦМО = 400 ваг., NЦМК = 270 ваг., NЦММ = 40 ваг.. Hi – трудоемкость ремонта вагона по типам, /3/ HЦМО = 465чел∙час., HЦМК = 459 чел∙час., HЦММ = 428 чел∙час.; k = 1,03 – коэффициент на перевыполнение норм выработки.
Суммарное количество производственных работников составляет: SRяв 01 = Rяв ЦМО + Rяв ЦМК + Rяв ЦММ = 90+60+8 = 158 чел. Распределение работников по участкам (отделениям) и профессиям представлено в таблице 2/3/ Таблица 2 Штатная ведомость работников депо
Определяем списочное количество производственных рабочих по формуле (4) /2/ RСП = RЯВ ×k3 , чел. , (4) Где k3 =1.1 – коэффициент замещения явочных рабочих. RСП = 158×1,1=174 чел. В соответствии с нормами расчета /3/ численность вспомогательных рабочих принимаем 16% от числа основных производственных рабочих, количество инженерно-технических работников – 6%, количество служащих – 2%, количество младшего обслуживающего персонала – 2%. Исходя из процентного соотношения, определяем численность работников: RВСП =0,16 ×RЯВ = 0,16×158=25 чел RИТР =0,06 ×RЯВ = 0,06×158=10 чел. RСЛ =0,02 ×RЯВ = 0,02×158=3 чел. RМОЛ =0,02 ×RЯВ = 0,02×158=3 чел. Определяем общее количество работников депо: RОБЩ = RСП + RВСП + RИТР + RСЛ + RМОЛ = 174+25+10+3+3=212 чел. 1.5 Определение параметров поточной линии ремонта пассажирских вагонов в условиях вагонного депо Ростов СКЖД Определяем число позиций в ВСУ (число стойл) по формуле (5)
где T – время нахождения вагона в ремонте, Т = 40 час; m – количество смен, m =1.
Определяем максимально допустимое число позиций на поточной линии по формуле (6)
где RПЛ – ритм поточной линии, мин, который определяется по формуле (7).
где hПЛ =0,95 – коэффициент использования поточной линии; KВ – количество вагонов на одной позиции, КВ = 1 ваг.; FПЛ – фонд рабочего времени поточной линии ремонта вагонов принимается равным фонду рабочего времени явочного рабочего FПЛ =FЯВ =2001 час.
Принимаем число позиций в ВСУ равным 15. Таким образом, получаем три ремонтные поточные линии, на которых ремонтируется по пять вагонов. Из них три вагона проходят основной ремонт в ВСУ на трех позициях, а два вагона находятся в МО на двух позициях окраски вагонов. Определяем суточный выпуск вагонов из ремонта по формуле (8).
где DРАБ = 251 дн – количество рабочих дней в году.
Проверяем соответствие выбранного цикла поточной линии, равного 40 часам, расчетному: ТПЛ = RПЛ × ФР – 160,6×15 = 2409 мин , что составляет примерно 40 часов. Таким образом, выбранные параметры поточной линии верны. Ритм выпуска вагонов из ремонта определяем по формуле (9)
Фронт работы ВСУ с МО составляет: FПЛ =t×TПЛ = 0,375×40 = 15 ваг. Ремонт вагонов производится в соответствии с разработанным графиком деповского ремонта, представленного на чертеже. 1.6 Организация работ в ВСУ Ремонт в ВСУ производится по принципу замены неисправных и пополнения отсутствующих частей заранее отремонтированными или новыми, отвечающими требованиям Руководства по деповскому ремонту №ЦЛ4255. /1/. Составные части и детали вагона осматривают, неисправные снимают и отправляют в соответствующие отделения и участки для ремонта. Подъем вагонов осуществляется электродомкратами, грузоподъемностью 30 т каждый. Позиции поточных линий оснащены необходимыми механизмами, приспособлениями и инструментом, ускоряющими и облегчающими производство работ. Tранспортировка деталей осуществляется на электрокарах, электронагрузчиках, а также мостовым краном грузоподъемностью 10 т. Программа вагоносборочного участка составляет NВ = 710 вагонов. Оборудование ВСУ. Расположение участков и отделений в блоке основных производственных участков, а также расстановка оборудования приведены на чертеже. Номенклатура оборудования, применяемого в ВСУ, приведена в таблице 3 /4/. Таблица 3. Ведомость оборудования ВСУ
1.7 Организация работ в МО В МО производят подготовку вагонов под окраску (шпатлевание, зачистка), окраску и сушку наружных и внутренних поверхностей вагонов и их узлов, а также постановку трафаретов на вагоны. Программа ремонта вагонов в МО составляет NВ = 710 вагонов. Оборудование МО. Для обеспечения качественного выполнения окрасочных работ отделение оборудуется: - агрегатами для механизированной окраски вагонов в электростатическом поле - 3 шт. - системой принудительной приточно-вытяжной вентиляции; - передвижной установкой для сушки вагонов - 3 шт. 1.8 Организация работ в тележечном участке В тележечном участке производят плановый ремонт тележек пассажирских вагонов. Ремонт ведется стационарным методом с последовательным расположением оборудования. На участке предусмотрены отделения для ремонта рычажной передачи и гидравлических гасителей колебаний (ГГК). Детали и составные части тележек ремонтируют в соответствии с Руководством по ДР /1/ и Инструкцией по сварке и наплавке при ремонте вагонов и контейнеров ТРМ32ЦВ201-88. Ремонт ГГК выполняется в соответствии с техническими указаниями №301-93 ПКБ ЦВ МПС /5/ и /6/. Программа тележечного участка определяется количеством тележек, поступающих из ВСУ и составляет NТ = SТ ×NВ , шт., где ST = 2 – количество тележек на одном вагоне. NT = 2 × 710=1420 шт. Оборудование тележечного участка. Таблица 4. Ведомость оборудования тележечного участка.
1.9 Организация работ в колесно-роликовом участке Участок предназначен для ремонта, полного и обыкновенного освидетельствования колесных пар, поступающих из-под ремонтируемых вагонов и с ПТО. Колесные пары освидетельствуются и ремонтируются в соответствии с технологическим процессом ремонта колесных пар в колесно-роликовом участке, который определяет полностью и однозначно последовательность технологических операций, способы ремонта и контроля, предельно-допустимые величины износов и допусков, при которых сборочные единицы и детали выпускают без восстановления или с восстановлением размеров, оборудование, инструмент, а также меры личной безопасности. Колесные пары, требующие ремонта со сменой элементов, отправляются в ВКМ ст. Батайск. Программа ремонта колесных пар определяется по формуле (10) NК = 1,2 ×SК ×NВ , шт., (10) где 1,2 – коэффициент, учитывающий 20% колесных пар, доставляемых с ПТО; SК = 4 – количество колесных пар на одном вагоне. NK = 1,2 × 4 × 710 = 3408 шт. Оборудование колесно-роликового Для расчета количества потребного оборудования воспользуемся формулой (11)
где H – норма станко-часов на обработку колесной пары, ст-час.; Определяем количество станков по типам с учетом нормы станко-часов соответствующего станка. -колесно-токарные станки:
Принимаем АКТ = 2 ст. - Шеечно-накатные станки:
Принимаем АШН = 2 ст. Остальное оборудование выбирается в соответствии с технологическим процессом и Инструкцией по ремонту колесных пар. Для определения длины парка для размещения колесных пар LКП необходимо определить требуемый запас колесных пар ПКП по формуле (12)
где К2 = 0.002 – поправочный коэффициент L = 500 – расчетное расстояние t= 2 час – расчетное время ремонта SС = 250 км/ч – расчетная среднесуточная скорость доставки колесных пар; DР = 251 – количество рабочих дней в году.
Необходимое оборудование для колесно-роликового участка представлено в таблице 5. Таблица 5. Ведомость оборудования колесного участка.
1.10 Организация работ в кузнечном отделении В кузнечном отделении ремонтируют детали вагонов способом пластической деформации, выправляют деформированные входные т откидные площадки, косынки фартуков переходных площадок, подножки тамбуров, штампуют заготовки для вагонных деталей. Программа отделения складывается из: -ремонтной ковки, необходимой для выполнения основной программы ремонта вагонов; -новой поковки, предназначенной для изготовления штампов и приспособлений; -поковки для нужд эксплуатации. Основная программа ремонта определяется по формуле (13) NК = aК × КК ×NВ × Р , кг , (13) где aК =1,12 – коэффициент, учитывающий поковку на хозяйственные нужды; КК = 0,25 – коэффициент перевода ремонтной поковки в новую; Р = 200 кг – масса поковки на один вагон. NК = 1,12 × 0,25 × 710 × 200 = 39760 кг. Объем поковки для нужд эксплуатации составляет 35% от NR NК.Э. = 39760 × 0,35 = 13916 кг. Общая программа ремонта составляет NК ОБ = 39760 + 13916 = 53676 кг Оборудование кузнечного отделения. Потребное количество оборудования определяется по формуле (14)
где КК I – коэффициент, учитывающий распределение поковок между агрегатами; HК I – часовая производительность оборудования; I – тип оборудования. Определяем потребное количество кузнечного оборудования по типам Молоты:
Принимаем 1 молот. Горны:
Принимаем 1 горн. Газосварочные аппаратуры:
Принимаем 1 аппарат. 1.11 Организация работ в слесарно-комплектовочном и механическом отделении Слесарно-комплектовочное отделение предназначено для ремонта механизмов подъема и фиксации оконных штор, дверных замков, оконных прутиков и кронштейнов для них, механизмов подъема опускных окон, сеток, решеток, металлической фурнитуры и других деталей и узлов внутреннего убранства вагона. Механическое отделение служит для обеспечения производственных отделений и участков отремонтированными и вновь изготовленными деталями и узлами, необходимыми при ремонте пассажирских вагонов, а также для создания неснижаемого запаса комплектующих узлов и деталей. Программа ремонта назначается с учетом поточности ремонтных операций ВСУ. Оборудование слесарно-комплектовочного и механического отделений. Потребное количество оборудования отделений определяется по формуле (15)
где Нст = 30 ст.час. – расход станко-часов на один вагон; mсм = 1 – число смен; hст = 0,95 – коэффициент использования станка; 1,2 – коэффициент, учитывающий потребность в обработке деталей для нужд ПТО
Станки распределяются по типам в следующем соотношении: - токарно-винторезные32%4 станка; - поперечно-строгальные22%2 станка; - фрезерные18%2 станка; - болторезные16%2 станка; - сверлильные12%2 станка. Таблица 6 Ведомость оборудования слесарно-комплектовочного и механического отделений.
1.12 Организация работ в автоконтрольном пункте (АКП) АКП предназначен для осмотра, испытания и ремонта тормозного оборудования, кроме рычажной передачи. Ремонт тормозного оборудования производится в объеме регламентируемом Инструкцией по ремонту тормозного оборудования вагонов ЦВ-ЦЛ-292 и в соответствии с Типовым технологическим процессом ремонта тормозного оборудования. Снятые с вагонов тормозные приборы, концевые и разобщительные краны, соединительные рукава, выпускные клапаны и стоп краны транспортируются в специальных кассетах, исключающих повреждения изделий. На приварочные фланцы воздухораспределителей устанавливаются предохранительные щиты. Оборудование АКП. Таблица 7 Оборудование АКП
1.13 Организация работ в деревообрабатывающем отделении В отделении выполняют работы по ремонту и изготовлению деталей оконных рам и деревянных деталей, обрешетки кузова, настила пола, облицовки стен, потолков и перегородок. Ремонт деревянных деталей производится в соответствии с Инструкцией по ремонту деревянных деталей грузовых и пассажирских вагонов. Программа ремонта назначается с учетом обеспечения поточности ремонтных операций ВСУ. Оборудование деревообрабатывающего отделения Потребное количество деревообрабатывающих станков определяется по формуле (16) nc
т
= Где : Сд = 4,8 ст-час - затраты станко-часов на обработку 1м3 пиломатериалов; Fq .ст = 1901 ч – действительный годовой фонд времени; Кисп = 0,85 – коэффициент использования оборудования nст
= Таблица 8 Ведомость оборудования деревообрабатывающего отделения
1.14 Организация работ в обойном отделении и отделении резки стекол В обойном отделении ремонтируют обивку мебели методом проклеивания заплат и подложек к основе или путем прошивания заплат по периметру; изготавливают новую обивку ; меняют поролон на диванах; ремонтируют и шьют новые шторы. В отделении резки стекол производят ремонт оконных стекол путем изготовления новых взамен разбитых. Программа ремонта отделений с учетом обеспечения поточности ремонтных операций ВСУ назначается. Оборудование в обойном отделении и отделении резки стекол В отделениях применяются: - верстак 1 - швейная машина 2 - стол для раскроя материала 3 - стеллаж 2 1.15 Организация работ в сварочном отделении В электросварочном отделении ремонтируются снятые с вагона и требующие наплавки или ремонта сваркой детали и узлы переходных площадок, входных и откидных площадок, буферных комплектов, металлические двери тамбуров вагона и съемное оборудование отопления и водоснабжения. Оборудование сварочного отделения Необходимое количество оборудования определяется по суммарной затрате времени, определяемой по формуле (17) Тсв = Ксв ∙ tо (17) Где: Ксв = 1,28 – коэффициент, учитывающий время на приготовления и вспомогательные операции; tо - основное время сварки, определяется по формуле (18) для полуавтоматической сварки и наплавки, час tо
= где: м=1,2 – коэффициент, зависящий от положения шва;
Vнапл =1000см3 – объем наплавки металла на вагон Yсв = 200А – сила сварочного тока
tо
= 1,2 Тсв = 1,28∙1,9 = 2,43час Количество единиц сварочного оборудования определяем по формуле (19) Асв
= Кс.э.
Где: Кс.э. =1,4 – коэффициент, учитывающий нужды эксплуатации;
Асв
= 1,4 Принимаем 2 полуавтомата 1.16 Организация работ в отделении по ремонту электрооборудования В состав отделения входят следующие отделения - по ремонту электроаппаратуры; - по ремонту электрических машин; - аккумуляторное В свою очередь, эти отделения включают в себя ряд участков. Отделение по ремонту электрических машин включает в себя: - участок ремонта электрических машин; - пропиточно-сушильный участок Аккумуляторное отделение включает в себя - зарядную станцию; - участок ремонта и зарядки кислотных аккумуляторов; - участок промывки и ремонта щелочных аккумуляторов; - участок приготовления щелочного электролита; - участок зарядки щелочных аккумуляторов. Ремонт электрического оборудования вагонов производится в соответствии с Руководством по капитальному ремонту электрического оборудования пассажирских вагонов ЦТВР/4099 и Руководства по ДРЦМВ. Испытание отремонтированного высоковольтного оборудования проводится на специализированном участке за пределами цеха. Оборудование отделения по ремонту электрооборудования. Таблица 9. Ведомость оборудования отделения по ремонту электроаппаратуры.
Таблица 10. Ведомость оборудования отделения по ремонту электрических машин.
Таблица 11. Ведомость оборудования аккумуляторного отделения.
1.17 Организация работ в отделении ремонта холодильного оборудования Отделение предназначено для ремонта агрегатов кондиционирования воздуха и холодильного оборудования. Ремонт холодильного оборудования организуется по агрегатному методу, при этом компрессоры, конденсаторы, испарители и прочее оборудование, снятое с вагонов, до подачи в отделение подвергается наружной очистке и обмывке. Оборудование отделения ремонта холодильного оборудования Таблица 12. Ведомость оборудования отделения по ремонту холодильного оборудования.
1.18 Организация работ в отделении декоративного напыления В отделение наносят защитно-декоративное покрытие на детали вагонов и полируют алюминиевые детали. Программа ремонта определяется с учетом обеспечения поточности ремонтных операций ВСУ. Оборудование отделения декоративного напыления. Оборудование отделения декоративного напыления приведено в таблице 13. Таблица 13. Ведомость оборудования отделения декоративного напыления.
1.19 Организация работ в отделении по ремонту устройств отопления, водоснабжения и вентиляции Отделение предназначено для промывки, осмотра и ремонта воздухонагревателей, расширителей, труб отопления и водоснабжения, кранов и баков, рабочих и запасных фильтров, насосов и других узлов и деталей систем отопления и вентиляции. Программа ремонта назначается с учетом обеспечения поточности ремонтных операций ВСУ. Оборудование отделения по ремонту устройств отопления, водоснабжения и вентиляции. Таблица 14. Ведомость оборудования отделения по ремонту устройств отопления, водоснабжения и вентиляции.
1.20 Организация работ в полимерном отделении Отделение предназначено для изготовления и ремонта вагонных деталей из пластмасс и резины, а также для напыления полимерных материалов на поверхности металлических деталей вагона. Программа ремонта назначается с учетом обеспечения поточности ремонтных операций ВСУ. Оборудование полимерного отделения. Таблица 15. Ведомость оборудования полимерного отделения.
1.21 Организация работ в жестяно-кровельном отделении В отделении изготавливают новые кожухи грязевиков, пороги, кожухи систем отопления, фановые и сливные трубы и другие детали, и узлы из кровельной жести. Программа ремонта назначается с учетом обеспечения поточности ремонтных операций ВСУ. Оборудование отделения жестяно-кровельного В отделении используют следующее оборудование - верстак; - вальцы; - ножницы рычажные; - кантовочная установка; - верстак для выполнения паяльных работ. 1.22 Определение параметров помещений вагонного пассажирского депо Ростов с учетом реконструкций Таблица 16. Свод основных параметров помещений депо.
1.23 Расчет отопления депо Отопление производственных и служебно-бытовых помещений производит котельная, расположенная на территории депо. Определяем расход тепла на отопление ВСУ по формуле (20) Qo = C∙V(tb – tn ) , кДЖ/час (20) где : С- тепловая характеристика помещения, кДЖ/м3 ∙К∙час с = 2,5 – для производственных помещений, с = 2 – для вспомогательных помещений , с = 1,65 – для служебно-бытовых; V = 43546 м3 – объем ВСУ; t 16o C – Расчетная внутренняя температура воздуха; tH = -15o C – расчетная наружная температура воздуха. QВСУ =2,5∙43546∙[16-(-15)] = 3374815 кДж/час. Расход тепла на обогрев вагонов рассчитывается по формуле (21) QB = QB уд ∙ n , кДж/час, (21) Где QB уд = 756000 кДж/час – количество тепла, расходуемое на обогрев одного вагона; n = 3 – количество обогреваемых вагонов. QB = 756000 ∙ 3 = 2268000 кДж/час. Расход тепла на подогрев наружного воздуха, проникающего через открытые ворота, определяем по формуле (22) q = Z ∙ 0,237 ∙ (tB – tH ) , кДж/час, (22) где Z = 15000 м3 – количество проникающего воздуха через открытые ворота в течение 10 минут;
q= 15000∙0,995∙ [16-(-15)] = 462675 кДж/час. Общее количество тепла, необходимое для отопления ВСУ составляет
Расход тепла на отопление остальных производственных и вспомогательных помещений определяем по формуле (23) Qвсп = с ∙ Vвсп (tв - tн ) , кДж/час,(23) где Vвсп = 23566 м3 - общий объем вспомогательных отделений. Qвсп = 2 ∙ 23566 ∙ [16-(-15)] = 1461092 кДж/час. Расход тепла на отопление служебно-бытовых помещений рассчитываем по формуле (24) Qсл.б. = с∙ Vсл.б. ∙ (tв – tн ), кДж/час,(24) где Vсл.б. = 6762 м3 – объем служебно-бытовых помещений. Qсл.б = 1,65 ∙ 6762 ∙ [16-(-15)] = 345876 кДж/час. Расход тепла для нагрева воды душевых определяем по формуле (25) Qg = 5∙ g ∙ t, кДж/час,(25) где g = 168 ∙ (15+12) = 4536 кДж/час – удельный расход тепла на нагрев водопроводной воды для одной душевой; 5 – количество душевых; t = 10 температура нагрева воды. Qg = 5∙ 4536 ∙ 10 = 226800 кДж/час. Для моечных машин расход тепла принимаем Qм = 2520000кДж/час. Общий расход тепла на нужды вагонного депо составляет: Qобщ. = Qвсу об + Qвсп + Qсл.б. + Qg + Qм = 6105490+1461092+345876+226800+2520000 = 10559258 кДж/час. Исходя из этого определяем производительность котельной по формуле (26)
где В = 2755 кДж/град - теплосодержание 1 кг пара; tк = 90о С – температура конденсации пара при Р = 5 атм.
Производительность котельной составляет примерно 4,5 т/час. Для выбора котла определяем производительность котла по формуле (27)
где z = 30 – форсировка котла. Н = 4400/30 = 147 м2 . Выбираем два котла марки ДЕ–3–ГМ, мощностью каждый по 3 т/час. Определим годовую потребность в топливе по формуле (28)
где gm = 105 кДж/час – суммарный расход тепла на 1 м3 здания; Н = 20 – расчетное число рабочих часов котельной в сутки; V = 73020 м3 - объем зданий; Кусл = 29400 кДж/час – теплотворная способность условного топлива.
1.24 Расчет потребности депо в электроэнергии Годовой расчет электроэнергии кВт∙час на ремонт ЦМВ определяется по формуле (29) /7/
где Эi – расчетный расход электроэнергии на ремонт одного вагона i –го типа; n – количество типов вагонов; Ni – годовая программа ремонта вагонов i-го типа. Эцмо = 990∙400=396000 кВт∙час; Эцмк = 1000∙270=270000 кВт∙час; Эцмм = 980∙40 = 39200 кВт∙час. Эрв = 396000+270000+39200 = 705200 кВт∙час. Годовой расход электроэнергии на освещение определяем по формуле (30) Эосв = Мэл ∙ Тисп ∙ Кэк , кВт∙час,(30) Где Мэл = 130 кВт – суммарная мощность осветительных электрических приемников; Тисп = 1125 час – годовое использование максимума осветительной электронагрузки; Кэк = 0,9 – коэффициент, учитывающий экономию энергии Эосв = 130 ∙ 1125 ∙ 0,9 = 131625 кВт∙час. Общий расход электроэнергии в депо составляет: Эд = Эрв + Эосв = 705200+131625 = 836825 кВт∙час. 1.25 Расчет потребности депо в воде Годовой расчет воды, поступающей из источников водоснабжения для производственных и хозяйственных нужд, определяем по удельным нормам расхода воды на один отремонтированный вагон. Определяем годовой расход воды на производственные нужды по формуле (31) /7/ Qпр.вод = краз ∙ qпр ∙ Nв , м3 , (31) Где краз = 1,4 – коэффициент, учитывающий дополнительный расход производственной и противопожарного резерва воды на специальные нужды; qпр =6,8 м3 – удельный расход производственной воды на один ремонтируемый вагон; Nв = 710 – годовая программа ремонта вагонов. Qпр.вод = 1,4 ∙ 6,8 ∙ 710 = 6760 м3 . Определяем расход воды на хозяйственные нужды по формуле (32) Qпит.вод = qпит ∙ Nв , м 3 , (32) Где qпит =2,9 м3 – удельный расход питьевой воды. Qпит.вод =2,9 ∙ 710 = 2059 м3 . 1.26 Расчет потребности депо в сжатом воздухе Годовой расход сжатого воздуха в депо рассчитываем по нормам удельного расхода его на один ремонтируемый вагон по формуле (33) Qд.воз. = qвоз. ∙ Nв ∙ Кпот , м3 ,(33) Где qвоз =480 м3 – удельный расход сжатого воздуха на один ремонтируемый вагон; Кпот =1,6 – коэффициент, учитывающий потери воздуха через неплотности, вследствие износа оборудования. Qд.воз = 480∙ 710 ∙ 1,6 = 545280 м3 . Потребная для деповских нужд подача компрессоров Qк определяется по формуле (34)
где 60 – число минут в 1 час; Fд = 1901 час = действительный фонд времени работы компрессоров с учетом сменности; hк = 0,9 – КПД компрессоров.
Выбираем компрессор типа 302 ВП-10/8. Разработаны мероприятия по усовершенствованию организации работ по ремонту пассажирских ЦМВ в вагонном депо Ростов СКЖД. В эти мероприятия входят реконструкция блока основных производственных участков и участка по ремонту автосцепок, находящегося в отдельностоящем здании, а так же оснащение участков и отделений современным оборудованием в соответствии с прогрессивными технологическими процессами. Произведен энергетический расчет депо. 2. КОНТРОЛЬНЫЙ ПУНКТ АВТОСЦЕПКИ Участок предназначен для ремонта автосцепного устройства, поглощающих аппаратов, тяговых хомутов и деталей сцепного механизма, проверки и комплектовки автосцепок. Ремонт выполняется в соответствии с требованиями Инструкций по ремонту и обслуживанию автосцепного устройства подвижного состава железных дорог № ЦВ/0061 /8/. На вагон автосцепное устройство устанавливается в соответствии с ГОСТ 3475-81 и требованиям рабочих чертежей завода-изготовителя. Корпуса автосцепок должны иметь ограничители вертикального перемещения. 2.1 Организация работ ремонта автосцепного оборудования в депо Ростов СКЖД Ремонт автосцепного оборудования на соответствующем предприятии осуществляется на нескольких участках: - на участке ремонта автосцепки, расположенном в отдельностоящем производственном здании, ремонтируют головки автосцепок; - на специализированном участке механического отделения и в сварочном отделении ремонтируют поглощающие аппараты и тяговые хомуты. Автосцепки с вагона снимают мостовым краном, а тяговые хомуты с поглощающими аппаратами – специальной тележкой. После занятия эти узлы направляют на очистку. Головки автосцепки обмывают в универсальной моечной машине, затем транспортируют на участок ремонта автосцепки на электрокаре и складируют на участке накопления. Краном-балкой 14 автосцепки устанавливают на стенд 1 для разборки. Здесь же приводят контроль корпуса шаблонами и диагностику магнитопорошковым и вихретоковым методами. Детали механизма сцепления наплавляют на верстаки 2, где их осматривают и обмеривают. Исправные детали откладывают для дальнейшего использования. При выявлении изгиба хвостовика и измерения зева корпуса автосцепки транспортируют в кузнечное отделение, находящееся в блоке основных участков, где их выправляют. После этого автосцепки направляются обратно в участок ремонта автосцепок. При наличии у деталей неисправностей, требующих ремонт сваркой или наплавкой, их направляют в сварочную кабину. Корпус автосцепки краном-балкой 14 снимают со стенда и устанавливают в патрон кантователя, детали переносят в ручную и складывают на стол сварочного поста 18 Изношенные поверхности корпуса наплавляют полуавтоматом 16 детали ремонтируют ручной дуговой сваркой. После ремонта сваркой и наплавкой детали проходят механическую обработку на фрезерном 3, строгальном 4, заточном 6 станках и приспособлении 5 для фрезеровки деталей сцепления. Упрочнение наиболее сильно изнашиваемых поверхностей производят на специализированном участке индукционно-металлургическим способом (ИМС). Участок оснащен установкой Т 134 16 с охладителем 22 и манипулятором 23 После упрочнения корпус устанавливают на стенд 1 и производит сборку. Поверхности зева корпуса доводят до рабочей шероховатости ручной шлифовальной машины. По завершению всех работ автосцепки складывают на участке накопления, откуда их грузят на электрокару и транспортируют в ВСУ для постановки на вагон. Существующая организация ремонта автосцепного оборудования содержит ряд недостатков. Во-первых, отсутствует единая система ремонта всех узлов автосцепного устройства на одном производственном участке, так, называемом КПА, что ведет к дополнительным производственным затратам и снижению меры ответственности за качество ремонта. Во-вторых, при ремонте на участке встречаются противотоки. В-третьих, технологическое оснащение участка не удовлетворяет всем требованиям Инструкции № ЦВ/4006. 2.2 Предлагаемый вариант организации работ ремонта автосцепного оборудования в КПА Автосцепное оборудование, снятое с вагона, транспортируют на электрокаре КПА. Поворотным краном 33 автосцепки снимают с электрокары и укладывают на транспортер-накопитель , с которого их подают, а моечную машину . Здесь их обливают водой под давлением и сушат. С позиции очистки поворотным краном автосцепки подают на двухсторонний поворотный стенд для разборки и контроля. Корпуса обмеряют шаблонами и диагностируют феррозондовым методом на стенде 24 Детали сцепного механизма подают на верстаки 2, где их осматривают и обмеривают. Корпуса автосцепок, имеющие уширение зева и изгиб хвостовика направляют в правильное отделение. Краном-балкой корпуса устанавливают на транспортер , а затем краном-укосином подают поочередно в электропечь и пресс . Здесь же правят предохранители замка и специальном приспособлении . Тяговые хомуты в сборе поглощающими аппаратами устанавливают на стол, где из разбирают. После разборки поглощающие аппараты направляют в специализированное отделение, где их устанавливают на стенд для разборки и последующей сборки. Комплектующие части аппаратов сложены на стеллаже. Тяговые хомуты и упорные плиты осматривают, диагностируют на столе . Неразрушающий контроль хомутов, проводят феррозондовым методом, оборудование для которого находятся на стенде . При выявлении неисправностей, требующих ремонта сваркой или наплавкой, детали с позиции контроля направляют в сварочную кабину. Корпус автосцепки краном-балкой снимают со стенда и устанавливают в патрон кантователя , тяговые хомуты тем же способом укладывают на стол сварочного поста . Эти детали наплавляют полуавтоматом 16 Мелкие детали ремонтируют ручной дуговой сваркой на сварочном посту 18. После выполнения сварочно-наплавочных работ все детали на позицию механической обработки, оборудованной фрезерным 3, строгальным 4 и заточным 6 станками, а также приспособлениями 5 для обработки внутренних поверхностей корпуса и приводом и приспособлением для фрезеровки деталей механизма сцепления 3. С позиции механической обработки детали, требующие уточнения поверхностей, направляют в отделение упрочненной наплавки. Здесь посредством токов высокой частоты, вырабатываемых установкой ТВЧ с охладителем , производят упрочнение наиболее изнашиваемых поверхностей корпуса автосцепки, тягового хомута, замка и замкодержателя ИМС. К индукторам детали подают и помощью манипуляторов . По мере остывания после ИМС корпуса и детали подают на стенд для сборки, а тяговые хомуты на стенд для комплектовки с поглощающими аппаратами. После завершения сборочных работ узлы складывают на участке накопления, откуда их на электрокаре транспортируют в ВСУ. Преимуществами предложенного варианта организации работ автосцепного оборудования являются: - организация полноценного КПА с наличием необходимого технологического оснащения; - возможность избежания противотоков в процессе ремонта; - увеличение годовой программы ремонта участка и снижение себестоимости. Технология ремонта автосцепок представлена в виде маршрутных карт. 2.3 Годовая программа ремонта автосцепного оборудования КПА Программа ремонта определяется из расчета количества автосцепных комплектов, поступающих из ВСУ и с ПТО: Nавт = Nв ∙2∙1,2, авт.ком.,(35) где 2 – количество автосцепных комплектов на одном вагоне; 1,2 – коэффициент, учитывающий 20% комплектов от годовой программы, поступающих с ПТО. Nавт = 710 ∙ 2 ∙ 1,2 = 1704 авт.ком. При такой программе ремонта участка внедрение поточно-конвеейрной линии /9/ не целесообразно, так как будет простой оборудования. Таким образом предлагаемый стационарный метод ремонта при перемещении деталей по отделениям удовлетворяет потребность ВСУ и ПТО в отремонтированном автосцепном оборудовании. 2.4 Определение штата работников КПА Расчет штата рабочих для ремонта автосцепного устройства в КПА производим по формуле (36)
где Навт = 7,2 чел.-час – трудоемкость ремонта автосцепного устройства.
Приведенный расчет удовлетворяет определенной ранее численности работников по ремонту автосцепного устройства при расчете штата депо. Распределение работников по профессиям представлено в таблице 17. Таблица 17 Штатная ведомость работников КПА.
2.5 Определение производственной площади Реконструированный участок КПА имеет следующие размеры: L = 19м, В = 9м, Н = 4,7м. Исходя из этих данных определяем площадь КПА
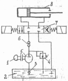
Принятая площадь удовлетворяет нуждам депо и ПТО по ремонту автосцепных устройств и нормам размещения оборудования. 2.6 Контроль корпуса автосцепки феррозондовым методом До настоящего времени для контроля корпуса автосцепки в депо Ростов СКЖД использовали 2 метода: 1- магнитопорошковый для контроля хвостовика; 2- вихретоковый для контроля неровных поверхностей головы автосцепки. Для уменьшения затрат на технические средства контроля и трудоемкости работ предлагаем внедрить магнитный неразрушающий контроль корпуса автосцепки феррозондовым методом. Феррозондовый метод неразрушающего магнитного контроля основан на обнаружении магнитных полей рассеяния, вызванных поверхностными и подповерхностными дефектами в намагниченных деталях. Этот метод позволяет контролировать детали как плоскими поверхностями, так и со сложной геометрической формой, меняется лишь тип феррозондового преобразователя (ФП), что при контроле корпуса автосцепки, имеющего сложную конфигурацию, имеет большое значение. Порядок выполнения феррозондового неразрушаемого контроля корпуса автосцепки регламентирует приложение к РД 32.149/I-2000 /10/. К техническим средством контроля корпуса относится: - прибор магнитоизмерительный феррозондовый комбинированный Ф – 205.30А ; - намагничивающие устройства МСН 11-01 и МСН 12-01 ; - стандартный образец СОП-НО-23. Прибор магнитоизмерительный феррозондовый комбинированный Ф-205.30А. Прибор Ф-205.30А МКИЯ. 427633.001-30А МКИЯ. 427.633.001 позволяет выполнять следующие основные операции: - «ввод технологической операции» позволяет вводить в память прибора заголовок с информацией о детали, которую предполагается контролировать в рамках операции «обнаружение дефектов». Под этим же заголовком может вводиться таблица измерений, выполняемых в рамках операции «запись характеристик поля»; - «обнаружение дефектов» сводится к обнаружению поверхностных и подповерхностных дефектов; - «измерение постоянного поля» позволяет измерять величину и знак проекции вектора напряженности магнитного поля на продольную и нормальную ось ФП; - «запись характеристик поля» позволяет записывать в память прибора до 16000 значений поля и градиента; - «передача информации на компьютер» предусматривает передачу на компьютер данных, полученных и введенных в прибор в рамках операции «ввод технологической информации» и «запись характеристик поля». Условия эксплуатации прибора: - температура окружающего воздуха от +5о С до +40о С; - относительная влажность воздуха от 30 до 90% при температуре +25о С; - атмосферное давление от 630 до 800 мм рт. ст. Работа с прибором Ф-205.30А производится в соответствии с руководством по эксплуатации МКИЯ. 427633.001.30А РЭ, Форма хранения и вывод информации определена в документе «Паке программ РМД-1 и руководстве эксплуатации МКИЯ.НД-30 РЭ. Прибор Ф-205.30А укомплектован феррозондовыми преобразователями двух типов: - ФП с базой 4 мм – для контроля хвостовика автосцепки; - ФП с базой 3 мм – для контроля переходов и сопряжений на голове автосцепки. Форма насадки указывает на тип преобразователя (рис.1)
1 – основание; 2 – защитный колпачек; 3 – метка; 4 – корпус; 5 – этикетка; 6 – гибкий кабель. Рисунок 1. ФП МДФ 9405.130 с базой 4 мм (а), ФП МДФ 9405.30 с базой 3 мм (б). Намагничивающие устройства. Намагничивающая система МСН 11-01 на постоянных магнитах предназначена для намагничивания корпуса автосцепки. МСН 11-01 представляет собой Г-образную магнитную систему, у которой изменяется расстояние между магнитными полюсами (чертеж И9.047.1.039.06.Д, рис.1). Система имеет постоянные магниты, расположенные в кассете 6 и цилиндрическом полюсе4. Кассета и полюсы имеют окраску, указывающую на полярность (красный цвет – южный полюс, синий цвет – северный полюс). От механических повреждений магниты предохранены полюсными наконечниками 7 и 4. Кассета с магнитами и полюсным наконечником крепится латунными винтами к треугольному магнитопроводу 5, образуя другой полюс системы. Полюса соединяются друг с другом штангой 3. Прямоугольный магнитопровод может перемещаться и фиксируется на штанге с помощью цангового зажима 2. Максимальное расстояние между полюсами ограничивает гайка 1, расположенная на конце штанги. МСН 11-01 создает в корпусе автосцепки магнитный поток, необходимый для возникновения на дефектах магнитных полей рассеяния. Работа с намагничивающим устройством ведется в соответствии с Руководством по эксплуатации МСН 11 РЭ. Приставное намагничивающее устройство МСН 12-01 на постоянных магнитах предназначено для намагничивания зева корпуса автосцепки. Устройство представляет собой V-образную магнитную систему с гибким магнитопроводом из материала с высокими магнитной проницаемостью и индукцией насыщения (чертеж И9.47.1.039.06.Д, рис.2). Оно содержит постоянные магниты большой мощности, расположенные в держателях 2. Держатели имеют окраску, указывающую на полярность (красный цвет – южный полюс, синий цвет – северный полюс). От механических повреждений магниты предохранены полюсными наконечниками 1. Полюса соединены друг с другом гибким магнитопроводом в кожаном чехле. Максимально расстояние между полюсами ограничивается длиной магнитопровода. Устройство создает в объекте контроля магнитный поток, необходимый для возникновения на дефектах магнитных полей рассеяния. Робота с устройством производится в соответствии с Руководством по эксплуатации МСН –12 РЭ. Стандартный образец СОП – НО – 23. Стандартный образец СОП-НО-23 предназначен для настройки рабочей чувствительности и проверки работоспособности дефектоскопов при контроле корпусов автосцепок. Стандартный образец (рис.2) представляет собой пластину, размером 300х40х10 мм из стали 20ГФЛ с нанесенными на ней 3-мя искусственными дефектами. Пластина является частью замкнутой магнитной системы с магнитопроводами и постоянными магнитами. Магнитная система стандартного образца содержит устройство 3, позволяющее регулировать величину магнитного потока в образце. Величина магнитного потока изменяется от нуля до максимального значения при вращении ручки 3. Фиксатор 7 предназначен для предотвращения самопроизвольного проворачивания регулирующего устройства 6. Искусственные дефекты стандартного образца изготовлены таким образом, что бы градиент их полей рассеяния был равен градиенту поля рассеяния максимального допустимого дефекта корпуса автосцепки.
Рисунок 2. Стандартный образец СОП-НО-23 1 – пластина с искусственными дефектами; 2 – магнитопровод; 3 – регулирующее устройство с постоянными магнитами; 4 – кожух; 5 – опора; 6 – ручка регулирующего устройства; 7 – фиксатор регулирующего устройства. Технология контроля. Технологический процесс феррозондового контроля корпуса автосцепки представлен в виде карты контроля корпуса автосцепки феррозондовым методом (чертеж И9.47.1.039.07.Д). При контроле корпуса необходимо знать критерий браковки по экс-плуатационным и литейным дефектам, которые представлены в таблице 18. Таблица 18 Критерии браковки корпуса автосцепки.
2.7 Пресс для выправления корпуса автосцепки Для правки корпусов применяется гидравлический пресс. Пресс состоит из рамы 1 (чертеж И9.47.1.039.03 ГЧ), на которой закреплены гидравлические цилиндры: вертикальный 2 усилием 500 кН и горизонтальный усилием 250кН. На штоках указанных цилиндров шарнирно закреплены нажимные элементы 3 и 8, имеющие очертания, соответствующие конструкции корпуса автосцепки в зоне выправляемых мест. Подача рабочей жидкости в цилиндры 2 и 7 осуществляется насосом 9 и электродвигателем 10. Резервуар 6 служит как компенсатор для размещения жидкости. При правке изогнутого корпуса 4 автосцепки его устанавливают на профильную опору 5 и включают двигатель насоса гидропривода. Жидкость подается в вертикальный цилиндр 2, предназначенный для исправления изгибов хвостовиков в горизонтальной плоскости и для сжатия расширенного зева, или в цилиндр 7, служащий для исправления изгибов хвостовика в вертикальной плоскости корпуса. Пресс допускает производить правку корпуса одновременно в двух плоскостях в зависимости от характера деформации. После выправления нажимные элементы гидравлических цилиндров устанавливаются в исходное положение и корпус с помощью манипулятора вынимается из пресса. При сжатии расширенного зева между малым и большим зубьями устанавливается специальный ограничитель. Расчет гидропривода пресса для выправления корпуса автосцепки. Применяется электрогидравлический привод (рисунок 3), который способен развивать большие усилия /11/
Рисунок 3. Схема электрогидравлического привода. 1 - электродвигатель; 2 - резервуар с маслом; 3 – фильтр; 4 – предохранительный клапан; 5 – насос; 6 – обратный клапан; 7 –гидрораспылитель; 8 – цилиндр гидропривода. Для данного пресса расчет производится двух гидроцилиндров: - вертикального DВ = 0,35 м; dш m .в = 0,15 м; Рm в = 500кН - горизонтального DГ = 0,25 м; dш m .г = 0,10 м; Рm г = 250кН; Определяем усилие, развиваемое гидроприводом по формуле (37)
где РР - рабочее давление жидкости в полости цилиндра, Па, определяемое по формуле (38)
где Рm – усилие рабочее, Н; f0 =0.85 – коэффициент, учитывающий трение уплотняющих устройств;
Fn –площадь поперечного сечения цилиндра, м2 ; Fш m -площадь поперечного сечения штока, м2 ;
РС =0,1РР – величина противодействия сливной полости. РС.В. =0,1×83,3×105 =8,33×105 Па РС.Г. =8,33×105 Па
где S – ход поршня, SВ = 0,35 м; SГ = 0,3 м tnx =15 c – длительность прямого хода.
Подачу насоса QН и давление РН необходимо определить с учетом утечек жидкости и потерь во времени по формулам (40) и (41)
где
где
Определяем диаметры нагнетательного и всасывающего трубопровода по формуле (42).
где Vm – скорость течения жидкости в трубопроводе, Vm .наг = 5 м/с; Vm .вс = 2 м/с;
Длительность цикла работы гидросистемы определяем по формуле (43) для обоих цилиндров:
где t=0.1 с –время срабатывания гидрораспределителя; tnx =15 с длительность прямого хода; tок =0,9 ×tnx =0,9× 15=13,5 с – длительность обратного хода; tЦ =2×0,1+15+13,5=28,7 с. Выбор двигателя для гидропривода. Выбор двигателя определяем, исходя из потребной мощности, по формуле (44) по большому усилию /11/
где k – коэффициент запаса на случай перегрузки двигателя, k = 1.1 ; РН =10400 кПа – давление, которое должен создавать насос; QН =0,0024 м3 /с – подача насоса; h = 0,85 – полный КПД насоса; hn =1 – КПД передачи.
Принимаем двигатель мощностью 1 кВт. Предложена реконструкция участка по ремонту автосцепки пассажирского вагонного депо Ростов СКЖД с организацией КПА со всеми ему присущими отделениями и оснащением участка современным технологическим оборудованием в соответствии с Инструкцией по ремонту автосцепного устройства. Определены годовая программа штата работников и производственная площадь КПА, которые удовлетворяют потребности депо и ПТО в отремонтированном автосцепном оборудовании. Для улучшения процесса магнитного контроля предложен феррозондовый метод контроля. В качестве механизации рассмотрен гидравлический пресс для выправления корпусов автосцепок с расчетом гидропривода. 3. АНАЛИЗ ИЗНОСОВ И НЕИСПРАВНОСТЕЙ КОРПУСА АВТОСЦЕПКИ В настоящее время на пассажирских вагонах железных дорог России и других стран СНГ для соединения единиц подвижного состава используется автосцепка жесткого типа СА-3. Для выборки зазоров в автосцепном устройстве с целью снижения продольных ускорений пассажирские вагоны дополнительно оборудуются буферами. Применение автосцепки СА-3 на пассажирских вагонах имеет ряд недостатков. В частности , мягкий рессорный комплект тележек приводит к большим относительным вертикальным перемещениям автосцепок в процессе движения и соответственно к их интенсивному износу, появляется опасность саморасцепов, возникает высокий уровень шума из-за частых ударов хвостовика автосцепки о центрирующую балочку. 3.1 Характеристика дефектов корпуса автосцепки Корпус автосцепки при работе испытывает значительные динамические нагрузки, действующие в различных плоскостях, большие перепепады температур. Значительные продольные и поперечные нагрузки появляются при входе состава в кривые участки пути или выходе из них, при переломах профиля железнодорожного полотна , на сортировочных станциях и горках , при трогании с места и торможениях. Перегрузки возникают от несинхронности колебаний сочлененных вагонов. Сложный профиль корпуса автосцепки также является естественным источником концентрации внутренних напряжений. Основной причиной ремонта и замены этой детали при плановых текущих ремонтах является износ. К основным неисправностям корпуса автосцепки относятся: - износы тяговых поверхностей большого и малого зубьев и износы ударных поверхностей большого зуба и зева существенно ухудшают продольную динамику вагонов и могут являться причиной саморасцепов; - износ поверхностей корпуса в месте соприкосновения с поверхностями проема ударной розетки происходит в случае отклонения оси корпуса в вертикальной и горизонтальной плоскостях. При проходе вагонов в кривых малого радиуса и особенно при сцеплении вагонов с разной длинной консольной части рамы оси автосцепки отклоняются и на первом этапе подвергаются износу вертикальные стенки корпуса автосцепки. Прочность стенок становится недостаточной при определенном износе, хвостовик начинает изгибаться в горизонтальной плоскости. При прохождении переломов профиля пути возникает заклинивание автосцепок в контуре зацепления. В результате этого хвостовик автосцепки упирается через тяговый хомут в верхнее перекрытие хребтовой балки и начинает поднимать вагон. Это приводит к изгибу хвостовика в вертикальной плоскости или изломам маятниковых подвесок смежной автосцепки. - износ упорной поверхности хвостовика от взаимодействия с упорной плитой, износы стенок отверстия от взаимодействия с клином хомута являются причиной износа перемычки хвостовика; износ в месте сопряжения хвостовика с тяговым хомутом. Основной причиной этих износов является существенное увеличение продольных сил; - износ поверхности упора головы автосцепки в выступ ударной розетки происходит из-за недостаточной эффективности поглощающих аппаратов в определенных поездных ситуациях; - трещины в месте перехода от головы к хвостовику характеризуется хрупким разрушением и в большинстве своем происходят в результате износа перемычки; - трещины в углах окон под замок и замкодержатель и трещины в углах образованных ударной стенкой зева и боковой стенкой большого зуба, а так же между этой стеной и тяговой стороной большого зуба. Эти трещины образуются в результате влияния концентрации напряжений в зонах перехода от одной поверхности к другой. 3.2 Меры повышения надежности корпуса автосцепки в эксплуатации Мерой повышения износостойкости ударных поверхностей большого зуба и зева служит упрочнение этих поверхностей индукционно-металургическим способом. Этот способ позволяет увеличить срок службы корпуса между ремонтами в 2 раза. Мерой уменьшения износов при вертикальных перемещениях автосцепок, опасности саморасцепов и высокого уровня шума может стать применение новой автосцепки. Такая автосцепка разработана ВНИИЖТом совместно с Тверским вагоностроительным заводом.
1- направляющий рог; 2 – большой зуб; 3- замок подпружиненный; 4 – предохранитель. Рисунок 4. Автосцепка жесткого типа. Автосцепка жесткого типа не допускает в сцепленном состоянии взаимных вертикальных перемещений. Для этого автосцепка оснащена направляющим рогом, который в процессе сцепления взаимодействует с нижней наклонной поверхностью большого зуба смежной сцепки и таким образом устанавливает их сносно, независимо от разности высот автосцепок перед сцеплением. Новый механизм сцепления, разработанный ВНИИЖТом, имеет преимущества перед типовым. Подпружиненный замок не перекатывается как в автосцепке СА-3, а перемещается поступательно , что вместе с предохранителем полностью исключает опасность самопроизвольного расцепления автосцепок. Для опоры автосцепки жесткого типа должно использоваться центрирующее устройство с упругой опорой хвостовика, например подпружиненная центрирующая балочка. Это исключит опасность передачи вертикальной нагрузки через автосцепку на смежный вагон при переломах профиля пути. Опытные образцы автосцепки были изготовлены Брянским машиностроительным заводом и прошли стендовые испытания на Экспериментальном кольце ВНИИЖТа, которые показали надежную сцепляемость новой сцепки, как с аналогичной, так и с типовой. Такая сцепка позволит увеличить межремонтные сроки эксплуатации и значительно уменьшить шум при движении поезда. Она взаимозаменяема с автосцепкой СА-3 и может устанавливаться на пассажирские вагоны эксплуатационного парка при проведении плановых видов ремонта. Эта автосцепка также обеспечивает повышение безопасности движения поездов благодаря использованию разработанного ВНИИЖТом нового расцепного привода. Его расцепкой рычаг 1 дополнительно оборудован третьим блокирующим плечом 2, которое связано с нижней частью балансира валика подъемника 3 блокирующей цепью 4 в дополнение к имеющейся на всех вагонах расцепкой цепи 5. Такая модернизация расцепного привода не препятствует расцеплению автосцепок при переформировании поездов.
1 – расцепной рычаг; 2- блокирующее плечо; 3 – валик подъемника; 4 – блокирующая цепь; 5 – расцепная цепь; 6 – ограничитель вертикальных перемещений. Рисунок 5. Новый расцепной приыод. Вместе с тем, в случае обрыва автосцепки обе цепи натягиваются одновременно и при дальнейшем расхождении вагонов сначала обрывается расцепная цепь 5, выполненная меньшей прочности, а затем блокирующая 4. При этом расцепления автосцепок не происходит. Таким образом, при наличии нового расцепного привода оборвавшаяся автосцепка сохраняет сцепленное положение со смежной и не падает на путь. Такой расцепной привод может использоваться не только с автосцепкой жесткого типа, но и с типовой, оборудованной ограничителем вертикальных перемещений 6. Предложенные конструкции автосцепного устройства представлены в статье старшего научного сотрудника ВНИИЖТа, кандидата технических наук Беляева В.И., заведующего лабораторией автосцепки ВНИИЖТа Ступина Д.А. , заместителя руководителя департамента пассажирских сообщений МПС РФ Кузнецова А. Произведен анализ износов и неисправностей корпуса автосцепки и определены причины их возникновения. В связи с этим, предложены меры повышения надежности корпуса автосцепки в эксплуатации, связанные с процессом ремонта и улучшением конструкции автосцепных устройств. Эти меры призваны уменьшить износы при перемещении вагонов, исключить возможность саморасцепов и увеличить межремонтные сроки. 4. БЕЗОПАСНОСТЬ И ЭКОЛОГИЧНОСТЬ РЕШЕНИЙ ПРОЕКТА 4.1 Обеспечение безопасности работ на контрольном пункте автосцепки Ремонт пассажирских вагонов производят в вагонном депо, специализирующимся на ремонте цельнометаллических вагонов, в соответствии с руководством и инструкциями по деповскому ремонту. В контрольном пункте автосцепки (КПА) производят ремонт автосцепного устройства на нескольких производственных участках в соответствии с технологическим процессом. При выполнении работ по сварке и наплавке деталей автосцепного устройства на рабочем месте сварщика возникают определенные потенциальные опасности. При пробоях изоляции на токоведущей части сварочного оборудования и оснастки, при прикосновении к токоведущим частям или при поражении напряжением шага возникает опасность получения электротравм. Во время сварки и наплавки образуются брызги расплавленного металла, соприкосновение с которыми может привести к ожогам различной степени кожного покрова и повреждению глаз сварщика. Воздействие лучей открытой сварочной дуги приводит к поражению глаз и кожи. При очиcтке сварочных швов от шлака и окалины или не достаточной механизации на участке может возникнуть опасность получения механических травм. Газы, образующиеся при сварочных работах, насыщены вредными примесями, которые отрицательно влияют на здоровье сварщика, через дыхательные пути попадает в легкие и оседает в виде сажи. Для устранения или уменьшения воздействия перечисленных выше опасностей предлагаются организационные и технические мероприятия по охране труда. При разработке мероприятий по безопасности при выполнении электросварочных работ базовым документом является ГОСТ 12.3.003-86 Организационные предприятия включают в себя: проведение всех необходимых инструктажей по технике безопасности; наличие предупреждающих и разъяснительных плакатов в близи рабочего места; контроль за соблюдением работниками всех требований по технике безопасности. При выполнении работ обеспечивают надлежащую организацию труда, техническое оснащение оборудованием рабочих мест и создают на них безопасное условия работы, соответствующие ГОСТ 32.15-81 техническое обслуживание и ремонт вагонов. Требования безопасности, а также требования действующей документации и указаниям по охране труда. Технические мероприятия разработаны в соответствии с существующими СНиПами и ГОСТами и привязаны к виду опасности. Для избежания электротравм проводят такие мероприятия, как надежное защитное зануление корпусов электроустановок; зануление электросварочных агрегатов и зажима вторичной обмотки сварочных трансформаторов, к которому подключается обратный провод, а также защитное зануление столов и стендов для установки деталей, в соответствии с ГОСТ12.11.030-81. Обеспечивают надежную изоляцию и защиту от механических повреждений рабочих проводов, подводящих ток от сварочной машины или трансформатора. Применяют диэлектрические материалы при изготовлении рукояток электрододержателей. Не допускают соединение сварочной цепи электросварочного аппарата с зануленным проводом или корпусом аппарата. Сварщики имеют средства индивидуальной защиты (диэлектрические коврики, перчатки, для исключения попадания брызг расплавленного металла на кожу и глаза сварщика используют специальную одежду и обувь, защитные щитки и шлемы, а также козырьки на рукоятках электрододержателей.) Для уменьшения воздействия лучей открытой электрической дуги на сварщика и работающих на других участках людей работы выполняют в кабинах, каркас которых изготавливают из труб или уголков, а стенки из тонкой листовой стали, стенки кабин окрашивать в светлые тона (серый, голубой, желтый) с добавлением в краску окиси цинка, которая уменьшает отражение ультрафиолетовых лучей дуги; снабжают рукоятки электрододержателей экранами, отражающими лучи дуги; обеспечивают сварщиков масками или щитками со вставленными в них защитными темными стеклами различной прозрачности в зависимости от величины сварочного тока. Во избежание механических повреждений обеспечивают работающих очками с бесцветными стеклами для защиты глаз при очистке сварочных швов. Обеспечивают максимальную механизацию, особенно при перемещении и транспортировке деталей на участке. При эксплуатации кран-балки в соответствии с ГОСТ 12.2065-81 ограждают все доступные движущиеся либо вращающиеся части механизмов, исключают не предусмотренные контакты работающих с перемещаемым грузом, обеспечивают надежную прочность механизмов, вспомогательных и захватных приспособлений. Для уменьшения вредного воздействия газов, образующихся при сварке каждое рабочее место сварщика оборудовано местной вытяжной вентиляцией для отвода газов и приточной вентиляцией в зону дыхания сварщика. Для улучшения вентиляции стенки кабин не доводят до пола на 100-150 мм. Наличие приточной вентиляции необходимо для обеспечения температурного режима на участке.
Рисунок 4.1. Схема системы местной приточно-вытяжной вентиляции 1 — вытяжной зонт; 2 — приточный патрубок; 3 — вытяжной вентилятор; 4 — приточный вентилятор; 5 — калорифер Важную роль в обеспечении безопасности на участке сварки и наплавки играет освещение. Нормирование освещения производят в соответствии с СНиП 23.05-95. На участке применяют боковое естественное освещение через оконный проем и искусственное в виде общего и местного. Общее искусственное освещение обеспечивает нормальный рабочий процесс на участке в темное время суток. В качестве источников света применяют люминесцентные лампы с исправленной цветностью ЛДЦ. Местное освещение применяют на рабочих местах для контроля за качеством выполняемых работ, в качестве источников света используют лампы накаливания. Напряжение стационарных светильников местного освещения не превышает 50 В. При использовании искусственного освещения следят за выполнением основных требований: освещение предусмотрено достаточное, равномерное и экономичное. Лампы электрические эксплуатируют в соответствии с ГОСТ 12.2.007.13-88. Еmin = 300лк. К мерам электробезопасности, указанным выше, и выполняемых на участке сварки и наплавки, добавляют мероприятия, общие для всего отделения: расположение электропроводки в недоступном для работающих месте при условии обеспечения надежной ее изоляции и защиты от анических повреждений; использование в сети зануления предохранителей в плавкими вставками. Участок сварки и наплавки относят к горячим цехам, следовательно, большое внимание уделяют вопросам пожарной безопасности, которая обеспечивает как в рабочем состоянии объекта, так и в случаях возникновения пожара, в соответствии с ГОСТ 12.1.004-91. На участке предусматривают наличие пожарных проходов, пожарного оборудования (гидранты, пожарные краны), устройств пожарной сигнализации с автоматическим пуском, одного огнетушителя ОХП-10. Выполнение всех мероприятий по технике безопасности, разработанных в проекте, обеспечивает безопасное условия труда на участке сварки и наплавки в контрольном пункте автосцепки, уменьшение случаев травматизма и клинических заболеваний работающих. Проверка правильности выбора плавкой вставки предохранителя. Для обеспечения электробезопасности при возникновении тока короткого замыкания в сети зануления электрооборудования, каждая фаза имеет предохранитель с плавкой вставкой. Проверка плавкой вставки на срабатывание в четырехпроходной сети длиной 300м; сечение фазного провода Sф =25мм2 , нулевого провода Sо =16мм2 ; провода алюминиевые, r=0,0295Ом×мм2 /м. Номинальная сила тока установленного плавкого предохранителя Iп.в .=60А, напряжение сети 380/220В.
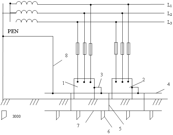
1,2 – электроустановки; 6 – трубчатые заземлители; 3 – зануляющий проводник; 7 – соединительная полоса; 4 – зануляющая магистраль; 8 – нулевой ввод; 5 – выводы контура повторного заземления нулевого провода; Рисунок 4.2. Принципиальная схема устройства защитного зануления с повторным заземлением нулевого провода Определяем сопротивление фазного и нулевого проводов
Определяем силу тока короткого замыкания в сети
Из условия
т.е. условие срабатывания плавкого предохранителя выдержано. Из расчета следует, что выбранный предохранитель с плавкой вставкой будет срабатывать при возникновении в сети зануления тока короткого замыкания. 4.2 Охрана окружающей среды Общая характеристика контрольного пункта автосцепки c точки зрения его влияния на окружающую среду. Требования законов РФ к этим влияниям. Рассматриваемое в проекте депо находится в городе Ростове-на-Дону, который входит в список наиболее неблагополучных по состоянию атмосферы городов Российской Федерации. В виду этого вопросом экологии и охраны окружающей среды на предприятии должно уделяться еще больше внимания, тем более что депо находится в центре города вблизи жилых массивов. Наличие зеленых насаждений в районе размещения депо в какой-то степени улучшает экологическую ситуацию. Вредные вещества попадают в атмосферу через системы вытяжной вентиляции, дымовую трубу котельной, системы удаления загрязненного воздуха от механических станков по обработке металлов и других материалов. Наиболее опасными с точки зрения загрязнения атмосферы производственными процессами являются: сборочный участок; малярное, механическое и кузнечное отделение; а также сварочные, аккумуляторный, гальванический участки. В результате их работы в атмосферу выбрасывается значительное количество таких токсичных веществ, как окись железа, марганец и его соединения, сили никеля, пары щелочей и кислот, масляные аэрозоли. При производстве сварочных работ в воздушную среду выделяется вредные для здоровья человека и окружающей среды вещества. Среди них фтористый водород, соединения марганца, фториды, металлы и их оксиды, сварочные аэрозоли. Кроме того, может происходить загазованность помещения при неполном сгорании газа и недостаточной вентиляции и тяге, неудовлетворительном регулировании процесса горения. Выделение вредных веществ и их распространение в воздушной среде должны предотвращаться хорошей организацией технологического процесса и рациональным размещением атмосферно охранного оборудования. При выполнении всех требований закона РФ «Об охране окружающей среды», 2002г., нормативных актов и «Экологической программой по охране окружающей среды 2001-2005гг.», а также при внедрении в процессы производства современных очистных технологий предприятие сможет существенно снизить выбросы вредных примесей в атмосферу, а значит, и плату за них. В 2002 году в Российской Федерации был принят закон «Об охране окружающей среды». Основными принципами охраны окружающей среды являются плотности природоиспользования и возмещения вреда окружающей среде обусловленного вредными выбросами, а так же обеспечение снижения вредных выбросов. Негативное воздействие на окружающую среду является платным статья 16 пункт 1. Значение нормативов предельно допустимых значений выбросов для каждого предприятия вредного источника выброса устанавливаются с учетом результатов расчетов загрязнения атмосферного воздуха. Согласно законодательства РФ закреплена обязанность предприятия и организаций, деятельность которого связаны с выбросами загрязняющих веществ в атмосферу, проводить организационно хозяйственные технические мероприятия для выполнения условий и требований, предусмотренных решений на выброс принимать меры по снижению выбросов загрязняющих веществ, обеспечивать эффективную бесперебойную работу и поддерживать в исправном состоянии сооружений и оборудований для очистки выбросов и контроля. Для оценки хозяйственной емкости эко системы и определенно-допустимого на них антропогенного воздействия на окружающую среду и на его основе осуществляют экологическую экспертизу. Правовой базой экологической экспертизы являются законы, постановления и указы , а также различные документы международного характера. Анализ и расчеты загрязнения среды рассматриваемыми объектами. Меры по снижению загрязнений и платы. Проведем расчет выбросов при работе с электродами УОНИ-13/45. Расход электродов на участке 0,5 кг в сутки. Сварочный пост оборудован системой вентиляции, выброс загрязненных газов осуществляется на высоте Н=15м. Определяем удельные выбросы вредных веществ в атмосферу, qi при выполнении работ по сварке и наплавке, которые составляют для электродов УОНИ-13/45 в г/кг: - для твердых частиц (т.ч.)18 - для марганца и его соединений (Mn)0,3 - для окислов хрома (Cr)1,4 - для флоридов (F)3,45 - для фтороводорода(HF)0,75 - для окиси азота (NO)1,5 - для окиси углерода (GO)13,3 За год в КПА расходуется электродов В=0,5×251=125,5 кг/год, Где 251 рабочих дней в году. Количество вредных веществ определяется по формуле (73) mI =qi ×B×10-3 , кг/год(73) mт.ч. =18×125,5×10-3=2,259 кг/год; mMn =0,3×125,5×10-3=0,038 кг/год; mCr =1,4×125,5×10-3=0,176 кг/год; mF =3,45×125,5×10-3=0,433 кг/год; mHF =0,75×125,5×10-3=0,094 кг/год; mNO =1,5×125,5×10-30,188 кг/год; mGO =13,3×125,5×10-31,67 кг/год. Суммарные годовые выбросы вредных веществ при сварке составляют mS =mт . ч +mMn +mCr +mF +mHF mNO +mGO = 2,259 + 0,038 + 0,176 + 0,433 + 0,094 + + 0,188 + 1,67=4,858 кг/год. Секундную массу суммарных выбросов определяем по формуле (74)
где n – число часов работы вентиляционной системы в сутки, n = 2 часа; 3600 – коэффициент перевода в секунды; Т=251 – количество рабочих дней в году.
Параметры вентиляционной системы следующие: - объемный расход воздуха Q, определяем по формуле (75) Q=400×m¢S =400×2.68×10-6 =12.07×10-3 м3 /c(75) -площадь поперечного сечения вентиляционной системы w, определяем по формуле (76)
где V=2.5м/с – скорость воздуха в вентиляционной системе.
5 диаметр вентиляционной системы D
принимаем D=0,2 м. Для каждой вредной примеси устанавливается предельно допустимая концентрация ПДК, которая при действии на организм человека в течение заданного промежутка времени не вызывает не вызывает необратимых изменений в нем. Научно обоснованные нормы ПКД в приземном слое атмосферы должны обеспечиваться контролем нормативов для всех источников выбросов. Такими нормативами являются предельно допустимые выбросы ПВД. ПВД определяем для каждого загрязняющего вещества по формуле (77)
где ПДКm × р i – максимально разовая ПДК, г/м3 ; Сф i – фоновая концентрация в приземном слое, г/м3 ; А – коэффициент атмосферной температурной стратификации, определяющий условия вертикального перемещения слоев, для Северного Кавказа А=200; F – коэффициент, учитывающий скорость оседания частиц, для газов F=1, для пыли F=2¸3; m,n – коэффициенты, учитывающие условия выбросов, m,n =1; x - коэффициент, характеризующий местность, для Северного Кавказа x=1 (равнинная местность)
Фактические выбросы mI и ПДВi за год сведены в таблицу 26. Таблица 26 Фактические и предельно-допустимые выбросы загрязняющих веществ.
Годовая продолжительность выбросов при сварке и наплавке составляет Тгод =2×3600×251=1,8×106 с/год, Где 2 – общее количестве времени работы вентиляционной системы в сутки; 3600 – коэффициент перевода в секунды; 251 – количество рабочих дней в году. При анализе полученных данных из таблицы 20 получаем, что фактические выбросы всех вредных веществ в атмосферу не превышают ПДВ. Исходя из этого, расчет платы за загрязнение воздуха производим по формуле (78) Пi =mI ×Цi ×Кэ ×Кu , руб/год(78) где Цi – базовая цена выброса одной тонны на 2003г, руб/m; Кэ – коэффициент экологической ситуации для данной местности, для Ростова-на-Дону Кэ =1,92; Кu – коэффициент индексации по отношению к 2004г, Кu =1,1. Данные расчета сводим в таблицу 27. Таблица 27 Расчет платы за загрязнение окружающей среды при сварке и наплавке в КПА.
Суммарная плата за выбросы вредных веществ при проведении сварочно-наплавочных работ в КПА на одном сварочном посту с использованием электродов марки УОНИ-13/45 составляет примерно 1,5 руб/год. Выплаты ведутся за счет себестоимости продукции. Малая сумма достигается небольшим объемом работ, связанных с ручкой электродуговой сваркой и наплавкой, в отделении. Мероприятия по снижению воздействия на окружающую среду Для уменьшения вредного воздействия технологического процесса капитального ремонта автосцепок в КПА проводят ряд мероприятий. Для ликвидации вредных веществ из воздуха устанавливают мощную воздухоочистительную установку снабженную специальным фильтром для очистки воздуха от примесей. В помещении, где производятся сварочно-наплавочные работы, устанавливается принудительная вентиляция. Вентиляция снабжена рядом специальных фильтров для очистки воздуха от пыли и различных примесей. Для уменьшения вредных газовых выбросов сварочные участки оборудуют фильтрами электростатического улавливания сварочных аэрозолей. Вихревой аппарат с трехфазным слоем предназначен для пылеулавливания и очистки отходящих газов от сварочных участков. Вентиляция применяется также при обточке и шлифовке элементов автосцепок и при заточке оборудования в слесарном участке. Устанавливаются электрофильтры, циклоны групповые и батарейные, пенные аппараты (орошаемые водой абсорбенты). Разрабатывается инвентаризация источников вредных выбросов от стационарных источников.. Для удаления выбросов применяется местная вытяжная вентиляция. Установка (УОВ-1) дает эффективность очистки 80-90 %. Область применения - для очистки воздуха на участках, удаленных от сварочно-наплавочных. Организуется размещение отходов с привлечением организации имеющей лицензию на утилизацию. В местах разлива нефтепродуктов (станки) предусматривается немедленное их удаление, применение масляных ванн. На участке дефектоскопирования предусматривается местная вентиляция, организовывается сбор отработанной суспензии в специальные емкости, для дальнейшего повторного использования в работе. 5. ЭКОНОМИЧЕСКИЙ АНАЛИЗ РЕКОНСТРУКЦИИ КПА Технико-экономическое обоснование проекта отделения (участка, цеха) Экономическая ценность проекта участка определяется расширением масштабов производства, снижением себестоимости ремонта, ростом прибыли. В общем виде экономическая эффективность определяется сопоставлением экономических результатов с затратами. Проект участка изменяет следующие основные характеристики производства: объем производства (реализуемая продукция); текущие затраты; размер созданного и функционирующего имущества (основных производственных фондов и нематериальных активов); численность занятых в производстве; длительность хозяйственного цикла и др. (ряд можно продолжить). Исходные данные:
1. Расчет себестоимости ремонта (обслуживания, выпуска и т.д.) С = Э/N где Э - эксплутационные расходы участка (цеха, отделения) - определяются в расчетах, тыс. руб. N - годовая программа ремонта (исходные данные). Все расчеты вести тыс. руб. Амортизация и текущий ремонт основных фондов (зданий, сооружений, оборудования, инвентарь). Стоимость производственных зданий: Sзд.п = Vзд ∙ Сзд ., тыс. руб. где У3 д. - объем производственных зданий (исходные данные). mj ; Сзд . - цена 1m3 , тыс. руб., (0,580 тыс. руб.). Sзд.п1 = 550∙0,580 = 319 тыс.руб Sзд.п2 = 803∙0,580 = 465,74 тыс.руб. Стоимость основного технологического оборудования: Soб. = Поб ∙ Соб, тыс. руб. где Поб. - количество единиц основного оборудования (исходные данные); Соб. - стоимость единиц основного оборудования (исходные данные), тыс. руб. Soб.1 = 13∙130 = 1690 тыс.руб. Soб.2 = 17∙120 = 2040 тыс.руб. Стоимость вспомогательного оборудования, инвентаря и инстр умента
Амортизация основных фондов
Стоимость энергоресурсов Силовая электроэнергия Расход силовой электроэнергии составит в год: А=Р1 пр ∙п∙Д∙Кс где Р'пр - количество производственных рабочих первой смены (задание); п - энерговооруженность одного производственного рабочего (18,1 кВт.∙ч/раб.). Д - количество рабочих дней в году, дн.; Кс - коэффициент учитывающий долю электрического оборудования из общего количества основного оборудования участка; А1= 3∙18,1∙13= 705,9 кВТ∙час А2= 6∙18,1∙17= 2172 кВТ∙час
Примечание: наименование ресурсов зависит от вида деятельности участка (цеха,отделения). Годовой расход берётся из реальных действующих участков (цехов, отделений). Расход электроэнергии на освещение Eн.осв.=Hэ (Fпр+Fсл)Цэ где Нэ - норма расхода электроэнергии на 1м" площади, (35кВт/м2 ) Fпр, Fсл - площади производственных и служебных помещений, м , (сходные данные). Цэ - стоимость 1кВт*час электроэнергии, тыс. руб. (2,1 руб.). Eн.осв1 = 35 ∙ 117 ∙ 0,0021=8,5 тыс.руб Eн.осв2 = 35 ∙ 171 ∙ 0,0021=12,5 тыс.руб Годовые расходы на основные и вспомогательные материалы, запасные части, покупные изделия На заданную программу выпускаемой продукции (ремонта, осмотра) имеем: M=CM -N, тыс. руб., где См - стоимость основных материалов на единицу выпускаемой продукции (исходные данные), тыс. руб.; N - годовая программа ремонта (исходные данные). М1 = 0,28∙939 = 262,9 тыс.руб М2 = 0,28∙1704 = 477 тыс.руб Расходы на отопление Стоимость отопления рассчитывается по формуле
где сn - цена 1 кг условного топлива, руб. (3,84руб.) gm - удельный расход топлива на 1м3 здания (1,5кг/1000м3 градусов в сутки); Тот - продолжительность отопительного сезона. (200 дней); Vзд - объем помещений, м3 ; tн - средняя температура наружного воздуха за отопительный сезон. С0 , (5 С0 ); tB - средняя температура внутри здания, С0 , (18 С0 ). Еот1 = 3,84*1,5*200*550(18-5)/1000 = 41,184 тыс.руб. Еот2 = 3,84*1,5*200*803(18-5)/1000 = 12025 тыс.руб. Расчет основных показателей плана по труду Годовой фонд заработной платы И ТР, СКЛ, МОП
Гр. 5 рассчитывается исходя из формулы: Фгод =РЯВ (Sтар +Д)12 , тыс. руб. где Ряв - явочная численность; ST АР - среднемесячная тарифная ставка одного работника, тыс. руб.; Д - доплаты за выслугу лет, премия, работу в праздничные дни, ночное время; 12 - кол-во месяцев в году. Доплаты Д предусмотрены в размере 50% от среднемесячной тарифной ставки. Отчисления в фонд социальной помощи для работников ИТР, СКП и МОП ЕФ СОЦ =0,363ФГОД где 0,363 - коэффициент отчислений в пенсионный фонд, в фонд медицинского страхования социальный фонд; Фгод - годовой фонд оплаты труда ИТР,МОП, СКП. ЕФ СОЦ = 0,363 *115,2 = 41,81 тыс.руб Годовой фонд заработной платы основных рабочих участка (цеха, отделения) Годовой фонд заработной платы основных рабочих: Зпр = Рявпр Фявпр ачас(1+к),тыс.руб где Ряв пр - количество явочного контингента основных производственных рабочих участка (исходные данные); Фявпр - годовой фонд рабочего времени явочного рабочего, час (исходные данные); ачас - часовая тарифная ставка рабочего, руб./час; к - коэффициент учитывающий перевыполнение норм выработки, работу в ночное время, в праздничные дни и выслуга лет ,0,6. Зпр1 = 3*2004*20,61= 123,9тыс.руб Зпр2 = 6*2004*20,61= 247,8 тыс.руб Часовая тарифная ставка определяется исходя из минимальной заработной платы на железнодорожном транспорте на дату расчетов и среднего количества отработанных часов в месяц аЧАС = 1426∙В/tмес где 1426 - минимальная заработная плата на железнодорожном транспорте на 01.09.03 руб.; t мес - среднее количество отработанных часов в месяц, час; В - тарифный коэффициент рабочих связанных с движением и ремонтом подвижного состава (тарифные коэффициенты для 3, 4, 5 и 6 разрядов соответственно составляют 1,59, 1,78, 1,94, 2,1). Отчисления в фонд социальной помощи для основных производственных рабочих Епр соц= 0,363 ∙ Зпр , тыс. руб. где Зпр - годовой фонд заработной платы основных производственных рабочих, тыс. руб. Епр соц 1= 0,363 ∙ 123,9= 44,9 тыс.руб. Епр соц 2 = 0,363 ∙ 247,8= 89,9 Содержание инструмента и приспособлений для выпуска, ремонта, обслуживания Еинст=Цин*Рпр яв где Цин - норма расхода на одного производственного рабочего, (150руб.); Рпр яв - явочная численность основных производственных рабочих, чел. Еинст1 = 0,15 ∙ 3 = 0,45 тыс.руб Еинст 2 = 0,15 ∙ 6 = 0,9 тыс.руб Затраты на рационализацию Затраты на рационализацию составят 2,2-4,3% от стоимости основных производственных фондов: Ерац =(0.022 ~ 0,043)Sосн ., тыс. руб. Ерац 1= 0,022 ∙ 3499,15 = 76,8 тыс.руб Ерац2 = 0,03 ∙ 4274,83 = 128,2 тыс.руб Прочие расходы ЕП р=0,05(3П р+Звс ), тыс. руб. Где Зпр , Звс - годовой фонд заработной платы основных и вспомогательных рабочих соответственно, тыс. руб. Епр1 = 0,05 *29,9 = 1,5 тыс.руб Епр2 = 0,05*59,8 = 2,9 тыс.руб Схема производства по статьям затрат, которая определяет эксплуатационные расходы участка (отделения, цеха)
Себестоимость единицы выпуска продукции (ремонта, обслуживания) C=Э/N где Э - суммарные эксплуатационные расходы участка (отделения, цеха); N - годовая программа ремонта (обслуживания). С1 = 2441,84/939 = 2,6 тыс.руб С2 = 3499,41/1704 = 2 тыс.руб Расчет технико-экономических показателей участка (цеха, отделения). Ожидаемые экономические результаты от проекта цеха Балансовая прибыль может быть определена по формуле: Пб=(Ц-C)N где Ц - цена единицы выпускаемой продукции (принимается на 10-30% больше деповской себестоимости), тыс. руб.; С - деповская себестоимость, тыс. руб.; N - программа ремонта участка (цеха, отделения). Балансовая прибыль распределяется по нормативам: налог на имущество Пб1 = (4,056 – 3,12) ∙ 939 = 878,9 тыс.руб Пб2 = (3,12 – 2,4) ∙ 1704 = 1226,9 тыс.руб Пн=0,02 (Soch+Sоб) где Soch- стоимость основных фондов, тыс. руб.; Soб - стоимость оборотных средств (10% S0 C n)5 тыс. руб. Пн1 = 0,02(3499,15 + 349,9) = 76,98 тыс.руб Пн2 = 0,02(4274,83 + 427,5) = 94,05 тыс.руб налог на прибыль Ппр (0,24(Пб -Пн )), тыс. руб.; Ппр1 = 0,24(878,9 – 76,98) = 240,6 тыс.руб Ппр2 = 0,24(1226,9 – 94,05) = 339,9 тыс.руб отчисления в резерв Пр=Пб -(Пи +Ппр +Пмпс ), тыс. руб., где - Пмпс отчисления в МПС (0,03Пб), тыс. руб. Пр1 = 878,9 – (76,98 – 240,6 – 26,4) = 534,9 тыс.руб Пр2 = 1226,9 – (94,05 – 339,9 – 36,8) = 756,15 тыс.руб Распределение прибыли в фонд накопления и потребления: ФН ак=70%Пр , тыс. руб.; Фпотр=30%Пр , тыс. руб. Фнак1 = 374,4 тыс.руб Фнак2 = 529,3 тыс.руб Фпотр1 = 160,5 тыс.руб Фпотр2 = 226,8 тыс.руб Определение экономической эффективности проекта участка (цеха, отделения) 1)Планируемая рентабельность инвестиционного проекта определяется как: Епр =П6 /(SOCH +So 6 ) ∙ 100%, % , где Пб - балансовая прибыль, тыс. руб.; Soch– стоимость основных фондов, тыс. руб.; Sоб - стоимость оборотных средств, тыс. руб. Е1 = Е2 = 2)Производительность труда - отношение объема работ к численности штата P=N/(Pпр CJ1 +PCJ 1 BC ), ед./чел., Где Рпрсл, Рсл вс - списочный состав основных и вспомогательных рабочих участка (Рсп =Ряв (1+0,13)).,чел Р1 = 939/3 = 313 авт/чел Р2 = 1704/6 = 284 авт/чел 3)Срок окупаемости инвестиций (капитальных вложений S0 CM .) T0 K , определяется отношением суммы инвестиций к ежегодным доходам от проекта: Ток = Sосн / П6 , год. где Sосн - стоимость основных производственных фондов, тыс. руб.; Пб, - балансовая прибыль депо. тыс. руб. Ток1 = 3499,15/878,9 = 4 год Ток2 = 4274,83/1226,9 = 3,5 год 4)Коэффициент рентабельности производственной деятельности: Rn=(Пб /Э)1ОО%, %, где Пб - балансовая прибыль депо, тыс. руб.; Э- годовые эксплуатационные расходы участка (цеха, отделения), тыс. руб. Rн1 = 878,9/2441,81 ∙ 100% = 35% Rн2 = 1226,9/3499,25 ∙ 100% = 35% 5)Показатель удельных приведенных затрат: B = (Э + rSосн)/N где г - нормативный коэффициент эффективности (0,1 - 0,15); Э- годовые эксплуатационные расходы участка (цеха, отделения), тыс. руб. Sосн - стоимость основных производственных фондов, тыс. руб.; N - программа ремонта участка (цеха, отделения). В1 = (2441,81+0,11 ∙ 3499,15)/939 = 3 тыс.руб/авт В2 = (3499,35 + 0,11 ∙ 4274,83)/1704 = 2,3 тыс.руб/авт 6) Прибыль на 1 ед. готовой продукции: Rп=Пб/N. тыс. руб./ед. Пб - балансовая прибыль депо, тыс. руб.; N - программа ремонта участка (цеха, отделения). Rп1 = 878,9/939 = 0,93 тыс.руб/авт Rп2 = 1226,9/1704 = 0,72 тыс.руб/авт 7) Оценка общей экономической эффективности определяется через фондоотдачу: F=ЦN/ (Socн), руб./руб. где Ц - цена единицы готовой продукции; N - программа ремонта участка (цеха, отделения). Socn - стоимость основных производственных фондов, тыс. руб. F1 = (4,056 ∙ 939)/3499,15 = 1,09 F2 = (3,12 ∙ 1704)/4274,83 = 1,24 Технико-экономические показатели участка (цеха, отделения)
Вывод: Произведен экономический анализ до и после реконструкции КПА. Срок окупаемости вложений до реконструкции 4 года, после реконструкции 3,5 года. Увеличилась годовая программа ремонта автосцепок. А так же уменьшилась себестоимость единицы. СПИСОК ИСПОЛЬЗОВАННЫХ ИСТОЧНИКОВ 1. Вагонное хозяйство: В.А.Ивашов, М.В.Орлов.: Екатеринбург 1998 2. Конструирование и расчет вагонов: Учебник для вузов ж.д. транспорта. / В.В. Лукин, Л.А. Шадур, В.Н. Котуранов, А.А. Хохлов, П.С. Анисимов.; Под редакцией В.В. Лукина. М.: УМК МПС России, 2000. 731 с. 3. Технология вагоностроения и ремонта вагонов. / Под редакцией Герасимова В.С. М.: Транспорт, 1988. 4. Коломийченко В.В. Автосцепное устройство подвижного состава. М: Транспорт, 1991. 5. Криворудченко В.Ф., Черняк И.М. Методические указания к курсовому и дипломному проектированию основных цехов вагоноремонтных заводов. Ростов-на-Дону: РИИЖТ, 1981. 6. Кострюков В.А. Примеры расчета по отоплению и вентиляции. М.: Стройиздат, 1996. 7. Гребенникова Т.В., Зимина Н.В. Расчет технико-экономических показателей цеха вагоноремонтного завода. Методические указания к дипломному проектированию. Ростов-на-Дону: РИИДТ, 1991. 8. Охрана труда на железнодорожном транспорте. / Под редакцией Сибарова Ю.Г. М.: Транспорт, 1981. 9. Гарин В.М., Кленова И.А., Колесников В.И. Экология для технических вузов. Учебник. Ростов н/Д: «Феникс», 2001. 384 с. 10. Охрана окружающей среды и экологическая безопасность на железнодорожном транспорте. П/р проф. Н.И. Зубрева. М: МПС «России», 1999. 589 с. 11. Гарин В.М., Сапрыкин В.И., Шатихина Т.А. Расчеты воздействия объектов транспорта на окружающую среду. Ростов н/Д, РГУПС, ч. I, II., 2000. 66 с. 12. Федеральный закон «Об экологической экспертизе». 13. Федеральный закон «Об охране окружающей среды» / № 7 ФЗ от 10.01.02 14. Стандарт предприятия СТП И9-2-93. Ростов-на-Дону: РГУПС, 1993. |
|||||||||||||||||||||||||||||||||||||||||||||||||||||||||||||||||||||||||||||||||||||||||||||||||||||||||||||||||||||||||||||||||||||||||||||||||||||||||||||||||||||||||||||||||||||||||||||||||||||||||||||||||||||||||||||||||||||||||||||||||||||||||||||||||||||||||||||||||||||||||||||||||||||||||||||||||||||||||||||||||||||||||||||||||||||||||||||||||||||||||||||||||||||||||||||||||||||||||||||||||||||||||||||||||||||||||||||||||||||||||||||||||||||||||||||||||||||||||||||||||||||||||||||||||||||||||||||||||||||||||||||||||||||||||||||||||||||||||||||||||||||||||||||||||||||||||||||||||||||||||||||||||||||||||||||||||||||||||||||||||||||||||||||||||||||||||||||||||||||||||||||||||||||||||||||||||||||||||||||||||||||||||||||||||||||||||||||||||||||||||||||||||||||||||||||||||||||||||||||||||||||||||||||||||||||||||||||||||||||||||||||||||||||||||||||||||||||||||||||||||||||||||||||||||||||||||||||||||||||||||||||||||||||||||||||||||||||||||||||||||||||||||||||||||||||||||||||||||||||||
чел.,(3)


, см , (5)
, ваг., (6)
, мин/ваг, (7)
ваг/сут , (8)
(9)
, ст. , (11)
(12)
(14)
, cm, (15)
ст.
, ст (16)
= 15ст
, час (18)
, ап (19)
кг/час,(26)
т/год,(28)
т/год.
, м3
/мин, (34)
м3
/мин.
, чел,(36)
чел.


, Н, (37)
(38)




, м3
/с (39)


, Па , (41)





, кВт (44)
кВт





м3
;
м,
г/с, (77)