Курсовая работа: Районные электрические сети
|
Название: Районные электрические сети Раздел: Рефераты по физике Тип: курсовая работа | |||||||||||||||||||||||||||||||||||||||||||||||||||||||||||||||||||||||||||||||||||||||||||||||||||||||||||||||||||||||||||||||||||||||||||||||||||||||||||||||||||||||||||||||||||||||||||||||||||||||||||||||||||||||||||||||||||||||||||||||||||||||||||||||||||||||||||||||
Исходные данные - Масштаб: в 1 клетке -8 км; - Коэффициент мощности на подстанции "А": 0,9д о.е.; - Напряжение на шинах подстанции "А", кВ: Umax=117 кВ, Uавар=109 кВ; - Число часов использования максимальной нагрузки Тmax= 4500 ч. ; - Максимальная нагрузка на подстанциях: Pmax,1= 17 МВт, Pmax,2= 23 МВт, Pmax,3=30МВт, Pmax,4= 27 МВт; Pmax,5= 20МВт - Коэффициенты мощности нагрузки на подстанциях имеют следующие значения: cos φ1= 0,79; cos φ2= 0,8; cos φ3= 0,81; cos φ4= 0,81; cos φ5= 0,8. Выбираем следующие схемы (рис. 1, 2)
1. Выбор рациональной схемы Выбор рациональной схемы сети производится на основе технико-экономического составления ряда ее вариантов. Сопоставляемые варианты обязательно должны отвечать условиям технической осуществимости каждого из них по параметрам основного электрооборудования, а также быть равноценными по надежности электроснабжения потребителей, относящихся ко второй категории. Основное назначение электрических сетей состоит в обеспечении надежного электроснабжения потребителей энергосистемы электроэнергией надлежащего качества. Оно должно осуществляться при соблюдении требований к технико-экономическим показателям сети, т.е. при экономически оправданных и по возможности минимальных затратах. 2.Выбор номинального напряжения электрической сети Предварительный выбор номинального напряжения Uн линий производят совместно с разработкой схем сети, т.к. они взаимно дополняют друг друга. Все элементы электрической сети, а также электроприемники выполняются на определенное номинальное напряжения и могут работать при значениях напряжения, отличающихся от номинального лишь с некоторыми допусками. Все элементы сети обладают определенными сопротивлениями, поэтому токи в них вызывают изменение напряжения, в результате комплексные значения напряжения во всех узлах сети получаются различными. Величина Uн зависит от передаваемой мощности. Напряжение, для выбранного варианта конфигурации электрической сети предварительно определим по формуле Г.А. Илларионова: Uном= где L - длина линии, км; P - передаваемая мощность на одну цепь, МВт. В отличие от других экспериментальных выражений приведенная формула дает удовлетворительные результаты для всей шкалы номинальных напряжений переменного тока в диапазоне от 35 до 1150 кВ. Для определения напряжения необходимо сначала определить длину линии и соответствующие передаваемые мощности: Рассчитаем перетоки активных мощностей без учета потерь мощности. Представим простейший замкнутый контур в виде линии с двухсторонним питанием (рис.3) и определим соответствующие мощности. Задаем направление мощности. Если при расчете получается отрицательное значение мощности, то меняется направление мощности. Рассмотрим одноцепную линию А-1-2-А
По первому закону Кирхгофа определим распределение мощности
Рассмотрим двухцепные линии
Теперь мы можем определить номинальные напряжения для каждой линии по формуле (1):
Исходя из полученных результатов, видно, что схема 1 электрической сети будет выполняться на напряжение Для определения напряжения необходимо сначала определить длину линии и соответствующие передаваемые мощности: Рассчитаем перетоки активных мощностей без учета потерь мощности: Рассмотрим одноцепную линию А-3-4-А
По первому закону Кирхгофа определим распределение мощности
Определим мощности, передаваемые по двухцепным линиям:
Определяем номинальное напряжение сети:
Исходя из полученных результатов, видно, что схема 2 электрической сети будет выполняться на напряжение 3. Баланс активной и реактивной мощности в электрической сети Основной целью составления баланса мощности является обеспечение работы электрической системы с допустимыми параметрами во всех режимах в течение года. Баланс составляется отдельно для активной и реактивной мощности. Следует отметить, что реактивная мощность нагрузки электрической системы в большей мере, чем активная, определяется потерями сети. Чем ближе к месту потребления реактивной мощности устанавливаются компенсирующие устройства, тем меньше значения передаваемой по элементам сети реактивной мощности и тем выше уровень напряжения в сети. Все это приводит к уменьшению потерь реактивной мощности в сети и к снижению суммарной установленной мощности компенсирующих устройств. В процессе эксплуатации составление баланса мощности приходится выполнять систематически в целях выяснения условий работы электрической системы и ее отдельных частей с учетом фактического наличия оборудования, его текущего состояния и роста нагрузок. Согласно формуле
определим наибольшую суммарную активную мощность, потребляемую в проектируемой сети, где К-коэффициент наибольшей нагрузки п/ст, равный от 0,95 до 0,96; ∆Pc – суммарные потери мощности в сети в долях от суммарной нагрузки п/ст, принимается равным 0,05
Для дальнейших расчетов определим наибольшую реактивную нагрузку i-го узла
где Рнб,i – максимальная активная нагрузка i- ого узла. Для 1-ой подстанции:
Для 2-ой подстанции:
Для 3-ей подстанции:
Для 4-ой подстанции:
Для 5-ой подстанции:
Для 1-ой подстанции:
Для 2-ой подстанции:
Для 3-ей подстанции:
Для 4-ой подстанции:
Для 5-ой подстанции:
Потребителями реактивной мощности в энергосистеме являются электроприемники промышленных предприятий, электрифицированный железнодорожный и городской транспорт, маломощная двигательная нагрузка населенных мест, в последнее время широкое применение бытовых приборов и люминесцентных светильников привело существенному увеличению реактивной мощности. Значительная реактивная мощность теряется при ее передачи. Наибольшие потери имеют место в трансформаторах. Для оценки потерь реактивной мощности в трансформаторах воспользуемся формулой (5):
Так как мы рассматриваем электрическую сеть 110/10 кВ, то
Суммарную наибольшую реактивную мощность, потребляемую с шин электростанции или районной подстанции, являющихся источниками питания для проектируемой сети определим по формуле:
Для воздушных линий 110 кВ в первом приближении допускается принимать равными потери и генерации реактивной мощности в линиях, т.е. Отсюда:
4. Выбор типа, мощности и места установки компенсирующих устройств В электрических сетях устанавливают так называемые компенсирующие устройства. Компенсирующими устройствами называют установки, предназначенные для компенсации емкостей или индуктивной составляющей переменного тока. Условно их разделяют на: а) устройства для компенсации реактивной мощности, потребляемой нагрузками и в элементах сети,- синхронные двигатели и поперечно включаемые батареи конденсаторов б) устройства для компенсации реактивных параметров линии – продольно включаемые батареи конденсаторов, поперечно включаемые реакторы. Компенсирующие устройства, кроме генерации реактивной мощности, потребляют некоторую активную мощность. При расчете рабочего режима мы эти величины не будем учитывать, так как они оказывают сравнительно малое влияние на параметры режима. Итак, полученное значение суммарной потребляемой реактивной мощности
где
При
Определим мощность конденсаторных батарей, которые должны быть установлены на каждой подстанции по формулам (9) и (10). Так как проектируется сеть 110/10кВ то базовый экономический коэффициент реактивной мощности
Таблица 1
Для 1-го узла: Для 2-го узла: Для 3-го узла: Для 4-го узла: Для 5-го узла: Определим реактивную мощность, потребляемую в узлах из системы с учетом компенсирующих устройств:
где Qk,i – мощность конденсаторных батарей, которые должны быть установлены на каждой подстанции, Мвар.
Полная мощность в узлах с учетом компенсирующих устройств:
где Qi – реактивная мощность, потребляемая в узлах из системы с учетом компенсирующих устройств, Мвар.
5. Выбор силовых трансформаторов понизительных подстанций Количество трансформаторов выбирается с учетом категорий потребителей по степени надежности. Так как по условию курсового проекта, на всех подстанциях имеются потребители 1-ой категории и В соответствии с существующей практикой проектирования мощность трансформаторов на понижающих подстанциях рекомендуется выбирать из условия допустимой перегрузки в послеаварийных режимах до 30% в течение 2 часов. По [3, табл. 5.18] выбираем соответствующие типы трансформатора. Полная мощность ПС № 1 Результаты выбора трансформаторов приведены в таблице 2. Таблица 2
Данные трехфазных двухобмоточных трансформаторов 110 кВ приведены в таблице 6.9 [1]. Запишем данные наших трансформаторов в таблицу 3. Таблица 3
6. Выбор сечения проводников воздушных линий электропередач Существует несколько способов для выбора сечения проводников воздушных линий электропередач: По условиям экономичности По допустимым потерям напряжения По условиям нагрева Определим распределение полной мощности (без учета потерь в линиях) в проектируемой сети. Схема 1 Рассмотрим линию с двухсторонним питанием (А-1-2-А)
По первому закону Кирхгофа определим переток мощности
Рассмотрим двухцепные линии
Схема 2. Рассмотрим линию с двухсторонним питанием (А-5-4-А)
По первому закону Кирхгофа определим переток мощности
Рассмотрим двухцепные линии
Расчетную токовую нагрузку линии определим по выражению:
где αi – коэффициент, учитывающий изменение нагрузки по годам эксплуатации лини, для линий 110 – 220кВ принимается равным 1,05, что соответствует математическому ожиданию этого коэффициента в зоне наиболее часто встречающихся темпов роста нагрузки;
Iнб – ток линии на пятый год ее эксплуатации в нормальном режиме, определяемый для линии питающей и распределительной сети из расчета режима соответствующего максимальной нагрузки энергосистемы. В нормальном режиме работы сети наибольший ток в одноцепной линии равен :
В двухцепной линии:
Схема 2. Тогда расчетная токовая нагрузка линии А – 1 в нормальном режиме:
В линии А – 3:
В линии A – 2:
В линии А – 4:
В линии А – 5:
В линии 5 – 4:
Исходя из напряжения, расчетной токовой нагрузки, района по гололеду, материала опор и количества цепей в линии по [табл. 7.8, 1] выбираются сечения сталеалюминевых проводов. Для линии 110кВ наименьшее сечение сталеалюминевого провода равно 120 мм2. Использование проводов сечением 70 мм2 и 95 мм2 согласно [ табл. 9.5, 1] экономически не выгодно и не целесообразно. Так для линии А – 1 выбираем АС – 120; Для А – 2: АС – 120 Для А – 3: АС – 120 Для А – 4: АС – 120 Для А – 5: АС – 120 Для 4 – 5: АС – 120 Проверка выбранных сечений по допустимому нагреву осуществляется по формуле: Превышение температуры проводника над температурой окружающей среды зависит от количества выделяемого в нем тепла, следовательно от квадрата длительного прохождения по нему тока, а также от условий его охлаждения. Работа проводов и кабелей по условиям их нагрева считается допустимой, если при заданной величине тока температура проводника не превышает допустимого значения. Ток допустимый из формулы (16) зависит от удельной электрической проводимости материала и диаметра проводника. В практических расчетах сетей обычно пользуются годовыми таблицами длительно допустимых токов нагрузки на провода и кабели из различных материалов и при различных условиях прокладки. Таким образом, условие проверки выбранного сечения по нагреву записывается в виде формулы (16). Наибольшая токовая нагрузка в послеаварийном режиме будет иметь место при отключении одной цепи линии.
Аварийные токи:
По [3, табл. 3.15].определяем допустимые токи по нагреву и все полученные результаты запишем в таблицу 4. Таблица 4
При сравнении наибольшего тока в послеаварийном режиме с длительно допустимым током по нагреву выполняется неравенства (17) и, следовательно, выбранные провода удовлетворяют условию допустимого нагрева в послеаварийном режиме. Схема1 Рассмотрим линию с двухсторонним питанием (А-1-2-А)
По первому закону Кирхгофа определим переток мощности
Рассмотрим двухцепные линии
В нормальном режиме работы сети наибольший ток в одноцепной линии равен:
В двухцепной линии:
Тогда расчетная токовая нагрузка линии А – 3 в нормальном режиме:
В линии А – 5:
В линии А – 4:
В линии А – 1:
В линии А – 2:
Исходя из напряжения, расчетной токовой нагрузки, района по гололеду, материала опор и количества цепей в линии по [табл. 7.8, 1] выбираются сечения сталеалюминевых проводов. Для линии 110кВ наименьшее сечение сталеалюминевого провода равно 120 мм2. Использование проводов сечением 70 мм2 и 95 мм2 согласно [ табл. 9.5, 1] экономически не выгодно и не целесообразно. Так для линии А – 1 выбираем АС – 120; Для А – 2: АС – 120; Для 2 – 1: АС – 120; Для А – 3: АС – 120; Для А – 4: АС – 120; Для А – 5: АС – 120. Наибольшая токовая нагрузка в послеаварийном режиме будет иметь место при отключении одной цепи линии.
Аварийные токи:
По [табл. 7.12, 1] определяем допустимые токи по нагреву и все полученные результаты запишем в таблицу 4. Таблица 4
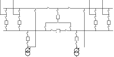
При сравнении наибольшего тока в послеаварийном режиме с длительно допустимым током по нагреву выполняется неравенства (17) и, следовательно, выбранные провода удовлетворяют условию допустимого нагрева в послеаварийном режиме. 7. Выбор схем электрических подстанций Выбор тех или иных схем подстанций зависит от конструктивного выполнения линий и подстанций, протяженности линии и передаваемой по ним мощности нагрузки, характера питаемых по сети потребителей и требований, предъявляемых ими в отношении надежности электроснабжения. Электрические подстанции являются одним из наиболее массовых элементов энергосистем; их часто значительно больше числа электростанций. Отсюда следует необходимость упрощения главных схем и удешевления, соответствующих РУ подстанций. Подстанции делятся на тупиковые, ответвительные и узловые. Тупиковые станции это станции, питаемые по одной или двум радиальным линиям. Ответвительные станции это станции, присоединяемые к одной или двум проходящим линиям на ответвлениях. Проходные станции это станции, присоединяемые к сети путем захода одной линии с двусторонним питанием. Узловые станции это станции, присоединяемые к сети не менее чем по трем питающим линиям. Основные требования к главным схемам электрических соединений: - Схема должна обеспечивать надежное питание присоединенных потребителей в нормальном, ремонтном, послеаварийном режимах в соответствии с категориями нагрузки с учетом наличия или отсутствия независимых резервных источников питания; - Схема должна обеспечивать надежность транзита мощности через подстанцию в нормальном, ремонтном и послеаварийном режимах в соответствии с его значением для рассматриваемого участка сети; - Схема должна быть по возможности простой, наглядной, экономичной и обеспечивать средствами автоматики восстановление питания потребителей в послеаварийной ситуации без вмешательства персонала; - Схема должна допускать поэтапное развитие РУ с переходом от одного этапа к другому без значительных работ по реконструкции и перерывов в питании потребителей; - Число одновременно срабатывающих выключателей в пределах одного РУ должно быть не более 2 при повреждении линии и не более четырех при повреждении трансформатора. Схема 1 Для ПС №1 и №2 выбираем мостик с выключателями в цепях линий и ремонтной перемычкой со стороны трансформаторов по [4, рис. 3.6]:
Рис. 8 Для ПС №3, 4, 5выбираем два блока с выключателями и неавтоматической перемычкой со стороны линии по [4, рис. 3.5]:
Рис. 9 Для питающей подстанции А выбираем схему на рис. 10 – две рабочие и обходная система шин по [4, рис. 3.10]:
Рис. 10 Схема 2 Для ПС №1, 2, 3выбираем схему на рис. 9 – два блока с выключателями и неавтоматической перемычкой со стороны линии по [4, рис. 3.5]: Для ПС №4 и №5 выбираем схему на рис. 8 – мостик с выключателями в цепях линий и ремонтной перемычкой со стороны трансформаторов по [4, рис. 3.6]: Для питающей подстанции А выбираем схему на рис. 10 – две рабочие и обходная система шин по [4, рис. 3.10] 8.Технико-экономический расчет Определим суммарные капиталовложения на сооружение трасс воздушных линий электропередачи. Вариант 1.
Вариант 2.
Расчет суммарных годовых потерь электроэнергии. Потери эл. эн. в трансформаторах определяются по формуле:
где t – время наибольших потерь по формуле:
Потери электрической мощности в линиях электропередач.
Вариант 1.
Вариант 2.
Стоимость электроэнергии составляет
Вариант 1.
Вариант 2.
Капитальные вложения в строительство распределительных устройств 110/10 кВ. Таблица 5. Стоимость трансформаторов.
Таблица 6. Стоимость КУ с выключателями
Стоимость оборудования подстанций 110/10 кВ. Вариант1. Таблица 7.
Вариант 2. Таблица 8.
Капиталовложения в строительство распределительной электрической сети 110/10.
Вариант 1.
Вариант 2.
Объем реализованной продукции.
Издержки на амортизацию, ремонт и обслуживание оборудования.
Суммарные издержки.
Прибыль.
Налог на прибыль. Принимаем 20%.
Рентабельность сети.
Расчет срока окупаемости. Величина кредита: К=548549тыс.руб Численность персонала N=30 человек. Средняя зарплата ЗП=15000 тыс.руб. Покупной тариф на электроэнергию Тпокуп=163 коп./кВт ч. Число часов работы сети в нормальном режиме за год Туст=4500 ч. РЭС получает определенное количество эл. эн. по цене:
Отчисления в фонд оплаты труда и на социальные нужды.
Отчисления на амортизацию
Затраты на эксплуатационные расходы на ЛЭП и силовое оборудование.
Итого:
Тариф на электроэнергию для потребителей. ТРЕАЛ=2,20 руб./кВт ч Реализованная энергия.
Прочие расходы.
Налоги (относимые на финансовые результаты). А) На содержание жилого фонда.
Б) Налог на имущество.
Налоги ( относимые на себестоимость за год) А) Транспортный налог.
Балансовая прибыль.
Налогообладаемая прибыль.
Налог на прибыль.
Чистая прибыль.
Определение срока окупаемости проекта. Таблица 9.
Срок окупаемости предприятия составляет 5лет. Полученный срок является приемлемым, т.к. соответствует нормативным значениям для данного типа сооружений. 9. Расчет режимов сети Максимальный режим Определение расчетной нагрузки ПС и расчет потерь в трансформаторах Расчетная нагрузка ПС определяется по формуле [1]:
где
Емкостные мощности линий
где Для одноцепных линий емкостная проводимость определяется следующим образом:
где
Определим потери мощности в трансформаторе, согласно [1]:
где k – количество одинаковых трансформаторов ПС;
Потери полной мощности в трансформаторе:
Для ПС № 1 (
Определим расчетную нагрузку:
Для ПС № 2 (
Определим расчетную нагрузку:
Определим расчетную нагрузку:
Определим расчетную нагрузку:
Для ПС № 5 (
Определим расчетную нагрузку:
Расчет перетоков мощностей с учетом потерь в линии Определим полные сопротивления линий [1, табл.7,5]. Таблица 10
С помощью выражения:
определим приближенное потокораспределение в кольце (без учета потерь мощности):
По первому закону Кирхгофа:
Нагрузки в узлах равны:
Потери мощности в линии А –4:
Мощность в начале линии A – 4:
Потери мощности в линии 5 – 4:
Мощность в начале линии 5 – 4:
Потери мощности в линии А-5:
Мощность в начале линии А – 5:
Рассмотрим двухцепные линии Определим полные сопротивления линий [1, табл.7,5]. Таблица 11
Нагрузки в узлах равны:
Потери мощности в линии А – 1:
Мощность в начале линии А – 1:
Потери мощности в линии А – 2:
Мощность в начале линии А – 2:
Потери мощности в линии А – 3:
Мощность в начале линии А – 3:
Определение значения напряжения в узловых точках в максимальном режиме Для ПС № 1:
Для ПС № 2:
Для ПС № 3:
Для ПС № 4:
Для ПС № 5:
Регулирование напряжения в электрической сети в максимальном режиме Напряжение на шинах низкого напряжения, приведенное к стороне высшего напряжения для трансформаторов с нерасщепленными обмотками типа ТДН, ТД, ТДЦ, ТМН
где
На подстанциях 2,3,4,5 установлены трансформаторы с расщепленными обмотками, поэтому
Где
Для ПС № 1 (
Ответвление регулируемой части обмотки, обеспечивающее желаемое напряжение на шинах низшего напряжения
Действительное напряжение на шинах низшего напряжения подстанций определяется по формуле:
Отклонение напряжения на этих шинах от номинального напряжения (
Для ПС № 2 (
Ответвление регулируемой части обмотки, обеспечивающее желаемое напряжение на шинах низшего напряжения
Действительное напряжение на шинах низшего напряжения подстанций:
Отклонение напряжения на этих шинах от номинального напряжения:
Для ПС № 3 (
Ответвление регулируемой части обмотки, обеспечивающее желаемое напряжение на шинах низшего напряжения
Действительное напряжение на шинах низшего напряжения подстанций:
Отклонение напряжения на этих шинах от номинального напряжения:
Для ПС № 4 (
Ответвление регулируемой части обмотки, обеспечивающее желаемое напряжение на шинах низшего напряжения
Действительное напряжение на шинах низшего напряжения подстанций:
Отклонение напряжения на этих шинах от номинального напряжения:
Для ПС № 5 (
Ответвление регулируемой части обмотки, обеспечивающее желаемое напряжение на шинах низшего напряжения
Действительное напряжение на шинах низшего напряжения подстанций:
Отклонение напряжения на этих шинах от номинального напряжения:
Послеаварийный режим Особо тяжелыми для работы сети могут оказаться так называемые послеаварийные режимы, которые возникают поле каких-либо отключений, вызванные повреждением оборудования. Рассмотрим послеаварийные режим, возникающий при наибольших нагрузках сети, когда требуется мобилизация всех имеющихся возможностей.
Определение значения напряжения в узловых точках в послеаварийном режиме Для ПС № 1:
Для ПС № 2:
Для ПС № 3:
Для ПС № 4:
Для ПС № 5:
Регулирование напряжения в электрической сети в послеаварийном режиме
Ответвление регулируемой части обмотки, обеспечивающее желаемое напряжение на шинах низшего напряжения
Действительное напряжение на шинах низшего напряжения подстанций определяется по формуле:
Отклонение напряжения на этих шинах от номинального напряжения (
Для ПС № 1:
Для ПС № 2:
Для ПС №3:
Для ПС № 4:
Для ПС № 5 (
Список используемой литературы 1. Солдаткина Л.А. – «Электрические сети и системы»: учебное пособие для вузов. Москва, Энергия, 1978 г.; 2. Крючков И.П. и Неклепаев Б.Н. – «Электрическая часть станций и подстанций», справочник, Москва, Энергия, 1977 г; 3. Мельников Н.А. – «Электрические системы и сети» Учебное пособие для вузов. Издание 2-ое, стереотип, Москва, Энергия, 1975 г; 4. Неклепаев Б.Н. – «Электрическая часть станций и подстанций» Учебник для студентов, Москва, Энергия, 1976 г; 5. Рокотян С.С. и Шапиро И.М. - «Справочник по проектированию электроэнергетических систем» 3-е издание, переработанное и дополненное, Москва, Энергоатомиздат, 1985 г; [1] 6. Идельчик В. И. – «Электроэнергетические системы и сети», Москва, Энергоатомиздат, 1989 г, [2] 7. Файбисович Д. Л. – «Справочник по проектированию электрических сетей» 2-е издание, переработанное и дополненное, Москва, ЭНАС, 2007г; [3] 8. Валиуллина Д. М., Козлов В. К. – «Районная электрическая сеть электроэнергетической системы. Метод указания», Казань, гос. энерг. ун-т, 2006; [4] |


(1)














,
.




;(42)

,
,
,
,
,
,




,(44)
,(49)
,(50)
,(52)
,(53)
.
;


.
.
.
;
;
;
;
;




;
;
;
;
.