Курсовая работа: Робочий майданчик виробничих будівель
|
Название: Робочий майданчик виробничих будівель Раздел: Рефераты по строительству Тип: курсовая работа | |||||||||||||||||||||
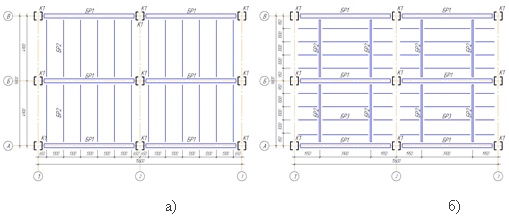
Міністерство освіти і науки України Запорізька державна інженерна академія Кафедра МБГ КУРСОВА РОБОТА з дисципліни "Металеві конструкції" На тему: "Робочий майданчик виробничих будівель" Запоріжжя 2010 1. ВИБІР РАЦІОНАЛЬНОЇ СХЕМИ БАЛОЧНОЇ КЛІТКИ Згідно завдання до курсової роботи та рекомендацій п.2 [1] приймаємо дві схеми балочної клітки: загального та ускладненого типу.
Рисунок 1 – Компоновочна схема балочної клітки: а – нормального типу;б – ускладненого типу. 1.1 Розрахунок настилу Розрахунок товщини настилу проводимо згідно рівняння 1 [1]:
де Розрахунок горизонтальної опорної реакції обчислюємо за формулою 2 [1]:
де
Із умов міцності [1] знаходимо кати кутових швів кріплення настилу:
де Катет шва приймаємо за більшим із знайдених значень, але не меньше мінимального, яке вказане у табл.8 додатку до [1]. 1.1.1 Розрахунок настилу балочної клітки нормального типу За формулою 1.1 розраховуємо товщину настилу балочної клітки:
Згідно сортаменту листової сталі приймаємо лист товщиною За формулою 1.2 розраховуємо горизонтальну опорну реакцію в настилі:
За формулами 1.3 та 1.4 знаходимо катет кутвих швів кріплення настилу щодо умов ручної зварки електродами Е46:
Згідно табл.8 додатку до [1] приймаємо катет шва 1.1.2 Розрахунок настилу балочної клітки ускладненого типу За формулою 1.1 розраховуємо товщину настилу балочної клітки:
Згідно сортаменту листової сталі приймаємо лист товщиною За формулою 1.2 розраховуємо горизонтальну опорну реакцію в настилі:
За формулами 1.3 та 1.4 знаходимо катет кутвих швів кріплення настилу щодо умов ручної зварки електродами Е46:
Згідно табл.8 додатку до [1] приймаємо катет шва 1.2 Розрахунок балок настилу Визначаємо нормативні і розрахункові навантаження на балку за формулами:
де
Нормативне навантаження від власної ваги балок настилу розраховуємо за формулою:
де
Визначаємо граничні значення згинального моменту та перерізуючої сили за формулами:
Визначаємо потрібний момент опору за формулою 8 [1]:
Перевірку міцності прийнятого перерізу виконуємо за фомулою 9 [1]:
де Міцність за дотичними напруженнями визначаємо за формулою 11 [1]:
де
Жорсткість балки настилу перевіряємо за формулою 12 [1]:
1.2.1 Розрахунок балок настилу балочної клітки нормального типу За формулами 1.5 та 1.7 визначаємо нормативні і розрахункові навантаження на балку настилу:
За формулами 1.10 та 1.11 визначаємо граничні значення згинального моменту та перерізуючої сили:
За формулою 1.12 визначаємо потрібний момент опору балки настилу:
з сортаменту фасонного прокату приймаємо наступну за кроком двотаврову балку №20 з характеристиками: За формулою 1.13 проводимо перевірку міцності прийнятого перерізу:
За формулою 1.14 проводимо перевірку міцності прийнятого перерізу:
За формулою 1.15 перевіряємо жорсткість балки настилу:
Усі умови виконуються, таким чином для даної схеми приймаємо балки настилу з двотаврового профілю ý 20. 1.2.2 Розрахунок балок настилу балочної клітки ускладненого типу За формулами 1.5 та 1.7 визначаємо нормативні і розрахункові навантаження на балку настилу:
За формулами 1.10 та 1.11 визначаємо граничні значення згинального моменту та перерізуючої сили:
За формулою 1.12 визначаємо потрібний момент опору балки настилу:
З сортаменту фасонного прокату приймаємо двотаврову балку №14 з характеристиками: За формулою 1.13 проводимо перевірку міцності прийнятого перерізу:
За формулою 1.14 проводимо перевірку міцності прийнятого перерізу:
За формулою 1.15 перевіряємо жорсткість балки настилу:
Усі умови виконуються, таким чином для даної схеми приймаємо балки настилу з двотаврового профілю ý 14. За формулою 1.9 розраховуємо нормативне навантаження від балок настилу:
За формулами 1.6 та 1.8 визначаємо нормативні і розрахункові навантаження на допоміжну балку:
За формулами 1.10 та 1.11 визначаємо граничні значення згинального моменту та перерізуючої сили:
За формулою 1.12 визначаємо потрібний момент опору балки настилу:
З сортаментуфасонного прокату приймаємо двотаврову балку №30 з характеристиками: За формулою 1.13 проводимо перевірку міцності прийнятого перерізу:
За формулою 1.14 проводимо перевірку міцності прийнятого перерізу:
За формулою 1.15 перевіряємо жорсткість балки настилу:
Усі умови виконуються, таким чином для даної схеми приймаємо допоміжні балки з двотаврового профілю ý 30. 1.3 Порівняння варіантів схем балочної клітки Розрахунок металоємності балочних кліток нормального та ускладненого типу виконуємо за формулами 13,14 [1]:
де
Таким чином металоємність балочної клітки нормального типу складає:
Таким чином металоємність балочної клітки ускладненого типу складає:
Отримані дані з металоємності варіантів балочної клітки заносимо до таблиці. Таблиця 1.1 – Порівняння варіантів схем балочної клітки
Таким чином варіант балочної клітини нормального типу є менш металоємним та трудомістким. Схема балочної клітки нормального типу буде використана у подальшому розрахунку головних балок перекриття та колон. 2 . РОЗРАХУНОК ГОЛОВНОЇ БАЛКИ Визначаємо нормативні і розрахункові навантаження на головну балку:
За формулами 1.10 та 1.11 визначаємо граничні значення згинального моменту та перерізуючої сили:
За формулою 1.12 визначаємо потрібний момент опору балки настилу:
З сортаменту фасонного прокату приймаємо двотаврову балку №50Б2 з характеристиками: За формулою 1.13 проводимо перевірку міцності прийнятого перерізу:
За формулою 1.14 проводимо перевірку міцності прийнятого перерізу:
За формулою 1.15 перевіряємо жорсткість балки настилу, але значення припустимого прогину приймаємо
Перевіряємо загальну стійкість головної балки перекриття за формулою:
де
Таким чином загальна стійкість головної балки перекриття складає:
Усі умови виконуються, таким чином приймаємо перетин головної балки з двотаврового профілю ý 50Б2. 2.1 Розрахунок опорного ребра балки Для даної схеми приймаємо конструкцію опорного ребра, розміщеного на краю головної балки. Ширину опорного ребра Товщину опорного ребра розраховуємо за формулою 71 [1]:
де
Таким чином за формулою 2.2 товщина опорного ребра складає:
Конструктивно приймаємо товщину опорного ребра Перевіряємо місцеву стійкість опорного ребра балки за формулою 72 [1]:
де Таким чином розрахункова місцева стійкість ребра балки складає:
Стійкість опорного ребра балки , як центрово стиснутого стержня перевіряємо за формулою 73 [1]:
де
Площу опорної ділянки балки визначаємо за формулою 74 [1]:
Гнучкість опорної частини балки визначаємо за формулою 76 [1]:
де
де
Таким чином момент інерції опорної ділянки відносно осі стінки складає:
Таким чином радіус інерції перетину складає:
Таким чином гнучкість опорної частини балки складає:
За таблицею 21 додатку до [1] приймаємо коефіцієнт За формулою 2.4 перевіряємо умову стійкості опорного ребра балки , як центрово стиснутого стержня:
Із умов міцності кутових за формулою 81 [1] знаходимо необхідний катет вертикального кутового шва:
де
Згідно табл.8 додатку до [1] приймаємо катет шва 2 .2 Розрахунок спряження балок настилу з головною балкою Розраховуємо монтажну висоту перекриття за формулою:
де
Таким чином монтажна висота перекриття складає:
Так як монтажна висота перекриття менше висоти головної балки, приймаємо схему з’єднання в одному рівні головної балки і балок настилу. За формулою 82 [1] перевіряємо стінку прокатної балки настилу на місцеве зминання:
де
Площу зминання стінки прокатної балки знаходимо за формулою 83 [1]:
Таким чином площа зминання стінки прокатної балки складає:
За формулою 2.11 перевіряємо умови зминання стінки прокатної балки настилу:
За формулою 84 [1] перевіряємо ребро жорсткості головної балки на торцеве зминання:
де Площу зминання торцевої поверхні ребра знаходимо за формулою 85 [1]:
де Таким чином площа зминання торцевої поверхні ребра жорсткості складає:
За формулою 2.13 перевіряємо ребро жорсткості головної балки на торцеве зминання:
Визначаємо діаметр болта
Монтажні болти для кріплення балки настилу до головної балки приймаємо М16. 2 .3 Розрахунок монтажного стику головної балки Вибираємо конструктивно розташування монтажного стику посередині головної балки, тоді Згідно рекомендацій [1] приймаємо схему розташування болтів монтажного стику головної балки, спосіб обробки – металевими щітками, контроль затягування болтів – за згинальним моментом.
Рисунок 2 – Схема компоновки болтів монтажного стику Момент інерції у найбільш віддалених від вісі болтах розраховуємо за формулою 88 [1]:
де
Таким чином момент інерції у найбільш віддалених від вісі болтах складає: За формулою 89 [1] визначаємо зусилля в болтах, викликане моментом
де
Таким чином максимальне зусилля в болтах складає:
Так як поперечна сила у перетині За формулою 92 [1] визначаємо необхідну площу перерізу високоміцного болта:
де
Таким чином необхідна площа перерізу високоміцного болта складає:
За табл.15д [1] вибираємо діаметр високоміцного болта М16 з Зусилля в поясах балки розраховуємо за формулою 94 [1]:
де
Таким чином зусилля в поясах головної балки складає:
За формулою 95 [1] розраховуємо несучу здатність одного високоміцного болта кріплення поличок:
Кількість болтів у з’єднанні визначаємо за формулою 96 [1]:
Необхідну площу накладок розраховуємо за формулою 97 [1]:
Необхідну товщину накладок розраховуємо за формулою 98 [1]:
3. РОЗРАХУНОК ЦЕНТРОВО–СТИСНЕНИХ КОЛОН Розрахункову висоту колони визначаємо за формулою 98 [1]:
де
Таким чином розрахункова висота колони складає:
Так як при наявності зв’язків між колонами в обох напрямках, вузол верхнього закріплення колони вважають шарнірним розрахункова висота колони Потрібний радіус інерції перерізу гілки колони розраховуємо за формулою: Потрібну площу перерізу ланки колони визначаємо за формулою 102 [1]:
Таким чином потрібна площа перерізу колони складає:
З сортаменту фасонного прокату приймаємо швелер №14 з характеристиками: Отримана гнучкість перевищує припустиме значення, тому з сортаменту фасонного прокату приймаємо швелер №18 з характеристиками: Перевірку міцності прийнятого перерізу виконуємо за формулою:
Розрахунок необхідної гнучкості колони проводимо із умови рівностійкості перерізу колони (
де Таким чином гнучкість колони складає:
Необхідний радіус інерції відносно вісі Y визначаємо за формулою 121 [1]:
Необхідну відстань між гілками колони знаходимо за формулою 123 [1]:
Мінімальна ширина наскрізної колони з умов [1] повинна складати:
Таким чином приймаємо ширину наскрізної колони За формулою 124[1] встановлюємо відстань між планками:
де
За формулою 3.6 відстань між планками складає:
За формулою 126 [1] визначаємо власний момент інерції перерізу колони:
де Таким чином власний момент інерції перерізу колони складає:
Радіус інерції перерізу визначаємо за формулою 127 [1]:
За формулою 128 [1] визначаємо гнучкість колони відносно вісі Y:
За формулою 129 [1] визначаємо приведену гнучкість колони:
За формулою 130 [1] перевіряємо стійкість відносно вісі Y:
Перевіряємо стійкість відносно вісі за формулою 3.8:
За формулою 131 [1] знаходимо ширину планок:
Згідно умов формули 132 [1] та рекомендацій приймаємо товщину і ширину планок За формулою 133 [1] перевіряємо відношення жорсткості планки і гілки:
де
Таким чином перевіряємо умови формули 3.9:
За формулою 135 [1] проводимо розрахунок планки на дію умовної поперечної сили:
За формулами 136 [1] проводимо розрахунок поперечної сили і згинального моменту в планках:
За формулою 137 [1] проводимо перевірку кутових швів що закріплюють планку до гілок колони: 3.1 Розрахунок оголовка колони Товщину опорної плити Із умови міцності на зминання визначаємо товщину ребра (формула 138 [1]):
де Таким чином товщина опорного ребра складає:
За формулою 140 [1] визначаємо необхідний катет шва:
Висоту ребра визначаємо із умови міцності зварних швів, які закріпляють їх до стінок колон (формула 139 [1]):
Визначивши розміри ребра, необхідно перевірити його на зріз за формулою 139 [1]:
3.2 Розрахунок бази колон За формулою 143 [1] визначаємо необхідну площу опорної плити, виходячи із умови забезпечення міцності бетону фундаменту під плитою:
де
За формулою 144 [1] знаходимо розрахунковий тиск колони на фундамент
Таким чином розрахунковий тиск колони на фундамент складає:
Згідно формули 3.15 площа опорної плити колони складає:
За формулою 145 [1] встановлюємо ширину плити:
де
Таким чином ширина плити складає:
За формулою 146 [1] визначаємо необхідну довжину плити:
Згідно умов [1] довжину плити приймаємо За формулою 147 [1] визначаємо напруження стиску опорної бази:
За формулами 148-150 [1] визначаємо найбільші згинальні моменти, що виникають у опорній плиті колони для смужки одиничної ширини
За найбільшим згинальним моментом знаходимо необхідну товщину плити за формулою 152 [1]:
За формулою 153 [1] визначаємо висоту траверси колони:
За формулою 154 [1] навантаження на траверсу приймаємо рівномірно розподіленим:
За формулами 155-156 [1] найбільші значення згинального моменту в траверсі становить: а) на консольних ділянках: б) у прольоті:
За формулою 157 [1] найбільша поперечна сила на опорі складає:
За формулою 158 [1] проводимо перевірку міцності траверси на згин:
За формулою 159 [1] проводимо перевірку міцності траверси на зріз
ПЕРЕЛІК ПОСИЛАНЬ 1. Методичні вказівки до виконання курсової роботи "Робочий майданчик виробничих будівель" по курсу "Металеві конструкції" для студентів фаху 7.092101 "Промислове і цивільне будівництво"/Склад. В.В.Шкода. – Запоріжжя: ЗДІА, 1997-61 с. 2. Бадур А.И., Белогуров В.Д. Стальные конструкции. Справочник конструктора.-К.: Изд-во "Сталь", 2004.-120 с. 3. Справочник конструктора металлических контрукций/ Васильченко В.Т., Рутман А.Н., Лукьяненко Е.П.-Киев: Будівельник, 1890.-288 с. 4. Справочник техника-конструктора. Изд. 3-е, перераб. И доп. Самохвалов Я.А., левицкий М.Я., Григораш В.Д. Киев, "Техніка", 1978.-592 с. |
|||||||||||||||||||||

, (1.1)
, (1.3)
, (1.4)

(1.12)
, (1.13)
, (1.14)
(1.15)
, (2.1)
, (2.2)
, (2.3)
, (2.4)
(2.8)
(2.11)
(2.13)
(2.15)
, (2.15)
, (2.16)
, (2.17)
(2.21)
, (3.3)
(3.4)
(3.8)
, (3.9)
, (3.11)
(3.13)
(3.14)
, (3.15)
(приймаємо
(3.18)
(3.19)