Контрольная работа: Релейная защита
|
Название: Релейная защита Раздел: Рефераты по физике Тип: контрольная работа |
1. Основные органы релейной защиты Пусковые органы Пусковые органы непрерывно контролируют состояние и режим работы защищаемого участка цепи и реагируют на возникновение коротких замыканий и нарушения нормального режима работы. Выполняются обычно с помощью реле тока, напряжения, мощности и др. Измерительные органы Измерительные органы определяют место и характер повреждения и принимают решения о необходимости действия защиты. Измерительные органы также выполняются с помощью реле тока, напряжения, мощности и др. Функции пускового и измерительного органа могут быть объединены в одном органе. Логическая часть Логическая часть — это схема, которая запускается пусковыми органами и, анализируя действия измерительных органов, производит предусмотренные действия (отключение выключателей, запуск других устройств, подача сигналов и пр.). Логическая часть состоит, в основном, из элементов времени (таймеров), логических элементов, промежуточных и указательных реле, дискретных входов и аналоговых выходов микропроцессорных устройств защиты. Пример логической части релейной защиты
Катушка реле тока K1 (контакты А1 и А2) включена последовательно со вторичной обмоткой трансформатора тока ТА. При коротком замыкании, на участке цепи, в котором установлен трансформатор тока, возрастает сила тока, и пропорционально ей возрастает сила тока во вторичной цепи трансформатора тока. При достижении силой тока значения уставки реле K1, оно сработает и замкнёт рабочие контакты(11 и 12). Цепь между шинками +EC и -EC замкнётся, и запитает сигнальную лампу HLW. Данная схема приведена как простой пример. В эксплуатации используются более сложные логические схемы. 2. Повреждения и ненормальные режимы работы в энергосистемах Повреждения вызывают появление значительных аварийных токов и сопровождаются глубоким понижением напряжения на шинах ЭС и ПС. Ток повреждения выделяет большое количество теплоты, которое вызывает сильное разрушение в месте повреждения и опасное нагревание проводов неповрежденных ЛЭП и оборудования, по которым этот ток проходит. Понижение напряжения нарушает нормальную работу потребителей электроэнергии и устойчивость параллельной работы ЭС энергосистемы. (ЭЭС). Ненормальные режимы обычно приводят к отклонению напряжения, тока и частоты от допустимых значений. При понижении частоты и напряжения создается опасность нарушения нормальной работы потребителей и устойчивости ЭЭС, а повышение напряжения и тока угрожает повреждением оборудования и ЛЭП. Для уменьшения разрушений в месте повреждения и обеспечения нормальной работы неповрежденной части ЭЭС необходимо возможно быстрее выявлять и отделять место повреждения от неповрежденной части ЭЭС. Опасные последствия ненормальных режимов так же можно предотвратить, если своевременно принять меры к их устранению (например, снизить ток или напряжение при их увеличении), а при необходимости отключить оборудование, оказавшееся в недопустимом для него режиме. Короткие замыкания , возникающие в электрических сетях, машинах и аппаратах, отличаются большим разнообразием как по виду, так и по характеру повреждения. Для упрощения расчетов и анализа поведения релейной защиты при повреждениях исключаются отдельные факторы, не оказывающие существенного влияния на величины токов и напряжений. В частности, как правило, не учитывается при расчетах переходное сопротивление в месте к. з. и все повреждения рассматриваются как «глухое» или, как говорят, «металлическое» соединение фаз между собой или на землю для сети с заземленной нейтралью. Не учитываются токи намагничивания силовых трансформаторов и емкостные токи линий напряжением до 330—500 кВ. Сопротивления всех трех фаз считаются одинаковыми. Основные виды коротких замыканий приведены на рис. 1. Междуфазные короткие замыкания — двухфазные и трехфазные — возникают как в сетях с заземленной, так и в сетях с изолированной нейтралью. Однофазные короткие замыкания могут происходить только в сетях с заземленной нейтралью. Основными причинами, вызывающими повреждения на линиях, являются перекрытия изоляции во время грозы, схлестывание и обрывы проводов при гололеде, набросы, перекрытия загрязненной и увлажненной изоляции, ошибки персонала и др. Трехфазное короткое замыкание Симметричное трехфазное короткое замыкание — наиболее простой для расчета и анализа вид повреждения. Он характерен тем, что токи и напряжения во всех фазах равны по величине как в месте к. з., так и в любой другой точке сети: Так как все фазные и междуфазные напряжения в месте трехфазного короткого замыкания равны нулю, а в точках, удаленных от места к.з. на небольшое расстояние, незначительны по величине, рассматриваемый вид повреждения представляет наибольшую опасность для работы энергосистемы. Двухфазное короткое замыкание При двухфазном к.з. токи и напряжения разных фаз неодинаковы. С точки зрения влияния на устойчивость параллельной работы генераторов и на работу электродвигателей рассматриваемый вид повреждения представляет значительно меньшую опасность, чем трехфазное короткое замыкание. Двухфазное короткое замыкание на землю в сети с заземленной нейтралью Этот вид повреждения для сетей с изолированной нейтралью практически не отличается от двухфазного короткого замыкания. Токи, проходящие в месте к. з. и в ветвях рассматриваемой схемы, а также междуфазные напряжения в разных точках сети имеют те же самые значения, что и при двухфазном к. з. В сетях же с заземленной нейтралью двухфазное к. з. на землю значительно более опасно, чем двухфазное короткое замыкание. Это объясняется более значительным снижением междуфазных напряжений в месте короткого замыкания, так как одно междуфазное напряжение уменьшается до нуля, а два других — до величины фазного напряжения неповрежденной фазы. Однофазное короткое замыкание в сети с заземленной нейтралью Однофазное короткое замыкание может иметь место только в сетях с заземленной нейтралью (как правило, с заземленной нейтралью работают сети напряжением 110 кВ и выше). Однофазные короткие замыкания, сопровождающиеся снижением до нуля в месте повреждения одного Однофазное замыкание на землю в сети с малым током замыкания на землю В сетях с малыми токами замыкания на землю, к которым относятся сети 3—35 кВ, работающие с изолированной нейтралью или с нейтралью, заземленной через дугогасящую катушку, замыкания одной фазы на землю сопровождаются значительно меньшими токами, чем короткие замыкания. Для снижения тока замыкания на землю применяются специальные компенсирующие устройства — дугогасящие катушки, которые подключаются между нулевыми точками трансформаторов или генераторов и землей. В зависимости от настройки дугогасящей катушки ток замыкания на землю уменьшается до нуля или до небольшой остаточной величины. Поскольку токи замыкания на землю имеют небольшую величину, а все междуфазные напряжения остаются неизменными, однофазное замыкание на землю не представляет непосредственной опасности для потребителей. Защита от этого вида повреждения, как правило, действует на сигнал. Однако длительная работа сети с заземленной фазой нежелательна, так как длительное прохождение тока в месте замыкания на землю, а также повышенные в 1,73 раза напряжения неповрежденных фаз относительно земли могут привести к пробою или повреждению их изоляции и возникновению двухфазного к. з. Поэтому согласно Правилам технической эксплуатации допускается работа сети с заземлением одной фазы только в течение 2 ч. За это время оперативный персонал с помощью устройств сигнализации должен обнаружить и вывести из схемы поврежденный участок. В сетях, питающих торфопредприятия и передвижные строительные механизмы, для обеспечения условий безопасности обслуживающего персонала защита от замыканий на землю выполняется с действием на отключение. 3. Реле минимального напряжения типов РНМ и РНВ Устройство встроенных реле минимального напряжения прямого действия показано на рис. 1
Рис. 1 Реле минимального напряжения прямого действия Реле мгновенного действия типа РИМ показано на рис. 1, а. Обмотка реле 1 постоянно находится под нормальным напряжением, вследствие чего якорь 3 притянут к неподвижному полюсу 2. Пружина 6, связанная с бойком 4, находится в сжатом состоянии и удерживается системой рычагов 5. Вторая пружина 7, связанная с якорем, растянута и тянет якорь вниз. При понижении напряжения электромагнитная сила уменьшается, и когда она становится меньше противодействующей силы пружины 7, якорь опускается. При этом система рычагов 5 освобождает пружину 6, под действием которой боек 4 движется вверх и производит отключение выключателя. На рис. 1, б показано реле минимального напряжения с выдержкой времени типа РНВ, которое отличается от рассмотренного реле типа РНМ наличием часового механизма, аналогичного реле типа РТВ. 4. Назначение защиты шин, и вида защит Специальные защиты шин предназначены для отключения без выдержки времени повреждении, возникающих на сборных шинах. На шинах могут возникать такие же повреждения, как и на линиях: однофазные и многофазные в сетях с заземленной нейтралью, многофазные в сетях с изолированной нейтралью. Защиты шин устанавливаются практически на всех станциях и подстанциях напряжением 110 кВ и выше, работающих в режиме многостороннего питания. Защиты шин используются также и в сетях менее высокого напряжения.
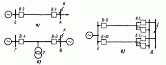
Рис. 1 Схемы электрических соединений Повреждения на шинах могут быть отключены без специальной защиты шин резервными защитами линий, установленными на соседних подстанциях. Так, например, при коротком замыкании на шинах подстанции А (рис. 1, а) подействуют резервные защиты на подстанции Б и отключат выключатель В-2, отделяя поврежденный участок от остальной сети. Отключение при этом, конечно, происходит с выдержкой времени резервной защиты, а не мгновенно, как при наличии специальной защиты шин. Замедление в отключении приводит к увеличению размеров повреждения в месте короткого замыкания, а в кольцевых сетях может вызвать нарушение устойчивости параллельной работы. Поэтому подстанции 110—500 кВ в кольцевых сетях с многосторонним питанием, как правило, оснащаются специальными защитами шин. На тупиковых же подстанциях защита шин обычно не устанавливается, и повреждения, возникающие на них, отключаются резервными защитами линий на питающих подстанциях. Специальные защиты шин позволяют также селективно отключить поврежденный участок и предотвратить нарушение электроснабжения дополнительных подстанции. Так, например, в схеме, приведенной на рис. 1, б) в случае короткого замыкания на шинах подстанции В, при срабатывании резервных защит и отключении выключателя В-4 одновременно с поврежденной подстанцией будет отключен и трансформатор Т, подключенный ответвлением к линии. При наличии на подстанции В специальной защиты шин рассматриваемое повреждение будет отключаться выключателем В-3, и питание трансформатора Т сохранится от подстанции Г. Аналогично в схеме на рис. 1, в) при повреждении на одной из систем шин подстанции Д она будет селективно отключена защитой шин, а вторая система шин сохранится в работе. В случае отсутствия защиты шин короткое замыкание будет ликвидироваться отключением выключателей В-9 и В-10, что приведет к погашению обеих систем шин подстанции Д. Таким образом, специальные защиты шин целесообразно применять для ускорения отключения повреждений и повышения селективности. Дифференциальная защита шин Принцип действия Токовые реле (рис.2) подключаются к соединенным параллельно вторичным обмоткам трансформаторов тока, установленных на каждом присоединении. Коэффициенты трансформации всех трансформаторов тока равны.
Рис. 2 Распределение токов в цепях дифференциальной защиты шин при коротком замыкании При коротком замыкании на шинах в зоне действия защиты шин по всем линиям ток подтекает к месту короткого замыкания, в реле проходит сумма токов, под действием которой оно срабатывает (рис. 2, а).При внешнем коротком замыкании на одной из линий (рис. 2, б) сумма токов, подтекающих к шинам по двум линиям, равна току, оттекающему от шин по поврежденной линии. Сумма токов равна нулю, и реле не действует. На самом деле при внешнем коротком замыкании в реле проходит ток небаланса, обусловленный разной погрешностью трансформаторов тока, включенных в схему защиты В отличие от продольной дифференциальной защиты генератора ток небаланса в дифференциальной защите шин определяется не только и не столько различием характеристик трансформаторов тока, но главным образом различием нагрузки на трансформаторы тока поврежденного и неповрежденных присоединений, определенных разными величинами проходящих по ним токов. На трансформаторах тока неповрежденных присоединений, через каждый из которых проходит только часть тока короткого замыкания, Защита шин генераторного напряжения На электростанциях и подстанциях с реактированными линиями на шинах 6—10 кВ применяются специальные защиты шин, обеспечивающие быстрое отключение коротких замыканий, возникающих на шинах.
Рис. 3 Схема неполной дифференциальной защиты шин Неполная дифференциальная защита шин (рис. 3) обычно выполняется двухступенчатой: первая ступень — токовая отсечка, предназначенная для действия при коротких замыканиях на шинах; вторая ступень — максимальная токовая защита, предназначенная резервировать защиты отходящих линий при коротких замыканиях за реакторами. При коротких замыканиях на соседней секции, в генераторе или трансформаторе защита в действие не приходит, так как в реле при этом будет попадать только ток нагрузки, а ток короткого замыкания будет балансироваться и в реле не попадет. Первая ступень защиты шип действует без выдержки времени на отключение всех источников питания, за исключением генераторов, отключение которых будет осуществлено их токовыми защитами. Вторая ступень защиты действует с выдержкой времени, отстроенной от максимальной выдержки времени защит отходящих линий, па отключение трансформаторов, секционных и шиносоедннительпых выключателей. Обычно на второй ступени защиты предусматривается также и вторая выдержка времени, с которой она действует на отключение генераторов, подключенных к поврежденной секции шин, если после отключения трансформаторов, секционных и шиносоединительных выключателей короткое замыкание не устранилось. На рис. 3 не показан шиносоединительный выключатель, при наличии которого его цепи должны подключаться к токовым цепям защиты шин. На время опробования резервной системы шин через шиносоединительный выключатель в схеме защиты должно быть предусмотрено устройство, автоматически выводящее при этом действие защиты шин на все присоединения, за исключением шиносоединителыюго выключателя. В случае, если первая ступень неполной дифференциальной защиты шин не обеспечивает необходимой чувствительности при к. з. на шинах, может применяться неполная дифференциальная дистанционная защита шин. При этом обычно используется схема дистанционной защиты с одним реле сопротивления с переключением в цепях тока и напряжения или только в цепях напряжения. Уставка срабатывания реле сопротивления отстраивается от короткого замыкания за реактором. Пусковые токовые реле защиты используются в качестве второй ступени аналогично схеме, рассмотренной выше. На крупных подстанциях и станциях в ряде случаев недостаточную чувствительность имеет вторая ступень защиты шин, не обеспечивающая резервирование при коротких замыканиях за реакторами па отходящих линиях. Это особенно нежелательно, так как при коротких замыканиях за реакторами до выключателей отводящих линий вторая ступень защиты шин является единственной защитой, действующей при повреждении в этой точке. 5. Схема АВР, назначение, принцип действия Ни одно устройство или система не обладает абсолютной надежностью, в том числе источники питания. Для повышения надежности питания ответственных потребителей применяется питание от двух и более источников, при этом потеря одного источника питания компенсируется питанием от второго источника. Сети напряжением 110 кВ и выше работают, как правило, с замыканием всех транзитов, так как отключение основных связей может быть покрыто запасом по перегрузочной способности резервных связей. В сетях более низкого напряжения параллельная работа двух источников, как правило, недопустима. При этом применение АВР имеет некоторые ограничения. Согласно ПУЭ все потребители электрической энергии делятся на три категории: · I категория — к потребителям этой группы относятся те, нарушение электроснабжения которых может повлечь за собой опасность для жизни людей, значительный материальный ущерб, опасность для безопасности государства, нарушение сложных технологических процессов и пр. · II категория — к этой группе относят электроприёмники, перерыв в питании которых может привести к массовому не доотпуску продукции, простою рабочих, механизмов, промышленного транспорта. · III категория — все остальные потребители электроэнергии. В основном АВР используется для потребителей первой категории: в коммунально-бытовых, общественных и производственных зданиях. Основная задача АВР это быстрое восстановление и подачи электроэнергии, для этого АВР запускает режим подачи энергии из запасных источников, до момента пока не будет установлена и исправлена причина нарушения подачи на основной линии. Принцип действия АВР: В качестве измерительного органа для АВР в высоковольтных сетях служат реле минимального напряжения, подключённые к защищаемым участкам через трансформаторы напряжения. В случае возникновения изменения напряжения на защищаемом участке реле даёт сигнал в схему АВР. При этом автоматическое включение резерва происходит не сразу, должно быть соблюдено несколько правил, например: Наличие неисправности на линии которое вызывает короткое замыкание, необходимо устранение причины. При контролируемом выключении, в данном случае также недопустимо срабатывание АВР. Также могут быть и другие условия для включения АВР, они необходимы для того чтобы включение было действительно необходимым и не повлекло других более серьезных аварий в электросети. В случае, когда все заданные параметры соблюдены происходит безопасное включение АВР. При этом АВР самостоятельно запускает проверку всех условий и на основании полученных данных идет дальнейший сигнал. АВР разделяют на: · АВР одностороннего действия. В таких схемах присутствует одна рабочая секция питающей сети, и одна резервная. · АВР двухстороннего действия. В этой схеме любая из двух линий может быть как рабочей, так и резервной. Как правило на устройство АВР устанавливают дополнительное оборудование: · световая индикация и звуковая сигнализация; · приборы учета и распределения электроэнергии; · приборы контроля нагрузки и параметров электропитания. Конструкция АВР: Щит АВР представляет собой сборно-разборную металлоконструкцию. Дверь шкафа закрывается на замок. Аппаратура крепится на монтажных панелях и профилях. В корпусе щита имеются шины нулевая и защитного заземления. Устройства АВР предусматриваются для восстановления питания потребителей путем автоматического присоединения резервного источника питания при отключении рабочего источника питания. Устройства АВР предусматриваются также для автоматического включения резервного оборудования при отключении рабочего оборудования, приводящем к нарушению нормального технологического процесса. К устройствам АВР предъявляются следующие требования: 1. Схема АВР должна приходить в действие при исчезновении напряжения на шинах потребителя по любой причине, в том числе при аварийном, ошибочном или самопроизвольном отключении выключателей рабочего источника питания, а также при исчезновении напряжения на шинах, от которых осуществляется питание рабочего источника. Включение резервного источника часто допускается также при КЗ на шинах потребителя. 2. Для уменьшения длительность перерыва питания потребителей, включение резервного источника питания должно производиться сразу же после отключения рабочего источника. 3. Действие АВР должно быть однократным. 4. АВР не должно выполняться до отключения выключателя рабочего источника для того, чтобы исключить параллельную работу двух источников и включение резервного источника на неустранившееся КЗ. 5. Должно предусматриваться ускорение защит резервного источника после работы АВР. Опробование устройств АВР механизмов собственных нужд электростанций должно производиться оперативным персоналом не реже одного раза в шесть месяцев, а устройств АВР вводов питания собственных нужд – не реже одного раза в год. Допуск этого персонала к таким опробованиям оформляется распоряжением технического руководителя предприятия. Опробование выполняется по специальным инструкциям, методикам и программам. |




