Учебное пособие: Емісія електронів. Електричний струм в газах
|
Название: Емісія електронів. Електричний струм в газах Раздел: Рефераты по физике Тип: учебное пособие |
План лекції з навчальної дисципліни ФІЗИКА Тема ЕМІСІЯ ЕЛЕКТРОНІВ ОРГАНІЗАЦІЙНО-МЕТОДИЧНІ ВКАЗІВКИ ДО ПРОВЕДЕННЯ ЛЕКЦІЇ Явище термоелектронної емісії вивчається після теми „Закони постійного струму”. Тому слід враховувати, що курсантам відомо: в металах є дуже багато вільних електронів, які рухаються хаотично і з різними (великими) швидкостями. Крім цього необхідно виділити, що вільні електрони в металі подібні молекулам ідеального газу і мають максвелівський розподіл по швидкостям. Отже в металі є частина електронів, яка рухається з швидкостями більшими ніж їх середня швидкість. Саме ці електрони і можуть вилітати із металу. Необхідно також звернути особливу увагу на практичне заняття матеріалу, що вивчається, і показати різні типи електронних ламп, електронно-променевих трубок тощо. ВСТУП На практиці, в тому числі в військовій техніці зв’язку широко застосовуються електронні лампи, електронно-променеві трубки різного призначення й інші прилади, в яких використовується явище термоелектронної емісії. Важливою характеристикою явища термоелектронної емісії є робота виходу електрона, а також струм насичення термоемісії. Ці та інші характеристики термоемісії і будуть розглянуті в даній лекції. Крім цього будуть розглянуті питання, які існують інші види електронної емісії і як вони враховуються і використовуються на практиці. РОБОТА ВИХОДУ ЕЛЕКТРОНІВ ІЗ МЕТАЛУ Для розуміння явища термоелектронної емісії, а також інших електронних явищ важливе значення має поняття роботи виходу електрона. Розглянемо це поняття. Дослідами було виявлено, що вільними зарядами в металах являються електрони, причому вільних електронів в металах дуже багато Розглянемо природу сил, які перешкоджають виходу електрона із метала. При вилітанні електрона із нейтрального провідника в металі виникає індукований додатній заряд, рівний заряду електрона: кулонівська сила взаємодії притягає електрон до металу, тому електрон буде рухатись рівносповільнено, на якійсь віддалі (
Рис. 1 2. На відстані Таким чином: на межі метал-вакуум виникає своєрідний конденсатор, поле якого протидіє вилітанню електронів із металу. Ці дві причини перешкоджають вилітанню електрона із металу, і щоб електрон вилетів йому необхідно виконати певну роботу для подолання сили протидії. Найменша робота, необхідна для того, щоб електрон вилетів із твердого тіла, або рідини в вакуум називається роботою виходу електрона. Так, як
причому Один електронвольт- це енергія, яку одержує електрон, пролетівши різницю потенціалів в I В. Отже, для того, щоб електрон вилетів із твердого тіла, чи рідини йому необхідно надати енергію хоча б рівну роботі виходу. З цього випливає, що тіло є для електрона потенціальною ямою, яку він не може вільно залишити. Причому потенціальна енергія електрона
(заряд електрона негативний), а потенціальна енергія електрона в вакуумі
Рис. 2 Згідно класичної фізики електрони в металі подібні молекулам ідеального газу і їх кінетична енергія
а при T = 0,
Рис. 3 Але в металів немає нерухомих електронів. І згідно квантової механіки. навіть при T = 0електрони мають значну кінетичну енергію. Причому найбільшу кінетичну енергію при абсолютному нулеві температури називають енергією фермі -
Для різних металів робота виходу електрона неоднакова і значною мірою залежить від стану його поверхні, та від природи абсорбованих поверхнею металу атомів і молекул. Наприклад: для чистого вольфраму А=4,5 еВ, а якщо на вольфрам нанести тонкий шар барію, то А=1,36 еВ. ТЕРМОЕЛЕКТРОННА ЕМІСІЯ. НАЙПРОСТІШІ ЕЛЕКТРОВАКУУМНІ ПРИЛАДИ Явище виривання електронів з металів називають емісією. Емісія електронів може відбуватись під дією різних причин. Термоелектронною називають емісію, зумовлену тепловим рухом електронів. В металах концентрація електронів велика і в наслідок хаотичного руху окремі електрони час від часу можуть мати кінетичну енергію
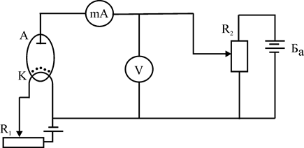
рівну або більшу роботі виходу і вилітатимуть з металу. При кімнатних температурах дуже мала частина електронів вилетіти із металу. З підвищенням температури швидкість електронів зростає і число електронів, що вилітають із металу. Це явище повністю аналогічне процесу випаровування молекул із нагрітої рідини. Дослідження термоелектронної емісії зручно проводити з допомогою схеми, зображеної на рис. 4.
Рис. 4 В скляний балон, з якого відкачане повітря, впаяні два електроди – холодний анод А і катод К (лампа-діод). Катод являє собою спіраль з досліджуваного матеріалу, нагрівається від батареї Бн. З нагрітого катода вилітають електрони і навколо катоду утворюється просторовий заряд – електронна „хмара”. З допомогою Ба та потенціометра Залежність анодного струму
Рис. 5 Це пояснюється тим, що при малих напругах тільки частина електронів просторового заряду біля катода під дією поля досягає аноду. Але чим більше буде напруга, тим більше буде електронів з „хмари” досягати аноду. Причому початкові ділянки вольт-амперних характеристик діодів для різних температур однакові. Теоретичні дослідження (Богуславський і Ленглюр) показали, що в області просторового заряду залежність термоелектронного струму від напруги (АВ) має вигляд:
закон степені 3/2, де К-стала, яка характеризує розміри і форму електродів і не залежить від температури катода. А починаючи з деякої напруги
За допомогою квантової фізики Річардсон і Дешман отримали вираз для густини струму насичення.
де B- стала величина, ej - робота виходу електрону з металу, к - стала Больцмана, Т- абсолютна температура катоду. Формулу / I / називають формулою Річардсона-Дешмана. Із цієї формули слідує, що густина струму насичення різко збільшується. Із збільшенням температури катоду та з зменшенням роботи виходу електрона. Наприклад, як показують розрахунки, для чистої поверхні вольфраму (ej = 4,5eB) при збільшенні температури з Досліди показують, що реальна густина струму насичення менша, ніж та, що одержується за формулою / I / , це пояснюється тим, що частина електронів, що вилетіла з катоду повертається знову на катод. Тому замість сталої B в формулу вводять
де g - так званий коефіцієнт відбивання Шотткі. Явище термоелектронної емісії широко використовується на практиці в електронних лампах, електронно-променевих трубках й інших електровакуумних приладах. Найпростішими електровакуумними приладами є лампи діод і тріод. Як відмічалось, лампа діод являє собою скляний або металевий балон, з якого відкачане повітря і в якому розміщені два електроди анод та катод, який може нагріватися:
Особливістю діода є те, що він пропускає струм лише в одному напрямку і широко використовується для випрямлення змінного струму, а також детектування сигналів. Більш складною є лампа тріод - третім електродом є керуюча сітка, з допомогою можна керувати анодним струмом, тому сітка називається керуючою.
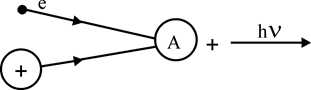
Лампа тріод широко використовується для підсилення напруги - підсилення слабких сигналів електромагнітних коливань, що виникають в антені радіоприймача й ін. ІНШІ ВИДИ ЕЛЕКТРОННОЇ ЕМІСІЇ Енергію, необхідну електронам для вилітання із металу, можна надати не тільки при нагріванні, але й іншими шляхами. Так електрони вилітають із металу, поміщеному в сильне електричне поле – це автоелектронна емісія або холодна емісія. Виривання електронів під дією світла називають фотоелектронною емісією. Причому падаючі електрони називають первинними, а вибиті - вторинними. Відношення кількості вторинних електронів n до числа первинних електронів
Число вирваних електронів в великій мірі, залежить від природи речовини – емітера. В металах, де велика густина вільних електронів вторинні електрони внаслідок великого числа зіткнень з вільними електронами втрачають свою енергію і мають малу ймовірність вилетіти з металу. Навпаки, в напівпровіднику, де густина вільних електронів збільшується. Тому не існує металів з великим d. І ефективні емітери вторинних електронів виготовляють із напівпровідників та діелектриків. Значення в для металів не перевищує 2, а для напівпровідників 6-18. Явище вторинної електронної емісії лежить в основі дії електронних помножувачів, які призначені для підсилення слабких електронних струмів, світлових сигналів. За допомогою таких помножувачів можна отримати коефіцієнт підсилення первинного струму порядку В електронних лампах вторинна емісія із аноду шкідлива (вона зменшує анодний струм), тому в лампах вводиться спеціальна сітка, яка змушує вторинні електрони повертатись до аноду. Автоелектронна емісія спостерігається з металів, які знаходяться в сильному електричному полі ( А при автоелектронній емісії електрони вилітають внаслідок тунельного ефекту, фізична суть якого розкривається в квантовій механіці. ВИСНОВКИ Для вильоту електрону із речовини, йому необхідно мати енергію, щонайменше, рівну роботі виходу, яка залежить від хімічної природи речовини і, в значній мірі, від стану поверхні речовини. Тому в електронних лампах широко використовуються оксидні катоди. Явище термоелектронної емісії спостерігається при нагріванні електродів (катодів), воно широко використовується на практиці в електронних лампах, електронно-променевих трубках та ін. Причому густина струму насичення різко збільшується при підвищенні температури катода та при зменшенні роботи виходу. Крім термоемісії існують інші її види – вторинна електронна емісія, автоемісія й ін. Ці явища враховуються і використовуються на практиці – в електронних лампах, фотопомножувачах тощо. НАВЧАЛЬНА ЛІТЕРАТУРА 1. Гусева Г.Б. Курс физики. §48-49 2. Савельев И.В. Курс физики, т.2, Курс общей физики.-М.: 1989. § 74-75 3. Трофимова Т.И. Курс физики,-М.: Высшая школа, 1985, 432 с. § 104-106 План лекції з навчальної дисципліни ФІЗИКА Тема ЕЛЕКТРИЧНИЙ СТРУМ В ГАЗАХ ОРГАНІЗАЦІЙНО-МЕТОДИЧНІ ВКАЗІВКИ ДО ПРОВЕДЕННЯ ЛЕКЦІЇ При проведенні заняття необхідно пам’ятати, що курсанти знають що таке електричний струм і які бувають заряди. Причому в металах носіями зарядів є електрони, а в газах – електрони і іони. Необхідно підкреслити, що при проходженні струму в газі відбуваються: іонізація і рекомбінація, яка супроводжується світінням газу (продемонструвати це). Характеризуючи несамостійний та самостійний розряди важливо виділити струм насичення та лавинний характер утворення зарядів при самостійному розряді, його практичне значення. Розглядаючи плазму, особливу увагу звернути на її характеристики та практичне використання і перспективи. ВСТУП Фізика газових розрядів являє собою один із розділів класичної фізики. Систематичне вивчення газових розрядів розпочалось після створення штучних джерел електричного струму. А з 70-х років ХХ ст. розпочались і проводяться інтенсивні дослідження в області фізики газового розряду. Завдяки цьому відкрито і досліджено нові типи розрядів і способи їх збудження, зокрема такі, як лазерний розряд, розряди що підтримуються електронним і ультрафіолетовим пучками. Різко розширилась область зміни параметрів газового розряду тощо. Багатогранність властивостей електричного розряду в газах і можливість змінювати значення їх основних параметрів зумовлюють досить широке практичне застосування електричного розряду, в тому числі і в військовій техніці зв’язку. Наприклад, велика кількість іонних приладів є елементами електричних схем, які призначені для перетворення струму, стабілізації напруги, сигналізації (газотрони, тиратрони, ртутні випрямлячі та ін.). ЕЛЕКТРИЧНИЙ СТРУМ В ГАЗАХ Електричний струм в металах зумовлений рухом вільних електронів під дією електричного поля. На відміну від металів гази складаються із нейтральних атомів чи молекул і в них немає вільних зарядів, які б змогли рухатись під впливом електричного поля. Тому гази при нормальних умовах не проводять електричного струму, тобто являються діелектриками. Газ буде провідним, якщо створити в ньому вільні носії зарядів, а для цього треба частину його атомів та молекул іонізувати. Іонізація газу – це процес розщеплення атома, чи молекули на електрон і позитивний іон. Газ може бути іонізованим під впливом ультрафіолетових, рентгенівських, радіоактивних променів, видимого світла, при нагріванні тощо.
Рис. 1 Якщо відірваний від атома електрон приєднається до нейтрального атома чи молекули то утворюється негативний іон.
Рис.2 Отже в газі можуть бути електрони, позитивні та негативні іони. Оскільки атоми або молекули є стійкими системами заряджених частинок, то для їхньої іонізації треба виконати роботу проти сил взаємодії між електроном, що виривається, та іншими частинками атома або молекули. Робота, яку необхідно виконати, щоб відірвати електрон від атома (молекули) називається роботою іонізації – Аі (аналогічна роботі виходу електрону).
де Робота іонізації залежить від хімічної природи газу і стану електрона, який виривається. Найменша робота іонізації для валентних електронів. На практиці робота іонізації вимірюється в еВ. (В СІ – Дж). При сталій дії іонізатора на газ концентрація зарядів в газі збільшується, тому збільшується й ймовірність зустрічі різнойменних зарядів і їх нейтралізація. Процес нейтралізації двох різнойменних іонів, або позитивного іона та електрона при їх зіткненні називається рекомбінацією. Причому при рекомбінації надлишкова енергія виділяється, здебільшого, в вигляді кванта світла, тобто процес рекомбінації може супроводжуватись світінням газу.
Рис. 3 Таким чином, при дії іонізатора на газ в закритій посудині буде відбуватись іонізація та рекомбінація і при цьому настане динамічна рівновага: кількість пар зарядів, що виникають під дією іонізатора буде дорівнювати кількості рекомбінуючих пар зарядів. Такий рівноважний стан характеризується певною концентрацією зарядів n. Наприклад: в атмосфері Землі під впливом радіоактивного випромінювання Землі та космічних променів Процес проходження електричного струму через газ називається газовим розрядом. Досліди показують, що характер газового розряду залежить від багатьох факторів: хімічної природи, тиску, температури газу; геометрії і температури електродів, напруги, тощо. Газовий розряд може мати різноманітні форму і супроводжуватися світінням та звуковими ефектами. По способу одержання вільних зарядів розрізняють два види електричних розрядів: несамостійний розряд. самостійний розряд. НЕСАМОСТІЙНИЙ ТА САМОСТІЙНИЙ РОЗРЯДИ ТА ЇХ ХАРАКТЕРИСТИКИ Несамостійним розрядом називають такий розряд для виникнення і підтримання якого крім електричного поля необхідний зовнішній іонізатор. Такий розряд не супроводжується світінням газу і якщо іонізатор припиняє свою дію, то припиняється і газовий розряд. Провідність газів можна вивчити за допомогою установки, схема якої приведена на рис. 1.
Рис. 1 Газ заповнює скляний балон І на газ діє іонізатор S . Змінюючи напругу U між електронами і вимірюючи силу струму І знаходимо залежність струму від напруги – ВАХ газового розряду, яка має вигляд, зображений на рис. 2
Рис. 2 Розглянемо несамостійний розряд. При наявності електричного поля позитивні іони рухаються до катоду, одержують від металу електрон і перетворюються в нейтральні атоми, негативні іони та електрони рухаються до аноду. Причому, як видно із графіка при малих напругах виконується закон Ома (ОА)
де s - питома електропровідність газового розряду. Така залежність пояснюється тим, що із збільшенням напруги збільшується число зарядів, які надходять із об’єму газу на електроди. Оскільки густина струму J = enu , струм в газі визначається рухом іонів обох знаків, то для густини струму в газі одержимо:
де
де
Порівнюючи цей вираз з законом Ома
одержимо питому електропровідність газу
Рухливість іонів чисельно дорівнює швидкості їх напрямленого руху при напруженості поля E = 1В/м. Закон Ома виконується для напруг, менших При подальшому збільшенні напруги (
де в – відстань між електродами. Струм насичення не залежить від напруги і являється важливою характерною несамостійного розряду. Але якщо й дальше збільшувати напруги то струм в газі почне різко збільшуватись (ділянка СД) і несамостійний газовий розряд перетворюється в самостійний – це такий розряд, який зберігається після припинення дії іонізатора. Причому газ починає інтенсивно світитись за рахунок рекомбінації зарядів. Напруга, при якій несамостійний розряд перетворюється в самостійний називається напругою запалювання, або напругою пробою При самостійному розряді заряди в газі утворюються за рахунок ударної іонізації. А це можливо тоді, коли під дією зовнішнього електричного поля електрон на шляху вільного пробігу набуває енергії, більшої за енергію (роботу) іонізації. При непружному зіткненні електрона з атомом газу виникають позитивний іон і один новий електрон. При наступному непрожному удару вже двох електронів з атомами виникає додатково ще два нових електрони і т.д. Такий процес називають електронною, або іонною лавиною. Але цього недостатньо. Щоб розряд був самостійним, щоб електронні лавини підтримували самі себе, треба щоб у газі відбувався ще один процес, в результаті якого утворювалися б нові електрони. Це може бути вторинна електронна емісія, фотоіонізація газу. Внаслідок електронної лавинної іонізації струм самостійного газового розряду (рис.2 СД) різко зростає і його необхідно обмежувати. Для цього послідовно з газовим розрядом включають навантаження (дросель або резистор). ВИДИ САМОСТІЙНОГО РОЗРЯДУ Самостійний розряд розпочинається тоді, коли на довжині вільного пробігу електрон в електричному полі набуває кінетичну енергію достатню для іонізації атомів чи молекул. Причому, після кожного зіткнення кількість електронів подвоюється і загальна кількість зарядів в газі різко збільшується, утворюється лавина зарядів. Сила струму, що виникає при самостійному розряді визначається за формулою:
де Існує декілька видів самостійного розряду: тліючий, іскровий, дуговий, коронний. Тліючий розряд виникає при малих тисках газу (p» 1мм рт.ст.) і характеризується тліючим свіченням поверхні катода, а в розрядному просторі виникає ряд світлих і темних ділянок (рис. 3).
Рис. 3 Ділянки мають назву: 1 – астоновий темний простір. 2 – катодне світіння. 3 - темний круксовий простір. 4 - тліюче (від’ємне) світіння. 5 - темний фардеєвий простір. 6 - позитивний світний стовп. Важливу роль в механіці тліючого розряду відіграє катодний спад потенціалу (рис.3). Під дією поля в цій області ( 1 ) електрони набувають енергію достатню для збудження молекул і світіння яких створює в катодну плівку ( 2 ). Позитивні іони в цьому просторі вибивають з катоду вторинні електрони, які необхідні для підтримання розряду. Темний круксовий простір ( 3 ) пояснюється тим, що електрони в цьому проміжку мають ще невелику енергію і пролітаючи її прискорюються настільки що в області ( 4 ) іонізують атоми і молекули тому за рахунок рекомбінації виникає тліюче свічення ( 4 ). Потім знову йде прискорення електронів ( 5 ) до енергії достатньої для збудження та іонізації молекул і в цьому просторі виникає позитивний світний стовп ( 6 ). Тліючий розряд має важливе практичне використання: в люмінесцентних лампах, рекламній справі, різних сигнальних неонових лампах, в газових стабілізаторах, цифрових індикаторах і ін. Коронний розряд спостерігається при порівняно високих тисках газу (атмосферний тиск), що знаходиться в досить неоднорідному електричному полі. Таке поле створюється, якщо один з електродів має значну кривизну (дротина, вістря і ін.) При досягненні напруженості 3.106 В/м електричного поля біля електрода з великою кривизною виникає свічення, що має форму корони. Коронний розряд займає проміжне положення між тліючим і іскровим розрядом. Коронний розряд необхідно враховувати в техніці високих напруг, оскільки при цьому відбуваються втрати електричної енергії. Коронний розряд використовують в електричних фільтрах, призначених для очищення промислових газів від твердих і рідких домішок (дим при виробництві сірчаної кислоти, в металургії і ін.). Іскровий розряд виникає, коли напруженість поля досягає напруженості пробою (або запалювання). Для повітря при атмосферному тиску напруженість пробою рівна 30 000 В/см. А взагалі напруженість пробою залежить від роду газу, його стану та від форми електродів. Іскровий розряд має форму вигнутого каналу, що яскраво світиться. Через канал розряду проходить значний струм, тому температура досягає 104 градусів і внаслідок цього утворюються ударні хвилі і виникають звукові ефекти. Початок іскрового розряду виникає внаслідок ударної іонізації і має коливальний характер. Механізм іскрового розряду пояснюється стримерною теорією. При рекомбінації виникають ультрафіолетові промені, які викликають фотоіонізацію атомів (молекул) в різних точках простору між електродами. В цих точках починаються лавинні розряди – стримери, які потім об’єднуються, утворюючи іскру (рис. 4).
Рис. 4 В твердих діелектриках іскра залишає отвори. Найбільшу пробивну напругу в твердих діелектриках має слюда (до 10 000 В/см). Дуговий розряд виникає, якщо зблизити електроди (вугільні) до дотикання, а потім трохи ( 5 км ) розвести їх. Тоді між електродами виникає розряд, який називають дуговим. Сама так у 1802 році В.В.Петров відкрив дуговий розряд. При дуговому розряді протікає струм в десятки ампер, при напрузі 40-50 В. При горінні дуги катод загострюється, а на аноді утворюється заглибина-кратер дуги. При атмосферному тиску температура катоду досягає 3500оС, а в кратері анода – 4000оС. Велика електропровідність дуги пояснюється термоелектронною емісією із катода. При збільшенні струму (за рахунок зменшення зовнішнього опору) збільшується електропровідність дуги і тому зменшується напруга на розрядному проміжку, внаслідок чого ВАХ є падаючою (рис. 5).
Рис. 5 Електрична дуга широко використовується на практиці: як потужне джерело світло ( в прожекторах ), в ртутних випрямлячах змінного струму, а дугових печах, в електрозварюванні і ін. ПОНЯТТЯ ПРО ПЛАЗМУ Плазмою називають газ в стані великого ступеня іонізації. Плазма-особливий стан речовини – це суміш електронів, позитивних іонів та нейтральних атомів, це найбільш поширений стан речовини в природі. В такому стані знаходиться речовина в надрах Сонця і других зірок, температура яких досягає десятків міліонів градусів. Одним із методів іонізації газу є його нагрівання. При збільшенні температури збільшується швидкість атомів газу, тому при їх зіткненні виникає ударна іонізація. При температурах 10 000оК і більше всі речовини існують в вигляді плазми і речовина перебуває в вигляді суміші “голих” ядер та електронів. Така плазма термодинамічно рівноважна. Плазма, яка виникла внаслідок нагрівання речовини до високої температури називається високотемпературною (гарячою), або ізотермічною. Плазма, що виникає при газовому розряді, називається газорозрядною (холодною). В такій плазмі іонізація відбувається за рахунок енергії зовнішнього електричного поля. Причому газорозрядна плазма термодинамічно не рівноважна і при виключенні електричного поля плазма миттю зникає. Особливу різновидність плазми являє собою іоносфера (один із шарів атмосфери Землі). Причому, в іоносфері іонізація відбувається під дією космічних променів та випромінювання Сонця. Вивчення показало, що плазма має такі властивості: 1. В цілому плазма квазінейтральна, тобто для будь-якого об’єму плазми DV її сумарний заряд дорівнює нулю. 2. Плазма має високу електропровідність, внаслідок великої концентрації носіїв зарядів. 3. Плазма інтенсивно взаємодіє з зовнішніми електричними і магнітними полями, електромагнітні хвилі відбиваються від плазми (радіозв’язок). 4. Електрони в плазмі мають максвелівський розподіл по швидкостям. Основні зусилля вчених направлені на вивчення тих напрямків дослідження плазми, які є перспективними з точки зору практичного використання плазми. Як вважають вчені основний практичний інтерес фізики плазми зв’язаний з проблемою керованого термоядерного синтезу, а це відкриває доступ до необмежених запасів енергії. Крім цього створюються плазмові двигуни, магнітогідродинамічні генератори (МГД), які безпосередньо перетворюють теплову енергію в електричну і т.д. ВИСНОВКИ 1. Струм може проходити через газ тільки в тому випадку, якщо частина атомів (молекул) газу буде іонізована. Іонізатором може бути нагрівання газу, опромінювання видимим світлом, УФС, бомбардування електронами і ін. 2. Газовий розряд називають несамостійним, якщо електропровідність обумовлена зовнішнім іонізатором, якщо ж електропровідність обумовлена ударною іонізацією то такий розряд називають самостійним. Самостійний розряд (тліючий, іскровий, коронний, дуговий) широко використовуються на практиці – для освітлення, в різних електровакуумних приладах, дугове зварювання і багато іншого. 3. Плазма – це найпоширеніший стан речовини в просторі і вивчення її, та використання властивостей має велике практичне значення в тому числі для офіцерів-зв’язківців, оскільки плазма іоносфери впливає на розповсюдження радіохвиль. НАВЧАЛЬНА ЛІТЕРАТУРА 1. Гусева Г.Б. Курс физики. §52-54 2. Савельев И.В. Курс физики, т.2, Курс общей физики.-М.: 1989. § 88-91 3. Трофимова Т.И. Курс физики,-М.: Высшая школа, 1985, 432 с. § 107-109 |














