Курсовая работа: Расчет привода ленточного конвейера с цилиндрическим одноступенчатым редуктором и цепной передачей
|
Название: Расчет привода ленточного конвейера с цилиндрическим одноступенчатым редуктором и цепной передачей Раздел: Промышленность, производство Тип: курсовая работа | ||||||||||||||||||||||||||||||||||||
ФГОУ ВПО БЕЛГОРОДСКАЯ ГОСУДАРСТВЕННАЯ СЕЛЬСКОХОЗЯЙСТВЕННАЯ АКАДЕМИЯ Кафедра общетехнических дисциплин КУРСОВАЯ РАБОТА по механике ТЕМА «Расчет привода ленточного конвейера с цилиндрическим одноступенчатым редуктором и цепной передачей» (Курсовое задание №1. Вариант №2) Выполнил студент инженерного факультета 36 группы Дёмин Денис. Научный руководитель: Мамедов Ариф Алиевич Белгород 2008 Содержание Исходные данные Введение 1. Классификация приводов машин 2. Условия эксплуатации, ресурс приводного устройства 3. Энергетический расчет привода 4. Выбор стандартного редуктора 5. Выбор муфты 6. Расчет цепной передачи 7. Расчет вала ведомой звездочки цепной передачи 8. Расчет шпоночного соединения 9. Технико-экономическая характеристика и стоимость проекта Список используемой литературы Приложение Введение Значительная часть потребностей человека связана с техникой. Этим объясняется необходимость грамотного обращения при оказании услуг с механизмами, приборами, аппаратами и сооружениями, являющимися составной частью систем сервиса. Большинство этих устройств входит в состав машин, которые преобразуют энергию, материал и информацию с целью облегчения физического и умственного труда человека. Поэтому, изучение элементов этих машин, их взаимодействия в рамках курсовой работы по дисциплине «Механика» позволяет охватить существующий спектр вопросов, возникающих на практике при использовании современной техники. Курсовая работа оформлена в виде расчетно-пояснительной записки общим объемом 31 страниц машинописного текста, выполненной на листах формата А4, в соответствии с ЕСКД и графической части (лист формата А4х4), которая является Приложением А к расчетно-пояснительной записке. Курсовая работа выполнялась по индивидуальному заданию по рекомендациям, изложенным в учебно-методическом пособии [1], в соответствии с планом курсовой работы, который приведен в Приложении Б. 1. Классификация приводов машин Классификация приводов машин производится по виду энергии, используемой для создания рабочего усилия или момента. В зависимости от типа, назначения и характера работы машины механизмы ее могут иметь в основном два вида привода: машинный и ручной. Машинный привод имеет следующие разновидности: электрический, от двигателя внутреннего сгорания, гидравлический, пневматический и, в настоящее время - реже, паровой. Кроме того, в ряде машин находит применение комбинированный привод, как, например, дизель электрический, электрогидравлический и электропневматический. В современных машинах в основном применяется электрический привод, который имеет ряд преимуществ: 1) постоянная готовность к действию; 2) возможность установки самостоятельного электропривода к каждому механизму, что упрощает конструкцию и управление механизмами; 3) высокая экономичность; 4) легкость регулирования скорости в значительных пределах; 5) надежность работы предохранительных устройств; 6) возможность работы со значительными кратковременными перегрузками. Определение рациональности применения различных типов приводов следует производить на основе анализа экономических и конструктивно-эксплуатационных показателей, из которых основными являются себестоимость транспортирования, энергетические показатели, надежность работы и независимость от действия условий окружающей среды, удобство управления, технологичность конструкции. 2. Условия эксплуатации, ресурс приводного устройства Выбор элементов привода, материалов для их изготовления, значений различных коэффициентов при проведении расчетов и многое другое обуславливается условиями эксплуатации и предполагаемым сроком службы привода. К условиям эксплуатации относятся различные производственные и климатические параметры, такие как: состав и концентрация пыли, влажность и температура воздуха в течение года, насыщение парами различных химических веществ, пожаро- и взрывобезопасность, характер действующих нагрузок (статических и динамических), вибрация, продолжительность безостановочной работы и сменность, частота включений, особенности монтажа и смазки элементов привода и многое другое. Для стандартизованных элементов привода машин требования к устойчивости при внешних воздействиях установлены в соответствующей нормативно-технической документации (ГОСТах). При проведении расчетов условия эксплуатации учитываются путем использования рекомендованных значений различных коэффициентов, численные значения которых принимаются из справочной литературы. Ресурс приводного устройства ограничивается ресурсом его наиболее слабого элемента. В связи с этим, при проведении расчетов необходимо определять срок службы проектируемой передачи или другого элемента привода. Существенно повысить ресурс вновь разрабатываемого привода можно, используя принцип унификации и блочности, который заключается в применении стандартизованных (имеющих высокие технико-экономические показатели) узлов, соединенных между собой посредством легкоразъемных элементов. 3. Энергетический расчет привода 3.1 Определение мощности и частоты вращения электродвигателя При заданной схеме привода ориентировочная мощность двигателя с учетом потерь в приводе равна:
где Nдв.тр – требуемая мощность двигателя, кВт; Nном – номинальная мощность на выходим валу проектируемого привода, кВт ηобщ – общий коэффициент полезного действия (к.п.д.) привода
где F– сила на ленте конвейера, Н; V– скорость движения ленты, м/с.
Общий к.п.д. привода вычисляется как произведение частных к.п.д. отдельных элементов:
где ηз – к.п.д. пары зубчатых колес, ηн – к.п.д. пары подшипников, ηв – к.п.д. опоры вала барабана, ηц – к.п.д. цепной передачи, Так как при установке двигателя и редуктора на общей раме допуски на соосность валов незначительные, то для упругих быстроходных муфт следует принимать к.п.д. ближе к верхнему пределу.
Подставляем значения величин в формулу:
Для определения угловой скорости вала электродвигателя находят пределы угловой скорости вала двигателя по заданной угловой скорости выходного вала привода или ведущего вала рабочей машины и ориентировочным значением передаточных передач, входящих в рассчитываемый привод.
где ωдв.тр. – требуемая угловая скорость вала электродвигателя, рад/с ωв – угловая скорость вала ведомой звездочки цепной передачи, рад/с Uобщ.мин. и Uобщ.макс. – соответственно минимальное и максимальное общее передаточное число привода. Общее придаточное число равно произведению передаточных чисел частных передач, входящих в привод и соединенных последовательно.
где U1 ,U2 …Ui – рекомендуемые передаточные числа отдельных передач, входящих в привод.
Вычисляем угловую скорость вала ведомой звездочки цепной передачи:
Находим требуемые угловые скорости вала электродвигателя для максимального и минимального значений.
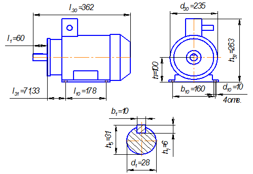
После вычисления пределы угловой скорости получились больше или меньше угловых скоростей магнитного поля статора существующих электродвигателей. В этом случае ориентируемся на двигатель, у которого угловая скорость наиболее близка к средним расчетным значениям ωдв.тр . После определения требуемой мощности и угловой скорости двигателя выбираем электродвигатель, наиболее полно удовлетворяющий этим требованиям по мощности Nдв.тр =4,268кВт. Наиболее подходящим оказался электродвигатель 4А100S4 с Nн =4,0кВт и ωном =157 рад/с (1420об/мин). Определяем недогрузку или перегрузку двигателя, величину которой определяем по формуле:
где ∆ – процент недогрузки двигателя; Nн – номинальная мощность выбранного двигателя, кВт; Nдв.тр. – требуемая мощность двигателя, кВт
Подобный уровень перегрузки допускается.
Рис.4.1 Электродвигатель 4А100S4 Таблица 4.1
3.2 Определение передаточного числа привода После выбора электродвигателя и установления его исполнения следует вычислить фактическое значение общего передаточного числа привода. При этом используют такую зависимость:
где Uобщ. – фактическое значение общего передаточного числа привода; ωном – угловая скорость вала ротора электродвигателя при номинальной нагрузке, рад/с;
nном – частота вращения вала ротора электродвигателя при номинальной нагрузке, об/мин.
Общее передаточное число необходимо распределить между отдельными передаточными входящими в состав привода. но так как общее передаточное число равно произведению частных передаточных чисел, то задаются значениями их кроме одного. В практике расчета приводов конструкторы обычно производят в нескольких вариантах распределение передаточных чисел после анализа их стоимости, габаритных размеров и технологичности конструкции останавливаются на одном из них. При выполнении курсового проекта обычно делают одно вычисление, причем выбор передаточных чисел можно считать удовлетворительным, если общее передаточное числоравномерно распределено между редуктором и цепной передачей. Значения передаточных чисел уточняются при окончательном расчете передач, в частности, при определении числа зубьев шестерни и колеса зубчатых передач или при определении расчетных диаметров шкивов ременных передач, а так же числа зубьев звездочек цепных передач. В последующих расчетах определяется момент на каждом валу привода с учетом потерь в передачах и других элементах трансмиссии, которые должны произойти до тех пор, пока обеспечится вращение рассматриваемого вала. При этом в расчет принимается требуемая мощность двигателя. 3.3 Определение силовых и кинематических параметров привода Считаем, что двигатель привода обладает существенно жесткой механической характеристикой и поэтому частота вращения его вала постоянна и равна номинальной при любом изменении нагрузки. Угловая скорость вала ротора электродвигателя при номинальной нагрузке равна,
Угловая скорость каждого ведущего вала привода определяется по формуле:
где Ui =U1 ,U2 …Un – произведение передаточных чисел передач от двигателя до данного вала. Угловая скорость выходного вала редуктора:
Угловая скорость ведомого колеса цепной передачи:
Мощность на ведущих валах передач привода определяется по формуле:
где ηi общ – произведение к.п.д. отдельных элементов привода от выходного вала до данного ведущего вала.
Крутящий момент на ведущем валу передачи определяют по такой зависимости:
Крутящий момент на валу электропривода.
где Мi – крутящий момент на рассматриваемом валу, Нм Ni – мощность на рассматриваемом валу, кВт ωi – угловая скорость рассматриваемого вала, рад/с.
Результаты расчетов этого раздела являются исходными данными для дальнейших расчетов элементов привода. 4. Выбор стандартного редуктора По каталогу выбираем цилиндрический одноступенчатый редуктор ЦУ-160-3,15-33У2 ГОСТ21425-75, параметры заносим в таблицу 5.1. Таблица 4.1
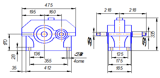
На рисунке 4.1 приведен эскиз выбранного редуктора.
Рис. 4.1 Редуктор ЦУ-160-3,15-33-У2 ГОСТ21426-75 5. Выбор и расчет муфты Так как привод устанавливается на прочном и жестком основании при минимальной несоосности валов, то в качестве муфт выбираем упругую втулочно-пальцевую муфту по ГОСТ 21424-75. Выбор производим по условию: Мр i <М, где Мр i – расчетный крутящие моменты М – паспортный крутящие моменты, причем Мр
i
,=К Мi – передаваемый расчетный крутящий момент i-ой муфты. М1
=26,9Н Мр1
= К Заданному условию для обеих муфт удовлетворяет Муфта 500-55-3-УЗ ГОСТ21424-75. Параметры муфты взяты по каталогу [3, т.2, с.263] и приведены в таблице 6.1 и рисунке 6.1. Таблица 5.1.
Рис. 5.1 Муфта 500-55-3-УЗ ГОСТ21424-75 6. Расчет цепной передачи Цепные передачи применяют в тех случаях, когда расстояние между валами слишком малы для ременной передачи или велико для зубчатых передач. Преимущество цепной передачи состоит в том, что она обеспечивает постоянство передаточного отношения, имеет малые габариты и вызывает меньшую нагрузку на валы, так как не требует предварительного натяжения. Цепные передачи имеют высокий к.п.д., могут осуществлять передачу значительных мощностей. Недостатка цепной передачи: повышенная виброактивность и шум вследствие пульсации скорости цепи и динамических нагрузок, интенсивный износ шарниров вследствие трения и трудностей смазки, вытягивание цепи из-за износа шарниров и удлинения пластин. Исходными данными для расчета являются: мощность на валу ведущей звездочки Ni =3,73 кВт; угловая скорость вращения этого вала ω2 =47,17 рад/с; передаточное число передачи Uц =12,4. Дополнительными данными являются: - угол наклона передачи к горизонту α=45°; - нагрузка - неравномерная; - число смен работы – 1; - способ регулирования цепной передачи - нажимной звездочкой; - способ смазки - периодический. 6.1 Выбор шага цепи Плотность, долговечность и бесшумность работы цепной передачи в значительной степени зависит от величины шага цепи: чем меньше шаг, тем меньше динамические нагрузки и выше качество работы передачи. В связи с этим при проектировании цепной передачи следует стремиться к выбору меньшего шага цепи. С другой стороны, нагрузочная способность цепи возрастает с увеличением шага. Величина шага цепи ограничивает максимально допустимым значением угловой скорости малой звездочки ω1мах с учетом рекомендуемых значений угловой скорости ω1рек для втулочно-роликовых цепей. Угловая скорость малой звездочки ωз =47,17 рад/с. Это значение находится в промежутке между ω1рек = 42рад/с и ω1мах =63рад/с, что соответствует численному значению шага t=44,45мм. 6.2 Определение числа зубьев ведущей звездочки
6.3 Определение числа зубьев ведомой звездочки:
6.4 Определение расчетного шага цепи Предварительно выбираем шаг цепи 44,45 мм.
где N= 3,73 - мощность на валу ведущей звездочки, кВт; S1 =4,72 - коэффициент для цепи типа ПР по ГОСТ 13568-75; Z1 =15 - число зубьев ведущей звездочки; n1 =450 - частота вращения ведущего вала, об/мин; Кт - коэффициент рядности цепи (для предварительных расчетов принимаем Кт =1,0); [р] =18,21МПа- табличное допустимое удельное давление в шарнире, определяемое интерполяцией табличных данных, в зависимости от частоты вращения ведущей звездочки n1 и предполагаемого шага цепи равного t=44,45 мм. Кэ – коэффициент эксплуатации, определяемый по формуле: Кэ
=Кд
здесь Кд =1,1 - коэффициент характера нагрузки; Крег =1,1 - коэффициент способа регулирования провисания цепи с помощью нажимной звездочкой; Кн =1 - коэффициент наклона передачи к горизонту при а=45 ° <70°; Ксм =1,4 - коэффициент смазки при нерегулярной смазке; Креж = 1 - коэффициент режима при односменной работе; Ка =0,8 - коэффициент длины цепи (предположительно межосевое расстояние будет соответствовать благоприятному значению А= (30-50)t
6.5 Определение стандартного шага цепи Принимаем значение стандартного шага цепи t=25,4 мм, что не соответствует ранее принятым предположениям. По стандарту принимаем цепь ПР-25,4-6000, у которого шаг цепи t=25,4, Q=6000H, Son =1,79мм2 . Проверяем условие na <nmax При t=25,4мм nmax =1420об/мин, следовательно условие выполняется. Средняя скорость цепи V не должна превышать максимального допустимого значения Vmax , т.е. должно выполняться условие: где 20,23<5,61, следовательно условие выполнилось. 6.6 Расчет межосевого расстояния Межосевое расстояние определяется по формуле : a = at ·t, где аt – межосевое расстояние в шагах (для благоприятных условий работы цепи: at =30…50)
В реальных с/х машинах межосевое расстояние может быть наперед задано, исходя из конструкционных соображений. Следует иметь в виду, что предельные значения МОР ограничены соотношениями: amax = 80·t amin = 0.6·(De1 +De2 )+(30…50), мм где De 1 и De 2 – диаметры окружностей выступов ведущей и ведомой звездочки, мм 6.7 Окружное усилие, передаваемое цепью.
6.8 Среднее удельное давление на шарнирах цепи.
что меньше допускаемого удельного давления [р] =18,21МПа, при частоте вращения ведущего вала nA =450,7об/мин. 6.9 Определение срока службы цепи.
где ∆t=3% - допускаемое увеличение шага цепи.
здесь КСМ = 1,4 для нерегулируемой смазки. Кэ – коэффициент эксплуатации что больше ожидаемого срока службы Т=2000* КСМ =2000*1,4=2800 часов. 6.10 Проверка запаса прочности цепи. Запас прочности цепи определяется по формуле:
где Qразр = 6000 Н - разрушающая нагрузка; Fs- натяжение в ведущей ветви цепи, которая определяется по формуле:
где Ft = 5650Н - окружная сила Fд = 1,4 - коэффициент характера нагрузки Ff - сила натяжения цепи от провисания, Н; FЦ - сила натяжения цепи от центробежных сил, Н, при скорости цепи V=0,23<12 м/с центробежная сила мала и ее не учитывают, FЦ =0. Силы Ff определяем по формуле:
где Кf = 4 - коэффициент, зависящий от угла наклона передачи к горизонту α=40; q=l,9 кг/м- погонная масса цепи; а= 40t = 1,016м - межосевое расстояние; g= 9,81 м/с2 - ускорение свободного падения; Итак, Тогда запас прочности:
что больше допускаемого [n] = 6,8 [1, Приложение 2, таблица 2.20]. 6.11 Геометрический расчет передачи Межосевое расстояние а = 1016мм (см. п.8.5). Число зубьев ведомой звездочки Z2 = 120 (см. п.8.2). Расчет числа звеньев цепи:
где
Полученное значение числа звеньев Lt принимаем ближайшим чётным для более равномерного износа: Lt=154. Длина цепи L = Lt*t= 154*25,4 =3911,6мм. Уточнение межосевого расстояния
Для обеспечения провисания цепи межосевое расстояние уменьшают на (0,002÷0,004) Аут [3, т.2, стр.41]: Аут = 0,997*а = 0,997*1019=1016мм. Диаметр окружности выступов звездочки определяется по формуле:
ведущая ведомая Кроме определенных ранее сил Ft, Fq и Fц, необходимо рассчитать усилие R, действующие на валы ведущей и ведомой звездочки, которые можно определить как:
Полученное значение необходимо сравнить с номинальной радиальной нагрузкой на быстроходном валу Fб. hom =1000 Н (см. таблицу 5.1). Должно выполняться условие: R < Fб. hom . R=6780H < Fб. hom =1000 H - условие не выполняется. Как отмечалось ранее (см. п.7.29), подобрать более мощный редуктор не представляется возможным. Для решения возникшей проблемы необходимо разгрузить быстроходный вал редуктора со стороны цепной передачи, например, установив ведущую звездочку цепной передачи на отдельных опорах с подшипниками качения и соединив вал этой звездочки с быстроходным валом редуктора с помощью компенсирующей муфты. Потери мощности на дополнительных опорах и муфте будут компенсированы запасом мощности выбранного электродвигателя. 7. Расчет вала ведомой звездочки цепной передачи В процессе эксплуатации валы передач испытывают деформации от действия внешних сил, масс самих валов и насаженных на них деталей. Однако в типовых передачах, разрабатываемых в курсовых проектах, массы валов и деталей, насаженных на них, сравнительно невелики,, поэтому их влиянием обычно пренебрегают, ограничиваясь анализом и учетом внешних сил, возникающих в процессе работы. В цилиндрической прямозубой передаче силу в зацеплении одной пары зубьев раскладывают на две взаимно перпендикулярные составляющие (рис. 5,1): окружную силу
и радиальную
здесь Ft и Fr – действующие силы, Н ; Р - передаваемая мощность, Вт ; v- окружная скорость, м/с; α - угол зацепления.
Рис. 7.1 Цилиндрическая прямозубая передача В цепной передаче нагрузка на валы звездочек, направлена по линии центров звездочек
где Fл - окружная сила на звездочке, Н, Fл =10кН; к1 - коэффициент, учитывающий влияние провисания цепи; q- масса одного метра цепи, кг/м; а - межосевое расстояние, м.
Валы предназначены для передачи крутящего момента вдоль своей оси и поддержания вращающихся деталей (зубчатых колес, шкивов, звездочек, полумуфт и т.д.). Основными критериями работоспособности валов являются их прочность и жесткость. Во время работы они испытывают деформации кручения, изгиба и растяжения (сжатия), т.е. материал вала находится в сложном напряженном состоянии. Силовыми факторами вызывающими указанные деформации, являются сосредоточенные силы и моменты: крутящий момент; силы, действующие в зубчатом зацеплении; or натяжения ремней и цепей, а так же радиальные силы, возникающие в муфтах вследствие неизбежной несоосности соединяемых валов. Проектированиевала начинают с определения диаметра выходного конца его из расчета на чистое кручение по пониженному допускаемому напряжению без учёта влияния изгиба
где М - крутящий момент, Н мм; [г]к - допускаемое напряжение на кручении: для валов из сталей 40,45,Ст6 принимают пониженное значение [гк] = 15-20 (Н/мм2 ).
Полученный результат округляют до ближайшего большего значения из стандартного ряда: 64мм. Для редукторов общего назначения рекомендуем изготовлять валы одинакового диаметра по всей длине. Однако для облегчения монтажа подшипников, зубчатых колёс и других деталей применяют и ступенчатую конструкцию вала. Для удобства соединения вала редуктора с валом электродвигателя стандартной муфтой соблюдают условие, чтобы диаметры соединяемых валов, отличающиеся не более, чем на 20%. Наметив конструкцию вала, установив основные размеры его (диаметры и длины участков вала, расстояние между серединами опор и др.), выполняют уточненный расчет валов т.е. проверочный расчет для определения коэффициента запаса прочности S в опасных сечениях:
где Sδ – коэффициент запаса прочности по нормальным напряжениям; δ-1 – предел выносливости стали при симметричном цикле изгиба (для углеродистых конструкционных сталей δ-1 =0,43*β МПа); Кδ – эффективный коэффициент концентрации нормальных напряжений. В углеродистом расчете Rδ ≈ 1,5, Кτ ≈ 1,2. εδ – масштабный фактор для нормальных напряжений, εδ ≈ 0,7; ετ ≈ 0,6; β – коэффициент учитывающий шероховатости поверхности, β ≈ 0,95; δν – амплитуда цикла нормальных напряжений, равная наибольшему напряжению изгиба δ4 в рассматриваемом сечении; δm – среднее напряжение цикла нормальных напряжений; если осевая нагрузка на вал отсутствует, то принимают δm = 0; в противном случае:
ψδ = 0,2 – для углеродистых сталей
где Sτ – коэффициент запаса прочности по касательным напряжениям τ-1 – предел выносливости стали при симметричном цикле кручения (τ-1 =0.58δ-1 МПа) ψδ = 0,1 – для углеродистых сталей
где Wk - момент сопротивления кручения Расчетное значение S не ниже допускаемого [S]=2.5 8. Расчет шпоночных соединений Для удобства сборки и разборки узла вала, замены подшипников и других насаживаемых деталей вал выполняют ступенчатым. По конструкции шпонки бывают призматические и сегментные. Длинна шпонки; при спокойной нагрузке [δ]см <100МПа; при колебаниях нагрузки следует снижать [δ]см на 20-г 25%; при ударной нагрузке снижать на 40-50%, для насаживаемых на вал чугунных деталей [δ]см снижать вдвое. Если окажется δ СМ > [δ]см, то допускается установка других шпонок под углом 180°, однако рациональнее перейти на шлицевое соединение. Шлицевые соединения надежнее шпоночных, в особенности при переменных нагрузках; в них допускается более точная центровка деталей на валу, облегчает перемещение подвижных деталей вдоль на валу. Материал шпонок — сталь чисто тянутая с временным сопротивлением разрыва не менее 590 МПа. Длину шпонки назначают из стандартного ряда так, что бы она была меньше длинны ступицы на 5-10мм. Выбираем шпонку 18*11*60
Рис. 8.1 Шпонка призматическая 18*11*60 Напряжение снятия узких граней шпонки не должно превышать допустимого
Т – вращающий момент Нмм; d – диаметр вала в месте установки шпонки; Асм - площадь смятия, Асм = (h-t1 )* 1р ; 9. Технико-экономическая характеристика и стоимость проекта Технико-экономический анализ проекта в полном объеме не проводился, так как это зависит от многих факторов. Например, первичные цены стандартных устройств устанавливает предприятие-изготовитель, которые работает с корпоративным заказчиком по оптовым ценам. Дилеры предлагают большой ассортимент продукции разных производителей при большом разбросе розничных цен, существенно отличающихся от оптовых. Кроме того, для данного проекта необходимо проектировать специальную раму, на которой будут монтироваться элементы привода, и фундамент для установки всего привода. Стоимость этих работ можно оценить после соответствующей технической проработки. Однако, эти вопросы не входили в объем курсового проектирования. Экономическую оценку проекта проведем, учитывая стоимость только наиболее дорогих элементов привода: электродвигателя (8500 руб, см. п.4.2), редуктора (10400 руб) и муфт (1300 руб). Общая стоимость этих элементов составляет 21200 рублей. Список литературы 1. О.Н. Левитский, Н.И. Левитская " Курс теории механизмов и машин", М,ВШ, 1985г. 2. А.А. Эрдеди, Ю.А. Медведев " Техническая механика", М, "ВШ", 1991. 3. Е.А. Сигаев, "Сопротивление материалов", ч-1, Кемерово Кузбассвузиздат, 2002г. 4. Г.Г. Баловнев, Ю.В. Чернов "Сборник задач по сопротивлению материалов", М, изд-во МСХА, 1993г. 5. В.В. Красников и др., "Подъёмно транспортные машины", изд-во "Колос", 1987г. 6. И.И. Устюгов, "Детали машин", М, "ВШ", 1981г. 7. С.А. Чернавский и др., "Курсовое проектирование деталей машин", М, "Машиностроение", 1988г. 8. В.И. Анурьев, "Справочник конструктора-машиностроителя", Том 1,2,3, М, "Машиностроение", 1980г. 9. А.А. Вайнсон, "Подъёмно-транспортные машины строительной промышленности". Атлас конструкций. М, "Машиностроение", 1985г. 10. Д.Н. Решетов. "Детали машин". Атлас конструкций. М, "Машиностроение", 19 8 0г. 11. А.А. Мамедов, "Механика". Конспект лекций, "Бел ГСХА", 2008г. |
||||||||||||||||||||||||||||||||||||
,



































где