Курсовая работа: Универсальный передвижной гидроагрегат
|
Название: Универсальный передвижной гидроагрегат Раздел: Рефераты по транспорту Тип: курсовая работа | ||||||||||||||||||||||||||||||||||||||||||
Национальный авиационный университет Аэрокосмический институт Кафедра технологии аэропортов Курсовая робота (пояснительная записка) дисциплина «Техника аэропортов» на тему: "Универсальный передвижной гидроагрегат" Выполнила: студентка ФЛА 407 Фернандес Медина А.Х. Проверил: Левченко В.М. Киев 2009 ЗАВДАННЯ До курсової роботи з дисципліни «Техніка аеропортів» студентки 407 ФЛА Фернандес Медіна Аліни Хорхівни Тема роботи: Самохідна Площадка Обслуговування Вихідні дані: Прототип – СПО-15М. Розробки: система – гідравлічна, агрегат – гідроциліндр. Реферат Пояснювальна записка до курсової роботи на тему «Універсальний пересувний гідроагрегат » містить 1 таблицю, 17 рисунків, 5 інформаційних джерел. Об’єкт дослідження – універсальний пересувний гідроагрегат УПГ-300. Мета роботи – вивчення конструкції, призначення, принципу роботи головних систем універсального пересувного гідроагрегату УПГ-300. В ході курсової роботи було зроблено загальну характеристику універсального пересувного гідроагрегату, особливості конструкції його вузлів та агрегатів та його спеціального обладнання. Також наведені технічні характеристики УПГ-300 і детально розглянуто їх принцип роботи. Результати курсової роботи рекомендується використовувати в практичній діяльності підприємства. універсальний пересувний гідроагрегат, упг-300, гідравлічна система, пневматична система, електрообладнання, гідросистема, силова установка, гідротрансформатор, спецмашина Вступление Установка для проверки гидросистем УПГ-300 разработана на Куйбышевском заводе аэродромного оборудования "Старт" на шасси ЗиЛ-131. Выпускается серийно. УПГ-300 предназначена для проверки гидравлических систем летательных аппаратов в наземных условиях. С её помощью выполняется подача жидкости в гидросистемы летательных аппаратов с необходимым давлением и подачей, проверка на герметичность и опрессовку агрегатов и гидросистем летательных аппаратов и гидроустановок, дозаправка рабочей жидкостью гидросистем летательных аппаратов, подача азота (воздуха) для создания поддавливания в гидробаках летательных аппаратов и гидроустановок, зарядка азотом пневмогидроагрегатов, проверка агрегатов гидросистем летательных аппаратов на работоспособность, питание электрическим током агрегатов, связанных с работой гидросистем летательных аппаратов и гидроустановок. Автомобиль может эксплуатироваться при температуре окружающего воздуха ±45°C. Автомобиль оснащён тремя гидравлическими системами (рабочая жидкость 7-50С-3, АМГ-10 или НГЖ-4), которые могут обслуживать одновременно три независимые системы ЛА или могут быть объединены для обслуживания двух или одной систем. В кузове установлены 2 баллона АБ-350 ёмкостью 40 л с азотом или воздухом. Электрооборудование включает генератор постоянного тока ГСР-СТ-12/40, 2 аккумуляторные батареи 6СТ-132ЭМС и пускорегулирующую аппаратуту. В комплект входит шланг поддавливания длиной 20 м. Модификации автомобиля: •А28М-0000-0 - с рабочей жидкостью 7-50С-3 или АМГ-10. •А28М1-0000-0 - с рабочей жидкостью НГЖ-4. Технические характеристики
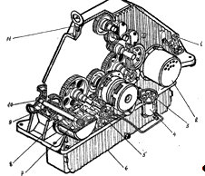
Цель курсовой работы заключается в закреплении знаний о спецмашине, которые были получены в процессе изучения дисциплины, и получении навыков практического применения знаний при решении заданий по конструированию специальных машин и механизмов аэропортов. Задание для курсовой работы предполагает ознакомление с существующими образцами спецмашины, описание этих образцов, описание технических характеристик спецмашины. 1. Технологическая часть Универсальный подвижный гидроагрегат предназначен для проверки гидравлических систем ВС в наземных условиях. Специальное оборудование УПГ-300: смонтировано в специальном металлическом кузове, устанавливаемо" на шасси автомобиля ЗИЛ-131,и состоит из силовой установки, гидравлического оборудования, пневматической и электрической систем. Силовая установка включает двигатель и раздаточную коробку. От двигателя крутящий момент передается через раздаточную коробку к генератору постоянного тока, гидравлическим насосам, осевому вентилятору блока радиатора гидросистемы и масляному насосу. Гидравлическое оборудование УПГ-300 состоит из трех одинаковых независимых гидравлических систем и системы ручного насоса. Гидравлические системы имеют агрегаты и аппаратуру регулирования давления и производительности, радиаторы охлаждения рабочей жидкости, шланги для подключения к бортовым разъемам ВС и приборы, контроля. Пневматическая система состоит из двух баллонов сжатого газа (азота или воздуха), понижающие редукторов, шлангов, аппаратуры управления и контроля. Электрическая система состоит из генератора постоянного тока, Двух аккумуляторных батарей, кабелей питания для подключения к бортовому разъему ВС, регулирующей и контрольной аппаратуры. Органы управления и приборы контроля за работой оборудования систем размещены на панелях с левой и правой стороны кузова и в кабине водителя. Установка снабжена УКВ радиостанцией и имеет переговорное устройство СПУ-7 для связи механика-водителя с техником при проведении проверок гидросистем ВС. С помощью специального оборудования УПГ-300 можно выполнять следующие операции: - подачу жидкости в гидросистемы ВС с необходимым давлением и производительностью; - проверку на герметичность и опрессовку агрегатов и гидроустановок; - дозаправку рабочей жидкостью гидросистем ВС; - подачу азота (воздуха) для создания поддавливания в гидробаках ВС и гидроустановок; - зарядку азотом пневмогидроагрегатов; -проверку агрегатов гидросистем ВС неработоспособность; - питание электрическим током агрегатов, связанных с работой гидросистем ВС и гидроустановок. Оборудование гидроагрегатов УПГ-300 Установка УПГ-300 (рис. 1) представляет собой комплекс систем, узлов, и оборудования, в состав которого входят: кузов, силовая установка, гидравлическая система, пневматическая система (азотная), электрооборудование.
Рис. 1 Гидроагрегат УПГ-300: В отсеках с левой стороны кузова размещены: 1 — панель управления электрооборудованием; 2 — приборная панель управления силовой установки; 3 — приборная доска гидросистемы; 4 — приборная доска пневмосистемы; 5 — приборная доска ручного насоса; 6 — установка агрегатов линии всасывания; 7 — панель выводов пневмосистемы; 8 — шланг всасывания; 9 — подвесной отсек; 10 — аккумуляторная батарея; 11 — ЗИП; 12 – лебедка.
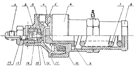
В отсеках с правой стороны кузова размещены: 1. панель управления заправкой; 2. панель кольцевания; 3. панель выводов гидросистемы; 4. панель агрегатов нагнетания с выводами напорных магистралей и нагнетательными шлангами; 5. гидробак; 6. электрокабели, 7. силовой блок электрооборудования; 8. аккумуляторная батарея; 9. технический отдел; 10. габаритные огни; 11. бензобак. Кузов металлический, специальный, в отсеках и нишах которого смонтировано оборудование установки УПГ-300. Состоит кузов из трех основных частей: нижней части (несущей рамы), верхней части (съемного кожуха) и подвесных отсеков. Каждая часть состоит из стального каркаса и металлической обшивки, приваренной к каркасу точечной сваркой. Верхняя часть крепится к нижней болтами. Дня удобства подхода к оборудованию в кузове со всех сторон предусмотрены эксплуатационные люки. По левой стороне кузова в специальных отсеках размещены: приборные панели управления электрооборудованием и силовой установкой; приборные доски гидросистемы, системы ручного насоса и пневмосистемы; монтажная панель агрегатов линии всасывания гидросистемы с выводами всасывающих магистралей; панель выводов пневмосистемы; аккумуляторная батарея, ЗШ. В отсеках правой стороны кузова размещены: панель управления заправкой, панель кольцевания; панель выходов гидросистемы; панель агрегатов нагнетания с выводами напорных магистралей и нагнетательными шлангами; гидробак; электрокабели, силовой блок электрооборудования; аккумуляторная батарея. В отсеках задней части кузова размещены: баллоны пневмосистемы; ручка управления кранами блока радиатора; щиток выводов для подключения переговорного устройства и кабеля постоянного тока; клемная колодка; блок радиаторов гидросистемы; топливный бак силовой установки. В центральной части кузова (силовой отсек) размещена силовая установка. Силовая установка УПГ-300 (рис. 2) предназначена для привода генератора ГCP-CT-I2000 ВТ, трех гидронасосов НП-52М, осевого вентилятора блока радиаторов гидросистемы и маслонасоса раздаточной коробки.
Рис. 2 Силовая установка гидроагрегата УПГ-300 Силовая установка гидроагрегата УПГ-300 состоит из: 1 — двигатель ЗИЛ-375; 2 — раздаточная коробка; 3 — вентилятор обдува генераторов; 4 — карданный вал привода вентилятора; 5 — гидронасос НП-52М; 6 — блок радиаторов гидросистемы; 7 — вентилятор блока охлаждения гидросистемы; 8 — топливный бак; 9 — карданный вал привода механизма раздаточной коробки; 10 — муфта сцепления; 11 — фильтр топливный; 12 — выхлопные трубы; 13 — глушитель; 14 — блок масляных радиаторов; 15 — панель управления; 16 — блок водяных радиаторов; 17 — бензонасос. В состав силовой установки входят: двигатель ЗИЛ-375 со сцеплением, раздаточная коробка, система охлаждения генератора, вентилятор охлаждения блока радиаторов гидросистемы, система управления и контроля силовой установки. Двигатель ЗИЛ-375 предназначен для привода раздаточной коробки. Он установлен в силовом отсеке кузова и соединяется с раздаточной коробкой с помощью карданного вала. Двигатель V-образный, четырехтактный, карбюраторный с жидкостным охлаждением, мощностью 133 кВт (180 л.с.) при 3200 об/мин. Двигатель оборудован автономной системой питания, а также системам смазки и подогрева. Раздаточная коробка (рис. 3) предназначена дня передачи крутящего момента от двигателя к трем насосам НП-5Щ, маслонасосу МШ-ЗА, генератору ГСР-СТ-12ОО0ВТ и осевому вентилятору. Раздаточная коробка представляет собой редуктор с цилиндрическими прямозубыми шестернями внешнего зацепления, установленными в разъемном корпусе, состоящем из верхней части и поддона. Привод насоса НП-52М осуществляется включением электромагнитной муфты, которая представляет собой многодисковую муфту сухого трения с неподвижной электромагнитной катушкой. Система охлаждения генератора предназначена для принудительного отвода тепла от коллектора при помощи двух центробежных вентиляторов ДР-1 КМ. Осевой двенадцатилопастной вентилятор охлаждения блока радиаторов гидросистемы приводится в движение с помощью карданного вала. Система управления и контроля предназначена для дистанционного управления и контроля работы силовой установки. Система состоит из датчиков и указателей, размещенных на панели управления. Гидравлическая система установки УПГ-300 предназначена для разъемной проверки и отработки гидросистем самолетов, проверки их на герметичность и опрессовки, а также заправки гидросистем рабочей жидкостью. В состав гидравлической системы УПТ-300 входят (рис. 4): три основные (обслуживающие) системы, система опрессовки и система кольцевания.
Рис. 3 Раздаточная коробка 1 - редукционный клапан; 2 - электромагнитная муфта; 3 - фильтр; 4 - фильтроэлемент; 5 - маслонасос; 6 - поддон; 7 - ведущие и ведомые диски; 8 - электромагнитная муфта; 9 - ведущий вял; 10 - вёдомый вал; 11 - корпус раздаточной коробки. Для проверки и отработки гидросистем ВД гидросистема УПГ-30С подсоединяется к ВС рукавами нагнетания I и рукавами всасывания 45 при помощи наконечников. Рабочая жидкость из ВС через наконечник и рукав 45 вступает к подкачивающему насосу 46, от которого при работе о охлаждением поступает в радиатор 13, где охлаждается и далее через фильтр II подается на вход в гидронасос Н8-52М. Включение радиатора производится краном 12. При работе без охлаждения рабочая жидкость от подкачивающего насоса 46 через фильтр II подается на вход насоса 7,минуя радиатор 13, Давление жидкости на входе в насос 7 измеряется манометром 10, температура жидкости контролируется термометром 47. Насос 7 подает рабочую жидкость в ВС через обратный клапан 6, фильтр предварительной очистки 5, фильтр тонкой очистки 3 и рукав I с наконечником. Давление жидкости, подаваемой в ВС, регулируется предохранительным клапаном 48. Подача жидкости насосом 7 регулируется механизмом 8, давление нулевой подачи - механизмом 9. Давление напора жидкости измеряется манометром 2. Сигнализатором 4 измеряется перепад давления и степень загрязненности фильтра тонкой очистки 3. Если перепад давления в фильтре превышает 0,5 МПа и возникает опасность перепуска жидкости через предохранительный клапан фильтра в обход фильтроэлемента, сигнализатор 4 подает световой сигнал на панель управления. Температурное реле 44 блокирует работу сигнализатора 4 при температурах жидкости ниже 0°С. Жидкость из корпуса насоса 7 сливается через фильтр 17 во всасывающую магистраль.
Рис. 4. Принципиальная схема гидравлической системы УПГ-300 Дозаправка гидросистем ВС рабочей жидкостью осуществляется путем наддува основной части бака 19 азотом с давлением до 0,35 МПа. При этом рабочая жидкость поступает в ВС через, "всасывающую магистраль ручного насоса 41, обратный клапан 39, фильтр 38,вентиль 40, обратный клапан 43 и рукав 45. Предохранительный клапан 18 предупреждает чрезмерное повышение давления в баке 19.Объем жидкости в баке измеряется по уровнемеру 20. Система опрессовки гидросистемы УПГ-300 обеспечивает проверку герметичности и прочности самолетной гидросистемы. Опрессовка осуществляется ручным насосом 41. Рабочая жидкость всасывается из основной части бака 19 и подается в опрессовочный рукав 32 через обратный клапан 42, фильтр 38, обратный клапан 36,малую полость гидротрансформатора 35 и обратный клапан 33. Давление опрессовки измеряется манометром 31. После окончания опрессовки давление сбрасывается открытием вентиля 34. Опрессовка давлением до 60,0 МПа осуществляется через гидротрансформатор 35. Сначала производится зарядка гидротрансформатора при помощи крана 37 и насоса 41,а затем опрессовка. При этом из малой полости гидротрансформатора в рукав 32 поступает рабочая жидкость под давлением, которое больше давления, создаваемого ручным насосом (пропорционально соотношению площадей большой и малой полостей гидротрансформатора). Система кольцевания и заправки предназначена для испытания и отработки основных гидросистем УПГ,. разогрева рабочей жидкости, удаления воздуха из системы и заправки гидробака УПГ. Кольцевание гидросистемы осуществляется подсоединением рукава нагнетания к бортовому штуцеру 23 и рукава всасывания 45 к бортовому штуцеру 24. При этом основная часть бака 19 наддувается азотом. Гидравлическая нагрузка создается электродросселем 22Лри необходимости кольцевания жидкости через бак 19 (например, для нагрева жидкости в баке) трехходовой трехпозиционный кран 21 переключается. Давление напора и всасывания при кольцевании измеряются манометрами 2 и 10. Воздух из рабочей жидкости может быть удален в- дренажную часть бака 19 через кран 14-и указатель струи 15. При прохождении жидкости через указатель струи визуально определяется содержание в ней газов. Степень заполнения дренажной части бака определяется по указателю уровня. Жидкость из дренажной части бака удаляется давлением азота через обратные клапаны 43 во всасывающее магистрали основных систем или через предохранительный клапан 27, обратный клапан 26 и вентиль 25 в основную часть бака. Закрытая заправка основной части бака 19 из внешней емкости осуществляется насосом 30. Жидкость всасывается через приемный клапан 29, рукав 28 и нагнетается е бак через обратный клапан 26 и вентиль 25. Краны 16 служат для слива рабочей жидкости из радиатора 13. Характеристики основных элементов гидросистемы Насос типа НП-52М аксиальный, роторчо-поршневой с автоматическим и ручным регулированием подачи и давления, предназначен для. нагнетания рабочей жидкости под давлением в гидравлические системы ВС и установки УПГ. Насос (рис.5) состоит из корпуса, приводного вала, опорного вала с подшипниками, блока цилиндров с поршнями, карданного вала, золотника,- люльки, регулятора давления, регулятора подачи. Частота вращения насоса 2500 об/мин Подача при давлении нагнетания до 26,0 МПа 20-100 л/мин Минимальное Давление на входе в насос 0,175 МПа Подкачивающий насос типа ЭЦН-11 - электроприводной центробежный предназначен для поддавливания рабочей жидкости на входе в насос НП-52М. Агрегат состоит из насосной части и электродвигателя, смонтированных в одно целое на едином валу. Подача 250-420 л/мин Перепад давления 0,065-0,175 МПа Частота вращения 6000-8500 об/мин Потребляемый ток постоянный, 27В, 85А Масса 13,6 кг Заправочный насос типа ЭЦН-105 служит дли заправки гидробака. Представляет собой агрегат центробежного действия, магистрального исполнения, в котором насос и электродвигатель смонтированы в один блок.
Рис. 5 Насос НП-52М: 1 - корпус; 2 - люлька; 3,7 - пружины; 4 - цилиндр; 5 - блок цилиндров; 6 -автоматический регулятор нулевой подачи; 8 - коллектор; 9 - втулка; 10 - всасывающий штуцер; 11 – распределитель. Подача 25 л/мин. Перепад давления >0,2 МПа Потребляемый ток постоянный, 27 В, ≤14,5 А Схема работы насоса изображена на рис. 7.
Рис. 7 Схема работы насосаЗШ-105: 1 - уплотнительное кольцо; 2 - манжета; 3 - уплотнительное кольцо; 4 - опорный конус; 5 - колпак; 6 - электродвигатель; 7 - корпус; 8 - дренажный штуцер; 9 - горловина; 10 - крыльчатка второй ступени; 11 - направляющий аппарат; 12 - крышка; 13 - крыльчатка первой ступени. Предохранительный клапан предназначен для поддержания в гидравлической системе заданного давления рабочей жидкости с помощью перепуска избыточного количества жидкости в магистраль всасывания. Требуемое давление устанавливается вращением регулировочного валика. Давление открытия клапана от 2,0 до 30,0 МПа Давление закрытия клапана не менее 1,5 МПа Угол поворота вала управления не более 360° Предохранительный клапан представляет собой механизм с серводействием и состоит из двух основных узлов: чувствительного элемента и сервоклапана. Конструкция клапана изображена на рис.8.
Рис. 8. Предохранительный клапан: 1 - пружина; 2 - фильтр; 3 - клапан; 4 - корпус; 5 - втулка; 6 - уплотнительное кольцо; 7 - фланец; 8 - винт; 9 - регулировочный валик; 10 - опора; 11 - пружина; 12 - упор; 13 - направляющая гильза; 14 - шарик; 15 - седло; 16 - гильза; А -полость линии нагнетания; Б -полость линии слива. Фильтр тонкой очистки (рис. 9) - отстойного типа с пакетом фильтрующих дисков. Фильтрующим материалом является прокатанная металлокерамическая лента с тонкостью фильтрации 5-8 мкм. Фильтр имеет перепускной и отсечной клапаны, предупреждающие слив жидкости при снятии фильтропакета.
Рис. 9. Гидравлический фильтр: 1 - головка; 2,4,5,6-уплотнительные кольца; 3 - отсечной и перепускной клапаны; 7 - стакан; 8 - фильтроэлемент. Фильтры грубой очистки (рис.10) отстойного типа без перепускного клапана с цилиндрическим гофрированным фильтроэлементом из никелевой сетки саржевого плетения с тонкостью фильтрации 12-16 мкм.
Рис. 10. Гидравлический фильтр: 1 - штуцер; 2 - фильтроэлемент; 3,8 - полости; 4,5 - уплотнительные кольца; 6 -головка; 7 - стакан. Гидравлический бак (рис.11) цилиндрической формы, разделен поперечной перегородкой на две части - основную и дренажную. Основная часть бака емкостью 90 и снабжена воздушным клапаном, предохраняющим бак от перегрузок при наддуве.
Рис.11. Гидробак: 1-дренажный бак; 2-шкала; 3-,-обечайка; 4-штуцер: 5-заливная горловина; 6-перегородка; 7-шкала; 8-цнише; 9, 12 -угольники; 10-перегородка; 11-крестовина; 14-предохранительный клапан Гидротрансформатор предназначен для повышения давления на выходе из системы ручного насоса до 60,0 МПа при опрессовки гидросистемы ВС. Представляет собой гидравлический цилиндр со ступенчатым поршнем: диаметр большой ступени - 60, малой - 26 мм. Средняя полость постоянно соединена с магистралью всасывания ручного насоса. Конструкция гидротрансформатора изображена на рис.12.
Рис. 12. Гидротрансформатор: 1-крышка; 2-корпус; 3-поршень; 4,5-уплотнительнне кольца малой ступени; 6-штуцер; 7-тройник; 8,9-уплотнительные кольца большой ступени; 10-угольник; а,б,в-полости. Дроссель предназначен для дроселирования потока рабочей жидкости в магистрали нагнетания при кольцевании. Дроссель имеет сферический регулирующий клапан поступательного действия, Привод клапана осуществляется от электромеханизма вращательного движения черва винтовую передачу со скользящей шпонкой. Конструкция дросселя показана на рис.13.
Рис. 13. Дроссель 1 - корпус; 2 - втулка; 3 - клапан; 4 - стопорная проволока; 6 - шток; в - стакан; 7 - шпонка; 8 - направляющая; 9 - стопорный винт; 10 - упор; 11 - кронштейн; 12 - прокладка; 13 - шпилька; 14 -шайба; 15, 16 - уплотнительные кольца; I7 - электромеханизм. Пневматическая система Пневматическая система УПГ-300 предназначена для наддува гидравлических баков ВС, наддува гидробака УДГ и для зарядки пневматических элементов ВС. Источником пневматической энергии системы являются два баллона типа АЕ350-40, заполненные сжатым азотом. Зарядка баллонов азотом давлением до 35,0 МПа осуществляется от компрессорной станции через зарядный штуцер 23 с обратным клапанам, запорный вентиль 3, вентили 2 на баллонах. Явление азота контролируется по манометру 4. При раздаче потребителям азот из баллонов 1 через запорный вентиль 3, расходный вентиль 5, фильтр 6 поступает в редуктор 8, где его давление понижается до 15,0 МПа. Далее азот идет в четыре системы: - систему зарядки гидроаккумуляторов давлением до 15,0 МПа; - систему зарядки изделий ВС давлением 0,1-1,0 МПа; . - систему наддува гидробаков ВС и дренажного бака установки давлением 0,13 МПа; - систему наддува гидробака установки УПГ-300 давлением до 0,35 МПа. Зарядка гидроанккумуляторов осуществляется через зарядный вентиль 9 и зарядный штуцер 11. , - В систему зарядки изделий ВС и наддува гидробака установки давлением до 0,35 МПа азот поступает через редуктор 22. Давление контролируется по манометру 21. Кран управления 20 служит для подачи азота либо к штуцеру 19 системы зарядки пневмоэлементов ВС, либо к штуцеру 18 системы наддува гидробака УПГ. Давление азота, поступающего для наддува в гидравлические баки ВС и в дренажный бак установки, понижается в редукторе 10 до 0,4 МПа, затем в редукторе 12 до 0,13 МПа. Давление контролируется по манометру 13. Подача азота в гидравлические баки ВС происходит через кран управления 14, соединительную муфту 15 и штуцер 16. Через штуцер 17 азот подается в дренажный бак УПГ.
Рис. 14. Принципиальная схема пневматической системы УПГ-300 Вентиль сброса давления 7 выполняет функции дренажа системы. Краны управления 14 и 20 кроме переключения системы обеспечивают также их дренаж. Баллоны - типа АБ-350-40, безосколочные, емкость по 40 л. рассчитаны на давление до 35,0 МПа. На баллоне установлены вентили ВВ-400 сальникового типа. Редуктор - тина 679200А предназначен для понижения давления газа в системе с 35,0 до 15,0 МПа. Редуктор состоит из корпуса 8 (рис.15), гильзы 6, затвора 14, плунжера 9 е рабочей пружины 7. Газ под давлением 35,0 МПа от баллонов АВ-350-40 подводит к штуцеру 1 и далее свободно проходит через отверстие втулки 15 в камеру 2 высокого давления. При давлении в камере 4 белее 15,0 МПа плунжер 9, сжимая рабочую пружину 7, перемещается на величину при которой затвор 14 под воздействием пружины 16 садится да седло 13 и разобщает камеры высокого и низкого давлений. При падении давления в камере 4 до 14,0 Ша плунжер 9 переместится под воздействием пружины 7 в обратном направлении отожмет затвор от седла 13 и сообщит камеры высокого и низкого давления.
Рис. 15 Редуктор Фильтр типа 31ВЗШ предназначен для фильтрации газа, поступающего из баллонов в систему, от частиц размеров более 40 мкм. Фильтр состоит из двух штуцеров 1 и 2 (рис.16), фильтрующего элемента 5, который прижат к втулке 4 пружиной 6. Фильтроэлемент 5 выполнен из шести слоев металлической сетки 016 и пяти слоев никелевой сетки № 004. Герметичность соединения штуцеров 1 в 2 обеспечивается уплотнительным кольцом 3.
Рис. 16. Фильтр Электрооборудование Электрооборудование установки УПГ-300 предназначено для питания пусковой, регулирующей и контрольно-измерительной аппаратуры также для питания бортовой сети ВС. Оно состоит из 12-вольтовой однопроводной системы электрооборудования двигателя ЗШ1-375 и 27-вольтовой двухпроводной системы электрооборудования установки. Источниками тока в системе УПГ являются генератор постоянного тока и две аккумуляторные батареи общей емкостью 250 А.ч., которые обеспечивают питание потребителей: электрических элементов обслуживаемых гидросистем ВС, электромеханизмов управления сцеплением, электромагнитных муфт насосов Щ-52М, привода подкачивающих насосов ЭЦН-П и ЭЦН-105, механизмов регуляторов давления и производительности насосов НП-52М, привода электродросселя, вентиляторов обдува генераторов, контрольно-измерительных приборов, УКВ радиостанции и переговорного устройства, аппаратуры наружного и внутреннего освещения. Кроме перечисленных агрегатов системы электрооборудования, УПГ-300 включает также необходимую коммутационную и пускорегулируемую аппаратуру, обеспечивающую надежную и стабильную работу источников тока. В ее состав входят: дифференциально-минимальное реле ДМР-400Д, угольный регулятор напряжения РУГ-82, автомат защиты от аварийного повышения напряжения АЗП1-МА, сигнализатор опасного перепада давления СОПД-48 в системе охлаждения генератора, выносное сопротивление регулировки напряжения генератора. Система электрооборудования УПГ-300 обеспечивает контроль и дистанционное управление практически всеми процессами гидроагрегата, что значительно облегчает работу оператора. 2. Конструкторская часть Расчет гидротрансформатора. Постановка задачи расчета гидротрансформатора При расчете гидротрансформатора задаются формой и размерами круга циркуляции, а также размерами, определяющими размещение решеток отдельных колес, кроме этого, определяют значения расхода жидкости, протекающей по проточной части, и напор, развиваемый насосом. Профилирование лопастей рабочих колес и определение внешних и внутренних характеристик гидротрансформатора также входит в расчет. Исходя из требований, изложенных в задании на проектирование трансмиссии, выбирают определенный тип гидротрансформатора. При этом число ступеней берется ориентировочное в зависимости от требуемого расчетного передаточного отношения. Лопасти профилируют при помощи треугольников скоростей. Анализ совместной работы колес проводится при помощи расходно-напорных характеристик колес и кривых, характеризующих изменение потерь напора с изменением расхода. При этом обычно предполагается, что расход везде одинаков. Все эти вопросы описаны в литературе. Точность этих операций зависит от точности определения потерь энергии в рабочих колесах и определения отклоняющей способности лопаток рабочих колес. Наиболее сложной является первая задача. Задача расчета значительно упрощается, если можно использовать геометрически подобный прототип передачи. При этом расчет проточной части сводится к определению размеров круга циркуляции и его элементов по формулам коэффициентов мощности А или момента Я, а углы лопаток и их профилировку выбирают одинаковыми для модели и проектируемой передачи. Применяемые методы расчета гидротрансформатора основаны на использовании опытных коэффициентов, найденных экспериментально и оценивающих лопаточную систему трансформатора в целом или на использовании геометрического и кинематического подобия. Одна из первых методик расчета потерь, предложенная А.П. Кудрявцевым, основана на введении понятия общего коэффициента сопротивления лопастной системы, представляющего собой отношение потерь напора Ah к среднему скоростному напору. Учитывая особенности гидропередачи (длину каналов, образованных лопастными системами проточной части, сложность процессов внутри проточной части, влияние рабочих элементов и самих потерь друг на друга), А.Я Кочкарев рассматривает потери, которые можно выявить в результате опытов и для которых можно получить соответствующие коэффициенты потерь. Предлагая описанный выше метод, А.Я. Кочкарев указывает в то же время на приближенность получаемых значений, поскольку коэффициенты потерь получены из анализа конкретных проточных частей с определенными геометрическими и кинематическими соотношениями. Возможность их использования в других случаях требует специальных исследований. Д.Я. Алексапольский считает, что при такой трактовке коэффициент К в этой формуле имеет тот же смысл, что и коэффициент сопротивления проточной части гидротрансформатора и рекомендуемая величина К приемлема только для гидротрансформаторов тех типов, на основании испытания которых она дается. При раздельном определении потерь коэффициент потерь на трение X можно определять по графику для труб с естественной шероховатостью. Потери от диффузорности определяются как потери в коническом диффузоре с эквивалентным углом расширения. Потери от поворота потока в меридиональной плоскости и в межлопаточном канале в неподвижных и вращающихся колесах считаются пропорциональными квадрату меридиональной скорости, причем коэффициент пропорциональности рекомендуется брать равным 0,1-0,15. В отличие от Д.Я. Алексапольского, И.Ф. Семичастнов при определении потерь на поворот потока не разделяет их на потери от поворота в двух плоскостях (в меридиональной плоскости и в межлопаточном канале), но в то же время вводит новые категории потерь, связанные с внезапным сужением и расширением потока на кромках колеса при входе и выходе из межлопаточного канала. Таким образом, И.Ф. Семичастнов предлагает следующую классификацию потерь. Г.М. Хуршудян предполагает, что потери на поворот связаны с неравномерностью распределения скорости по сечению канала и пропорциональны квадрату расхода, он рекомендует учитывать их при помощи коэффициента А (вместе с потерями на трение), причем для определения коэффициента А нужны соответствующие поправки, учитывающие специфику течения жидкости в каналах гидротрансформатора. При расчете потерь на трение принимаются следующие допущения: вращение колеса не влияет на величину потерь; распределение скорости поперек каналов равномерное; канал рассчитывается как участки трубы бесконечной длины, т. е. потери на трение определяются, как для труб и каналов с различными геометрическими формами. Увеличение коэффициента потерь Я в 3 раза по сравнению с объясняется спецификой течения жидкости в гидротрансформаторах. Указывая на сложность учета явлений, связанных с ударным обтеканием лопасти, Г.М. Хуршудян подчеркивает, что рекомендации А.П. Кудрявцева и К. Пфлейдерера не всегда подтверждаются испытаниями гидротрансформаторов. Все изложенные методики можно, таким образом, разделить на две группы: методики, в которых потери вычисляются при помощи объединенного коэффициента потерь канала, и методики, где потери вычисляются, как сумма потерь от местных сопротивлений. В первом случае оказывается затрудненным использование опыта, поскольку общий коэффициент потерь канала может быть перенесен только на близкий по параметрам объект. В случае же раздельного определения коэффициентов потерь для каждого вида сопротивлений в канале не учитывается их взаимное влияние, что также должно ограничивать область использования этих значений близкими конструкциями. Обобщая вышесказанное, можно утверждать, что известные методы расчета потерь в проточной части гидротрансформаторов основаны на использовании коэффициентов потерь, полученных при экспериментальном исследовании каналов различной конфигурации. Специфику течения жидкости в гидротрансформаторе авторы учитывают введением соответствующих поправок к этим коэффициентам. Поправки определяются на основании опыта исследования определенных (но различных) проточных частей, поэтому величины коэффициентов потерь получаются различными, хотя во всех случаях наблюдается удовлетворительное совпадение расчетных и экспериментальных кривых. В.И. Лапидус считает, что изложенный А.П. Кудрявцевым метод расчета можно использовать в случаях, когда имеется готовый трансформатор, близкий по своим свойствам к проектируемому. При различном расчете потерь, вызванных на одном и том же участке различными причинами, не может быть учтено взаимное влияние различных видов потерь, проявляющееся в соответствующем перераспределении скоростей в потоке. Подбирая различные коэффициенты сопротивления и удара, можно получить желаемую точность совпадения напорного баланса с данными испытаний. Однако такое совпадение не является подтверждением справедливости метода расчета, поскольку может оказаться, что для гидротрансформатора другой конструкции напорный баланс сходится лишь при других значениях поправочных коэффициентов. Описанные методы расчета, учитывающие специфику различных проточных частей гидротрансформатора, имеют определенные достоинства, связанные с относительной простотой и надежностью результатов расчета для данного гидротрансформатора, и применяются при их совершенствовании и доводке. К числу недостатков, общих для всех методов расчета потерь в гидротрансформаторе, следует отнести отсутствие общепринятой методики выбора на основании опыта коэффициентов потерь и как следствие этого - невозможность использования опытных данных при расчете новой проточной части, не имеющей близкого прототипа. Одним из методов расчета, широко применяемых в практике турбостроения, является метод теории решеток, основанный на использовании результатов продувки плоских пакетов профилей. Процесс преобразования гидравлической энергии в механическую на лопатках рабочих колес сопровождается потерями: профильными, связанными с явлениями на поверхности профиля; концевыми, возникающими на поверхностях, ограничивающих лопатки по концам (по размаху); объемными; это утечки жидкости через зазоры между лопаточными венцами и корпусными деталями; потерями, связанными с нерациональной организацией потока в ступени. Профильные потери. При обтекании профиля плоским потоком вязкой жидкости возникают потери энергии, обусловленные вязкостью. У поверхности профиля образуется пограничный слой, где скорость потока изменяется от некоторого значения величины скорости w до 0. В этой области потока есть скольжение слоев жидкости относительно друг друга и возникают потери трения, которые составляют большую часть профильных потерь. Пограничный слой может быть ламинарным и турбулентным. В последнем случае потери оказываются большими. При увеличении числа Re пограничный слой становится тоньше. При этом при определенных соотношениях вязкости и скорости потока поверхность становится гидравлически шероховатой: высота неровностей становится больше толщины пограничного слоя и величина шероховатости оказывает влияние на величину профильных потерь. Если течение в межлопаточном канале диффузорное, то может наступить отрыв потока, сопровождающийся особенно большими потерями. Физическую картину явлений, приводящих к отрыву, можно представить как результат торможения потока. При этом величина кинетической энергии потока падает, и возросшее давление вниз по потоку приводит к его отрыву. Сложность расчета гидравлического к. п. д. гидротрансформатора объясняется спецификой процессов, происходящих в его проточной части. Определение безразмерной характеристики гидротрансформатора – прототипа. Из формулы расчета момента насоса выражаем коэффициент нагрузки насоса
где
nН – число оборотов насоса, D – активный (профильный) диаметр гидротрансформатора.
1) 2) 3) 4) 5) 6) Определение характеристики входа трансформатора Определяем активный диаметр гидротрансформатора
где МНрасч – момент по графику при nрасч , МНрасч = 875 Нм;
nрасч
=
Определяем зависимость момента насоса от числа оборотов в зависимости от передаточного отношения гидротрансформатора. Графически эта зависимость представляет собой пучок квадратных парабол. Этот пучок пересекает кривую крутящего момента на каком-то участке этой кривой.
Задаемся передаточным отношением и числом оборотов до тех пор, пока параболы не пересекут кривую крутящего момента. i = 0 1) 2) 3) 4) 5) 6) 7) 8) 9) i = 0,2 1) 2) 3) 4) 5) 6) 7) 8) 9) i = 0,4 и i = 0,6 совпадаютс i = 0,2 i = 0,8 1) 2) 3) 4) 5) 6) 7) 8) 9) i = 0,9 1) 2) 3) 4) 5) 6) 7) 8) 9) 10) При данном положении пучка парабол не обеспечивается использование максимальной мощности двигателя, поэтому необходимо уменьшить величину активного диаметра гидротрансформатора. Изменяя величину активного диаметра, определяем его значение, при котором обеспечивается использование максимальной мощности двигателя, в = 0,466 м. Момент при этом диаметре равен 803 Нм при 2100 об/мин, что равно моменту при максимальной мощности двигателя. Определив активный диаметр гидротрансформатора, рассчитываем момент насоса, Нм Определение выходной характеристики системы двигатель-гидротрансформатор Определяем точки совместной работы двигателя внутреннего сгорания и гидротрансформатора. Для каждого выбранного значения передаточного отношения гидротрансформатора определяем значение крутящего момента на валу турбины и число оборотов этого вала, соответствующее найденному значению крутящего момента. Расчет проводится по формулам
1) i = 0; МН = 870 Нм; nН = 1670 об/мин.
2) i = 0,2; МН = 880 Нм; nН = 1630 об/мин.
3) i = 0,4; МН = 880 Нм; nН = 1630 об/мин.
4) i = 0,6; МН = 880 Нм; nН = 1630 об/мин.
5) i = 0,8; МН = 865 Нм; nН = 1730 об/мин.
6) i = 0,9; МН = 825 Нм; nН = 2000 об/мин.
Выводы При исполнении данной курсовой работы была достигнута ее основная цель, а именно закрепление знаний о данной спецмашине, ее конструкции, агрегатах и узлах, принципе работы самой машины, ее назначении для использования в аэропорту. В ходе курсовой работы была сделана общая характеристика спецмашины, работы ее агрегатов и систем. Также были изучены особенности ее конструкции, выучено ее назначение для работы на предприятиях с авиационной деятельностью. Данные полученные в результате курсовой работы можно использовать при работе с данной спецмашиной в аэропорту. Список литературы 1. Специальные машины аэропортов. Универсальные заправщики и гидроагрегаты: Лабораторные работы 3,4 для студ спец. 13.03.00 "Технич. экспл. лет. аппар. и двиг." специализации 13.03.08 "Технич. экспл. и ремонт средств механиз. и автоматиз. аэроп." / сост.: Г.А.Санников, Д.А.Щербина; Министерство образования Украины, Киевский институт инженеров гражданской авиации. - Киев, 1990(93). - 60 с. 2. Автоматизация производственных процессов технической эксплуатации летательных аппаратов: Учебное пособие для вузов гражданской авиации / Лисицын Владимир Сергеевич, Чинючин Юрий Михайлович, Смирнов Н.Н. - Москва: Транспорт, 1985. - 248с . 3. Авиационная наземная техника: Справочник / Канарчук В.Е., Гелетуха Г.Н., Запорожец В.В.; под. ред.: В.Е.Канарчука. - Москва: Транспорт, 1989. - 278 с. 4. http://revolution. 5. http://gidravlikprivod.ru/raschet_gidrotransformatora/5.html |















