Контрольная работа: Проектирование привода ленточного транспортера
|
Название: Проектирование привода ленточного транспортера Раздел: Промышленность, производство Тип: контрольная работа | ||||||||||||||||||||||||||||||||||||||||||
|
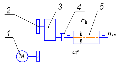
1. КИНЕМАТИЧЕСКИЙ И СИЛОВОЙ РАСЧЕТЫ ПРИВОДА.. 2 1.1 Подбор электродвигателя. 2 1.2 Разбивка передаточного отношения привода. 3 1.3 Определение кинематических и силовых параметров на валах привода. 4 2. Расчет зубчатой передачи.. 5 3. Расчет валов редуктора.. 11 3.1 Ориентировочный расчет. 11 3.2 Эскизная компоновка I этап. 14 3.3 Определение усилий в зацеплениях. 15 3.4 Определение реакций в опорах. 16 3.5 Расчет подшипников. 22 4. Описание принятой системы смазки и выбор марки масла 25 5. Проверочный расчет шпоночных соединений на срез и на смятие 27 5.1 Выбор материала шпонок. 27 5.2 Расчет шпоночных соединений на быстроходном валу. 28 5.3 Расчет шпоночных соединений на тихоходном валу. 28 5.4 Расчет шпоночных соединений под полумуфту. 29 6. Описание процесса сборки редуктора.. 30 7. Подбор муфт. 31 СПИСОК ИСПОЛЬЗОВАННОЙ ЛИТЕРАТУРЫ.. 32 ПРИЛОЖЕНИЯ.. 33 СОДЕРЖАНИЕ. 34 1. КИНЕМАТИЧЕСКИЙ И СИЛОВОЙ РАСЧЕТЫ ПРИВОДАИсходные данные к расчету: Окружное усилие Ft = 4,0 кН; Скорость ленты Диаметр барабана Число оборотов двигателя Передаточное число открытой передачи Схему привода смотри на рисунке 1.
Рисунок 1. Кинематическая схема привода. 1 – электродвигатель, 2 – ременная передача, 3 – редуктор, 4 – зубчатая муфта, 5 – приводной барабан конвейера 1.1 Подбор электродвигателяВычисляем требуемую мощность рабочей машины:
Определяем общий КПД:
где:
n – количество пар подшипников;
m – количество муфт.
Требуемая мощность электродвигателя
Выбираем двигатель: Тип: 4АМ 132S4У3 ГОСТ 19523-81 Мощность: Частота вращения асинхронная: 1.2 Разбивка передаточного отношения приводаОпределяем частоту вращения приводного вала
где D – диаметр барабана ленточного конвейера.
Находим общее передаточное число
Разбивка передаточного числа
Исходя из стандартных параметров передаточных отношений для цилиндрической закрытой передачи принимаем:
1.3. Определение кинематических и силовых параметров на валах приводаВычисления параметров привода сведем в таблицу 1. Таблица 1.
Расчеты выполняем согласно методике предложенной в литературе /1/ В качестве материала для шестерни выбираем сталь 45 с средней твердостью H1 = 205НВ (нормализация). Для колеса выбираем сталь 35 с средней твердостью H2 = 182НВ (нормализация). Предварительное значение межосевого расстояния:
где К = 10 – коэффициент зависящий от поверхностной твердости колеса и шестерни (H1 ≤ 350, H2 ≤ 350) Окружная скорость:
Найдем допускаемые контактные напряжения
где тогда для шестерни:
для колеса
В соответствии с кривой усталости напряжения Для длительно работающих быстроходных передач
При H ≤ 350 HB
Тогда принимаем Допускаемые напряжения для цилиндрических передач равно меньшему из допускаемых напряжений шестерни
Для цилиндрических и конических передач с непрямыми зубьями в связи с расположением линии контакта под углом к полюсной линии допускаемые напряжения вычисляются по формуле: Допустимое напряжение для Стали 35 (нормализация)
Условие на выносливость по контактным напряжениям соблюдено. Согласно ГОСТ 21354-87 допускаемый запас прочности обеспечен:
Уточняем предварительно найденное значение межосевого расстояния:
где
Для колес расположенных консольно
где
Тогда
Принимаем стандартное значение равное 340 мм Предварительные основные размеры колеса: Делительный диаметр:
Ширина колеса
Округляем в ближайшую сторону до стандартного значения Ширина шестерни:
Максимально допустимый модуль передачи определяют из условия неподрезания зубьев у основания:
Принимаем стандартное значение модуля m = 6. Минимальное значение модуля передачи определяют из условия прочности:
где
где тогда для шестерни:
для колеса
Тогда для шестерни:
для колеса
Подставляя найденные значение в формулу
Принимаем стандартное значение модуля m = 1. Для дальнейших расчетов принимаем модуль находящийся в диапазоне mmin и mmax т.е. m = 2 Суммарное число зубьев
Число зубьев шестерни
Число зубьев колеса внешнего зацепления:
Уточненные делительные диаметры шестерни и колеса находим по формулам:
Проверим межосевое расстояние передачи по зависимости:
Диаметры окружностей вершин зубьев шестерни и колеса определяем по зависимостям:
Диаметры окружностей впадин зубьев шестерни и колеса:
Проверка зубьев колес по напряжениям изгиба Проверку выполняем согласно методике предложенной в литературе /1/ в зубьях колеса
где
Тогда
в зубьях шестерни
Тогда
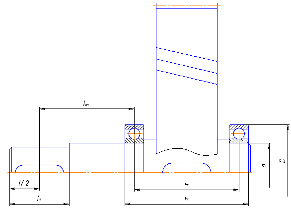
Условия напряжение изгиба соблюдаются. Заметим, что запас прочности превышает 30%, то это допустимо, т.к. нагрузочная способность большинства закрытых зубчатых передач ограничивается контактной прочностью зубьев. 3.1 Ориентировочный расчетРедукторный вал представляет собой ступенчатое цилиндрическое тело, количество и размеры ступеней которого зависят от количества и размеров установленных на вал деталей. Проектный расчет ставит целью определить ориентировочно геометрические размеры каждой ступени вала: ее диаметр в и длину l. Эскиз быстроходного вала см. на рисунке 2. Быстроходный вал
Рисунок 2 Под полумуфту :
где [τ]k = 15…20 МПа. Принимаем
Принимаем Под уплотнение крышки с отверстием и подшипник :
где t = 3,5 мм – высота заплечика /1, с.42/. Принимаем
Принимаем Под шестерню :
где r = 2,5 мм /1, с.42/. Принимаем
Под подшипник :
Принимаем Тихоходный валЭскиз тихоходного вала см. на рисунке 3.
Рисунок 3 Под элемент открытой передачи :
где Принимаем [τ]k = 15…20 МПа.
Принимаем Под уплотнение крышки с отверстием и подшипник :
где t = 4,6 мм /1, с.42/. Принимаем
Принимаем Под колесо :
где r = 3,5 мм /1, с.42/. Принимаем
Под подшипник:
Принимаем 3.2 Эскизная компоновка I этап.1. Намечаем расположение проекций компоновки в соответствии с кинематической схемой привода и наибольшими размерами колес. 2. Проводим оси проекций и осевые линии валов. 3. Вычерчиваем редукторную пару в соответствии с геометрическими параметрами, полученными в результате проектного расчета. 4. Для предотвращения задевания поверхностей вращающихся колес за внутренние стенки корпуса контур стенок проводим с зазором х =15 мм ; такой же зазор предусматривается между подшипниками и контуром стенок. Расстояние y между дном корпуса и поверхностью колес принимаем у = 4х (60 мм ). 5. Вычерчиваем ступени вала на соответствующих осях по размерам d и l, полученных в проектном расчете валов. 6. На 2-й и 4-й ступенях вычерчиваем контуры подшипников по размерам d, D, В. На быстроходном валу – радиальные шариковые однорядные типа 209 по ГОСТ 8338-75. На тихоходном валу – радиальные шариковые однорядные типа 316 по ГОСТ 8338-75.
7. Определяем расстояния lБ и lТ между точками приложения реакций подшипников быстроходного и тихоходного валов. Для радиальных подшипников точка приложения реакций лежит в средней плоскости подшипника, а расстояние между реакциями опор вала: 8. Определяем точки приложения консольных сил: Считаем, что в полумуфте точка приложения силы Fм находится в торцевой плоскости выходного конца быстроходного вала на расстоянии lм от точки приложения реакций смежного подшипника. Сила давления цепной передачи Fоп принять приложенной к середине выходного конца вала на расстоянии lоп от точки приложения реакции смежного подшипника. 9.
Проставляем на проекциях эскизной компоновки необходимые размеры. T1 =208,56 Hм – крутящий момент на тихоходном валу T2 =1133,14 Hм – крутящий момент на тихоходном валу Окружная сила на среднем диаметре колеса:
Радиальная сила на колесе, равная радиальной силе на шестерне:
где Консольная нагрузка от шкива ременной передачи на быстроходном валу:
Консольная нагрузка от муфты на тихоходном валу:
3.4 Определение реакций в опорах Эпюры быстроходного вала изображены на рисунке 4.
Рисунок 4 1) Вертикальная плоскость:
Проверка:
1 сечение.
2 сечение.
2) Горизонтальная плоскость:
Проверка:
1 сечение.
2 сечение.
3 сечение.
3) Строим эпюру суммарных моментов:
4) Определяем суммарные реакции опор:
Эпюры тихоходного вала изображены на рисунке 5.
Рисунок 5 Вертикальная плоскость:
Проверка:
1 сечение.
2 сечение.
Горизонтальная плоскость:
Проверка:
1 сечение.
2 сечение.
3 сечение.
3) Строим эпюру суммарных моментов:
Определяем суммарные реакции опор:
3.5 Расчет подшипниковНа быстроходном валу устанавливаем подшипники шариковые радиальные однорядные по ГОСТ 8338-75 (106). (см. рисунок 6)
Рисунок 6 Так как
1. Определим эквивалентную динамическую нагрузку:
где
2. Ресурс долговечности:
при 90% надежности;
для шарика Долговечность обеспечена. На тихоходном валу устанавливаем подшипники шариковые радиальные однорядные по ГОСТ 8338-75 (315). (см. рисунок 7)
Рисунок 7 Так как
1. Определим эквивалентную динамическую нагрузку:
где
2. Ресурс долговечности:
Долговечность обеспечена. 4. ОПИСАНИЕ ПРИНЯТОЙ СИСТЕМЫ СМАЗКИ И ВЫБОР МАРКИ МАСЛА Смазывание зубчатых зацеплений и подшипников применяют в целях защиты от коррозии, снижения коэффициента трения, уменьшения износа, отвода тепла и продуктов износа от трущихся поверхностей, снижения шума и вибрации. Смазывание зубчатого зацепления. а) способ смазки: Смазывание зубчатого зацепления производится окунанием зубчатого колеса в масло, заливаемое внутрь корпуса до погружения колеса на всю длину зуба. Колеса при вращении увлекают масло, разбрызгивая его внутри корпуса. Масло попадает на внутренние стенки корпуса, откуда стекает в нижнюю его часть. Внутри корпуса образуется взвесь частиц масла в воздухе, которая покрывает поверхность расположенных внутри корпуса деталей. Картерное смазывание применяют при окружной скорости зубчатых колес и червяков от 0,3 до12,5 м/с.
б) выбор сорта масла: Выбор сорта масла зависит от значения расчетного контактного напряжения в зубьях σН и фактической окружной скорости колес V . σН =480МПа V = 1,16 м/с По таблице определяем сорт масла: И-Г-А-68 ГОСТ 17479.4-87 68 -класс вязкости, И – индустриальное, Г – для гидравлических систем, А – масло без присадок в) определение уровня масла: в цилиндрических редукторах должны быть полностью погружены в масляную ванну зубья колеса 2·m < hм < 0,25d2 2·2 < hм < 0,25·578 = 144,5 г) контроль уровня масла: для наблюдения за уровнем масла, находящегося в корпусе редуктора выбираем жезловый маслоуказатель, т.к. он удобен для осмотра, его конструкция проста и достаточно надежна. д) слив масла: При работе передач масло постепенно загрязняется продуктами износа деталей передач. С течением времени оно стареет, свойства его ухудшаются. Поэтому масло, налитое в корпус редуктора, периодически меняют. Для этой цели в корпусе редуктора предусматривают сливное отверстие, закрываемое пробкой (с цилиндрической резьбой). е) отдушины: При длительной работе в связи с нагревом масла и воздуха повышается давление внутри корпуса. Это приводит к просачиванию масла через уплотнения и стыки. Чтобы избежать этого, внутреннюю полость корпуса сообщают с внешней средой путем установки отдушины в его верхних точках. 5. Проверочный расчет шпоночных соединений на срез и на смятие
Подбор шпоночных соединений был выполнен в процессе 1-го этапа эскизной компоновки. Все шпонки призматические (ГОСТ 233360-78) (см. рисунок 8) Шпонка испытывает напряжение смятия боковых поверхностей (sсм ) и напряжение среза (tср ), которые и необходимо рассчитать. Расчет носит проверочный характер.
Рисунок 8 где Т – крутящий момент на валу, Н×мм; d – диаметр вала, мм; t2 – глубина шпоночного паза cтупицы, мм; lp – рабочая длина шпонки, мм; (за вычетом закруглений) рис. 14 b – ширина шпонки, мм;
5.1 Выбор материала шпонок Для всех шпонок выбираем качественную углеродистую сталь марки 45. Для шпонки из материала сталь 45 в соответствии при посадке с натягом
5.2 Расчет шпоночных соединений на быстроходном валу Подбираем шпонку под шкив по диаметру вала d =38 мм по ГОСТ 23360-78: Шпонка 10´8´32 ГОСТ 23360-78. Т=208,56 Нмм d=36 мм
h=8 мм t2 =3,3 мм l=32 мм
tср =45,26 МПа < [tср ]=78¸120 МПа; Шпонка удовлетворяет проверочному расчету. 5.3 Расчет шпоночных соединений на тихоходном валу Подбираем шпонки под колесо по диаметру вала d=120 мм по ГОСТ 23360-78 Шпонка 32´18´90 ГОСТ 23360-78; Т=1133,14 кН·мм d=120 мм h=18 мм
t2 =5,4 мм lp =90 мм
tср =6,57 МПа < [tср ]=78¸120 МПа ; Шпонка удовлетворяет проверочному расчету. 5.4 Расчет шпоночных соединений под полумуфту Подбираем шпонки под полумуфту по диаметру вала d=67 мм по ГОСТ 23360-78 Шпонка 20´12´70 ГОСТ 23360-78; Т=1133,14 кН·мм d=67мм h=12 мм
t2 =4,9 мм lp =70 мм
tср =24,16 МПа < [tср ]=78¸120 МПа ; Шпонка удовлетворяет проверочному расчету. 6. Описание процесса сборки редуктораПеред сборкой внутреннюю полость корпуса редуктора тщательно очищают и покрывают маслостойкой краской. Сборку производят в соответствии со сборочным чертежом редуктора, начиная с узлов валов: -на ведущем валу устанавливают подшипники, предварительно нагретые в масле до 80-1000 С, взаимное расположение подшипников фиксируют установочной гайкой. -в ведомый вал закладывают шпонку и напрессовывают зубчатое колесо до упора в бурт вала; затем устанавливают подшипники, предварительно нагретые в масле. Собранные валы укладывают в основание корпуса редуктора и надевают крышку корпуса, покрывая предварительно поверхности стыка крышки и корпуса спиртовым лаком. Для центровки устанавливают крышку на корпус с помощью двух конических штифтов, затягивают болты, крепящие крышку к корпусу. После этого на ведомый вал ставят крышки подшипников с комплектом металлических прокладок для регулировки. Проверяют проворачиванием валов отсутствие заклинивания подшипников и закрепляют крышки винтами. Затем ввёртывают пробку масло спускного отверстия с прокладкой и жезловый маслоуказатель. Заливают в корпус масло и закрывают смотровое отверстие крышкой с прокладкой из технического картона; закрепляют крышку болтами. Собранный редуктор обкатывают и подвергают испытанию на стенде по программе, устанавливаемой техническими условиями. 7. Подбор муфтДля соединения выходных концов двигателя и быстроходного и тихоходного валов редуктора применяем упругие втулочно-пальцевые муфты. Основной характеристикой для выбора муфты является номинальный вращающий момент Т , Нм , установленный стандартом. Муфты выбирают по большему диаметру концов соединяемых валов и расчетному моменту Тр , который должен быть в пределах номинального: Тр = Кр Т1 ≤ Т При разработке компоновочного чертежа для соединения редуктора с двигателем ориентировочно была выбрана соединительная муфта: Муфта упругая втулочно-пальцевая 500-42-I ГОСТ 21424-93 Выполняем проверку выбранной муфты. Муфта является пригодной при выполнении условия: Тмуфт >Трасч ∙Kр , где Тмуфт =500 Н∙м, Трасч =Т1 =208,56 Н∙м, Kр – коэффициент режима нагрузки, Kр =1,25 Тмуфт =500 Н∙м>208,56∙1,25=260,7 Н∙м. Условие выполняется, следовательно, выбранная муфта является пригодной. СПИСОК ИСПОЛЬЗОВАННОЙ ЛИТЕРАТУРЫ 1. Дунаев П.Ф., Леликов О.П. Конструирование узлов и деталей машин: Учеб. пособие для техн. спец. вузов. – 6-е изд., исп. – М.: Высш. шк., 2000. – 447 с., ил. 2. Шейнблит А.Е. Курсовое проектирование деталей машин: Учеб. пособие. Изд-е 2-е, перераб. и дополн. – Калининград: Янтар. сказ, 2002. – 454 с.: ил., черт. – Б. ц. |
||||||||||||||||||||||||||||||||||||||||||

при условии 



,
,












