Курсовая работа: Разработка гидропривода подачи силовой головки агрегатного станка
|
Название: Разработка гидропривода подачи силовой головки агрегатного станка Раздел: Промышленность, производство Тип: курсовая работа | |||||||||||||||||||||||||||||||||
Курсовой проект по дисциплине «Автоматизированные электрические гидроприводы» Разработал студент группы Т-52 Трубин О.К. Проверил: Л.В. Ручкин Красноярск Содержание Техническое задание Введение 1. Патентно-информационный поиск 2. Расчетная часть 2.1 Энергетический расчет 2.2 Гидравлический расчет 2.3 Тепловой расчет 2.4 Расчет направляющих 3. Устройство и принцип работы привода Заключение Библиографический список Приложения Техническое задание РАЗРАБОТАТЬ ГИДРОПРИВОД ПОДАЧИ СИЛОВОЙ ГОЛОВКИ АГРЕГАТНОГО СТАНКА Исходные данные: 1. Комплексная деталь ТЗ.АЭГП.09.05.3.04.000. 2. РТМ: ГОСТ 8, ГОСТ7035, ГОСТ7599, ГОСТ12.1.012, НтиЖ, типовые режимы и припуски. 3. Информационные:
1. Площадь проходного сечения дросселя Sдр=10мм2 .Коэффициент сопротивления дросселя Eдр=2 2. Сопротивление каждого канала распределителя заменить эквивалентной длинной Lp=100dt, фильтра Lф=200dt, где dt – диаметр трубопровода. Пояснительная записка: Титул, аннотация, введение, информационно-поисковая часть, технологическая часть, конструктивная часть, научно-исследовательская работа, заключение. Введение Существует множество различных агрегатных станков обладающих разнообразными размерами, конструктивному оформлению, техническим характеристикам и принципам действия. При их создании используются все достижения машино- и приборостроения, электротехники и электроники, автоматики и информатики. Металлорежущие станки при их высокой производительности, точности и универсальности являются основным видом технологического оборудования для размерной обработки деталей. Приводы являются составной частью всех технологических машин. Они обеспечивают в соответствии с заданным технологическим циклом работы перемещение, позиционирование и необходимое силовое воздействие рабочих органов машины. Существует большое многообразие типов приводов: механические, электрические, электромагнитные, пневматические и гидравлические.Сейчас гидроприводы успешно используют в транспортных, горных, строительных, дорожных, путевых, мелиоративных и сельскохозяйственных машинах, на судах, летательных и подводных аппаратах, в станках, подъемно-транспортных механизмах и автоматических линиях на машиностроительных, металлургических и других предприятиях1. Патентно-информационный поискГидравлический привод Патент Российской Федерации Суть изобретения: Гидравлический привод предназначен для агрегатных станков и автоматических линий для управления гидроцилиндрами силовых столов подачи шпиндельных узлов при сверлении глубоких отверстий, например масляных каналов в распределительных и других валах. Привод управления исполнительным гидроцилиндром содержит гидравлические распределители, соединяющие напорную и сливную магистрали с поршневой и штоковой полостями гидроцилиндра, механизм регулирования скорости перемещения штока и механизм прерывания подачи, включающий двухпозиционный распределитель. Поршневая и штоковая полости гидроцилиндра сообщены с напорной и сливной магистралями через разные двухпозиционные распределители, причем двухпозиционный распределитель управления штоковой полостью гидроцилиндра сообщен со сливной магистралью через напорный клапан, при этом механизм регулирования скорости перемещения штока гидроцилиндра выполнен в виде двух путевых клапанов, установленных последовательно в гидролинии связи поршневой полости гидроцилиндра с двухпозиционным распределителем управления этой полостью гидроцилиндра, и трехпозиционного распределителя, установленного параллельно ближнему вдоль гидролинии связи к поршневой полости путевому клапану и соединенного с напорной магистралью, а механизм прерывания подачи выполнен в виде дозатора, установленного в гидролинии связи поршневой полости гидроцилиндра со сливной магистралью. Технический результат - расширение технологических возможностей гидропривода, упрощение схемы управления. Номер патента: 2148196 Класс(ы) патента: F15B11/12, B23B47/22 Аналоги изобретения: RU 2090785 C1, 20.09.97. СВЕШНИКОВ В.К. и др. Станочные гидроприводы. - М.: Машиностроение, 1988, с. 427 - 429, рис. 9.11. SU 1293368 A1, 13.08.84. SU 1804958 A1, 30.03.93. SU 1728542 A1, 16.03.90. Номер заявки: 98103209/06 Дата подачи заявки: 24.02.1998 Дата публикации: 27.04.2000 Заявитель(и): Акционерное общество "АВТОВАЗ" Автор(ы): Молотков В.П. Патентообладатель(и): Акционерное общество "АВТОВАЗ" Описание изобретения: Заявляемое техническое решение относится к станкостроению и может быть использовано в агрегатных станках и автоматических линиях для управления гидроцилиндрами силовых столов подачи шпиндельных узлов при сверлении глубоких отверстий, например масляных каналов в распределительных и других валах. В гидравлическом приводе управления исполнительным гидроцилиндром, содержащем гидравлические распределители, соединяющие напорную и сливную магистрали с поршневой и штоковой полостями гидроцилиндра, механизм регулирования скорости перемещения штока и механизм прерывания подачи, соединенный со сливной магистралью через двухпозиционный распределитель, поршневая и штоковая полости гидроцилиндра сообщены с напорной и сливной магистралями через разные двухпозиционные распределители, причем двухпозиционный распределитель управления штоковой полостью гидроцилиндра сообщен со сливной магистралью через напорный клапан, при этом механизм регулирования скорости перемещения штока гидроцилиндра выполнен в виде двух путевых клапанов, установленных последовательно в гидролинии связи поршневой полости гидроцилиндра с двухпозиционным распределителем управления этой полостью гидроцилиндра, и трехпозиционного распределителя, установленного параллельно ближнему вдоль гидролинии связи к поршневой полости путевому клапану и соединенного с напорной магистралью, а механизм прерывания подачи выполнен в виде дозатора, установленного в гидролинии связи поршневой полости гидроцилиндра со сливной магистралью. Применение двух путевых клапанов и установленного параллельно одному из них трехпозиционного распределителя позволяет обеспечить две независимые рабочие подачи как по скорости, так и по положению переключения с ускоренного подвода на рабочую подачу, что расширяет технологические возможности гидравлического привода и позволяет применять его в станках с программным управлением. А установка на входе в поршневую полость механизма прерывания подачи, выполненного в виде двухполостного дозатора, позволяет использовать гидравлический привод при обработке деталей из труднообрабатываемых материалов. Кроме того, применение для управления силовым гидроцилиндром двухпозиционных распределителей и напорного клапана позволяет обеспечить дифференциальное подключение гидроцилиндра, упрощая схему управления исполнительным гидроцилиндром при повышении эффективности работы гидропривода путем сокращения количества подаваемого масла при ускоренных перемещениях. Формула изобретения: Гидравлический привод управления исполнительным гидроцилиндром, содержащий гидравлические распределители, соединяющие напорную и сливную магистрали с поршневой и штоковой полостями гидроцилиндра, механизм регулирования скорости перемещения штока и механизм прерывания подачи, включающий двухпозиционный распределитель, отличающийся тем, что поршневая и штоковая полости гидроцилиндра сообщены с напорной и сливной магистралями через разные двухпозиционные распределители, причем двухпозиционный распределитель управления штоковой полостью гидроцилиндра сообщен со сливной магистралью через напорный клапан, при этом механизм регулирования скорости перемещения штока гидроцилиндра выполнен в виде двух путевых клапанов, установленных последовательно в гидролинии связи поршневой полости гидроцилиндра с двухпозиционным распределителем управления этой полостью гидроцилиндра, и трехпозиционного распределителя, установленного параллельно ближнему вдоль гидролинии связи к поршневой полости путевому клапану и соединенного с напорной магистралью, а механизм прерывания подачи выполнен в виде дозатора, установленного в гидролинии связи поршневой полости гидроцилиндра со сливной магистралью. Гидропривод прерывистой подачи Патент Российской Федерации Суть изобретения: Гидропривод предназначен для обеспечения сверления отверстий малого диаметра с прерыванием подачи для дробления стружки, так и для выполнения зенковочных и расточных операций без перерыва подачи инструмента в агрегатных станках и автоматических линиях. Гидропривод прерывистой подачи включает исполнительный гидроцилиндр, соединенный с источником питания и со сливом через трехпозиционный реверсивный распределитель, регулятор потока, механизм прерывания подачи с обратным управляемым клапаном, установленным в линии связи штоковой полости гидроцилиндра со сливом, и двухпозиционный распределитель, согласно заявляемому техническому решению в линии связи двухпозиционного распределителя со штоковой полостью гидроцилиндра установлен предохранительный клапан, соединенный своим входом со входом управляемого обратного клапана и с выходом трехпозиционного распределителя, а выходом - с двухпозиционным распределителем, причем линия управления управляемого обратного клапана и выход предохранительного клапана предназначены для поочередного соединения с насосом через двухпозиционный распределитель, а регулятор потока подключен входом к одному из выходов двухпозиционного распределителя, а выходом - к поршневой полости гидроцилиндра и к ветке управления обратного клапана. Гидропривод повышает надежность работы и расширяет технологические возможности при упрощении конструкции гидропривода. Номер патента: 2128788 Класс(ы) патента: F15B11/12 Номер заявки: 97107953/06 Дата подачи заявки: 13.05.1997 Дата публикации: 10.04.1999 Заявитель(и): Акционерное общество "АвтоВАЗ" Автор(ы): Хныкин П.С. Патентообладатель(и): Акционерное общество "АвтоВАЗ" Описание изобретения: Заявляемое техническое решение относится к станкостроению и может быть использовано в гидроприводах агрегатных станков и автоматических линий как для обеспечения сверления отверстий в вязких, труднообрабатываемых материалах и для обеспечения сверления отверстий малого диаметра с прерыванием подачи для дробления стружки, так и для выполнения зенковочных и расточных операций без перерыва подачи инструмента. Формула изобретения: Гидропривод прерывистой подачи, содержащий исполнительный гидроцилиндр, поршневая и штоковая полости которого сообщены с источником питания и сливом через трехпозиционный распределитель, регулятор потока, подключенный выходом к поршневой полости, а входом - к выходу двухпозиционного распределителя, сообщенного с источником питания, предохранительный клапан, подключенный входом к линии связи штоковой полости с выходом трехпозиционного распределителя, а выходом - к сливу, и механизм прерывания подачи, отличающийся тем, что он снабжен управляемым обратным клапаном, установленным в линии связи штоковой полости с выходом трехпозиционного распределителя, причем линия управления управляемого обратного клапана подключена ко входу регулятора потока, вход управляемого обратного клапана сообщен с входом предохранительного клапана, выход которого сообщен с другим выходом двухпозиционного распределителя, а выход управляемого обратного клапана подключен к штоковой полости. Гидропривод Патент Российской Федерации Суть изобретения: Изобретение относится к гидроприводам, которые могут быть использованы в подъемных устройствах. Гидропривод содержит гидродвигатель одностороннего действия с плунжерной и вспомогательной полостями для выдвижения плунжера и гидродвигатель поступательного действия, имеющий, по крайней мере, одну полость для принудительного перемещения соответственно плунжера, управляемый гидрораспределитель для подключения упомянутых гидродвигателей к напорной и сливной линиям, причем гидродвигатель одностороннего действия снабжен скалкой-трубопроводом. Плунжер гидродвигателя поступательного действия жестко связан с плунжером гидродвигателя одностороннего действия, а плунжерная полость последнего сообщена гидролинией с плунжерной полостью гидродвигателя поступательного действия. Управляемый гидрораспределитель содержит два двухпозиционных распределителя, соединенных соответственно с плунжерной и вспомогательной полостями гидродвигателя одностороннего действия. Изобретение обеспечивает улучшение эксплуатационных характеристик. 1 з.п.ф-лы, 1 ил. Номер патента: 2183187 Класс(ы) патента: B66F9/04, B66F9/22, B66F3/24, F15B15/16 Номер заявки: 99118533/28 Дата подачи заявки: 25.08.1999 Дата публикации: 10.06.2002 Заявитель(и): Федеральное государственное унитарное предприятие "Санкт- Петербургское морское бюро машиностроения "Малахит" Автор(ы): Богданов А.С.; Вашнев Э.В. Патентообладатель(и): Федеральное государственное унитарное предприятие "Санкт- Петербургское морское бюро машиностроения "Малахит" Описание изобретения: Изобретение относится к области объемных гидравлических приводов, в частности, имеющих цепи ступеней, взаимодействующих с помощью гидравлических средств, и может быть использовано в судостроении, машиностроении и других отраслях промышленности. Известен гидравлический привод телескопического грузоподъемника автопогрузчика, обеспечивающий движение силовым гидроцилиндрам /А.Б. Дранников. Автопогрузчики. - М.: Машгиз, 1962, с.171-172, фиг.80/. Известный привод содержит ряд гидрораспределителей, соединенных соответствующими гидролиниями с потребителями - гидроцилиндрами, при этом для подключения гидроцилиндра одностороннего действия, имеющего плунжерную полость для перемещения плунжера, необходима одна гидролиния, а гидроцилиндра двухстороннего действия, имеющего поршневую и штоковую полости для выдвижения и убирания штока, - две гидролинии. Известный привод обеспечивает одновременное и независимое относительное перемещение плунжера и поршня гидроцилиндров, однако при необходимости получения суммирования перемещений обоих элементов устройство должно иметь в своем составе гибкие трубопроводы, обеспечивающие прохождение рабочей среды к движущимся частям устройства, что можно считать недостатком устройства в аспектах упрощения и оптимизации конструкции. Известно устройство (гидропривод) для подъема и опускания грузов (а.с. СССР 1481197 А1, опубл. 23.05.89), содержащее гидродвигатель одностороннего действия с плунжерной и вспомогательной полостями для выдвижения плунжера и гидродвигатель поступательного действия, имеющий по крайней мере одну полость для принудительного перемещения плунжера, управляемый гидрораспределитель для подключения упомянутых гидродвигателей к напорной и сливной линиям: причем гидродвигатель одностороннего действия снабжен полой скалкой-трубопроводом. В известном устройстве необходимо использовать гибкие трубопроводы, обеспечивающие прохождение рабочей среды к движущимся частям устройства при необходимости получения суммарного перемещения плунжеров обоих гидродвигателей, что требует не менее трех гидролиний, соединяющих гидрораспределители с потребителями, снижая эксплуатационные характеристики устройства как недостаточно оптимальной конструкции. Известный гидропривод выбран в качестве наиболее близкого аналога заявляемого устройства. Задача изобретения заключается в оптимизации конструкции для исключения гибких трубопроводов, обеспечивающих подачу рабочей среды к движущимся частям, при минимальном количестве гидролиний (две), соединяющих гидрораспределитель с потребителями, а также в расширении функциональных возможностей в этих условиях за счет обеспечения одновременного и независимого действия гидродвигателей и сохранения работоспособности гидропривода в условиях аварийного обесточивания системы управления. Задача решена тем, что в известном гидроприводе, содержащем гидродвигатель одностороннего действия с плунжерной и вспомогательной полостями для выдвижения плунжера и гидродвигатель поступательного действия, имеющий, по крайней мере, одну полость для принудительного перемещения плунжера, управляемый гидрораспределитель для подключения упомянутых гидродвигателей к напорной и сливной линиям, причем гидродвигатель одностороннего действия снабжен полой скалкой-трубопроводом, в соответствии с изобретением плунжер гидродвигателя поступательного перемещения жестко связан с плунжером гидродвигателя одностороннего действия, а плунжерная полость последнего сообщена гидролинией с плунжерной полостью гидродвигателя поступательного перемещения, при этом управляемый гидрораспределитель содержит два двухпозиционных распределителя, которые сообщены соответственно с плунжерной и вспомогательной полостями гидродвигателя одностороннего действия. Кроме того, скалка-трубопровод имеет эффективную площадь, не превышающую величины отношения рабочей нагрузки к рабочему давлению жидкости в гидродвигателе одностороннего действия. Технический результат изобретения состоит в исключении гибких трубопроводов за счет гидравлической связи полостей обоих гидродвигателей при минимальном количестве гидролиний (две), соединяющих гидрораспределитель с потребителями при обеспечении независимого и одновременного перемещения плунжеров гидродвигателей, что позволяет обеспечить дистанционное ручное управление непосредственно гидрораспределителем в случае аварийного обесточивания системы управления. Кроме того, в фазе выдвинутого положения плунжеров результирующее перемещение ступеней гидропривода определяется суммированием перемещений обоих элементов, а в случае крепления обоих гидродвигателей к неподвижному элементу такая возможность исключается. Формула изобретения: 1. Гидропривод, содержащий гидродвигатель одностороннего действия с плунжерной и вспомогательной полостями для выдвижения плунжера и гидродвигатель поступательного действия, имеющий, по крайней мере, одну полость для принудительного перемещения соответственно плунжера, управляемый гидрораспределитель для подключения упомянутых гидродвигателей к напорной и сливной линиям, причем гидродвигатель одностороннего действия снабжен скалкой-трубопроводом, отличающийся тем, что плунжер гидродвигателя поступательного действия жестко связан с плунжером гидродвигателя одностороннего действия, а плунжерная полость последнего сообщена гидролинией с плунжерной полостью гидродвигателя поступательного действия, при этом управляемый гидрораспределитель содержит два двухпозиционных распределителя, соединенных соответственно с плунжерной и вспомогательной полостями гидродвигателя одностороннего действия. 2. Гидропривод по п.1, отличающийся тем, что скалка-трубопровод имеет эффективную площадь, не превышающую величины отношения рабочей нагрузки к рабочему давлению жидкости. Гидроцилиндр Патент Российской Федерации Суть изобретения: Использование: в машиностроении. Сущность изобретения: в полом штоке поршня размещен с возможностью взаимодействия с объектом компенсатор ударных нагрузок. Компенсатор выполнен в виде пружинных колец, опирающихся одно на другое и предварительно стянутых болтом. Пружинные кольца выполнены коническими и установлены с возможностью фрикционного взаимодействия встречных конических поверхностей соседних колец. Болт снабжен серьгой для закрепления объекта. 1 ил. Номер патента: 2031258 Класс(ы) патента: F15B15/22 Номер заявки: 5067556/29 Дата подачи заявки: 18.09.1992 Дата публикации: 20.03.1995 Заявитель(и): Уральское конструкторское бюро транспортного машиностроения Автор(ы): Унесихин В.П.; Дрягин Ю.М. Патентообладатель(и): Уральское конструкторское бюро транспортного машиностроения Описание изобретения: Изобретение относится к машиностроению, а именно к машинам, имеющим гидравлические системы, в состав которых входят силовые гидроцилиндры. Известна конструкция гидроцилиндра, выбранная в качестве прототипа, содержащая корпус, полый поршень со штоком и размещенный в полости пружинный шток, компенсатор ударных нагрузок. Недостатком гидроцилиндра является сложность конструкции гидравлического демпфера и высокая степень точности изготавливаемых игольчатых дросселирующих устройств, а также его эффективность только в конце хода поршня. Целью изобретения является простота и технологичность в изготовлении и эксплуатации. Формула изобретения: Гидроцилиндр, содержащий корпус, поршень с полым штоком, размещенный в нем с возможностью взаимодействия с объектом компенсатор ударных нагрузок, выполненный в виде пружинных колец, опирающихся одно на другое и предварительно стянутых болтом, отличающийся тем, что пружинные кольца компенсатора ударных нагрузок выполнены коническими и установлены с возможностью фрикционного взаимодействия встречных конических поверхностей соседних колец, а стягивающий их болт снабжен серьгой для закрепления объекта. В качестве прототипа, как наиболее близкого по области применения, выбираем гидравлический привод, предназначенный для агрегатных станков и автоматических линий для управления гидроцилиндрами силовых столов подачи, с упрощенной схемой управления, патентообладателем которого является Акционерное общество "АвтоВАЗ".Номер патента:2148196 2. Расчетная часть 2.1 Энергетический расчет Определяем время срабатывания Тср перемещения штока гидроцилиндра: Тср = S / Vср = 0,2/0,15 = 1.33 с. Принимаем трапецеидальный закон изменения скорости выходного звена, т. е. разгон и торможение штока происходит с постоянным ускорением за время: tp = tт = 0,2. t, tp = tт = 0,2. 1.33 = 0.266 с. Определяем максимальную скорость перемещения штока:
где k1 - коэффициент пропорциональности k1 =0,1-0,2. Принимаем k1 =0,2
Ускорение штока при равноускоренном движении:
Определяем полную внешнюю нагрузку Fп на штоке: Fп = mп . a + Fнагр , Fп = 500 . 0.703 + 6000 = 6351 Н. Мощность N, необходимая для получения требуемого закона движения: N = Fп . vmax , N = 6351 . 0,187= 1,19 кВт. Выбираем в качестве уплотнений подвижных соединений гидроцилиндра эластичные манжеты, при это механический КПД принимаем hмех =0,8. Принимаем в первом приближении гидравлический КПД привода hгидр =0,8. Мощность привода менее 5 кВт.Выбираем номинальное давление рн =4,0 МПа.т.к. оно обеспечивает заданный закон перемещения и силовое воздействие цилиндра. Площадь F поршневой камеры определяем из формулы: F = Fп /pн . hгидр . hмех , F = 6351/0,8. 0,8. 4. 106 = 0,24. 10-2 м2 . Определяем необходимый диаметр в поршня:
Из номинального ряда по ГОСТ 12447-80 диаметр составит D=56мм. Уточним площадь поршневой камеры: F = p. 0,0562 /4=24.6. 10-4 м2 . Диаметр штока определим по формуле: d = 0,5 . D d = 0,5 . 0,056 = 0,028 м. Выбираем ближайшее значение из номинального ряда: d = 28 мм. Определяем коэффициент в отношения площадей: d=1-(d/D)2 d=1-(28/56)2 =0,75. Для уплотнения поршня используем две манжеты 50 х 40 с шириной l1 =7 мм, для уплотнения штока - две манжеты 35 х 25 с шириной l2 =7 мм. Принимаем контактное давление pк =0,2 МПа, коэффициент трения резины fтр =0,3. По формуле определяем силу трения РF , возникающую в уплотнениях гидроцилиндра: РF 1 =p. D. fтр . pк . n, где n- число манжет. РF 1 =3,14. 0,056. 0,007. 0,3. 0,2. 106. 2 = 147,7 Н. РF 2 =3,14. 0,028. 0,007. 0,3. 0,2. 106. 2 =73,85 Н. Суммарная сила трения составит: РF =147,7 +73,85 = 221,55 Н. 2.2 Гидравлический расчет На данном этапе определим проходные сечения магистралей (трубопровод) и гидроаппаратов, а также гидравлических потерь давления при течении рабочей жидкости. Определим необходимый расход для напорной Qд и сливной Qс магистралей, принимая объемный КПД равный hо =0,9 по формулам: Qд =F. vmax /ho , Qд =24,6×10-4 ×0,187/0,9 = 0,51×10-3 м3 /с или Qд =30,6 л/мин. Qс =F. vmax . hо . d, Qс =24,6×10-4. 0, 187. 0,75. 0,9 = 0,31×10-3 м3 /с или Qс =18,6 л/мин. Принимая скорость потока жидкости : для напорной магистрали uн = 5 м/с, для сливной магистрали uc = 2 м/с. Определяем диаметр условного прохода dу для напорной и сливной магистрали по формуле: dу =(4×Q/p×uн )0,5 , dу1 =(4×0,51×10-3 /3,14×5)0,5 =0,011 м; dу2 =(4×0,31×10-3 /3,14×2)0,5 =0,014 м. Выбираем ближайшие значения из номинального ряда по ГОСТ 16516-80: для напорного и сливного трубопроводов dу1 =12 мм. и dу2 =16 мм. Площадь условного прохода трубопровода: Fy 1 = p×0,0122 /4=1,13×10-4 м2 . Fy 2 = p×0,0162 /4=2×10-4 м2 . Переходим к подбору гидроаппаратов. Выбираем распределитель типа ПГ72-33 с диаметром условного прохода dу =16 мм, номинальным расходом Qн =40 л/мин, максимальным расходом Qмах =80 л/мин. Выбираем предохранительный клапан непрямого действия типа ПГ52-23 с dу =16 мм и Qн =40 л/мин. Выбираем фильтр типа Ф7М с dу =20 мм и Qн =63 л/мин. Определяем гидравлические потери в напорной магистрали. Потери давления на дросселе: ∆Pдр=ξ×P×u2 /2=2×900×4.52 /2=0.018МПа Потери давления в местных сопротивлениях ( гидроаппаратах) равны: на фильтре-0,0024 МПа; на распределителе-0,0012 МПа. Уточняем значение скорости потока рабочей жидкости в напорной магистрали используя формулу: uн = Q/Fу1 , uн =0,51×10-3 /1,13×10-4 =4,5м/с. Определяем режим течения рабочей жидкости. В качестве которой принимаем минеральное масло ИГП-30 с кинематической вязкостью ν=30сСт и плотностью r=900кг/м3 . Определяем число Рейнольдса: Re = uн ×dу1 /ν Re = 4,5×0,012/0,3×10-4 = 1800, что меньше критического числа Re*=2300 для трубопроводов круглого сечения, следовательно, режим течения ламинарный. Выбираем параметр шероховатости в = 0,05 мм для стальных труб. Определяем коэффициент трения по формуле: lт =64/Re, lт =64/1800=0,0355. Потери давления на трение по длине lн =l1 +l2 =4+6=10 м для напорного трубопровода определим по формуле: DрТ1 =(lт ×lн ×uн 2 ×r)/2×dу1 , DрТ1 =0,0355×10×4,52 ×900/2×0,012 = 0,27МПа. Потери давления на трение в напорной магистрали: Dрд =0,27+0,0012+0,0024+0,018 = 0,29 МПа. Давление за насосом находим по формуле: po =pм +ра , где рм - магистральное давление ( магистраль), ра - атмосферное давление, МПа ра =0,1МПа. ро = 4+0,1 = 4,1 МПа. Определяем давление в поршневой камере двигателя по формуле: рд = ро -Dрд , рд = 4,1-0,29 = 3,81 МПа. Определяем давление в сливной камере. Потери давления на распределителе - 0,0012 МПа; Уточняем значение скорости потока в сливной магистрали по формуле: uc =Q/Fy 2 , uc = 0,31×10-3 /2×10-4 =1,6 м/с. Значение числа Рейнольдса составит: Re=1,6× 0,016/0,3×10-4 = 853, что также меньше критического значения, следовательно, режим течения - ламинарный. Коэффициент трения равен: lт =64/853= 0,075. Потери давления по длине lc =l3 +l4 =10 м для сливного трубопровода: DрТ2 =0,075× 10× 4,52 × 900/2× 0,016 = 0,43 МПа. Потери давления в сливной магистрали: Dрс =0,043+0,0012=0,43 МПа. Определяем давление в штоковой камере двигателя по формуле: рс = ра +Dрс , рс = 0,1+0,43 = 0,53 МПа. Вычисляем максимальное усилие, которое развивает гидроцилиндр при выбранных параметрах привода по формуле: Рmax =F1 ×( рд -d× рс )-PF , Рmax =24,6×10-4 (3,81×106 -0,75×0,53×106 )-221,55 =8191 Н, что больше полной внешней нагрузки, т. е.т.к 8191> 6351,то Pmax < Fп . Определяем гидравлический КПД привода по формуле: hгидр =(рд -d× рс )/рн -ра , hгидр =(3,81-0,75×0,53)/(4-0,1)=0,87. Таким образом, выбранные параметры обеспечивают заданный закон перемещения и силовое воздействие цилиндра. 2.3 Тепловой расчет Целью этого расчета является определение температуры жидкости, выбор необходимого по объему гидробака и определения основных параметров теплообменного аппарата. Определим потери мощности DN при течении жидкости по формуле: DN=DрТ1 ×Qд +DрТ2 ×Qс , DN=0,29×106 ×0,51×10-3 +0,43×106 ×0,31×10-3 =0,281×103 Вт. В первом приближении принимаем полезный объем гидробака равным пятиминутной номинальной подаче насоса по формуле: Vб =(180¼300)×Qс , Vб =300×0,51×10-3 =0,153 м3 =153 дм3 . Выбираем ближайшее значение из номинального ряда вместимостей гидробаков по ГОСТ 12448-80: Vб =160 дм3 . Выбираем цилиндрическую форму гидробака. Площадь стенок бака Fст в этом случае определяется по формуле: Fст =5,5×Vб 2/3 , Fст =5,5×0,162/3 =1,64 м2 . Принимаем, что теплообмен происходит при естественной циркуляции воздуха. Коэффициент kпт теплопередачи будет равен kпт =20 Вт/м2 ×о С. Определим удельную мощность теплоотдачи в окружающую среду при перепаде температуры на 1 о С по формуле: Рту =kпт ×Fст , Рту =20×1,64=32,8 Вт/о С. Определяем изменение температуры рабочей жидкости при установившемся режиме работы привода: DТ=DN/ Рту , DТ=0,281×103 /32,8=8,56 о С. При температуре окружающей среды То =20 о С температура рабочей жидкости составит Тж =20+8,56=28,56 о С, что меньше максимально допустимой температуре эксплуатации. Следовательно, выбранные параметры гидробака обеспечивают работу привода в допускаемом температурном режиме. Насос гидропривода должен обеспечивать необходимую подачу. Определяем по формуле: Qн =Qд +Qут , Qн =30,6+0,2=31 л/мин, где Qут =0,2 л/мин – утечки через предохранительный клапан. В качестве насоса выбираем пластинчатый нерегулируемый насос типа Г12-33М, обеспечивающий подачу35 л/мин. Эффективная мощность N на валу насоса определяем по формуле: N= Qн ×рм /60, N=31×4/60=2,06 кВт. Потребляемую при этом мощность Nпотр насоса находим по формуле: Nпотр =N/h, Nпотр =2,06/0,82=2,51 кВт. Крутящий момент М на приводном валу насоса определяем по формуле: М=р×w/2×p×hмех , где w- рабочий объем, см3 . М=4×40/2×3,14×0,9=28,3 Нм, Выбранные параметры обеспечивают работу привода в заданном режиме. 2.4 Расчет направляющих В качестве направляющей выбираем направляющую жидкостного трения с замкнутой гидростатической опорой с регулируемым расходом (рис. 1).
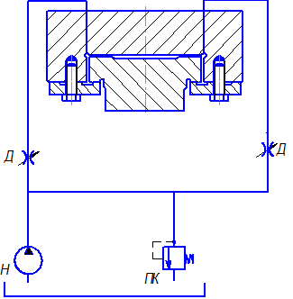
Рис. 1 Схема питания гидростатической направляющей Данные для расчета направляющих: B = 0,236 м (ширина направляющей); L = 1 м (длина направляющей); b = 0,15 м (ширина кармана); l = 1 м (длина кармана); h = 0,0001 м (величина рабочего зазора, выбирается в зависимости от длины); ε = 0 м (относительное смещение направляющей); k = 1 (относительное различие в противоположных опорах); Определяем грузоподъемность: P = pн FcF cp ; где: pн – давление на насосе; pн = 2 МПа; F – площадь кармана; F = b. l; F = 0,3 м2 ; сF – коэффициент формы опоры и кармана: сF = 1/6LB(2LB+lB+2lb+Lb); сF = 1/1,416(0,472+0,236+0,3+0,15) = 0,61 cp , сj – коэффициенты, зависящие от ε и k, определяются по кривым: cp = 1, сj = 1; P = 2. 106. 0,3. 0,61. 1 = 0,366. 106 кгс = 3,66. 106 Н; Определяем жесткость опоры: j = - 3pн FcF cj /h; j = - 3. 2. 106. 0,3. 0,61. 1/0,0001 = - 14724. 106 кгс. м2 = - 10980. 106 Н. м2 ; Оптимальная динамическая вязкость рабочей жидкости: μ = 10h2 /υ(5pн 2 /3ср F)0.5 ; μ = (0,32. 10-6. (22,22. 106 )0,5 )= 1,51 = 1,51 Па. с; Выбираем индустриальное масло марки ИГП – 18 с ρ = 900 кг/м3 и ν=16,7 сСт. Определяем демпфирующую силу: P = μL/h3 (B3 – b3 ); P = 1,51. 1. 0,033196 /1. 10-12 = 50,12. 109 Н. 3. Устройство и принцип работы привода Конструкция привода. Гидропривод двухстороннего действия состоит из гидроцилиндра ГЦ , распределителя Р , предохранительного клапана ПК , редуктора потока РП , фильтра Ф и насоса Н . Принцип работы привода. Рабочая жидкость, подаваемая насосом Н , под давлением, определяемым настройкой предохранительного клапана ПК , поступает через фильтр Ф и распределитель Р в левую полость гидроцилиндра ГЦ . Поршень цилиндра Ц находится в крайнем левом положении. После переключения распределителя Р жидкость подается в левую полость цилиндра Ц , давление в ней начинает расти, а в правой полости, которая соединяется через распределитель и регулятор потока РП с баком, давление падает. Регулятор потока РП обеспечивает постоянство скорости гидроцилиндра независимо от внешней нагрузки. Когда перепад давлений на поршне достигнет величины, достаточной для преодоления сил сопротивления поршень начинает двигаться. После того как поршень достигнет крайнего правого положения, по команде от системы управления распределитель Р переключается, соединяя правую полсть цилиндра Ц с магистралью с давлением рм , а левую полость – через распределитель потока РП с баком. Поршень возвращается в исходное положение в той же последовательности. Далее цикл повторяется. Таким образом, как при прямом, так и при обратном ходе имеется начальный перепад давлений на поршне. Заключение Качество разрабатываемых приводов в значительной мере закладывается на стадии проектирования, успех которого связан с уровнем теоретических знаний инженера-конструктора, объёмом его практических навыков и умением работать творчески. Основы теоретических знаний составляет понимание физических процессов гидро- и пневмоприводов умение представлять их в математической форме и анализ свойства приводов по математическим моделям. Практические навыки инженеру нужны для проведения расчетов на ЭВМ, выполнения чертёжно-технической документации и участия в экспериментальных исследованиях. Важное условие творческой работы инженера – изучение и критическое осмысление накопленного опыта работы и эксплуатации гидро- и пневмоприводов. Литература 1. Анурьев В.И. Справочник конструктора-машиностроителя: в 3-х томах. Т. 3, - 6-е изд., перераб. и доп. – М.:1982. – 576с. 2. Ручкин Л.В. Гидропривод технологических машин и оборудования Ч.1: Учеб. Пособие. Красноярск: САА, 1999. – 96 с. 3. Гидравлика, гидромашины и гидроприводы: Учебник для машиностроительных вузов/Т.М.Башта, С.С.Руднев, Б.Б.Некрасов и др. – 2-е изд., перераб. – М.: Машиностроение, 1982. – 423 с.: ил. 4. Навродский К. Л. Теория и проектирование Гидро- и пневмоприводов: Учебник для студентов вузов по специальности «Гидравлические машины, гидроприводы и гидропневмоавтоматика». – М., Машиностроение, 1991.- 384с. 5. Свешников В.К., Усов А.А. станочные гидроприводы: Справочник. – 2-е изд., перераб. и доп. – М.: Машиностроение, 1988. – 512 с.: ил. |


