Лабораторная работа: Гироскопическая курсовертикаль
|
Название: Гироскопическая курсовертикаль Раздел: Рефераты по коммуникации и связи Тип: лабораторная работа |
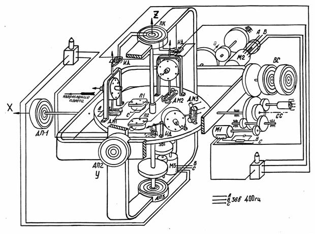
Московский Авиационный Институт (Государственный Технический Университет) Отчет по лабораторной работе по дисциплине: «Гироскопические системы» По теме «Гироскопическая курсовертикаль» Выполнил: студент гр. 03-411 Смирнов С.Ю Принял преподаватель Корягин Л.И Москва 2009г. Состав 1. Гироскопический агрегат состоит из следующих основных узлов: 1) трех гироскопических узлов одинаковой конструкции; 2) корректирующего устройства; 3) трех датчиков дистанционной передачи; 4) разгрузочных электродвигателей с редукторами; 5) токоподводов; 6) преобразователя координат; 7) курсовой, продольной и поперечной кардановых рам; 8) основания с амортизаторами и кожухом; 9) виражного механизма с виражным маятниковым и силовым сельсином; 10) группы конденсаторов и сопротивлений для регулирования процесса координированного разворота.
Назначение и принцип действия Гироскопический агрегат предназначен для измерения курса самолета и положения самолета относительно горизонта. Также гироскопический агрегат служит датчиком управляющих сигналов (выдаваемых в виде напряжений переменного тока), пропорциональных углам отклонения самолета от заданного курса и горизонта. Гироскопический агрегат представляет собой стабилизированную “географически” платформу P. Платформа помещена в кардановом подвесе с осями Гироскопы В и С имеют степени свободы относительно платформы Р и, соответственно, вокруг осей Гироскоп А стабилизирует платформу в азимуте, гироскопы В и С стабилизируют платформу в горизонте. Для сохранения указанного расположения гироскопов относительно платформы Р применены разгрузочные или стабилизирующие двигатели M1, М2 и М3. Под действием моментов сил трения в осях карданова подвеса и оси платформы, а также, если платформа имеет некоторую «маятниковость», под действием моментов сил тяжести и сил инерции, возникающих при маневрах самолета, гироскопы будут прецессировать вокруг своих осей прецессии. Работу компенсации действия внешних моментов на гироскопы и выполняют разгрузочные двигатели, удерживая гироскопы вблизи их нормального положения относительно платформы Р. Разгрузочный двигатель M1 укреплен жестко на основании гироскопического агрегата (основание неизменно связано с самолетом). Через редуктор ось ротора двигателя M1 соединена с осью Измерение величины и определение знака угла отклонения гироскопов относительно платформы Р под воздействием внешних моментов производится с помощью трех стержневых индукционных датчиков ИД, укрепленных на оси прецессии каждого гироскопа. Напряжение, снимаемое с индукционного датчика, усиливается усилителем и подводится в виде управляющего напряжения к соответствующему разгрузочному двигателю. Каждый из этих двигателей при получении управляющего напряжения развивает момент, равный и противоположный по знаку возмущающему моменту. Таким образом, происходит компенсация (или разгрузка) возмущающих моментов, вследствие чего оси карданова подвеса оказываются “освобожденными” от трения. Для контроля горизонтального положения платформы и для коррекции в горизонте служат установленные на платформе жидкостные переключатели П1 и П2. Жидкостный переключатель является чувствительным элементом системы коррекции в горизонте. Каждый из переключателей представляет собой контактный уровень (описание переключателей см. в гл. II, раз.13). Коррекция происходит следующим образом в каждом переключателе к одной паре противоположно расположенных контактов подключены электромагнитные датчики моментов (ДМ1, ДМ2). Переключатели расположены на платформе P таким образом, что контакты, соединенные с датчиком моментов, расположены на перпендикулярных осях. При отклонении платформы P от горизонтального положения одна из катушек соответствующего электромагнитного датчика моментов включается и на гироскоп накладывается вращающий момент относительно его оси прецессии. В результате воздействия этого момента платформа вместе с гироскопом будет прецессировать к горизонтальному положению. В азимуте платформа в рабочем режиме корректируется путем подачи сигналов переменного тока на ту или другую катушку датчика моментов гироскопа А от постороннего источника (например, компаса). Для создания ускоренной коррекции платформы в азимуте (например, для быстрого согласования ее положения с компасом) к датчику моментов курсового гироскопа подается постоянный ток. Распределение управляющих сигналов от датчиков гироскопов B и C по соответствующим разгрузочным двигателям выполняется с помощью преобразователя координат ПК. Это делается потому, что платформа вместе с гироскопами и датчиками, управляющими разгрузочными двигателями М1 и М2 стабилизирована относительно пространственных координат, а сами разгрузочные двигатели ориентированы по осям самолета. Поэтому связь между индукционными датчиками и разгрузочными двигателями должна координироваться в соответствии с расположением гиромоторов B и C относительно горизонтальных осей карданного подвеса. Преобразователь координат Преобразователь координат используется в гироскопическом агрегате автопилота в качестве фазовращателя, дающего два напряжения, фаза которых соответствует углу поворота ротора и имеет взаимный сдвиг 90°. В гироскопическом агрегате преобразователь координат преобразует величину напряжений, соответствующие системе координат ориентированной относительно Земли в величины напряжений, соответствуют системе координат, жестко связанной с самолетом (отсюда и название).
Преобразователь координат представляет собой индукционный фазорегулятор, выполненный по типу асинхронной машины с трехфазной обмоткой на статоре и двумя раздельными обмотками на роторе, оси которых сдвинуты между собой на 90°. При питании, обмотки статора трехфазным напряжением в индукционной системе преобразователя координат возникает круговое вращающееся поле, которое не зависит от положения ротора (при симметричной нагрузке вторичных обмоток), что в свою очередь обуславливает соответствие фаз напряжений на обмотках ротора углу поворота ротора. Практически напряжение на обмотках ротора несколько колеблется при повороте, что обусловлено инструментальными погрешностями. Напряжения на обмотках ротора могут быть выражены следующим образом: U' рот = kU1 sin(wt + a) U'' рот = kU2 cos(wt + a) гдеа - угол поворота ротора относительно начального положения соответствующего нулевому фазовому сдвигу относительно оси одной из обмоток ротора. Съем сигналов, пропорциональных угловому отклонению самолета и дистанционная передача их приемникам для дальнейшей отработки и съема производится с помощью системы сельсиновой дистанционной передачи, состоящей из плоских сельсинов. Датчики ДП1, ДП2 и ДП3 этой системы установлены на каждой из осей карданного подвеса, в результате чего имеется возможность получать сигналы, пропорциональные отклонению самолета по крену, курсу и тангажу. |

