Контрольная работа: Основи електротехніки
|
Название: Основи електротехніки Раздел: Рефераты по физике Тип: контрольная работа |
Задача 1Задано величини напруги на вхідних затисках схеми й опору. Визначити струми у всіх вітках схеми (рис. 1.0).
Рис. 1.0Вихідна схема Дано: U = 100 В; R1 = 10 Ом; R2 = 20 Ом; R3 = 7 Ом; R4 = 8 Ом; R5 = 10 Ом; R6 = 20 Ом; R7 = 10 Ом; R8 = 5 Ом; R9 = 5 Ом. Визначити: струми в вітках. Рішення:
Рис. 1.1Проставимо напрямки струмів у вітках від (+) до (-). Позначимо вузли а, в, с, d. Проставимо напрямки напруг на паралельних ділянках кола Uав , Ucd . Схему перетворимо до еквівалентного опору.Опори R7 , R8 і R9 з'єднані послідовно і еквівалентний опір цієї вітки дорівнює: R789 = R7 + R8 + R9 = 10 + 5 + 5 = 20 Ом (Рис. 1.1).Опори R6 і R789 з'єднані паралельно і їх еквівалентний опір: R6-9 = R6 · R789 /( R6 + R789 )=20·20/(20+20)= 10 Ом (Рис. 1.2).
Опори R5 і R6-9 з'єднані паралельно і їх еквівалентний опір (опір паралельної ділянки кола cd): Rcd = R5 · R6-9 /( R5 + R6-9 ) = 10·10/(10+10) = 5 Ом (Рис. 1.3). R1 R1 R2 R3-9Опори R3 , Rcd і R4 з'єднані послідовно і їх еквівалентний опір: R3-9 = R3 + Rcd + R4 = 7 + 5 + 8 = 20 Ом (Рис. 1.4).
Опори R2 і R3-9 з'єднані паралельно і їх еквівалентний опір (опір паралельної ділянки кола ав): Rав = R2 · R3-9 /( R2 + R3-9 ) = 20·20/(20+20) = =10 Ом (Рис. 1.5). Еквівалентний опір усього кола (опори R1 і Rав з'єднані послідовно): Rекв = R1 + Rав = 10 + 10 = 20 Ом (рис. 1.6). Струми визначаємо за допомогою закону Ома, розглядаючи схеми в зворотному порядку. Сила струму на вході кола: I1 = U/Rекв = 100/20 = 5 А. Напруга на паралельній ділянці ав: Uав = I1 ·Rав = 5·10 = 50 В. Сила струму: I2 = Uав/R2 = 50/20 = 2,5 A. Сила струму: I3 = I4 = Uав/R3-9 = 50/20 = 2,5 А. Напруга на паралельній ділянці cd: Ucd = I3 ·Rcd = 2,5·5 = 12,5 В. Силаструму: I5 = Ucd/R5 = 12,5/10 = 1,25 A. Силаструму: I6 = Ucd/R6 = 12,5/20 = 0,625 A. Силаструму: I7 = Ucd/R789 = 12,5/20 = 0,625 A. Перевірка правильності рішення по першому закону Кірхгофа. Вузол а: I1 – I2 – I3 = 0; 5 – 2,5 – 2,5 = 0. Вузол c: I3 – I5 – I6 – I7 = 0; 2,5 – 1,25 – 0,625 – 0,625 = 0. Задача 2Дані всі ЕРС і опори в схемі (рис. 2.1). Потрібно: 1. Скласти рівняння Кірхгофа (не вирішуючи). 2. Перетворити пасивний трикутник опорів в еквівалентну зірку і визначити струми віток методами контурних струмів і двох вузлів. 3. Скласти баланс потужностей. 4. Побудувати потенційну діаграму для контуру, що містить обидві ЕРС.
Рис.2.1Вихідна схема Дано: E1 = 60B, E2 = 40 Ом, R1 = 8 Oм, R2 = 10 Oм, R3 = 12 Oм, R4 = 16 Oм, R5 = R6 = R7 = 30 Oм Рішення: 1. Довільно проставляємо в вітках напрямки струмів і вибираємо напрямки обходів обраних контурів. Складаємо рівняння за законами Кірхгофа. Перший закон. Для вузла 1 I7 + I5 - I1 = 0. Длявузла 2 I2 - I6 - I5 = 0. Длявузла 3 I3 + I6 - I7 = 0. Другий закон. Для контуру А E1 + E2 = I1 ·R1 + I2 ·R2 + I5 ·R5 . Для контуру В E2 = I2 ·R2 – I3 ·(R3 + R4 ) + I6 ·R6 . Для контуру С 0= I7 ·R7 – I5 ·R5 + I6 ·R6 . 2. Перетворимо пасивний трикутник опорів в еквівалентну зірку (рис. 2.2).
Рис.2.2. Перетворення трикутника опорів у еквівалентну зірку Так як опори трикутника однакові, то еквівалентні опори зірки (рис. 2.2) також однакові і рівні:
Рис.2.3. Розрахункова схема Опори віток (рис.2.3) після перетворення трикутника в еквівалентну зірку рівні: R1 / = R1 + R57 = 8 + 10 = 18 Ом; R2 / = R2 + R56 = 10 + 10 = 20 Ом; R3 / = R3 + R4 + R67 = =12 + 16 + 10 = 38 Ом. 1. Визначимо струми по методу контурних струмів (рис. 2.3). Для цього складемо контурні рівняння. E1 + E2 = J1 ·(R1 / + R2 / ) + J2 · R2 / . E2 = J1 ·R2 / + J2 ·(R2 / + R3 / ). Підставимо чисельні значення. 100 = J1 ·38 + J2 ·20. 40 = J1 ·20+ J2 ·58. Контурні струми знаходимо за допомогою методу визначників.
J1 = ∆1 /∆ = 5000/1804 = 2,77. J2 = ∆2 /∆ = - 480/1804 = - 0,266. Визначимо струми в вітках. I1 = J1 = 2,77 A; I2 = J1 + J2 = 2,77 – 0,266 = 2,504 A. I3 = - J2 = - 0,266 A. Знак мінус свідчить про те, що струм у третій вітці в дійсності тече в зворотному напрямку. 2. Визначимо струми за допомогою методу двох вузлів (рис. 2.3). Спочатку визначимо вузлову напругу.
g1 , g2 , g3 – провідності відповідних віток.Далі визначимо струми в вітках. I1 = (E1 +UАВ )/ R1 / = (60- 10,11)/18 = 2,77 A. I2 = (E1 -UАВ )/ R2 / = (40 + 10,11)/20 = 2,505 A. I3 = -UАВ / R3 / = -10,11/38 = - 0,266 A. 3. Складемо баланс потужностей. Потужність, споживана від джерел ЕРС, повинна бути дорівнювати потужності, виділюваної в навантаженні (в опорах): Рсп о ж = Рнагр . E1 · I1 + E2 · I2 = I1 2 · R1 / +I2 2 · R2 / + I3 2 ·R3 / . 60 · 2,77 + 40 ·2,505 = 2,772 · 18 + 2,5052 · 20 + 0,2662 · 38. 266,4 = 266,3. Погрішність розрахунків:
Точність розрахунку досить висока. 4. Для побудови потенційної діаграми визначимо потенціали всіх точок, попередньо прийнявши потенціал точки В рівним нулеві. jB = 0; jÑ = jB E1 = - 60 B; jÀ = jC + I1 ·R1 = - 60 + 2,77·18 = - 10,14 B; jD = jÀ + I2 ·R2 = -10,14 + 2,505·20 = 40 B; jB = jD E2 = 0.
Рис.2.4. Потенційна діаграма Задача 3 По заданих величинах визначити для кола (рис. 3.1) перемінного струму частотою f =50 Гц при амплітуді Uм і початковій фазі φu : 1. Показання приладів електромагнітної системи (вольтметра, амперметра і ватметра). 2. Побудувати в масштабі векторну діаграму напруг і струму. 3. Записати миттєві значення напруги і струму на вході кола: i = Iм ּ Sin(ω·t + φi ) и U = Uм ּ Sin(ω·t + φu ).
Рис.3.1. Розрахункова схема. Дано: Uм =100 В, φu = 10о ; R1 =20 Ом, R2 =25 Ом; L1 = 63,8 мГн; С1 = 100 мкФ. Рішення: Діюче значення напруги (показання вольтметра): U = Uм /1,41 = 100/1,41 = 70,71 В. Миттєве значення напруги: U = 100 ּ Sin(ω·t + 10о ). Опори: XL1 = ω·L1 = 2·π· f · L1 = 2·π· 50 ·63,8·10-3 = 20 Ом. XС1 = 1/(ω·С1) = 1/(2·π· f ·З1 ) = 1/(2·π· 50 ·100·10-6 ) = 32 Ом. Модуль повного опору кола: z = [(R1 + R2 )2 + (XL1 – XC1 )]0,5 = [452 + (-12)2 ]0,5 = 46,57 Ом. Зсув фаз між струмом і напругою: φ = arc tg (XL1 – XC1 )/(R1 + R2 ) = arc tg(-12/45) = - 14,93o . Модуль струму в колі (показання амперметра): I = U/z = 70,71/46,57 = 1,52 А. Амплітудне значення струму: Iм = I·1,41 =1,52 · 1,41 = 2,15 А. Початкова фаза струму: φi = φu – φ = 10o + 14,93o = 24,93o . Миттєве значення струму: I = 2,15 ּ Sin(ω·t + 24,93о ). Активна потужність у колі (показання ватметра): P = I2 · (R1 + R2 ) = 1,522 · (20 + 25) = 104 Вт. Для побудови векторної діаграми (рис. 3.2) визначимо модулі спадань напруги на кожнім елементі кола. UR1 = I·R1 = 1,52 · 20 = 30,4 В; UL1 =I · XL1 =1,52 · 20 = 30,4 В; UR2 = I ·R2 = 1,52 · 25 = 38 В; UC1 = I ·XC1 = 1,52·32 =48,64 В. Виберемо масштаби. Для струму – довільний. Для напруг – 0,5 В в 1мм. При побудові векторної діаграми враховуємо другий закон Кірхгофа: Ủ = ỦR 1 + ỦL 1 + ỦR 2 + ỦC 1 .
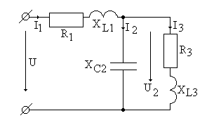
Рис.3.2. Векторна діаграма Задача 4Задано значення напруги і всіх опорів у колі (рис. 4.1). Потрібно: 1. Визначити струми I1 , I2 , I3 , напругу U2 і cosj кожної ділянки кола. 2. Обчислити активну, реактивну і повну потужності всього кола. 3. Побудувати в масштабі векторну топографічну діаграму струмів і напруг.
Рис.4.1. Розрахункова схема Дано: вхідна напруга U=380B; опори R1 =185 Ом, R3 = 210 Ом, XL1 = 203 Ом, XL3 = 195 Ом, XC2 = 200 Ом. 1. Визначимо повні опори віток. Показник оператора в градусах. Z1 = R1 + jXL1 = 185 + j203 = 274,65 ·e j 47,66 ; Z2 = - jXC2 = - j200 = 200·e - j90 ; Z3 = R3 + jXL3 = 210 + j195 = 286,57·e j 43 . Визначимо повний опір паралельної ділянки кола.
Визначимо повний опір усього кола. Z = Z1 + Z23 = 185 + j 203 + 186 - j 200 = 371 + j 3 ≈ 371. Визначимо комплексні значення струмів за допомогою закону Ома. Повний струм
Спадання напруги на паралельній ділянці кола в комплексній формі.
Струми в паралельних вітках у комплексній формі.
(Перевірка правильності визначення струмів по першому закону Кірхгофа: Визначимо Cosφ кожної ділянки кола. Cosφ1 = R1 /Z1 = 185/274,65 = 0,67; Cosφ2 = R2 /Z2 = 0/200 = 0; Cosφ3 = R3 /Z3 = 210/286 = 0,73. 2. Визначимо потужності. Комплекс повної потужності всього кола.
Модуль повної потужності всього кола S = 390 (B·A). Активна потужність усього кола Р = 390 (Вт). Реактивна потужність усього кола Q = 0 (В·Ар).
3. Для побудови топографічної векторної діаграми (рис. 4.2) знайдемо спадання напруги в комплексній формі на кожнім елементі в вітках кола.
Виберемо масштаби. Для векторів струмів: 0,1А – 1 см; для векторів напруг: 40В – 1 см. При побудові сполученої векторної діаграми струмів і напруг враховувати закони Кірхгофа.
Рис.4.2. Векторна діаграма Задача 5.1По заданих параметрах і лінійній напрузі визначити фазні і лінійні струми, активну потужність усього кола і кожної фази окремо (рис. 5.1). Побудувати топографічні векторні діаграми струмів і напруг на комплексній площині.
Рис.5.1. Розрахункова схема Дано: Uл =127 В; Rав = 4 Ом; Rвс = 8 Ом; Rса = 6 Ом; Xав = 3 Ом; Xав = 3 Ом; Xвс = 4 Ом; Xса = 8 Ом. Рішення: Визначимо повні опори фаз у комплексному виді. Показник оператора в градусах. Zав = Rав + j Xав = 4 + j3 = 5 · e j 36,87 . Zвс = Rвс + j Xвс = 8 + j3 = 8,544 · e j 20,556 . Zса = Rса + j Xса = 6 + j8 = 10 · e j 53,13 . Представимо вектори лінійних напруг на комплексній площині, сполучивши вектор напруги Ủвс із дійсною віссю комплексної площини (рис. 5.1.1), і запишемо їх у комплексному виді.
Рис.5.1 .1. Векторна діаграма напруг Визначимо фазні струми за законом Ома.
Визначимо лінійні струми за допомогою першого закону Кірхгофа.
Визначимо активні потужності у фазах. Рав = Iав 2 · Rав = 25,42 · 4 = 2580,64 Вт. Рвс = Iвс 2 · Rвс = 14,862 · 8 = 1766,66 Вт. Рса = Iса 2 · Rса = 12,72 · 6 = 967,74 Вт. Визначимо активну потужність усього кола. Рав + Рвс + Рса = 2580,64 + 1766,66 + 967,74 = 5315,04 Вт. Для побудови векторної діаграми (рис. 5.1.2) виберемо масштаби. МU : 3 В в 1 мм. МI : 0,5 А в 1 мм.
Рис.5.1.2. Векторна діаграма напруг і струмів Задача 5.2По заданих параметрах і лінійній напрузі визначити фазні і лінійні струми і струм у нейтральному проводі, активну потужність усього кола і кожної фази окремо (рис. 5.2). Побудувати топографічні векторні діаграми струмів і напруг на комплексній площині.
Рис.5.2 Дано: Uл =254 В; Ra = 3 Ом; Rв = 4 Ом; Rс = 6 Ом; Xа = 4 Ом; Xв = 3 Ом; Xс = 8 Ом. Рішення: Визначимо повні опори фаз у комплексному виді. Показник оператора в градусах. Zа = Rа - jXа = 3 – j4 = 5·e –j53,13 . Zв = Rв + jXв = 4 + j3 = 5 · e j36,9 . Zс = Rc + jXс = 6 + j8=10·e j53,13 .
Рис.5.2.1. Векторна діаграма напруг Представимо вектори фазних напруг на комплексній площині (рис. 5.2.1), сполучивши вектор напруги Uф = Uл /1,73 = 254/1,73 = 147 В.
Визначимо фазні струми за законом Ома (при з'єднанні навантаження зіркою рівні лінійним).
Визначимо струм у нульовому проводі за допомогою першого закону Кірхгофа.
= - 3,63 + j25,51 = 25,77 · e j 98,1 . Визначимо активні потужності у фазах і всьому колі. Ра = Iа 2 · Rа = 29,42 ·3 = 2593 Вт. Рв = Iв 2 · Rв = 29,42 ·4 = 3457 Вт. Рс = Iс 2 · Rс = 14,72 ·6 = 1297 Вт. Р = Ра + Рв + Рс = 2593 + 3457 + 1297 = 7347 Вт. Для побудови векторної діаграми (рис. 5.2.2) виберемо масштаби. МU : 3 В в 1 мм. МI : 0,5 А в 1 мм.
Рис. 5.2.2. Векторна діаграма напруг і струмів Задача 5.3По заданих параметрах і лінійній напрузі визначити фазні і лінійні струми і струм у нейтральному проводі, активну потужність усього кола і кожної фази окремо (рис. 5.3). Побудувати топографічні векторні діаграми струмів і напруг на комплексній площині.
Рис.5.3. Розрахункова схема Дано: Uл =220 В; Rв = 3 Ом; Xа = 15 Ом; Xс = 10 Ом. Рішення: Визначимо повні опори в комплексному виді. Показник оператора в градусах. Zа = jXа = j15 = 15 · e j90 . Zв = Rв = 3. Zс = - jXс = - j10 = 10 · e - j90 .
Рис.5.3.1. Векторні діаграми напруг генератора (а) і навантаження (б) Представимо вектори фазних напруг генератора на комплексній площині (рис. 5.3.1 а), сполучивши вектор напруги генератора ỦА з дійсною віссю комплексної площини, і запишемо них у комплексному виді. Модуль фазної напругиUф = Uл /1,73 = 220/1,73 = 127 В.
Визначимо зсув нейтралі.
Визначимо фазні напруги навантаження (див. рис. 5.3.1 б).
Визначимо фазні струми за законом Ома (при з'єднанні навантаження зіркою рівні лінійним).
По першому закону Кірхгофа сума струмів у комплексному виді повинна дорівнювати нулеві.
Визначимо активні потужності у фазах і всьому колі. Ра = Iа 2 · Rа = 18,5642 ·0 = 0. Рв = Iв 2 · Rв = 19,572 ·3 = 1149 Вт. Рс = Iс 2 · Rс = 25,862 ·0 = 0. Р = Ра + Рв + Рс = 0 + 1149 + 0 = 1149 Вт. Для побудови векторної діаграми виберемо масштаби. МU : 4 В в 1 мм. МI : 0,5 А в 1 мм.
Рис.5.3.2. Векторні діаграми напруг та струмів Задача 6До лінії трифазного струму (рис. 6.1) промислової частоти з напругою 380/220В за допомогою рубильників приєднуються споживачі: а) лампи накалювання загальною потужністю Ра, Рв і Рc на напругу 220В; в) індуктивні котушки з повним опором Zав =Zвс =Zса =19(Ом) при фазному куті зрушення Δφ у кожній фазі на напругу 380 В. Вважаючи рубильники Кi включеними зобразити спрощену схему, а також: 1) визначити лінійні струми, споживані споживачами, включеними трикутником, накреслити векторну топографічну діаграму навантаження, з'єднаної трикутником; 2) визначити лінійні струми, споживані споживачами, включеними зіркою, накреслити векторну топографічну діаграму навантаження, з'єднаною зіркою; 3) накреслити окремо сполучену векторну топографічну діаграму. Сполучену діаграму вичертити крупно на окремому листі; 4) визначити показання амперметрів у схемі і струм нульового проводу, користуючись графічним методом (по сполученій діаграмі).
Рис. 6.1. Схема в загальному виді Дано: включені рубильники К1 , К2 , К3 , К4 , К5 , К6 ; Δφ = 30о , РА = 4400 Вт, РВ = 2200 Вт, РС = 4400 Вт, f = 50 Гц. Рішення: Розрахункова схема представлена на рис. 6.2. Задачу вирішуємо розрахунково-графічним методом.
Рис.6.2. Розрахункова схема 1. Модулі фазних струмів трикутника: Iав = Iвс = Iса = Uл /Zав = 380/19 = 20 А. Лінійні струми в комплексній формі по першому закону Кірхгофа:
Будуємо векторну діаграму (рис. 6.3), прийнявши масштаби: напруг – 44 В в 1 см; струмів – 5 А в 1 см.
Рис.6.3. Векторна діаграма напруг та струмів Так як навантаження симетрично, то лінійні струми навантаження, з'єднаної трикутником, однакові і відповідно до масштабу: IA∆ = IB∆ = IC∆ = 5 (A/см) · 6,93 см = 36,65 А. 2. Модулі фазних (рівні лінійними при з'єднанні зіркою) струми зірки: IAY = ICY = РА /Uф = 4400/220 = 20 А. IВY = РВ /Uф = 2200/220 = 10 А. Будуємо векторну діаграму в тих же масштабах (рис. 6.4).
Рис.6.4. Векторна діаграма Струм нульового проводу: З діаграми відповідно до масштабу: I0 = 5(A/см)·2(см) = 10 А. 3. Будуємо сполучену векторну діаграму струмів і напруг у тих же масштабах струмів (рис. 6.5), за допомогою якої визначаємо лінійні струми всього кола (показання амперметрів і струм нульового проводу). Відповідно до першого закону Кірхгофа в комплексній формі:
З діаграми відповідно до масштабу: IA = 5 (A/см)∙ 10,5 (см) = 8,6 А; IB = 5 (А/см) ∙ 8,6 (см) = 43 А; IC = 5 (А/см) ∙ 10,5 (см) = 52,5 А; I0 = 5 (А/см) ∙ 2 (см) = 10 А.
Рис.6.5. Сумісна векторна діаграма Література1. МорозовА.Г. Электротехника, электроника и импульсная техника: Учеб. пособие для инженерно-экономических специальностей вузов. - М.: Высш.шк.1987.-448с. 2. Электротехника. Учеб. пособие для вузов под ред. Пантюшина В.С.-М.: Высш. шк. 1985.-373с. 3. Борисов Ю.М., Липатов Д.Н., Зорин Ю.Н. Электротехника.- М.: Энергоатомиздат,1985.-552с. 4. Пантюшин И.С. Сборник задач по электротехнике.-М.: Высш. шк. 1973.-253с. |









































