Курсовая работа: Параметры выпрямительно-инверторного преобразователя, выполненного по шестипульсовой мостовой схеме
|
Название: Параметры выпрямительно-инверторного преобразователя, выполненного по шестипульсовой мостовой схеме Раздел: Рефераты по физике Тип: курсовая работа | ||||||||||||||||||||||||||||||||||||||||||||||||||||||||||||||||||||||||||||||||||||||||||||||||||||||||||||||||||||||||||||||||||||||||||||||||||||
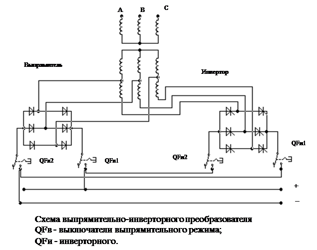
ФЕДЕРАЛЬНОЕ АГЕНТСТВО ЖЕЛЕЗНОДОРОЖНОГО ТРАНСПОРТА Иркутский государственный университет путей сообщения Кафедра: «ЭЖТ» Дисциплина: “Электронная техника и преобразователи” Курсовая работа Расчет параметров выпрямительно-инверторного преобразователя, выполненного по шестипульсовой мостовой схеме Выполнил: ст. гр. ЭНС-06-1-2 Черепанов А.В. Проверил: преподаватель кафедры Ушаков В.А. Иркутск 2008 г. Оглавление 1.Задание. 3 2.Требуется. 5 3. Выбор типа вентилей. 6 4. Расчёт проектных параметров трансформатора. 10 4.1 Выпрямитель: 10 4.2. Инвертор. 11 5. Расчёт числа параллельно включенных вентилей плеча. 12 5.1. Выбираем неуправляемый вентиль для выпрямителя: В2-320. 12 5.2. Выбираем управляемый вентиль для инвертора: Т9-250. 12 5.3. Выпрямитель. 12 5.4. Инвертор: 13 6.Расчёт числа последовательно включенных вентилей. 14 6.1 Выпрямитель. 14 6.2 Расчет стоимости вентильного плеча выпрямителя. 14 6.3. Инвертор. 15 6.4 Расчет числа вентилей в инверторном плече. 15 7.Расчёт характеристик преобразователя. 16 7.1. Расчёт внешней характеристики выпрямителя. 16 7.2. Расчёт внешней характеристики инвертора. 16 7.3. Ограничительная характеристика инвертора. 16 7.4 Углы коммутации мостового ВИП (эл.град.) 16 7.5 Коэффициенты мощности мостового ВИП.. 17 7.6 Максимальные токи инвертора: 17 8. Расчет параметров устройства выравнивания напряжения. 18 8.1. Выпрямитель на лавинных вентилях: В2-320. 18 8.2. Инвертор на нелавинных вентилях.: Т9-250. 18 9. Выбор схемы выравнивания тока в параллельно включенных ветвях вентильного плеча. 19 10. Моделирование выпрямительно-инверторного преобразователя в среде MATLAB.. 20 10.1. Моделирование работы выпрямителя в номинальном режиме и режиме короткого замыкания. 20 1.ЗаданиеТрёхфазный мостовой выпрямительно-инверторный преобразователь (ВИП) питается от сети с номинальным напряжением Uс=U1л и заданными пределами колебания этого напряжения %Uс. Известна мощность короткого замыкания Sкз, характеризующая реактанс связи точки подключения ВИП и шин бесконечной мощности энергосистемы. Заданы следующие параметры и соотношения для ВИП: - Напряжение короткого замыкания трансформатора Uк%; - Среднее значение выпрямленного напряжения и тока в номинальном режиме (Udн, Idн); - Соотношение числа витков вентильных обмоток инвертора и выпрямителя Ки=U2и/U2в; - коэффициенты повторяющихся и неповторяющихся перенапряжений Кп, Кнп. Номинальные мощности выпрямителя и инвертора одинаковы S1в=S1и.
Расчитать проектные параметры трансформатора и выбрать его по стандартной шкале мощностей. Выбрать типы вентилей с воздушным охлаждение для выпрямителя и инвертора и, варьируя класс вентилей К, расчитать параметры вентильных плеч, обеспечивающих номинальный режим и устойчивость к перенапряжениям заданой величины и токам аварийных режимов выпрямителя и инвертора. Определить наиболее дешёвый комплект вентилей. Расчитать параметры цепей выравнивания обратных напряжений последовательно соединённых вентилей и выбрать схему выравнивания токов в паралельных ветвях вентильных плеч соответственно для выпрямителя и инвертора. Нарисовать схему вентильного плеча. Выполнить расчёты и построение внешней характеристики выпрямителя, внешних и ограничительной характеристики инвертора, коэффициентов мощности выпрямителя и инвертора. Построить временные диаграммы фазных напряжений вентильных обмоток выпрямителя и инвертора с отображением коммутационных процессов, диаграммы токов в этих обмотках, мгновенных значений выпрямленного напряжения и напряжения инвертора, напряжения на одном из вентилей. Построить векторные диаграммы напряжения и первой гармоники сетевого тока для выпрямительного и инверторного напряжений. 3. Выбор типа вентилейИспользуя данные таблицы подстановок и построенные на данных таблицы диаграммы, выберем тип и класс неуправляемого вентиля, обеспечивающего наилучшие технико-экономические показатели при разных значениях скорости охлаждающего воздуха (12; 6 и 0 м/сек).
Наилучшие технико-экономические показатели выпрямителя для неуправляемого вентиля типа В2-320 обеспечиваются при скорости охлаждающего воздуха 12 и 6 м/сек. По диаграммам определяем тип неуправляемого вентиля: В2-320, при скорости охлаждающего воздуха 6 м/сек. Стоимость плеча: 418 руб., число вентилей плеча:1. По таблицам для В2-320 выберем класс и индекс:
Для В2-320 класс: 32, стоимость плеча 332 руб., число вентилей 9. Используя данные таблицы подстановок и построенные на данных таблицы диаграммы, выберем тип и класс управляемого вентиля, обеспечивающего наилучшие технико-экономические показатели инвертора при выбранном значении скорости охлаждающего воздуха 6 м/сек.
По диаграмме определяем тип управляемого вентиля: Т153-800, стоимостью 2470 руб., количество вентилей Т153-800 равно 22. Стоимость плеча Т9-250 меньше стоимости Т153-800, но количество вентилей Т9-250 равно 50 По таблицам для Т153-800 выберем класс и индекс:
Для вентиля Т153-800 класс: 13, стоимость плеча 2470,215 руб., число вентилей плеча 22. Для выпрямителя: Тип неуправляемого вентиля: В2-320 Iуд = 7200,0 А Iо max = 20,0 мА Uo = 1,1 B Rд = 0,00078 Ом Скорость потока охлаждения воздухом V = 6 м/с: Rт , град.С/Вт 2 0,21
Для инвертора: Тип управляемого вентиля: Т453-800 Iуд = 17500,0 А Iо max = 50,0 мA Uo = 1,2 B Rд = 0,000340 Ом Rт , град.С/Вт 0,1
Параметры ВИП и сети: Udн = 3300 В Idн = 3000 А Кп = Uком /Uвmax Кп = 1,65 Колебания напряжения сети % от Uc = 5 Номинальное напряжения сети Uc , кВ = 10 Uк % (напр.к.з. трансформ.) = 11 Кнп = Uнп /Uвmax = 2,4 Sкз = 425 мВА Ки = U2и /U2в = 1,25
4. Расчёт проектных параметров трансформатора4.1 Выпрямитель:Udo = Udн /(1-0,5·Uк %/100) (1) где Ud н – среднее выпрямленное напряжение при номинальной нагрузке Uк % - напряжение короткого замыкания преобразовательного трансформатора Udo
= Расчетная мощность выпрямителя. Pdo = Udo ·Id н (2) где Id н – номинальный ток выпрямителя; Pdo = 3492,1·3000 = 10476,2 кВт Действующее значение фазного напряжения вентильной обмотки трансформатора в режиме выпрямления. U2в = Udo /2,34 (3) U2в = 3492,1/2,34 = 1492,3 B Действующее значение фазного тока вентильной обмотки трансформатора в режиме выпрямления. I2в = 0,816·Idн (4) I2в = 0,816·3000 = 2449,5 А Расчётная мощность вентильной обмотки S2 = 1,05·Pd о (5) S2 = 1,05·10476,2 = 11000 кВА Коэффициент трансформации преобразовательного трансформатора в выпрямительном режиме. Ктв = Uc /(1,73·U2в ) (6) где Uc – номинальное напряжение сети – 110 кВ Ктв = 10000/(1,73·1492,3) = 3,87 I1 н = I2 н /Kтв (7) I1 н = 2449,5/3,87= 633,1 A Номинальная мощность сетевой обмотки. S1н = 1,05·Pdo (8) S1н = 1,05·10479,2 = 11000 кВА Типовая мощность трансформатора. Sт = S1 = S2 = 1,05·Pdo (9) Sт = 1,05·10479,2 = 11000 кВА 4.2. ИнверторНоминальный ток инвертора. Iин = Id н /Kи (10) где Id н – номинальный ток выпрямителя Ки -1,25 Iин = 3000/1,25 = 2400 А Действующее значение фазного напряжения вентильной обмотки трансформатора в режиме инвертирования. U2и = U2в ·Kи (11) U2и = 1492,3·1,25 = 1865,4 В Действующее значение фазного тока вентильной обмотки трансформатора в режиме инвертирования. I2и = I2в /Kи (12) I2и = 2449,5 /1,25 = 1959,6 А Коэффициент трансформации преобразовательного трансформатора в инверторном режиме. Кти = Kтв /Kи (13) Кти = 3,1 I1н = I2и /Kти (14) I1н = 1959,6/3,1 = 633,1 А 5. Расчёт числа параллельно включенных вентилей плеча5.1. Выбираем неуправляемый вентиль для выпрямителя: В2-320 \5.2. Выбираем управляемый вентиль для инвертора: Т9-2505.3. ВыпрямительИндуктивное сопротивление фазы трансформатора и сети приведённое к напряжению вентильной обмотки выпрямителя. Расчет числа параллельно включенных вентилей мостовой схемы ВИП
где Sкз – мощность короткого замыкания на шинах питающей сети
Активное сопротивление фазы трансформатора и сети приведённое к напряжению вентильной обмотки выпрямителя
где
Амплитуда установившегося тока короткого замыкания, протекающего через вентильное плечо выпрямителя
Амплитуда тока аварийного режима выпрямителя i удв = Куд ·Im (18) где Куд – ударный коэффициент – 1,2 i удв = 1,2·25504 = 30605 A Число параллельно включенных вентилей в вентильном плече. По току плеча. Nпар1 = (Idн /3) ·Кн /Iп (19) где Кн - 1,15 Nпар1 = (3000/3) ·1,15/274 = 4,89; округляем до 5 Принимаем 5 вентилей. По i удв . Nпар2 = Кн ·i удв /Iуд (20) где Iуд – ударный ток вентиля Nпар2 = 1,15·30605/7200 = 4,89; округляем до 5 Принимаем 5 вентилей. По расчётам принимаем максимальное значение параллельных вентилей, а именно – 5. Выберем максимальное значение: Nпар.max = 5 5.4. Инвертор:Индуктивное сопротивление фазы трансформатора и сети, приведённое к напряжению вентильной обмотки инвертора Xаи = Xaв · (Ки )2 (21) Xаи
= 0,0825· (1,25) Активное сопротивление фазы и сети, приведённое к напряжению вентильной обмотки инвертора Rаи = Rав · (Ки )2 (22) Rаи = 0,0060· (1,25)2 = 0,0094 Ом Число параллельно включенных вентилей в вентильном плече. Расчёт по току плеча Nпар1 = (Iин /3) ·Кн /Iп (23) Nпар1 = (2400/3) ·1,15/501,5 = 1,84 округляем до 2 Принимаем – 2. Xd = 6,28 Ом Rd = 0,016 Ом Амплитуда тока аварийного режима выпрямителя
Расчёт по току i удп . Nпар2 = Кн ·i удп /Iуд (25) Nпар2 = 1,15·16285,0/17500= 1,51 округляем до 2 Из двух вычислений выбираем число вентилей – 2 Выберем максимальное значение: Nпар.max = 2 6.Расчёт числа последовательно включенных вентилей6.1 ВыпрямительМаксимальное обратное напряжение, прикладываемое к вентильному плечу. Расчет числа последовательно включенных вентилей мостового ВИП Uв max = 1,045·Udo (26) Uв max = 1,045·3492,1= 3649 B Расчётный класс вентильного плеча
Kр = 1,65·3649/100 =61 Введём выбранный нами класс неуправляемых вентилей К для выпрямителя: класс 42, стоимость вентиля: 30,0 Повторяющееся напряжение Uп = 100·К где К – класс неуправляемого вентиля Uп = 100·42 = 4200 В Неповторяющееся напряжение Uнп = 116·К (28) Uнп = 116·42 = 4872 В Число последовательно включенных вентилей в вентильном плече Nпосл1 = Кн ·(1+Uc %/100)·Uвmax ·Кп /Uп +1(29) где Uс % – колебания напряжения сети Nпосл1 = 1,15· (1+5/100) ·3649·1,65/4200+1 = 1,7 округляем до 2 Nпосл2 =Кн ·(1+Uc %/100)·Uвmax ·Кнп /Uнп (30) Nпосл2 =1,15· (1+5/100) ·3649·2,4/4872+1 = 1,71 округляем до 2 Nпосл.max = 2 По результатам расчёта получаем 6 последовательно включенных вентилей в плече. 6.2 Расчет стоимости вентильного плеча выпрямителяВыбранный тип вентиля: В2-320 Общее число вентилей плеча: 10 Стоимость плеча(+10% для нелавинных вентилей): 330,0 Стоимость плеча с охладителями: 418,0 6.3. ИнверторМаксимальное обратное напряжение, прикладываемое к вентильному плечу: Uвmax = 4562 B Расчётный класс вентильного плеча Kр : 76 Введём выбранный нами класс управляемых вентилей К для инвертора: 16 Повторяющееся напряжение Uп =1300 ВНеповторяющееся напряжение Uнп (для нелавинных) = 1443 В Число последовательно включенных вентилей в вентильном плече Nпосл1 =Кн ·(1+Uc %/100)·Uвmax ·Кп /Uп +1 (31) Nпосл1 =1,15· (1+5/100) ·4562·1,3/1600+1 = 7,8 округляем до 8 Nпосл2 =Кн ·(1+Uc %/100)·Uвmax ·Кнп /Uнп +1 (32) Nпосл2 =1,15· (1+5/100) ·4562·2,4/1443 +1= 10,953округляем до 11 Nпосл.max =11 Выбираем 11 последовательно включенных вентилей. 6.4 Расчет числа вентилей в инверторном плечеОбщее число вентилей плеча: 22 Стоимость плеча с охладителями: 2470,27.Расчёт характеристик преобразователя 7.1. Расчёт внешней характеристики выпрямителяUdo = Ud н /(1- 0,5·Ud н %/100) =3492,1 В, при Id =0; Ud н = 3300 В, при Id н = 3000 А. 7.2. Расчёт внешней характеристики инвертораСреднее значение напряжения инвертора при холостом ходе с заданным углом опережения бета Uио =2,34·U2и /Ки (33) Uио =2,34·1865,4/1,25 = 3492,3 В Угол опережения инвертора
Среднее значение напряжения инвертора с заданным углом опережения бета
Uин = 3492,3·1,25· (cos(36,9)+0,5·0,11) = 3732,1 В 7.3. Ограничительная характеристика инвертораUог
(при Iи
= 0) = Uио
·Ки
·cos Uог
= 3492,3·1,25·cos где Uог
(при Iи
= Iин
) = Uио
·Ки
(cos Uог (при Iи = Iин ) = 3997,0 В 7.4 Углы коммутации мостового ВИП (эл.град.)Выпрямителя:
При Id = 0,5·Id н
При Id = Id н
Инвертора: cos( ПриIи = 0,5·Iин cos( ПриIи = Iин cos( 7.5 Коэффициенты мощности мостового ВИПВыпрямителя:
При Id = 0,5·Idн
При Id = Idн
Инвертора:
При Iи = 0,5·Iин
При Iи = Iин
7.6 Максимальные токи инвертора:Iи
max
=(100/0,5·Uк
%)·Iин
·(cos При работе инвертора по естественной характеристике: При Iи
1max
=(100/0,5*11) ·2400· (cos При работе инвертора по искусственной характеристике: При Uи = Uио = Udо Iи2
max
=(100/0,5·11) ·2400· (cos 8. Расчет параметров устройства выравнивания напряжения8.1. Выпрямитель на лавинных вентилях: В2-320Шунтирующее сопротивление Rш = (Nпосл ·Uп -Uв max )/((Nпосл – 1) ·Nпар ·Iо max ·0,001) (43) где Iо max – максимальный обратный ток вентиля Rш = (2·4200-3649)/(1·5·20·0,001) = 47508 Ом Мощность резистора Rш P = (Iо max ·0,001·Nпар ·Uв max )/Nпосл (44) P = 20·0,001·3·3688/3 = 182,5 Вт Емкость шунтирующего конденсатора Св = Nпар = 5 мкФ Рабочее напряжение шунтирующего конденсатораUc =1,5·Uп (45)Uc =1,5·3200 =6300 BRв = 2,0 Ом Rc = 0,2 Ом 8.2. Инвертор на нелавинных вентилях.: Т9-250Шунтирующий сопротивление Rш = (Nпосл ·Uп -Uв max )/((Nпосл – 1) ·Nпар ·Iо max ·0,001) (46) Rш = (11·1300-4562)/(10·2·50·0,001) =9738 Ом Мощность шунтирующего резистора P = (Iо max ·0,001·Nпар ·Uв max )/Nпосл (47) P = 50·0,001·2·4562/9 = 41,5 Вт Емкость шунтирующего конденсатора Св = Nпар = 2 мкФ Рабочее напряжение шунтирующего конденсатора Uc =1,5·Uп (48)Uc = 1,5·1600 =1950 B Rв = 5,0 Ом Rc = 0,2 Ом 9. Выбор схемы выравнивания тока в параллельно включенных ветвях вентильного плечаТак как число параллельных ветвей не превышает 6, следовательно, будет применена схема включения «замкнутая кольцевая» 10. Моделирование выпрямительно-инверторного преобразователя в среде MATLAB10.1. Моделирование работы выпрямителя в номинальном режиме и режиме короткого замыкания
|
||||||||||||||||||||||||||||||||||||||||||||||||||||||||||||||||||||||||||||||||||||||||||||||||||||||||||||||||||||||||||||||||||||||||||||||||||||




= 274 А
= 3492,1 В
(17)
= 25504 А
(24)