Контрольная работа: Расчёт резисторного усилителя напряжения с RC-связью
|
Название: Расчёт резисторного усилителя напряжения с RC-связью Раздел: Рефераты по коммуникации и связи Тип: контрольная работа |
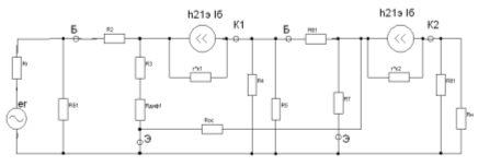
МИНИСТЕРСТВО СЕЛЬСКОГО ХОЗЯЙСТВА РОССИЙСКОЙ ФЕДЕРАЦИИ Челябинский государственный агроинженерный университет Контрольная работа "Расчёт резисторного усилителя напряжения с RC – связью" студент: Арефкин Т. В группа: 303 преподаватель: Савченко С. А. Челябинск 20051. ЗадачаЗадача: Рассчитать параметры усилителя, построенного по схеме рис. №1, на вход которого подается сигнал амплитудой ис от источника с внутренним сопротивлением Rc . Усилитель должен обеспечить в нагрузке RH требуемую амплитуду выходного напряжения UвыхА .Порядок расчета:Выбор транзистора: 1. Составляем эквивалентную схему усилителя для области средних частот, учитывая при этом структуру транзисторов, и отмечаю на ней все напряжения и токи:
2. Определяем требуемый коэффициент усиления Киос усилителя, охваченного цепью ОС, по исходным данным задачи:
3. Находим коэффициент усиления Ки усилителя с разомкнутой цепью ОС:
Примечание . Далее расчеты ведутся для разомкнутой цепи ООС. 4. Находим коэффициент усиления отдельных каскадов, полагая, что они равны между собой, т.е. 5. Выбираем режим усиления класса А, характеризующийся минимальными нелинейными искажениями, и рассчитываем напряжение источника питания Е:
где Окончательно напряжение Расчёт оконечного каскада усилителя: 6. Задаёмся сопротивлением резистора Вычисляем эквивалентное сопротивление коллекторной цепи:
7. Рассчитываем выходную мощность каскада 8. Находим мощность
9. Выбираем транзистор VT2 по величине Наиболее подходящим транзистором является КТ3102Б, его параметры:
10. Рассчитываем режим покоя транзистора VT2: • Задавшись конкретным значением одной из координат, определяют вторую координату, решая уравнение 1-я точка: 2-я точка: 11. Находим величины
12. Оцениваем реальный коэффициент усиления каскада по формуле:
13. Рассчитываем мощность, рассеиваемую резистором
Выбираем резистор МЛТ – 0,25 – 510 Ом ± 5% 14. Строим динамическую линию нагрузки (ЛН) на семействе выходных характеристик. 15. Определяем динамический режим работы транзистора. Для этого откладываем на оси абсцисс амплитуду выходного напряжения
16. Находим сопротивление резистора R8, мощность, рассеиваемую им, а затем выбираем его тип:
Выбираем резистор МЛТ – 0,125 – 180 кОм ± 5% 17. Расчет делителя произведем, задавшись значением Пусть
18. Определяем ток делителя
Выбираем резисторы: R5 - МЛТ – 0,125 – 510 кОм ± 5% R6 - МЛТ – 0,125 – 20 кОм ± 5% 19. Вычисляем входное сопротивление оконечного каскада
20. Определяем мощность, потребляемую базовой цепью транзистора VT2 от предыдущего каскада:
Расчёт предоконечного каскада усилителя: 21. Вычисляем выходную мощность предоконечного каскада
где Кзм - 1,1...1,2 - коэффициент запаса, учитывающий потери мощности в цепи смещения оконечного каскада. 22. Находим мощность Рк.Р , рассеиваемую коллектором VT1:
23. Принимая, с учетом падения напряжения на резисторе фильтра Rф, напряжение питания предоконечного каскада Наиболее подходящим транзистором является КТ201Б, его параметры:
24. Выбираем сопротивление резистора R3: Пусть
25. Рассчитываем режим покоя транзистора VT1: - принимаем
- вычисляем ток базы покоя 26. Рассчитываем мощность, рассеиваемую резистором R3, и окончательно выбираем его тип и номинал:
Выбираем резистор МЛТ – 0,125 – 8.2 кОм ± 5% 27. Вычисляем эквивалентное сопротивление коллекторной цепи транзистора VT1 в точке покоя
28. Оцениваем коэффициент усиления предоконечного каскада:
29. Определяем амплитуду коллекторного тока транзистора VT1
Проверяем выполнение условия Iка1 <IKn 1 ; 0,210мА<1мА. 30. Находим амплитудные значения тока базы и напряжения база-эмиттер транзистора VT1:
31. Вычисляем сопротивление резистора R4 и выбираем его номинальное значение и тип:
Выбираем резистор: R4 - МЛТ – 0,125 – 4.3 кОм ± 5% 32. Рассчитываем сопротивления резисторов R1 и R2; выбирают их тип и номинал Расчет делителя произведем, задавшись значением
33. Определяем ток делителя
Выбираем резисторы: R1 - МЛТ – 0,125 – 2 кОм ± 5% R2 - МЛТ – 0,125 – 47 кОм ± 5% 34. Вычисляем входное сопротивление предоконечного каскада Rex 1 в точке покоя:
где 35. Рассчитываем фактические коэффициенты усиления по напряжению оконечного Ки2 и предоконечного Ки1 каскадов, учитывая влияние всех элементов схемы:
36. Определяем общий коэффициент усиления усилителя с разомкнутой цепью ООС Ки , сравнивают его с величиной, полученной в п.З, и делают выводы о правильности расчетов:
37. Находим коэффициент передачи у цепи ООС, обеспечивающий заданную глубину обратной связи:
38. Рассчитываем сопротивление резистора обратной связи Roc , используя выражение
Выбираем резисторы: RОС - МЛТ – 0,125 – 4.3 МОм ± 5% Емкость конденсатора Сос выбираем достаточно большой (Сос ≈С5) Сос - К50 - 12 - 50В – 1мкФ 39. Проверяем выполнение условия R4 + Roc » RН 4300 + 4.3·106 » 460 Для того, чтобы цепь ООС не шунтировала выходной каскад усилителя. 40. Вычисляем входное сопротивление усилителя Rвх oc c замкнутой цепью ООС:
41. Рассчитываем емкости разделительных и эмиттерных конденсаторов: Мв = Мн =1,41 тогда a где Выбираем: конденсаторы С1, С2, С4: К50 - 12 - 12В – 2мкФ конденсатор С5: К50 - 12 - 50В – 1мкФ 42. Определяем значения Сф и Rф Задаёмся падением напряжения на резисторе RФ
на уровне
Выбираем: конденсатор СФ - К50 - 12 - 50В – 20мкФ резистор: RФ - МЛТ – 0,125 – 1.6 кОм ± 5% 43. Вычисляем полный ток I0 , потребляемый усилителем от источника питания:
44. Рассчитываем к.п.д. усилителя:
|












