Курсовая работа: Спроектировать двенадцатипульсный составной управляемый выпрямитель с параллельным включением вентилей
|
Название: Спроектировать двенадцатипульсный составной управляемый выпрямитель с параллельным включением вентилей Раздел: Рефераты по коммуникации и связи Тип: курсовая работа | |||||||||||||||||||||||||||||||||||||||||||||||||||||||||||||||||||||||||||||||||||||||||||||||||||||||||||||||||||||||||||||||||||||
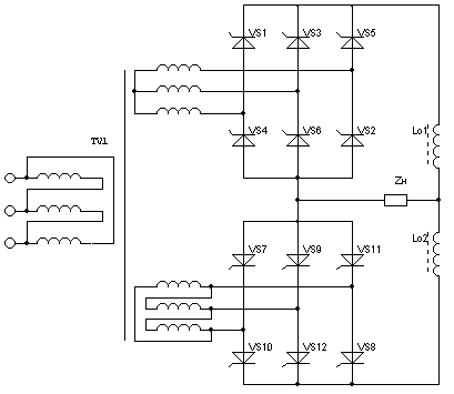
Министерство науки и образования Украины Донбасская государственная машиностроительная академия Кафедра автоматизации производственных процессов Расчетно-пояснительная записка к курсовой работе по дисциплине «Электроника и микросхемотехника» Спроектировать двенадцатипульсный составной управляемый выпрямитель с параллельным включением вентилей г.Краматорск 2005 Исходные данные Силовая схема выпрямителя: - номер рисунка: 1.8.б - напряжение питания: Uc=660В - напряжение на нагрузке: Ucp=260В - ток нагрузки: Icp=80А - глубина регулирования: Д=25 - рекомендуемая схема СИФУ: рис. 1.16 Курсовая работа содержит 26 страниц, 11 иллюстраций, 1 приложение и 1 чертеж (принципиальная электрическая схема управляемого выпрямителя в сборе). Объектом разработки является двенадцатипульсный составной управляемый выпрямитель с параллельным включением вентилей. Целью курсовой работы является расчет элементов управляемого выпрямителя, системы импульсно-фазового управления на операционных усилителях, источника питания СИФУ, а так же проектировка принципиальной электрической схемы управления реверсивного выпрямителя. Проектирование управляемого выпрямителя предполагает проектировку сначала силовой части (вентильного выпрямителя), а затем системы управления выпрямителем (СИФУ и источника питания). Т.к. в выпрямителе используется 12 тиристоров, то для управления каждым предназначается многоканальная система импульсно-фазового регулирования. Функциональные схемы СИФУ одинаковы, но отличаются фазами синхронизирующих напряжений (они сдвинуты на 120 градусов так же, как и в соответствующих анодных цепях тиристоров). Источником питания каждой СИФУ является параметрический стабилизатор напряжения. Спроектированная принципиальная схема управления выпрямителем требует больших аппаратных затрат, однако проста в сборке, управлении и наладке, предполагает возможность модификации, а так же обладает высокой надёжностью в работе, может применяться в различных областях. Ключевые слова: схема, выпрямитель, диод, тиристор, оптопара, СИФУ, стабилизатор. Содержание 1. Расчет схемы управляемого выпрямителя 1.1 Выбор схемы и расчет основных параметров выпрямителя 1.2 Основные параметры выпрямителя в управляемом режиме 1.3 Выбор элементов управляемого выпрямителя 1.4 Расчет регулировочной характеристики управляемого выпрямителя 1.4 Выбор защиты тиристоров от перегрузок по току и напряжению 2. Проектирование СИФУ 2.1 Расчет параметров пусковых импульсов 2.2 Расчет цепи управления тиристорами 2.3 Расчет выходного каскада СИФУ 2.4 Расчет входного каскада СИФУ 2.6 Расчет разделительной цепи 2.7 Расчет схемы сравнения 2.8 Расчет схемы подавления помех 3. Расчет источника питания 3.1 Выбор схемы и расчет основных параметров источника питания 3.2 Расчет однофазного мостового выпрямителя и трансформатора 4. Моделирование силовой части Выводы Приложение А Список литературы Цель данной курсовой работы — спроектировать управляемый выпрямитель и систему импульсно-фазового управления для него. Выпрямитель — устройство, преобразующее переменный ток в постоянный. Он состоит из трансформатора, преобразующего напряжение питающей цепи в требуемое по величине; вентильного блока, преобразующего переменное напряжение в пульсирующее; сглаживающего фильтра, уменьшающего (сглаживающего) пульсации выпрямленного напряжения до требуемой для нормальной работы потребителя величины. В данной курсовой работе рассматривается трехфазный полностью управляемый выпрямитель, построенный на использовании управляемых вентилей (тиристоров), и представляющий собой параллельное соединение двух трехфазных выпрямителей. В таком выпрямителе используется трансформатор с тремя обмотками. Вторичных обмоток две: одна соединяется звездой, а вторая — треугольником. Сглаживающие фильтры выполнены на основе дросселей. Для управления тиристорами, использующимися в данном выпрямителе, используется система импульсно-фазового управления. Такой способ управления мощными тиристорами в настоящее время считается наиболее приемлемым. Суть способа состоит во включении запертых тиристоров почти положительными прямоугольными импульсами, подаваемыми на управляющий электрод тиристора сдвинутыми по фазе на угол α относительно момента естественного включения неуправляемых вентилей. Таким образом, основной задачей системы импульсно-фазового управления является преобразование входного регулирующего напряжения в соответствующий угол регулирования α (т.е. угол открытия тиристоров). Так как в данном выпрямителе используется 12 тиристоров, то для управления ими используется многоканальная система импульсно-фазового управления. При этом схемы всех каналов одинаковы и отличаются только фазами синхронизирующих напряжений, которые сдвинуты по фазе относительно друг друга, как и в соответствующих анодных цепях тиристоров. Каждое напряжение синхронизации синхронизирует начало рабочего интервала изменений угла α с точкой 0 естественного включения соответствующего тиристора. Для питания схемы системы импульсно-фазового управления используется стабилизированный источник питания с CRC-фильтром. 1. Расчет схемы управляемого выпрямителя1.1 Выбор схемы и расчет основных параметров выпрямителяВ соответствии с заданием принимаем схему двенадцатипульсного составного управляемого выпрямителя с параллельным включением вентилей.
Рис.1.1 — Двенадцатипульсный составной управляемый выпрямитель с параллельным включением вентилей В начале расчет проводим в неуправляемом режиме, т.е. при
где
Из прил.2 определяем:
Определяем активное сопротивление фазы трансформатора:
где
B — магнитная индукция в магнитопроводе S — число стержней магнитопровода для трансформаторов Определяем индуктивность рассеяния обмоток трансформатора:
где Определяем напряжение холостого хода с учетом сопротивления фазы трансформатора
где
Напряжение на вторичных обмотках трансформатора Действительный ток вторичной обмотки Коэффициент трансформации для обмоток «треугольник-треугольник» Действительное значение тока тиристора Типовая мощность трансформатора:
Определяем угол коммутации:
Определяем минимально допустимую индуктивность дросселя фильтра:
Внутреннее сопротивление выпрямителя:
КПД выпрямителя:
N — число тиристоров в схеме. 1.2 Основные параметры выпрямителя в управляемом режимеОпределяем максимальный и минимальный углы регулирования:
Минимальное напряжение на нагрузке
В управляемом режиме работы выпрямителя находим:
Минимальный и максимальный углы проводимости тиристоров:
Ток в тиристоре Максимальное обратное напряжение 1.3 Выбор элементов управляемого выпрямителяТиристоры выбираем по 1.4 Расчет регулировочной характеристики управляемого выпрямителяОбщая расчетная формула для всего семейства нагрузочных характеристик:
Рис.1.2 — Регулировочная характеристика выпрямителя 1.4 Выбор защиты тиристоров от перегрузок по току и напряжениюДля защиты тиристоров от перегрузок используем быстродействующие плавкие предохранители. Достаточно поставить два предохранителя в первичной обмотке для обеспечения защиты. Ток плавкой вставки:
Выбираем плавкую вставку ПНБ-5-380/100. Для ослабления перенапряжений используем
Величина напряжения на конденсаторе Мощность рассеяния на резисторе По справочнику выбираем конденсаторы C2 — КСЛ-310 пФ, резисторы R2 — ПЭВ-100-620±10%.
Рис.1.3 — Схема управляемого выпрямителя с защитой 2. Проектирование СИФУ2.1 Расчет параметров пусковых импульсовОпределяем требуемую длительность импульса управления
2.2 Расчет цепи управления тиристорамиДля тиристоров Т242-80-8 определяем токи и напряжения управления:
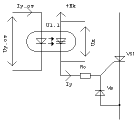
Цепи управления тиристорами питаются от импульсного усилителя через оптрон и ограничивающие сопротивление и шунтирующий диод:
Рис.2.1 — Цепь управления тиристором По значению
Определяем параметры элементов, входящих в цепь управления:
По току По значениям Внутреннее сопротивление управляющего перехода тиристора
2.3 Расчет выходного каскада СИФУНагрузкой выходного каскада на транзисторе VT2 является ток управления В связи с этим принимаем
Учитывая, что
По напряжению
Рисунок 2.2 — Выходной каскад СИФУ Определяем величину ограничивающего сопротивления резистора R13 :
где
Определяем мощность рассеивания на резисторе
Принимаем резистор Определим ток базы транзистора VT2:
Определяем ток коллектора
Вычисляем мощность рассеяния на транзисторе VT1:
По току Определим минимальный ток базы транзистора VT1:
2.4 Расчет входного каскада СИФУВходной каскад СИФУ выполняет две функции: функцию синхронизации и функцию генератора прямоугольных импульсов. Функция синхронизации импульсов управления и анодного напряжения оптотиристора в управляемом выпрямителе осуществляется путём подключения входного трансформатора TV1 и силового трансформатора к одной и той же фазе напряжения сети. В исходной схеме прямоугольные двухполярные импульсы образуются на стабилитронах VD1, VD2 (рисунок 2.3).
Рисунок 2.3 — Схема образования прямоугольных двухполярных импульсов. Для получения импульсов, близких к прямоугольным, на стабилитронах VD1 и VD2 должно выполняться условие: Принимаем: Выбираем из справочника стабилитроны VD7, VD8 типа КС133А с параметрами: а также принимаем к установке трансформатор со следующими параметрами:
Определяем величину сопротивления ограничительного резистора R7:
Находим мощность рассеивания на резисторе R7:
Принимаем резистор R7 типа МЛТ-1-270Ом ±5%. 2.5 Расчет генератора треугольных импульсов Генераторы треугольных импульсов (рисунок 2.4) реализуются на базе генератора прямоугольных импульсов и интегратора. Параметры импульсов: амплитуда: частота: Определим длительность входных импульсов:
Определим ток нагрузки входного каскада
По справочнику выбираем операционный усилитель DA1 типа К153УД5 с параметрами:
При подаче на вход интегратора постоянного напряжения на его выходе получаем линейно изменяющееся напряжение:
где Принимаем:
Исходя из того, что значение резисторы R8, R9 типа МЛТ-0,125-100кОм ±10% , конденсатор С7 типа К73-5-0,1мкФ ±5%. Величина выходного напряжения на выходе интегратора составит:
где
Рисунок 2.4 – Генератор треугольных импульсов 2.6 Расчет разделительной цепиРазделительная цепь С8, R10 (рисунок 2.5) выполняет две функции: разделяет постоянные составляющие напряжений и уменьшает дрейф операционных усилителей.Постоянная времени разделительной цепи равна:
и выбирается исходя из условия минимального искажения выходного сигнала:
Величина сопротивления резистора R10 по условиям разряда конденсатора не должна быть меньше величины сопротивления резистора R8. Принимаем: постоянную времени разделительной цепи
Выбираем конденсатор С8 типа К73-5-1мкФ±10%. Резисторы R10 типа МЛТ-1-100кОм±10%.
Рисунок 2.5 - Разделительная цепь 2.7 Расчет схемы сравненияВ качестве схемы сравнения напряжения питания Uп и напряжения регулирования Uр (оно же напряжение управления Uу) используем нелинейный режим работы операционного усилителя. Передаточная характеристика операционного усилителя содержит участок положительного и отрицательного насыщения в зависимости от величин входных напряжений на входах: Uвх1 , Uвх2 . Поскольку коэффициент усиления КUоу очень велик, то напряжение переключения (Uвх1 - Uвх2 ) весьма мало. Выходное напряжение операционного усилителя при ½ Uвх1 - Uвх2 ½> Uпер зависит от того, какое из входных напряжений больше, т.е. операционный усилитель является схемой сравнения напряжений (рисунок 2.6). Учитывая, что: напряжение регулирования Up = UВХ1 = ± 3,3(В), амплитуда треугольного напряжения Uп = UВХ2 = ± 3,3(В), максимальный ток нагрузки IН =IБ1 =0,0008(А), минимальное выходное напряжение Uн min = UБЭ1 = 3(В), принимаем в качестве схемы сравнения операционный усилитель DA2 типа К153УД5 у которого: Uвых. max =10(B), Iвых.мах =5(мА), Rвых.оу =150(Ом); Коу =125*10 3 .
Рисунок 2.6 — Схема сравнения СИФУ Определим напряжение переключения операционного усилителя:
Величина сопротивления резистора R* определяется из соотношений: R* >Rвых.оу =150(Ом);
Принимаем резистор R* типа МЛТ-0,125-2,4кОм±10%. Величины сопротивлений резисторов R11=R12 определим из следующих условий:
Принимаем резисторы R11, R12 типа МЛТ-0,5-2,7мОм±10% Величину сопротивления резистора R13 (делителя напряжения) определим, если примем, что ток делителя напряжения Iд =(5…10)Iвх.оу .
Исходя из этого, принимаем резистор R13 типа СП-0,15-2,4(мОм)±20%. 2.8 Расчет схемы подавления помех В данной схеме (рисунок.2.7) резисторы R14, и R15 являются разрядными и в тоже время выполняют роль делителя напряжения Еп. Обычно ток делителя принимаютв 10 раз меньше тока потребления, т.е. 10 Iд = Iпотр.
Рисунок 2.7– Схема подавления помех Ток потребления СИФУ составит:
Ток делителя через резисторы R14 и R15 составит:
Величина резистора R14 определяется из условий:
Принимаем резисторы R14 и R15 типа МЛТ-0,5-1600Ом±5%. Ёмкость конденсатора определим по следующей формуле:
Тогда:
Из справочника принимаем конденсаторы С9 и С10 типа К73-5-0,3мкФ±5% . 3. Расчёт источника питания 3.1 Выбор схемы и расчет основных параметров источника питания Для выбора схемы источника питания рассчитаем суммарный ток нагрузки:
где
Зная ток нагрузки
Рисунок 3.1 – Схема источника питания По справочнику по известному току нагрузки выбираем 2 стабилитрона Д815В со следующими параметрами:
Следует отметить, что в схеме стабилитроны VD7 и VD8 ставятся последовательно для обеспечении стабилизации нужного напряжения и в сумме дают необходимое напряжение (одного не хватает). Рассчитаем параметрический стабилизатор исходя из следующего из условия: Воспользуемся следующей формулой:
где
Определяем
Решив данную систему уравнений, получим:
Таким образом, минимальное и максимальное напряжения принимают следующие значения:
Для выбранных
Определяем мощность рассеяния на резисторе RБ :
По справочнику выбираем: Резистор RБ типа ПЭВ-18-27Ом±10%. конденсатор С11 типаК50-6-100 мкФ±5%. конденсатор С12 типа К50-6-1000 мкФ±5%. 3.2 Расчёт однофазного мостового выпрямителя и трансформатора Найдём величину выпрямленного напряжения:
Определим анодный ток
Определим максимальное обратное напряжение на диодах:
Необходимо учесть, что из-за использования фильтра максимальное обратное напряжение на диодах примет удвоенное значение:
По справочнику выбираем диоды VD11-VD14 типа КД226В с параметрами:
Определим основные параметры силового трансформатора: -напряжение на вторичной обмотке:
-ток на вторичной обмотке:
-типовая мощность трансформатора:
-коэффициент трансформации трансформатора:
-ток первичной обмотки трансформатора:
ВыводыБольшим преимуществом двенадцатипульсного выпрямителя является маленький коэффициент пульсации и получение большой выходной мощности. Таким образом, применение такого выпрямителя дает практически выпрямленный ток на выходе. Подобные выпрямители получили широкое распространение в различных отраслях промышленности, например, в электролизных установках, на железнодорожном транспорте для питания двигателей постоянного тока, заряда аккумуляторных батарей, в сварочных аппаратах и дуговых печах, электрофильтрах, источниках вторичного электропитания радиоэлектронной аппаратуры и др. Приложение А
Список литературы1. Приборы и устройства промышленной электроники / В.С. Руденко, В.И. Сенько, В.В. Трифонюк (Б-ка инженера). — К.:Техника, 1990. — 368 с. 2. Полупроводниковые приемно-усилительные устройства: Справочник радиолюбителя / Терещук Р.М., Терещук К.М. — К.:Наукова думка, 1981. — 670 с. 3. Тиристоры: справочник / Григорьев О.П., Замятин В.Я. — М.: Радио и связь, 1982. —272 с. 4. Транзисторы для аппаратуры широкого применения: справочник / Перельман В.П. — М.:Радио и связь, 1982 — 520 с. |

,
, 















