Курсовая работа: Система автоматического регулирования фокусировки пятна
|
Название: Система автоматического регулирования фокусировки пятна Раздел: Рефераты по коммуникации и связи Тип: курсовая работа | |||||||||||||||||||||||||
Министерство образования Российской Федерации Рязанская государственная радиотехническая академия Кафедра САПР вычислительных средств ПОЯСНИТЕЛЬНАЯ ЗАПИСКА к курсовой работе по дисциплине “Основы автоматики и системы автоматического управления ” на тему: Система автоматического регулирования фокусировки пятна Рязань Рязанская Государственная Радиотехническая Академия Кафедра САПР вычислительных средств ЗАДАНИЕ НА КУРСОВУЮ РАБОТУпо дисциплине " Основы теории управления ” студенту________ группы __ Тема______________________________________________ __________________________________________________ Срок представления работы к защите: ______________ Исходные данные для выполнения работы:________________ Руководительработы _Виноградов Ю.Л._ Задание выдано ______________ Задание принято к исполнению ___________ Содержание Задание Введение 1. Передаточные функции звеньев 2. Структурная схема САРФ 3. Синтез САРФ 4. Моделирование САРФ Библиографический список Задание Исходные данные для проектирования. Измерение ошибки фокусировки производить по методу ножа Фуко; Коэффициент kф определяется путем линеаризации характеристика сигнала расфокусировки. Постоянная времени Тф = (3 - 5) l /(2pf), где f = 14 F. Здесь F- скорость передачи данных Кбайт/сек. Rт = 15 град/вт; DТдоп = 60°. Остальные параметры системы приведены в табл. 1. Таблица 1
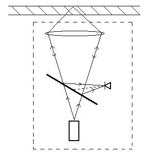
Характеристики задающих (возмущающих) воздействий и требования к САР. САРФ должна обеспечивать точность хmax = 2 мкм при входных воздействиях gmax = 1000 мкм на частоте w = 200 с-1 при заданном показателе колебательности M = 1, 4. Введение В настоящее время оптические дисковые системы нашли множество применений. Возможность записи значительного объема информации и простота тиражирования делает оптический диск очень привлекательным. В сфере записи и хранения данных системы с прямой оптической записью информации стали штатными периферийными устройствами компьютеров. Просто осуществляемое сканирование по плоской поверхности диска при считывании, обеспечивающее быстрый доступ к информации, важное качество таких систем. Дополнительным достоинством оптических дисков является отсутствие физического контакта между считывающей головкой и несущем информацию слоем, так как считывание осуществляется пучком света, сфокусированным на этом слое. Защитный прозрачный слой, покрывающий носитель информации, предохраняет мелкие детали от повреждений и затеняющих частичек. Как и в обычной граммофонной записи, информация расположена по спирали, которая называется дорожкой. Дорожка представляет собой спиральный прерывистый пунктир из меток записи. Метки являются маленькими областями, имеющими оптический контраст с окружающей их зеркальной поверхностью, например черные элементы в виде черточек или продолговатые углубления (питы) на поверхности. Метки вызывают изменение отражения от диска вдоль дорожки. Оптическая считывающая головка, которая в данном случае заменяет механическую иглу граммофона, преобразует изменения отражения в электрический сигнал. Для этого объектив головки фокусирует лазерный луч в маленькое пятно на дорожке и направляет луч, отраженный от диска, на фотоприемник. Таким образом, сигнал с фотоприемника модулируется во времени в соответствии с метками на дорожке вращающегося диска. Высокая плотность в записи информации достигается с помощью оптических средств, которые представляют собой оптический сканирующий микроскоп со средним увеличением. Предел плотности записи обусловлен дифракцией света, которая определяет минимальный диаметр пятна в фокальной плоскости. Размер пятна пропорционален длине волны света л , излучаемого полупроводниковым лазером. Для используемых в настоящее время лазеров это составляет 109 - 1011 бит на диск. На рис.1 показаны основные оптические элементы считывающей головки.
Рис.1. Базовая оптика Диск лазера Л фокусируется через O прозрачную подложку диска на поверхность, несущую информацию, с помощью объектива микроскопного типа О . Часть отраженного света, собираемого тем же объективом, направляется полупрозрачным зеркалом З на детектор (фотоприемник) D . Для сканирования всего диска эта конструкция должна быть укреплена на каретке, перемещающейся по радиусу диска. При этом малые и кратковременные ошибки (отклонения) пятна от дорожки устраняются за счет перемещения компактной головки относительно каретки. Для слежения за дорожкой пятном света необходимы, по крайней мере, две системы управления, одна из которых действует в вертикальном, а другая в горизонтальном, по отношении к диску, направлениях. Называются они соответственно системой автоматического регулирования фокусировки (САРФ) и системой автоматического регулирования радиального положения пятна относительно дорожки записи (САРД). В видео дисковых системах дополнительно используется система управления в тангенциальном направлении (вдоль дорожки), предназначенная для компенсации высококачественных изменений скорости считывания. Таким образом, в настоящее время оптические дисковые системы снабжены пятью системами автоматизированного регулирования, а именно: - Вращения диска (САРВ); - Тангенциального слежения (САРТ); - Радиального слежения за дорожкой (САРД); - Радиального перемещения каретки (САРРП); - Вертикального слежения за фокусировкой (САРФ). 1. Передаточные функции звеньев На рис.2. схематически показана САРФ.
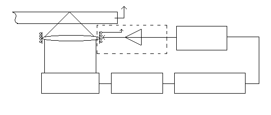
Рис.2. САРФ Датчик положения обеспечивает сигнал в виде напряжения постоянного тока, приблизительно пропорциональный ошибке фокусировки. После усиления и коррекции этот сигнал преобразуется в ток, протекающий по катушке, находящейся в магнитном поле (местный электродвигатель), что вызывает появление вертикально направленной силы, приложенной к объективу. Он перемещается в направлении уменьшения ошибки. Из рисунка видно, что САРФ является системой с замкнутой петлей обратной связи. Для работы такой системы требуется наличие биполярного сигнала ошибки фокусировки. Этот сигнал получают оптическими средствами. Большинство методов получения сигнала ошибки фокусировки основаны на том факте, что лазерный луч отражается диском точно в обратном направлении только в случае, когда фокус находится точно на поверхности диска. Если внести некоторую асимметрию в оптический путь отраженного луча, то появляется возможность выделять сигнал отклонения фокуса от поверхности диска. При этом диск не должен найти никакой информации специально для фокусировки. К наиболее широко используемым методам выделения сигнала ошибки фокусировки относится метод ножа Фуко, метод частичного перекрытия зрачка и астигматический метод. Во всех этих методах при выделении и формировании сигналов ошибки высокочастотные составляющие сигнала с фотоприемника интереса не представляют. Сигнал с фотоприемника поступает на низкочастотный фильтр, который подавляет высокочастотные колебания, обусловленные питами или отверстиями. Можно сказать, что питы так быстро движутся перед объективом, что сливаются в единую дорожку усредненной промежуточной интенсивности. При использовании метода ножа Фуко бипризма размечается при согласованном состоянии в фокусе. Это позволяет увеличить крутизну характеристики сигнала расфокусировки, которая приведена на рис.3.
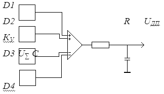
х [мкм] Рис.3. Характеристика сигнала расфокусировки, полученная методом ножа Фуко. При использовании любого метода определения ошибки фокусировки, датчик положения можно условно представить в виде схемы, приведенной на рис.4., состоящей из суммирующего усилителя с коэффициентом передачи КУ и фильтра низких частот.
Рис.4. Схема датчика положения. Уравнения, описывающие эту схему при неограниченной мощности усилителя и бесконечно большом входном сопротивлении следующего каскада, имеют вид:
где: U Ф - сигнал расфокусировки; R У - коэффициент передачи суммирующего усилителя; U ДП - сигнал на выходе датчика положения;
x – сигнал ошибки фокусировки; Кф – крутизна характеристики сигнала расфокусировки. Значение Кф путем линеаризации характеристики в точке начала координат, а Тф скоростью потока данных, считываемых с дорожки диска и может быть выбрана по выражению:
где: л – максимальное расстояние между двумя переходами от пита к ленду в канальном ходе на дорожке диска (обычно л= 10); f – скорость считывания канального хода (потока данных) бит/с. Wдп (P) = (Ку Кф )/(Тф +1) Тф = (4л)/(2pf) = л/(7pf) = 10*10-6 /(7*3,14*300) = 1,5*10-9 ; Кф = 2,87 (В/мкм); Wдп (P) = 11,48/(1,5*10-9 Т + 1); Усилитель и усилитель мощности с высокой степенью точности можно представить как безинерционные звенья с коэффициентами передачи k ус иk ум соответственно. Передаточная функция корректирующего устройства определяется на этапе синтеза САРФ, исходя из требований точности устойчивости и качества переходного процесса. Сигнал выхода усилителя мощности поступает на исполнительный двигатель, как правило линейный электродвигатель (ЛЭД), работающий по принципу громкоговорителя. Составными частями такого двигателя являются: катушка, постоянный магнит и, возможно, магнитопровод из магнитномягкого железа. Пригодные к применению конструкции ЛЭД могут быть разделены на две основные группы с подвижной катушкой и с подвижным магнитом. Конструкция с подвижной катушкой (рис.5) имеет ряд преимуществ и недостатков. Помимо проблем обрыва проводников, подводящих ток к катушке, движущая часть имеет обычно плохой тепловой контакт с окружающей средой (высокое тепловое сопротивление RT ). Тепло, выделяющееся в подвижной катушке, приводит к росту температуры всей подвижной части, в частности объектива, что нежелательно. Это в конечном счете приводит к уменьшению среднего значения силы, развиваемой данным ЛЭД.
Рис.5. Привод головки с подвижной катушкой. Достоинством системы с подвижной катушкой является то, что стационарная магнитная система может быть увеличена и, следовательно, с ее помощью можно обеспечить более сильное магнитное поле (высокое значение магнитной индукции В). Альтернативным решением может быть конструкция с подвижным постоянным магнитом и неподвижной катушкой. В этом случае отвод тепла от катушки не является серьезной проблемой (низкое RT ) и максимально допустимая температура катушки Ткат max может быть выше, так как она изолирована от объектива. Но развиваемая ЛЭД сила будет меньше из-за ослабления магнитного поля (низкое В ), поскольку объем магнита меньше. Увеличение же магнита нежелательно, так как приводит к возрастанию массы подвижной части, что ухудшает динамические свойства САРФ. Поэтому в реальных конструкциях применяется ЛЭД с подвижной катушкой. Поскольку оба типа ЛЭД являются одинаковыми по принципу действия и различаются лишь подвижностью составляющих их частей, уравнения, описывающие их поведение можно представить в виде:
где: L – индуктивность катушки; R =Rк + R ум - сопротивление катушки и внутреннее сопротивление усилителя мощности; I - ток катушки; В – магнитная индукция; l – Длина проводника катушки в магнитном поле; F – Сила действующая на катушку; U УМ – напряжение на выходе усилителя мощности, или в операторной форме: (Т ·Р+1) F=Lлэд U ум ; (2) где
l = р dk W ; W – Число витков катушки ЛЭД. Определим передаточную Функцию ЛЭД: WЛЭД = LЛЭД /(TP + 1); Подставим значения: WЛЭД = 4,71/(5*10-4 P + 1). В общем случае движение подвижной части зависит от воздействий, обусловленных наличием упругих элементов, рассеянием энергии в катушке при ее движении в магнитном поле, особенностей подвески подвижной системы. Основная цель, стоящая при разработке подвески, обеспечить движение головки только по жестко заданным направлениям. Подвески могут быть с помощью линейных подшипников механического или электромагнитного типа и пружинных гибких направляющих. В первом случае перемещение в направлении регулирования ничем не ограничивается, а в перпендикулярных направлениях предотвращается путем выбора соответствующих подшипников с минимально возможными допусками у механических и максимальной жесткостью у электромагнитных. Тогда с учетом демпфирования в подвесе и диссинации энергии в катушке, уравнения движения подвижной части имеют вид:
где или в операторной форме
где
k = 1/0.03 = 33; T1 = 0.33; Определим передаточную функцию подвижной головки: Wп = k/P(T1 P +1); Подставим значения: Wп = 33/P(0.33P + 1). 2. Структурная схема САР
В силу малого значения Tф передаточная функция датчика положения принимает вид: W1 (P) = kдп Определим передаточную функцию разомкнутой системы: W(P) = Wдп (P) * WЛЭД (P) * Wп (P) W(P) = 1784,3 /(S(5*10-4 P+1)(0.33P+1)) K1 = 1784,3; 20LogK1 =65 дб T1 = 0.33 T2 = 5*10-4 3. Синтез САР При синтезе надо исходить из того, что объект регулирования – неизменная часть, а синтезу подлежат корректирующее устройство и регулятор – изменяемая часть системы. Полученная выше система является неустойчивой. Поэтому необходимо произвести расчет корректирующего устройства, используя частотный метод синтеза, основанный на построении желаемой ЛАХ – Lж (S). При формировании желаемой ЛАХ следует учитывать следующие рекомендации: 1) Вид низкочастотной области ЛАХ определяет главным образом точность работы САР. Среднечастотная область, прилегающего к частоте среза wср ,определяет в основном запас устойчивости, т.е. качество переходных процессов. Высокочастотная область лишь незначительно влияет на качество процессов управления. 2) Желаемая ЛАХ в возможно большем интервале частот должна совпадать с ЛАХ исходной нескорректированной системы L . В противном случае реализация КУ может существенно усложниться. 3) В низкочастотной области наклон желаемой ЛАХ должен составлять -20×n дБ/дек, где n - порядок астатизма. Желаемая ЛАХ на частоте w =1 с-1 должна иметь ординату 20lgk , где K – общий коэффициент усиления разомкнутой системы (если n =0, то на частоте w=0). 4) Если задана допустимая ошибка emax при гармоническом входном воздействии g (t ) =g max sin wg t , то желаемая ЛАХ должна располагаться выше контрольной точки Ak , имеющей на частоте wg ординату
В районе частоты среза c
р
наклон желаемой ЛАХ выбирается равным Фазовая характеристика в этой области частот имеет вид
Для того, чтобы обеспечить заданное качество запас устойчивости по фазе на частоте среза c
Исходя из рисунка: wо = 8000 с-1 ; По формулам выше: t = 0.23*10-3 с; T = 0.04*10-3 с; После построения желаемой ЛАХ определяется ЛАХ корректирующего устройства по формуле
По виду этой кривой можно определить передаточную функцию КУ. Для этого следует построить симптотической ЛАХ КУ, а затем определить ее наклон на частотах w®0, и точки перегиба. Наклон характеристики на частотах w®0 в –20×n с/дек определяет сомножитель 1/sn в Wку (s). Перегиб ЛАХ на частоте w=1/T на –20×n с/дек приводит к появлению членов 1/(Ts+1)n в передаточной функции КУ, а перегиб ЛАХ на частоте w=1/t на –20×n с/дек к появлению членов (Ts+1)n . Коэффициент передачи КУ определяется по значению ординаты симптотической ЛАХ КУ на частоте w=1 с-1 (если n =0, то на частоте w=0). Процесс построения желаемой ЛАХ и корректирующего устройства в первом приближении имеет вид (вложенная в пояснительную записку логарифмическая бумага (формат А3)): 4. Моделирование САР Моделирование САР будем производить с помощью пакета ТАУ. 1. Моделирование нескорректированной (желаемой) ЛАХ. При синтезе для получения необходимых результатов мы уменьшили К в 100 раз, а Т1 увеличили в 100 раз. Вычисленное значение w0 совпадает с реальным.
2. Моделирование скорректированной ЛАХ При синтезе для получения необходимых результатов мы уменьшили К в 1000 раз, а Т1 иТ увеличили в 1000 раз. Вычисленное значение w0 совпадает с реальным.
Реакция системы на входное воздействие вида: f =1(единичное воздействие):
Проверим реакцию системы на синусоидальное входное воздействие:
Из графика видно, что система выполняет условие по точности, то есть ошибка не превышает величины 2 мкм. Следовательно, спроектированная САРФ удовлетворяет всем требованиям, поставленным в задании. Библиографический список 1. Бесекерский В.А., Попов Е.П. “Теория систем автоматического регулирования”. М., Наука,1975. 2. “Основы автоматического регулирования и управления”. Под ред. Пономарёва В.М., Литвинова А.П., Высшая школа, 1974. 3. “Теория автоматического управления”. Под ред. Воронова А.А. Высшая школа,1986. 4. “Лекции по основам теории управления”. Виноградов Ю.Л., РГРТА, 2002 5. Микропроцессорные системы автоматического управления./Под ред. Бесекерского В.А. Л., Машиностроение, 1988. |


U
Ф

, (1)
,

.


