Курсовая работа: Расчёт устойчивости электрических систем
|
Название: Расчёт устойчивости электрических систем Раздел: Рефераты по физике Тип: курсовая работа | |||||||||||||||||||||||||||||||||||||||||||||||||||||||||||||||||||||||||||||||||||||||||||||||||||||||||||||||||||||||||||||||||||||||||||||||||||||||||||||||||||||||||||||||||||||||||||||||||||||
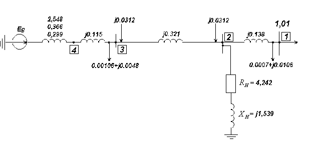
Министерство образования РФ Вятский Государственный Университет Электротехнический факультет Кафедра электроэнергетических систем ПОЯСНИТЕЛЬНАЯ ЗПИСКА К КУРСОВОМУ ПРОЕКТУ РАСЧЁТ УСТОЙЧИВОСТИ ЭЛЕКТРИЧЕСКИХСИСТЕМ по дисциплине«Переходные процессы в электрических системах» часть 2. Разработал студент Климов Д. В. шифр 01 – ЭССу - 163 Киров 2003. СОДЕРЖАНИЕ Введение Исходные данные 1. Расчёт установившегося режима 2. Определение взаимных и собственных проводимостей при различных системах возбуждения 3.Определение коэффициента запаса статической устойчивости 3.1 По действительному пределу передаваемой мощности, когда генератор ЭС не имеет АРВ 3.2 По действительному пределу передаваемой мощности, когда генератор ЭС имеет АРВ пропорционального действия 3.3 По действительному пределу передаваемой мощности, когда генератор ЭС имеет АРВ сильного действия 4 Расчёт динамической устойчивости системы 4.1 Расчёт предельного времени отключения линии при двухфазном к.з. при условии Еq=const 5 Определение предельного времени отключения методом последовательных интервалов Заключение Библиографический список ВВЕДЕНИЕ Устойчивость применительно к электрической системе – это способность её вернуться к исходному или новому установившемуся состоянию, после устранения возмущающего действия, без возникновения несинхронного вращения роторов генераторов системы. Если величена возмущающего действия мала, то говорят о статической устойчивости . При значительном возмущении в системе, например, при коротком замыкании, говорят о динамической устойчивости. Аварии, связанные с нарушением устойчивости параллельной работы в электрических системах, являются наиболее тяжёлыми, влекущими за собой расстройство электроснабжения больших районов и городов. Проблема устойчивости наложила большой отпечаток на схемы коммутации , режимы работы и параметры оборудования и автоматики электрических систем. На устойчивую параллельную работу станций непосредственное влияние оказывают также переходные процессы в узлах нагрузки , т. е. в приёмниках электроэнергии , включающих синхронные и асинхронные двигатели. Во время переходных процессов при пусках, самозапусках двигателей, резких колебаниях на валу и т.д. напряжение на шинах узла нагрузки может изменяться по величине и фазе выше допустимых пределов. В ряде случаев это может оказывать значительное влияние на режим работы системы электроснабжения в целом. Поэтому при проектировании и эксплуатации электроэнергетических установок потребителями вопросам режимов работы узлов нагрузок, как и вопросам устойчивости электрических систем, должно уделяться большое внимание. ИСХОДНЫЕ ДАННЫЕ Расчётная схема сети представлена на рисунке 1. Исходные данные сети представлены в таблице 1. Таблица 1
Рисунок 1 – Исходная схема. 1 Расчёт установившегося режима Расчёт схемы замещения производится в относительных единицах. Базисные условия :
Базисные напряжения ступеней 220кВ , 18кВ , кВ :
Мощность передаваемая в систему, о. е.:
Мощность нагрузки, о. е. :
Сопротивление генератора на схеме замещения представляется в зависимости от схемы АРВ. Сопротивление генератора при различных режимах, о. е. :
Сопротивление обратной последовательности генератора, о. е. :
Cопротивление трансформаторов, о. е.:
Сопротивление автотрансформатора, о. е.:
Сопротивление линии, о. е.:
Зарядная мощность линии, о. е.:
Мощности холостого хода трансформаторов и автотрансформаторов, о. е. :
Напряжение системы, о. е. :
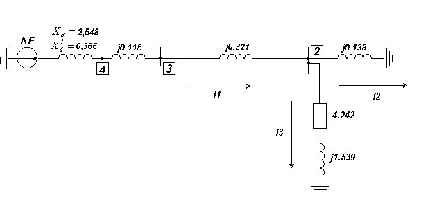
При составлении схемы замещения активными сопротивлениями ЛЭП, трансформаторов , автотрансформаторов и генераторов пренебрегаем, так как они малы . Схема замещения установившегося режима показана на рисунке 2.
Рисунок 2. Схема замещения установившегося режима с расчётными данными показана на рисунке 3.
Рисунок 3. Для определения сопротивления нагрузки рассчитывается напряжение в узле 2, для этого рассчитываются мощности конца и начала участка 2-1:
Напряжение в узлах рассчитываются по формуле, о. е. :
Сопротивление нагрузки, о. е. :
Мощности конца и начала участка 3-2 находятся аналогично, как на участке 2-1 :
Напряжение в узле 3, о. е. :
Мощности конца и начала участка 4-3:
Напряжение на зажимах генератора, о. е. :
Угол между векторами Uго и Uс:
ЭДС за синхронным сопротивлением генератора, о. е. :
Угол между синхронной ЭДС и напряжением системы :
Переходная ЭДС генератора, о. е. :
Угол между переходной ЭДС и напряжением системы :
Проекция переходной ЭДС на ось q , о. е. :
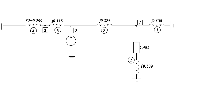
2.Определение взаимных и собственных проводимостей при различных системах возбуждения Расчётная схема для определения проводимостей представлена на рисунке 4. Из схемы исключены поперечные схемы проводимостей в силу их малого влияния на результат и существенного усложнения решения.
Рисунок 4 –Расчетная схема для определения проводимостей. Взаимные и собственные проводимости при различных системах возбуждения определяются методом единичного тока:
Собственная проводимость , о.е. :
Взаимная проводимость, о.е. :
Угол собственных потерь:
Угол взаимных потерь:
Результаты расчётов записаны в таблице2. Таблица2-Результаты расчёта проводимостей для различных АРВ.
Составляющие тока генератора по осям d, q и суммарный ток генератора, о.е. :
Векторная диаграмма нормального режима работы синхронного генератора представлена на рисунке 5.
Масштаб: для Е- 1см =0,2о.е. , для I – 1см = 0,1 о.е. +j
Eq
Iг Id Iq d Рисунок 5- Векторная диаграмма 3. Определение коэффициента запаса статической устойчивости. 3.1 По действительному пределу передаваемой мощности, когда генератор ЭС не имеет АРВ При исследованиях статической устойчивости с помощью практических критериев не учитывают нелинейность характеристик намагничивания генераторов и трансформаторов, пренебрегают их токами намагничивания. Кроме того, принимается упрощающее допущение о постоянстве ЭДС генераторов в исследуемых установившихся режимах. В основе этого допущения лежит эквивалентное представление синхронного генератора в виде постоянной ЭДС, приложенной за соответствующим индуктивным сопротивлением. Мощности генератора, о.е. :
Изменение активной и реактивной мощности в зависимости от угла в представлено в таблице 3. Таблица 3 – Зависимость Рг и Qг от d.
Коэффициент запаса статической устойчивости генератора без АРВ, %:
График изменения Рг=f(d) представлен на рисунке 6, Qг=f(d) на рисунке 7 : 3.2 По действительному пределу передаваемой мощности , когда генератор ЭС имеет АРВ пропорционального действия Мощность генератора, о.е. :
Таблица 4 – Зависимость Рг от d
Коэффициент запаса генератора с АРВ п.д., %:
График изменения Рг=f(d) представлен на рисунке 6. 3.3 По действительному пределу передаваемой мощности, когда генератор ЭС имеет АРВ сильного действия Мощность генератора, о.е. :
Таблица 5 – Зависимость Рг от d
Коэффициент запаса генератора с АРВ с.д., % :
График изменения Рг=(d) представлен на рисунке 6.
Рисунок 6 – Графики изменения Рг=f(d) для различных АРВ
2.0
1.5 1.0 0.5
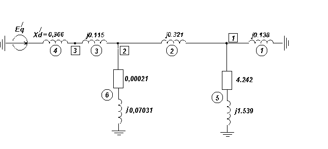
Рисунок 7 – Графики изменения Qг =f(d) Расчёт коэффициента запаса статической устойчивости для режима максимальных нагрузок для всех видов АРВ показал , что коэффициент запаса статической больше допустимого предельного значения 20 %. Таким образом , систему в данных случаях можно считать устойчивой, Анализируя системы возбуждения генератора можно заметить , что с увеличением скорости регулирования возбуждения , растёт предел передаваемой мощности, а значит и коэффициент запаса статической устойчивости. 4. Расчёт динамической устойчивости системы 4.1 Расчёт предельного времени отключения линии при двухфазном к.з. при условии Определяются собственные и взаимные проводимости схем замещения нормального, аварийного и послеаварийного режимов. Генератор замещяется переходным сопротивлением . Аварийный режим – режим в течение всего короткого замыкания до момента его отключения. Для данного режима в схему замещения нормального режима в точку к.з. включается шунт. Сопротивление этого шунта определяется по формуле:
где - - Схема замещения обратной последовательности представлена на рисунке 8. Генератор замещения сопротивлением Схема замещения нулевой последовательности представлена на рисунке 9. В данной схеме сопротивления линий равны
После эквивалентирования схем получим : Х2=0,0024+j0,217 о.е. Хо=j0,104 о.е. Сопротивление шунта, о.е. :
Схема для расчёта проводимостей аварийного режима представлена на рисунке 10.
Проводимости рассчитываются аналогично расчёту , приведённому выше, т.е. методом единичного тока:
Активная мощность генератора в аварийном режиме, о.е. :
Результаты расчёта активной мощности генератора в аварийном режиме для различных углов представлены в таблице 6. Таблица 6 – Зависимость Рг от d
В послеаварийном режиме сопротивление линии увеличивается в 2 раза. Схема замещения для расчёта проводимостей послеаварийного режима представлена на рисунке 11.
Рисунок 11 – Схема замещения послеаварийного режима. Проводимости послеаварийного режима :
Активная мощность генератора в послеаварийном режиме, о.е. :
Результаты расчёта активной мощности генератора в послеаварийном режиме для различных углов представлены в таблице 7. Таблица 7 – Зависимость Рг от d
Графики изменения Рг=(d) в нормальном, аварийном и послеаварийном режимах представлены на рисунке 12.
Рисунок 12 – Графики изменения Рг=f(d) для различных режимов. Косинус предельного угла отключения, о.е. :
Предельный угол отключения равен 99,56 градусов. 5. Определение предельного времени отключения методом последовательных интервалов Постоянная инерции генератора, с :
Постоянная инерции турбины, с :
Постоянная инерции агрегата, с :
Приращение угла на первом интервале (t=0.05) , в градусах:
Угол в конце первого интервала, в градусах:
В дальнейшем расчёт производится по следующим формулам :
Расчёты представлены в таблице 8. Таблица 8 – Расчёт предельного времени отключения методом последовательных интервалов.
По полученным данным строится зависимость
0,1 0,2 0,3 t,c Рисунок 13 – График Из графика ЗАКЛЮЧЕНИЕ Расчёт коэффициента запаса статической устойчивости для режима максимальных нагрузок без АРВ показал, что коэффициент запаса в данном случае больше допустимого предельного значения 20%. Таким образом эту сеть можно считать устойчивой. Произведя расчёты с различными системами возбуждения генератора, убедились в том, что с увеличением скорости регулирования возбуждения, растет предел передаваемой мощности, а значит и коэффициент запаса статической устойчивости. Если за время Библиографический список 1. Овчинников В.В. Расчёт устойчивости электрических систем. Методические указания к курсовой работе. – Киров : изд. ВятГТУ, 1995. 2. Веников В.А. Переходные электромеханические процессы в электрических системах, М. : Энергия, 1985. |
|||||||||||||||||||||||||||||||||||||||||||||||||||||||||||||||||||||||||||||||||||||||||||||||||||||||||||||||||||||||||||||||||||||||||||||||||||||||||||||||||||||||||||||||||||||||||||||||||||||

























q
Еq






АРВп.д

Рисунок 8 – Схема замещения обратной последовательности.
Рисунок 9 – Схема замещения нулевой последовательности.
Рисунок 10 – Схема замещения аварийного режима.











