Курсовая работа: Основы радиоэлектроники
|
Название: Основы радиоэлектроники Раздел: Рефераты по коммуникации и связи Тип: курсовая работа |
1. Расчет схемы управляемого выпрямителя1.1 Выбор схемы и расчет основных параметров выпрямителя
Рис.1.1 — Двенадцатипульсный составной управляемый выпрямитель с параллельным включением
где
Из прил.2 определяем:
— максимальное обратное напряжение на тиристорах;
Определяем активное сопротивление фазы трансформатора:
где Определяем индуктивность рассеяния обмоток трансформатора:
где Определяем напряжение холостого хода с учетом сопротивления фазы трансформатора
где
Напряжение на вторичных обмотках трансформатора
коэффициент трансформации для обмоток "треугольник-звезда"
Определяем угол коммутации:
Определяем минимально допустимую индуктивность дросселя фильтра:
КПД выпрямителя:
1.2 Основные параметры выпрямителя в управляемом режимеОпределяем максимальный и минимальный углы регулирования:
Минимальный и максимальный углы проводимости тиристоров:
Минимальное напряжение на нагрузке
Ток в тиристоре Максимальное обратное напряжение 1.3 Выбор элементов управляемого выпрямителяТиристоры выбираем по 1.4 Расчет регулировочной характеристики управляемого выпрямителяОбщая расчетная формула для всего семейства нагрузочных характеристик:
Рис.1.2 — Регулировочная характеристика выпрямителя 1.5 Выбор защиты тиристоров от перегрузок по току и напряжениюТок плавкой вставки: Выбираем плавкую вставку ПНБ-5-380/100. Для ослабления перенапряжений используем
Величина напряжения на конденсаторе
По справочнику выбираем конденсаторы C2 — КСЛ-310 пкФ, резисторы R2 — ПЭВ-100-620±10%.
Рис.1.3 — Схема управляемого выпрямителя с защитой 2. Проектирование СИФУ2.1 Расчет параметров пусковых импульсов
2.2 Расчет цепи управления тиристорамиДля тиристоров Т222-20-12 определяем токи и напряжения управления:
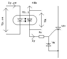
Цепи управления тиристорами питаются от импульсного усилителя через оптрон и ограничивающие сопротивление и шунтирующий диод:
Рис.2.1 — Цепь управления тиристором По значению
Определяем параметры элементов, входящих в цепь управления:
По току По значениям
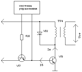
2.3 Расчет цепи импульсного усилителя
Рис.2.2 — Импульсный усилитель Импульсный усилитель работает в режиме переключения. Его расчет проводим графоаналитическим способом. Допустимое напряжение на коллекторе транзистора VT8 должно удовлетворять условию:
Коэффициент трансформации трансформатора TV4 найдем как
Откуда
Импульсная мощность коллекторной цепи транзистора VT8
Рис.2.3 — Входные и выходные характеристики транзистора КТ203А Сопротивление нагрузки цепи управления тиристором:
Сопротивление цепи коллектора VT8 Из уравнения динамического режима
— ток короткого замыкания по постоянному току.
После чего строим линию нагрузки по переменному току, откуда находим Сопротивление переменному току
Из графических построений находим:
Коэффициент усиления каскада Определим параметры импульсного трансформатора на ферритовом кольце Параметры ферритового кольца: начальная магнитная проницаемость: средняя длина магнитных линий: площадь поперечного сечения: индуктивность намагничивания сердечника трансформатора:
Количество витков первичной обмотки
Шунтирующий диод VD2 выбираем по току Транзистор VT7 выбираем как КТ203А. 2.4 Расчет элементов триггера Шмидта
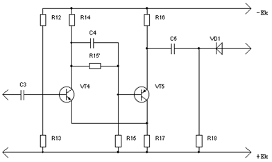
Рис.2.4 — Триггер Шмидта Примем
Выбираем транзисторы VT4 и VT5 из условия
Ток насыщения Резистор Резистор Резистор Емкость ускоряющего конденсатора:
Величину резистора R15 определим из соотношения:
мощность рассеяния на резисторе R15 Величину резистора R15’ определим из соотношения:
Резистор R13:
Резистор R12:
Примем R13=27(кОм) и R12=13(кОм). Величину разделительного конденсатора C3 определим из условия
2.5Расчет дифференцирующей цепиамплитуда входных импульсов паразитная емкость генератора импульсов Внутреннее сопротивление генератора импульсов:
Емкость дифференцирующей цепи выбирается из условия Тогда сопротивление дифференцирующей цепи определится как:
Амплитуда выходных импульсов с дифференцирующей цепочки:
Импульсный диод VD1 выбираем по 2.6Расчет элементов генератора пилообразного напряжения
Рис.2.5 — Генератор пилообразного напряжения длительность прямого хода период повторения коэффициент нелинейности Задавшись
Выбираем транзисторы VT2 и VT3 типа МП115 с параметрами:
Ток коллектора транзистора VT3 определим по заданному коэффициенту нелинейности:
Примем Конденсатор
Находим величину сопротивления R9 в цепи эмиттера VT3:
Принимаем
Принимаем
Принимаем Приняв, что
2.7 Расчет элементов блока синхронизацииРасчет блока синхронизации производим с учетом следующих данных:
Ток эмиттера
Тогда сопротивление Рассчитываем элементы цепи базы транзистора VT2:
Коэффициент трансформации трансформатора
3. Расчет параметров элементов источника питания для СИФУ 3.1 Выбор схемы и расчет основных параметров источника питанияВ соответствии с заданием принимаем следующую схему источника питания:
Рис.3.1 — Источник питания СИФУ Определим минимально допустимое входное напряжение стабилизатора:
Номинальное и максимальное значения напряжения на входе стабилизатора при колебании сети на +10%:
максимальное падение на регулирующем транзисторе:
Максимальная мощность рассеяния на транзисторе VT2:
Выбираем регулирующий транзистор П214 с параметрами:
Коллекторный ток согласующего транзистора:
Максимальная мощность рассеяния на транзисторе VT1:
Выбираем согласующий транзистор ГТ403А с параметрами:
Базовый ток согласующего транзистора Сопротивление R4, задающее ток Мощность, рассеиваимая R4 Напряжение на коллекторе усилительного транзистора VT3:
Выбираем стабилитрон Д811 с Задаемся максимальным коллекторным током усилительного транзистора Выбираем усилительный транзистор МП39 с параметрами:
Сопротивление
Задаемся током делителя
Суммарное сопротивление делителя
Определим минимальный и номинальный КПД стабилизатора:
3.2 Расчет параметров сглаживающего фильтраКоэффициент пульсаций на выходе выпрямителя Находим коэффициент сглаживания фильтра Сопротивление
Коэффициент передачи постоянного напряжения со входа на выход Тогда коэффициент фильтрации фильтра Определяем произведение Тогда 3.3 Расчет однофазного мостового выпрямителяВеличина выпрямленного напряжения
Определяем анодный ток и обратное напряжение для диодов VD1..VD4:
Определяем параметры силового трансформатора:
Находим коэффициент трансформации трансформатора:
Ток первичной обмотки трансформатора 4. Моделирование схемы блока питания СИФУ
Рис.4.1 — Модель блока питания СИФУ 1 и 2 — соответствующие каналы осцилографа. Из-за особенностей ElectronicsWorkbench вместо трансформатора был использован источник переменного напряжения с необходимыми выходными характеристиками (расчетными выходными характеристиками трансформатора). Были добавлены сопротивления Rtv (2 Ом) — сопротивление обмоток трансформатора; Ro (1 Ом) — согласующее сопротивление; Rn (0.1 кОм) — сопротивление блока СИФУ (Uвых/Iвых).
Рис.4.2 — Осциллограммы участков 1 и 2 ВыводыБольшим преимуществом двенадцатипульсного выпрямителя является маленький коэффициент пульсации и получение большой выходной мощности. Таким образом, применение такого выпрямителя дает практически выпрямленный ток на выходе. Подобные выпрямители получили широкое распространение в различных отраслях промышленности, например, в электролизных установках, на железнодорожном транспорте для питания двигателей постоянного тока, заряда аккумуляторных батарей, в сварочных аппаратах и дуговых печах, электрофильтрах, источниках вторичного электропитания радиоэлектронной аппаратуры и др. Приложение А
1. Приборы и устройства промышленной электроники / В.С.Руденко, В.И. Сенько, В.В. Трифонюк (Б-ка инженера). — К.: Технiка, 1990. — 368 с. 2. Полупроводниковые приемно-усилительные устройства: Справочник радиолюбителя / Терещук Р.М., Терещук К.М. — К.: Наукова думка, 1981. — 670 с. 3. Тиристоры: справочник / Григорьев О.П., Замятин В.Я. — М.:Радио и связь, 1982. —272 с. 4. Транзисторы для аппаратуры широкого применения: справочник / Перельман В.П. — М.:Радио и связь, 1982 — 520 с. |

,
,
























