Курсовая работа
по дисциплине:
"Метрология, стандартизация и сертификация"
на тему: "Точные расчеты"
Содержание
1. Расчет калибров для контроля размеров цилиндрических поверхностей
2. Расчет посадки с зазором
3. расчет посадки с натягом
4. Расчет размерных цепей
Литература
1. Расчет калибров для контроля размеров цилиндрических поверхностей
Задание: Определить предельные и исполнительные размеры калибров для контроля отверстия Æ 17F9, вала Æ 17h9 и контркалибров к ним. Построить схему расположения полей допусков деталей и калибров для их контроля.Расчет размеров калибра-пробки для контроля отверстия Æ 17F9.
Выписываем предельные отклонения из табл. 1.36 /1/ отверстияÆ 17F9:
ES = +59 мкм, EI = +16 мкм.
Предельные размеры отверстия /4/:
Dmax
= в + ES = 17,000 + 0,059 = 17,059 мм,
где: Dmax
– наибольший предельный размер отверстия, мм,
D – номинальный размер соединения, мм,
ES – верхнее предельное отклонение размера отверстия, мм.
Dmin
= D+EI = 17,000 + 0,016 = 17,016 мм
Размеры проходного (ПР) и непроходного (НЕ) калибров, служащие для отсчета отклонений /4/:
ПР=Dmin
=17,016 мм;
НЕ=Dmax
=17,059 мм.
Данные для расчета калибра-пробки (табл. 8.1 /4/):
Z=8 мкм, Y=0 мкм, H=3 мкм,  =0
Предельные размеры проходной стороны нового калибра /7/:
ПРmax
= ;
ПРmin
= .
Исполнительный размер проходной стороны калибра, проставляемый на рабочем чертеже:
ПРисп.
= .
Изношенный размер калибра /4/:
ПРизнош.
= .
Рассчитаем предельные размеры непроходной стороны нового калибра по формулам 1.5 и 1.6 /4/:
НЕmin
= ;
НЕmax
= .
Исполнительный размер непроходной стороны:
НЕисп.
= .
Произведем расчет размеров калибра-скобы для контроля вала Æ 17h9.
Предельные отклонения вала Æ 17h9 (табл. 1.35 /1/:
ei=-0,043 мм, es=0 мм.
Определяем предельные размеры вала:
dmax
= ;
dmin
= .
Определим размеры проходной (ПР) и непроходной (НЕ) стороны калибра-скобы, служащие для отсчета отклонений:
ПР=dmax
=17,000мм;
НЕ=dmin
=16,957мм.
Данные для расчета калибра-скобы выписываем из таблицы 8.1 /4/:
Z1
=8 мкм, Y1
=0 мкм, a1
=0 мкм, H1
=5 мкм, Hp
=2 мкм.
Рассчитаем предельные размеры проходной стороны калибра-скобы:
ПРmax
= ;
ПРmin
= .
Исполнительный размер проходной стороны калибра по формуле (1.10) /4/:
ПРисп.
= .
Изношенный размер проходной стороны калибра по формуле (1.11) /4/:
ПРизнош.
= .
Предельные размеры непроходной стороны калибра-скобы по формулам (1.12) и (1.13) /4/:
НЕmin
= ;
НЕmax
= .
Исполнительный размер непроходной стороны калибра по формуле:
НЕисп.
=
Расчет размеров контрольного калибра для скобы (контркалибра).
Рассчитаем предельные размеры проходной стороны калибра по формулам (1.15) и (1.16) /4/:
К-ПРmin
= ;
К-ПРmax
= .
Исполнительный размер проходной стороны контркалибра по формуле:
К-ПРисп.
= .
Предельные размеры контркалибра для контроля износа по формулам:
К-Иmax
= ;
K-Иmin
= .
К-Иисп.
= .
Предельные размеры непроходной стороны контркалибра:
К-НЕmax
= ;
К-НЕmin
= .
Исполнительный размер непроходной стороны контркалибра:
К-НЕисп.
=
Схемы расположения полей допусков отверстия и калибра-пробки, вала и калибра-скобы и контркалибра приведены на рис.1.1, 1.2 и 1.3.

Рис. 1.1. Схема расположения полей допусков отверстия Æ17F9 и полей допусков калибра-пробки для его контроля

Рис. 1.2. Схема расположения полей допусков вала Æ17h9, калибра-скобы и контркалибра к нему

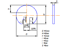
Рис.1.3. Эскиз калибр-скобы
2. Расчет посадки с зазором
Задание. Подобрать посадку для подшипника скольжения, работающего длительное время с постоянным числом оборотов n = 1000 об/мин и радиальной нагрузкой R = 3000 Н. Диаметр шипа (вала) в = 80 мм, длина l= 95 мм, смазка – масло сепаратное Т. Подшипник разъемный половинный (с углом охвата 1800
), материал вкладыша подшипника – БрАЖ9-4 с шероховатостью Rz1
= 3,2 мкм, материал цапфы (вала) – сталь 40 с шероховатостью Rz2
= 1,25 мкм.
Находим среднее давление по формуле 2.9 /4/:

Находим угловую скорость вращения вала по формуле 2.6 /4/:

Для сепараторного масла по таблице 8.2 находим 50
0
=0,014 Па×с и значение степени n=1,85 из таблицы 8.3. Принимаем для наименьшего функционального зазора SminF
t=700
С и определяем 1
= 70
0
по формуле:

Из таблицы 8.4 /4/ для и угла охвата =1800
находим k=0,972 и m=0,972.Определяем критическую толщину масляного слоя по формуле (2.4) /4/, принимая kж.т.
=2

Определяем предельный минимальный функциональный зазор по формуле 2.7 /4/, подставляя в нее значения соответствующих параметров:


По таблице выбираем посадку по SminF
= 30мкм. Скользящих посадок выбирать не следует, т.к. они не имеют гарантированного зазора (Smin
= 0) и применяются главным образом для центрирования. Ближайшей посадкой будет посадка Æ80Н7/f7 c наименьшим зазором Smin
= 36мкм (табл. 1.47 /1/, предпочтительные поля допусков).
При малых зазорах могут возникнуть самовозбуждающиеся колебания в подшипнике; если , создается возможность вибрации вала и, значит, неустойчивого режима работы подшипника. Таких значений следует избегать.
Определим значение для выбранной посадки.
Сначала находим относительный зазор :

Из уравнения (2.9) /4/ находим коэффициент нагруженности подшипника

И уже из уравнения (2.10) /4/ определяем 

Как уже говорилось, таких посадок следует избегать.
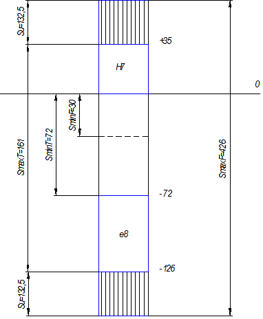
Выбираем другую ближайшую посадку из табл.1.47 /1/: Æ80H7/e8. Для этой посадки Smin
=72мкм.



Условие выполняется.
Здесь нужно учесть, что мы производим расчет для наихудшего (маловероятного) случая, когда в соединении "цапфа-вкладыш" при сборке получен минимальный зазор Smin
.
Поэтому проверим, обеспечивается ли для выбранной посадки (Æ80H7/e8, Smin
Т
=72мкм, Smax
Т
=161мкм)
при Smin
жидкостное трение.
Для этого определим наименьшую толщину масляного слоя по уравнению (2.2) /4/:

а затем найдем запас надежности по толщине масляного слоя из формулы (2.4) /4/:

Расчет показывает, что посадка по наименьшему зазору выбрана правильно, так как при Smin
=72мкм обеспечивается жидкостное трение и создается запас надежности по толщине масляного слоя. Следовательно, табличное значение Smin
=72 мкм для выбранной посадки можно принять за SminF
=72 мкм.
Теперь определим наибольший функциональный зазор по формуле (2.8) /4/ при t=500
C:


Проверим, обеспечивается ли при этом зазоре жидкостное трение. Найдем c, hmin
, kж.т.
:
;
;
;
;
.
Расчеты показывают, что жидкостное трение обеспечивается.
Запас на износ определяем по формуле (2.12) /4/ :
, где , ;
.
Строим схему полей допусков для посадки с зазором с указанием Smin
Т
,Smax
Т
,SminF
,SmaxF
, Sи
(рис.2.1.).

Рис.2.1 Схема расположения полей допусков деталейпри посадке с зазором.
3. Расчет посадки с натягом
Задание. Рассчитать и выбрать посадку с натягом для соединения вала и втулки (d=60мм, d1
=0мм, d2
=240мм, l=50мм), которое работает под воздействием крутящего момента Мкр
=8Н×м. Запрессовка механическая. Материал обеих деталей - сталь 45.
Определяем рэ
по формуле (3.4) /4/:
,
где - крутящий момент стремящийся повернуть одну деталь относительно другой (Н м);
- осевое продольное сдвигающее усилие (Н). В нашем случае равно нулю;
d – номинальный диаметр соединения (м);
l – длина соединения (м);
f – коэффициент трения.
Определяем коэффициенты Ламе по формулам (3.5) и (3.6) /4/:
;

где и - коэффициенты Пуассона для материалов деталей соединения.
Определяем Nmin
по формуле (3.1) /4/:

где и - модуль упругости материалов соединяемых деталей, Па.
Находим поправки к расчетному натягу, используя формулы (3.7) и (3.8), и определяем NminF
по формуле (3.9) /4/:

Принимаем ut
=0 и uц
=0, исходя из условий задачи.
 
Определяем допустимое удельное давление на контактирующих поверхностях по формулам (3.10) и (3.11) /4/:


В качестве рдоп
выбирается .
Определяем величину наибольшего натяга Nmax
по формуле (3.12):

Находим поправки к наибольшему натягу и определяем NmaxF
по формуле (3.13) /4/:
u=15мкм, ut
=0, uц
=0, uуд
=0,78

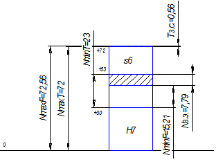
Выбираем по таблице 1.49 /1/ посадку по наибольшему функциональному натягу NmaxF
, при которой создавался бы запас прочности соединения и запас прочности деталей:Æ60 H7/s6, для которой NmaxT
=72 мкм (£NmaxF
), NminT
=23 мкм (³NminF
)
Определяем для выбранной посадки запас прочности соединения при сборке и при эксплуатации по формулам (3.14) и (3.15) /4/:


Для правильно выбранной посадки запас прочности соединения при сборке Nз.с.
всегда должен быть меньше запаса прочности соединения при эксплуатации Nз.э.
, потому что Nз.с.
нужен только в момент сборки для случая возможного снижения прочности материала деталей и увеличения силы запрессовки из-за перекоса деталей, колебания коэффициента трения и т.д.
Строим схему расположения полей допусков выбранной посадки (рис.3.1)
Изменить рисунок согласно расчетам

Рис.3.1. Схема расположения полей допусков деталей при посадке с натягом

Для расчета размерной цепи используем метод максимума-минимума.
Назначим допуски, и предельные отклонения на размеры если допуски на зазор Y5
составляют: верхнее +0,2
; нижнее -0,3
.
Определяем величину зазора Y5

Y5
– является замыкающим звеном. Зазор должен быть в пределах 5,2 мм до 4,7 мм. Поле допуска на размер 500 мкм
Таблица 4.1.
| Аi
ном, мм |
I, мкм |
IT9, мкм |
Аi
ммпринятое |
| Т3
=12 → |
1,08 |
43 |
 |
| Р7
=14 → |
1,08 |
43 |
 |
| П3
=20 → |
1,31 |
52 |
 |
| П4
=18 → |
1,31 |
43 |
 |
| Э2
=55 → |
1,86 |
74 |
 |
| Ф7
=3 → |
0,55 |
25 |
 |
| П2
=5 ← |
0,73 |
30 |
 |
| Ш4
=72 ← |
1,86 |
74(128) |
 |
| Ф2
=40 ← |
1,56 |
62 |
 |
| Σ |
11,34 |
446(500) |
Определяем среднее количество единиц допуска:
единиц.
Определяем квалитет, данное количество единиц соответствует:
IT9=45 единиц
Допуски составляющих размеров находим в табл. 1.8 /1/ и записываем их в таблицу.
Сумма допусков составляющих звеньев получилась меньше допуска замыкающего звена. Чтобы уравнение удовлетворялось увеличим допуск одного из составляющих звеньев. Этим звеном будет – Ш4.

Занесем принятые значения допусков в таблицу.
Назначим отклонения звеньев Т3
, Р7
, П3
, Э2
в минус т.к. они являются охватываемыми, а для звеньев П2
, Ф2
, П4
, Ф7
, в плюс охватываемые. Допуск на замыкающее звено "плюс-минус" следовательно допуск на звено Ш4
рассчитаем.






Заносим полученные данные в таблицу.
Размер замыкающего звена находится в пределах допуска указанного в условии задания. При необходимости можно увеличить допуски на все звенья, рассчитав цепь с помощью "теоретико-вероятностного" метода.
Произведем расчет размерной цепи теоретико-вероятностный методом, данный метод позволяет назначать менее жесткие допуски составляющих звеньев при том же допуске конечного звена.
Определяем величину зазора Y5
Y5
– является замыкающим звеном. Зазор должен быть в пределах 5,2 мм до 4,7 мм. Поле допуска на размер 500 мкм.
Таблица 4.2.
Аi
ном
мм
|
i
мкм
|
i2
|
IT11
мкм
|
(IT)2
|
TAi
мкм
принято
|
Аi
мм
принятое
|
| Т3
=12 → |
1,08 |
1,17 |
110 |
12100 |
110 |
 |
| Р7
=14 → |
1,08 |
1,17 |
110 |
12100 |
110 |
 |
| П3
=20 → |
1,31 |
1,72 |
130 |
16900 |
130 |
 |
| П4
=18 → |
1,31 |
1,72 |
110 |
12100 |
110 |
 |
| Э2
=55 → |
1,86 |
3,46 |
190 |
36100 |
190 |
 |
| Ф7
=3 → |
0,55 |
0,3 |
60 |
3600 |
60 |
 |
| П2
=5 ← |
0,73 |
0,53 |
75 |
5625 |
75 |
 |
| Ш4
=72 ← |
1,86 |
3,46 |
190 |
36100 |
355 |
 |
| Ф2
=40 ← |
1,56 |
2,43 |
160 |
25600 |
160 |
 |
| Σ |
15,9 |
160225
(250000)
|
Определяем среднее количество единиц допуска:
 
Определяем квалитет, данное количество единиц соответствует:
IT11=100 единицы
Допуски составляющих размеров находим в табл. 1.8 /1/ и записываем их в таблицу.
Так как меньше допуска на размер замыкающего звена, то увеличим допуск на один из размеров - Ш4
.

Занесем принятые значения допусков в таблицу.
Назначим отклонения звеньев Т3
, Р7
, П3
, Э2
в минус т.к. они являются охватываемыми, а для звеньев П2
, Ф2
, П4
, Ф7
, в плюс охватываемые. Допуск на замыкающее звено "плюс-минус" следовательно допуск на звено Ш4
рассчитаем.Рассчитаем середины полей допусков.











Рассчитываем верхнее и нижнее отклонение звена Ш4
:


Заносим полученные данные в таблицу.
Литература
1. Допуски и посадки: Справочник в 2-х ч./ Под ред. В.Д.Мягкова. – 5-е изд., перераб. и доп. - Л.: Машиностроение, 1978. – 544с.
2. Е.В.Перевозникова, М.П.Худяков. Метрология, стандартизация, сертификация. Учебное пособие. Часть 1 "Метрология". Северодвинск. Севмашвтуз, 2007. – 88 с.
3. Е.В.Перевозникова, М.П.Худяков. Метрология, стандартизация, сертификация. Учебное пособие. Часть 3 "Сертификация". Северодвинск. Севмашвтуз, 2007. – 100 с.
4. Перевозникова Е.В. Методические указания по выполнению курсовой работы по дисциплине "Метрология, сертификация и стандартизация" на тему "Точностные расчеты". Северодвинск: Севмашвтуз, 2004 – 46 с.
|