Дипломная работа: Построение локальной сети
|
Название: Построение локальной сети Раздел: Рефераты по информатике, программированию Тип: дипломная работа | ||||||||||||||||||||||||||||||||||||||||||||||||||||||||||||||||||||||||||||||||||||||||||||||||||||||||
СОДЕРЖАНИЕ Введение. 2 Выявление решаемых задач. 3 Выбор сетевой операционной системы.. 4 Выбор топологии сети и методов доступа. 6 Топология типа «звезда». 6 Кольцевая топология. 6 Шинная топология. 7 Технология FastEthernet 9 Выбор сетевого оборудования. 10 Сетевые карты.. 10 Коммутаторы (bridges, switches): 10 Технология коллективного доступа CSMA/CA.. 12 Заключение. 15 Список литературы.. 19 операционный система топология сетевой еthernet ВВЕДЕНИЕСегодня, в период стремительного взлета информационных технологий, одной из основных движущих сил прогресса является стремление к объединению, интеграции отдельных единиц оборудования и целых компьютерных систем. Корпоративные сети охватывают континенты, Всемирная паутина оплела весь земной шар. Главным орудием такой интеграции, бесспорно, являются сетевые технологии. Развитие сетевых технологий шло постепенно, по мере формирования микроэлектронной базы и решения других сопутствующих проблем. Некоторые из направлений уже успели умереть или близки к этому, другие — приспособились, трансформировались, третьи — бурно и успешно развиваются. И наконец эти технологии охватили учебный процесс. Для построения сети в учебном заведении выбираем двухжильный кабель – витая пара, так как показатели стоимости монтажа и оборудования, по сравнению с другими видами кабелями, такими как коаксиальный кабель оптоволоконные линии, более выгодны, требуют меньших затрат, что является немаловажным фактором. Кабель из витой (скрученной пары) пары является на сегодняшний день стандартом для ЛВС. Витая пара обеспечивает лучшую производительность. Однако, вероятно, самым большим преимуществом витой пары является то, что она уже используется бесчисленным количеством телефонных систем по всему миру. Кабели на основе витой пары применяемые в структурированных кабельных сетях, имеют до четырех пар изолированных медных проводов в одной металлической оплетке или без нее (различают неэкранированный и экранированный кабели). Каждая пара проводов для защиты от переходногозатухания, вызванного электромагнитными помехами от соседних пар и внешних источников, скручивается с различным шагом - количеством витков на дюйм. Согласно стандартам, провод делится на несколько категорий по своей "пропускной способности". Мы выбираем кабель пятой категории, который используется для передачи данных со скорость до 100 Мбит в секунду включительно. ВЫБОР СЕТЕВОЙ ОПЕРАЦИОННОЙ СИСТЕМЫПри принятии стратегического решения относительно используемых в корпоративной сети сетевых операционных систем, необходимо учитывать, что все сетевые ОС делятся по своим функциональным возможностям на два четко различимых класса: сетевые ОС масштаба отдела и корпоративные сетевые ОС. При выборе корпоративной сетевой ОС в первую очередь нужно учитывать следующие критерии: · Масштабируемая в широких пределах производительность, основанная на хорошей поддержке многопроцессорных и кластерных платформ (здесь сегодня лидерами являются фирменные версии Unix, показывающие рост производительности близкий к линейному при росте числа процессоров до 64) · Возможность использования данной ОС в качестве сервера приложений. Для этого ОС должна поддерживать несколько популярных универсальных API, таких, которые позволяли бы, например, выполняться в среде этой ОС приложениям Unix, Windows, MS DOS, OS/2. Эти приложения должны выполняться эффективно, а это означает, что данная ОС должна поддерживать многонитевую обработку, вытесняющую многозадачность, мультипроцессирование и виртуальную память. · Наличие мощной централизованной справочной службы (такой, например, как NDS компании Novell или Street Talk компании Banyan). Справочная служба должна обладать масштабируемостью, то есть хорошо работать при очень большом числе пользователей и разделяемых ресурсов, а для этого необходимо, чтобы база справочных данных была распределенной. Нужно учитывать, что справочные службы, также как и многие другие сетевые сервисы, сейчас часто поставляются не встроенными в конкретную ОС, а в виде отдельного продукта, например, Street Talk for Windows NT (компания Novell планирует выпуск NDS для Windows NT). И, хотя существует еще ряд не менее важных характеристик, которые надо учитывать при выборе сетевой ОС, таких, например, как степень стабильности и безопасности ОС, наличие программных средств удаленного доступа, способность работать в гетерогенной среде и т.д., реальная жизнь упрощает задачу выбора. Сегодня рынок корпоративных ОС поделен между несколькими операционными системами: примерно по одной трети имеют NetWare и Windows NT, 10% приходится на разные версии Unix и 20% представлены остальными типами ОС. ВЫБОР ТОПОЛОГИИ СЕТИ И МЕТОДОВ ДОСТУПАТопология типа «звезда»Концепция топологии сети в виде звезды пришла из области больших ЭВМ, в которой головная машина получает и обрабатывает все данные с периферийных устройств как активный узел обработки данных. Вся информация между двумя периферийными рабочими местами проходит через центральный узел вычислительной сети.Пропускная способность сети определяется вычислительной мощностью узла и гарантируется для каждой рабочей станции. Коллизий (столкновений) данных не возникает.Кабельное соединение довольно простое, так как каждая рабочая станция связана с узлом. Затраты на прокладку кабелей высокие, особенно когда центральный узел географически расположен не в центре топологии.При расширении вычислительных сетей не могут быть использованы ранее выполненные кабельные связи: к новому рабочему месту необходимо прокладывать отдельный кабель из центра сети.Топология в виде звезды является наиболее быстродействующей из всех топологий вычислительных сетей, поскольку передача данных между рабочими станциями проходит через центральный узел (при его хорошей производительности) по отдельным линиям, используемым только этими рабочими станциями. Частота запросов передачи информации от одной станции к другой невысокая по сравнению с достигаемой в других топологиях.Производительность вычислительной сети в первую очередь зависит от мощности центрального файлового сервера. Он может быть узким местом вычислительной сети. В случае выхода из строя центрального узла нарушается работа всей сети. Кольцевая топологияПри кольцевой топологии сети рабочие станции связаны одна с другой по кругу, т.е. рабочая станция 1 с рабочей станцией 2, рабочая станция 3 с рабочей станцией 4 и т.д. Последняя рабочая станция связана с первой. Коммуникационная связь замыкается в кольцо.Прокладка кабелей от одной рабочей станции до другой может быть довольно сложной и дорогостоящей, особенно если географическое расположение рабочих станций далеко от формы кольца (например, в линию).Сообщения циркулируют регулярно по кругу. Рабочая станция посылает по определенному конечному адресу информацию, предварительно получив из кольца запрос. Пересылка сообщений является очень эффективной, так как большинство сообщений можно отправлять «в дорогу» по кабельной системе одно за другим. Очень просто можно сделать кольцевой запрос на все станции. Продолжительность передачи информации увеличивается пропорционально количеству рабочих станций, входящих в вычислительную сеть.Основная проблема при кольцевой топологии заключается в том, что каждая рабочая станция должна активно участвовать в пересылке информации, и в случае выхода из строя хотя бы одной из них вся сеть парализуется. Неисправности в кабельных соединениях локализуются легко.Подключение новой рабочей станции требует кратко срочного выключения сети, так как во время установки кольцо должно быть разомкнуто. Ограничения на протяженность вычислительной сети не существует, так как оно, в конечном счете, определяется исключительно расстоянием между двумя рабочими станциями. Шинная топологияПри шинной топологии среда передачи информации представляется в форме коммуникационного пути, доступного для всех рабочих станций, к которому они все должны быть подключены. Все рабочие станции могут непосредственно вступать в контакт с любой рабочей станцией, имеющейся в сети.Рабочие станции в любое время, без прерывания работы всей вычислительной сети, могут быть подключены к ней или отключены. Функционирование вычислительной сети не зависит от состояния отдельной рабочей станции.Новые технологии предлагают пассивные штепсельные коробки, через которые можно отключать и/или подключать рабочие станции во время работы вычислительной сети.Благодаря тому, что рабочие станции можно подключать без прерывания сетевых процессов и коммуникационной среды, очень легко прослушивать информацию, т.е. ответвлять информацию из коммуникационной среды. ТЕХНОЛОГИЯ FASTETHERNETEthernet был разработан Исследовательским центром корпорации Xerox в Пало Альто(PARC) в 1970 году и является на сегодняшний день наиболее популярным стандартом. Миллионы устройств и узлов подключены к сетям, использующим Ethernet. Первым локальным сетям требовалась очень небольшая пропускная способность для выполненияпростых сетевых задач, существовавших в то время, — отправка и прием электронной почты, передача файлов данных и обработка заданий по выводу на печать. Ethernet стал основой для спецификации IEEE 802.3, которая была выпущена в 1980 году Институтом инженеров по электротехнике и электронике. Вскоре после этого компании Digital Equipment Corporation, Intel Corporation и Xerox Corporation совместно разработали и выпустили спецификацию Ethernet версии 2.0, которая была в значительной степени совместима со стандартом IEEE 802.3. На сегодняшний день Ethernet и IEEE 802.3 являются наиболее распространенными стандартами локальных вычислительных сетей. Сети на основе Ethernet используются для транспортировки данных между различными устройствами — компьютерами, принтерами и файл-серверами. Технология Ethernet дает возможность устройствам коллективно пользоваться одними и теми же ресурсами, т.е. все устройства могут пользоваться одной средой доставки. Средой доставки называется метод передачи и приема данных. Например, рукописное письмо может быть послано с использованием различных способов доставки: через почтовую службу, через курьерскую службу доставки Federal Express или по факсу. Электронные данные могут передаваться по медному кабелю, по тонкому или толстому коаксиальному кабелю, по беспроводным линиям связи и т.д. ВЫБОР СЕТЕВОГО ОБОРУДОВАНИЯСетевые картыНа сегодняшний день карты могут быть NE2000 compatible ( ISA шина ), поддерживать шину PCI и поддерживать стандарт Fast Ethernet 10/100 Mb. Поскольку по ценам такие карты сильно не отличаются от обыкновенных 10Mb ISA карточек, то лучше приобретать карточки 10/100. Хорошо если карточки будут COMBO (т.е. поддерживать RJ-45, BNC и AUI), это относится только к 10 Мб сети и коаксиалу, помните - никто не может предсказывать будущее. Кизвестнымпроизводителямотносятся : 3COM, Acton, Compex, Allied Telesyn International, Kingston, ...Коммутаторы(bridges, switches)Мост (BRIDGE). Мост - разделяет загруженную сеть на 2 (ДВА) более мелких и эффективных сегмента. В отличии от повторителя (концентратора) , усиливающего и передающего дальше каждый пакет, мост разделяет пакеты по адресамсети. А также мост предназначен для соединения сегментов только одного типа сети, например Ethernet или Token Ring. Коммутатор-концентратор (Switching Hub).Коммутирующий концентратор похож на мост, но обьединяет более двух сегментов сети. В тоже время он делит сеть на сегменты работающие более эффективно. Удобство такого концентратора в том, что он может обрабатывать несколько потоков данных одновременно. А также он может обьединять сегменты разных типов сетей, преобразовывая фреймы Ethernet в представление данных Token Ring, хотя условие прозрачности коммутатора для сетевой станции сохраняется.К основным характеристикам сетевого коммутатора относятся: · количество портов; · Этот параметр определяет , сколько рабочих станций или концентраторов можно одновременно подключить к коммутатору и на сколько независимых сегментов коммутатор разделяет сеть. · емкость таблицы адресов сетевых карт (MAC-адресов); · Этот параметр определяет , сколько сетевых карт сможет обслуживать коммутатор. Ясно, что чем больше , тем лучше. · пропускная способность коммутатора; · Пропускная способность коммутатора показывает сколько пакетов, поступающих со всех портов, он сможет обрабатывать в секунду. · время задержки пакетов;Время задержки зависит как от производительности коммутатора, так и от реализованного в нем принципа обработкипакетов. ТЕХНОЛОГИЯ КОЛЛЕКТИВНОГО ДОСТУПА CSMA/CAТехнология коллективного доступа к среде передачи данных, реализованная в беспроводных сетях семейства 802.11, очень напоминает аналогичную технологию в проводных сетях Ethernet. Напомним, что в классических сетях Ethernet применяется метод коллективного доступа с опознанием несущей и обнаружением коллизий (СarrierSenseMultipleAccessWithCollisionDetection, CSMA/CD). Данная технология коллективного доступа регламентирует, каким образом узлы сети получают доступ к общей среде передачи данных и как они обнаруживают и обрабатывают коллизии, возникающие в том случае, если несколько узлов сети пытаются одновременно (или почти одновременно) передать данные по сети. Для обнаружения коллизии сетевой адаптер должен уметь передавать и принимать данные (прослушивать «эфир») одновременно. Но в беспроводных сетях используются полудуплексные адаптеры, которые не могут вести себя подобным образом, поэтому необходимо применение технологии коллективного доступа, позволяющей избежать возникновения коллизий (CarrierSenseMultipleAccess / CollisionAvoidance, CSMA/CA). Предотвратить возникновение коллизий удается благодаря пакетам подтверждения безошибочного приема. В протоколах семейства 802.11 предусмотрены два варианта реализации метода коллективного доступа. Согласно первому из них беспроводной адаптер, желающий начать передачу данных, производит тестирование канала передачи на предмет сетевой активности, и если обнаруживает, что канал свободен, то после некоторой задержки начинает передавать данные. В случае успешного получения пакета данных принимающий адаптер отсылает подтверждение приема — пакет ACK. Если передающая станция не получила пакет ACK из-за того, что не был получен пакет данных или пришел поврежденный ACK, то делается предположение, что произошла коллизия, а пакет данных передается снова через случайный промежуток времени. Другой вариант реализации коллективного доступа — протокол RTS/CTS, который используется в том случае, когда два узла сети не могут общаться напрямую в силу большого разделяющего их расстояния или преград. Тогда перед тем, как послать данные в «эфир», станция сначала отправляет специальное сообщение — RTS (ReadyToSend), которое трактуется как готовность данного узла к отправке данных. RTS-сообщение содержит информацию о продолжительности предстоящей передачи, а также об адресате и доступно всем узлам в сети. Это позволяет другим узлам задержать передачу на время, равное объявленной длительности сообщения. Приемная станция, получив сигнал RTS, отвечает посылкой сигнала CTS (ClearToSend), свидетельствующего о готовности станции к приему информации. После этого передающая станция посылает пакет данных, а приемная станция должна передать кадр ACK, подтверждающий безошибочный прием. Если АСК не получен, попытка передачи пакета данных будет повторена. Таким образом, с использованием подобного четырехэтапного протокола передачи данных (4-WayHandshake) реализуется регламентирование коллективного доступа с минимизацией вероятности возникновения коллизий. Каждый пакет данных снабжается контрольной суммой CRC, что гарантирует обнаружение битых кадров при приеме. Пакетная фрагментация, определяемая в стандарте, предусматривает разбивку большого пакета данных на малые порции. Такой подход позволяет снизить вероятность повторной передачи кадра данных, поскольку с увеличением размера кадра возрастает и вероятность ошибки при его передаче. Если же переданный кадр оказался битым, то при малом размере кадра передающей станции будет нужно повторить только малый фрагмент сообщения. Спецификация пакетирования данных, предусмотренная стандартом, предписывает разбивку данных на пакеты, снабженные контрольной и адресной информацией длиной 30 байт, блоками данных длиной до 2048 байт и 4-байтным CRC-блоками. Стандарт рекомендует применять пакеты длиной 1500 или 2048 байт.
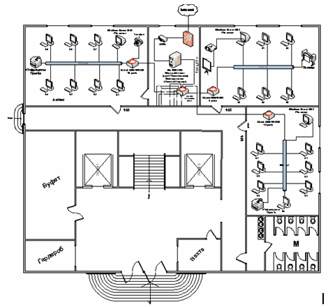
1-этаж
2-этаж
3-этаж
4-этаж
5-этаж ЗАКЛЮЧЕНИЕВ данном проекте были рассмотрены различные варианты организации сети и выбраны наиболее выгодные позиции. Приобрел основные понятия о сетевых технологиях и об их организациях. СПИСОК ЛИТЕРАТУРЫ1. Олифер В.Г., Олифер Н.А. Компьютерные сети. Принципы, технологии, протоколы: Учебник для вузов. 2-изд. – СПб: «Питер», 2005. – 864 c. 2. Компьютерные сети. Учебный курс/Пер. с англ. – М.: Издательский отдел «Русская редакция» ТОО «Channel TradingLtd.». – 2-е издание, 1998. – 696 c. 3. Работы учебные. Фирменный стандарт ФС РК 10352-1910-У-е-001-2002. Общие требования к построению, изложению, оформлению и содержанию. – Алматы, АИЭС, 2002. – 31 с. 4. Основы современных компьютерных технологий: Учебник / Под ред. Проф. А.Д. Хомоненко. – СПб.: КОРОНА принт, 2005. – 672 с. 5. Соловьева Л.Ф. Сетевые технологии. Учебник-практикум. – СПб.: БХВ-Петербург, 2004. – 416 с. 6. Новиков Ю. В., Кондратенко С.В. Локальные сети: архитектура, алгоритмы, проектирование. – М.: ЭКОМ, 2001 – 312 с. 7. Гук М. Аппаратные средства локальных сетей. Энциклопедия. – СПб: Изд-во «Питер», 2000. – 576 с. |
||||||||||||||||||||||||||||||||||||||||||||||||||||||||||||||||||||||||||||||||||||||||||||||||||||||||




