Курсовая работа: Проектирование электроснабжения участка, состоящего из 5 шахтных печей Ц105 и установки эндогаза ЭН-60М01
|
Название: Проектирование электроснабжения участка, состоящего из 5 шахтных печей Ц105 и установки эндогаза ЭН-60М01 Раздел: Рефераты по физике Тип: курсовая работа | |||||||||||||||||||||||||||||||||||||||||||||||||||||||||||||||||||||||||||||||||||||||||||||||||||||||||||||||||||||||||
Министерство образования и науки Российской федерации Чувашский государственный университет им. И.Н.Ульянова Кафедра
А Э Т У С
КУРСОВОЙ ПРОЕКТ на тему: «Проектирование электроснабжения участка» Выполнил: студент группы ЭТ-51-03 Гаврилов С.В. Проверил: Лавин И.А. Чебоксары 2007 г. РЕФЕРАТ Записка содержит 37 с., 17 рис., 2 таблицы, 6 источников литературы Ключевые слова: ГЕНЕРАТОР, ТРАНСФОРМАТОР, РЕАКТОР, СИСТЕМА, КАБЕЛЬ, ВЫКЛЮЧАТЕЛЬ, КЗ, СХЕМА, КТП. В данном курсовом проекте было спроектировано электроснабжения участка цеха включающего в себя 5 шахтных печей Ц105 и установка эндогаза ЭН-60М01. Был составлен индивидуальный и групповой график нагрузки участка. Рассчитаны токи короткого замыкания на шинах комплектной трансформаторной подстанции по высокой и низкой стороне. Разработана схема электроснабжения участка, выбрано силовое оборудование ЭТУ. Подобраны контрольно-измерительные приборы. Разработана схема управления, защиты и сигнализации. Содержание Введение Техническая характеристика План участка цеха 1. Описание технологического процесса участка 2. Описание ЭТУ как приемника электроэнергии 3. Составление и обсчет группового графика нагрузки 4. Выбор комплектной трансформаторной подстанции 5. Расчет тока короткого замыкания на шинах КТП 6. Расчет тока короткого замыкания после КТП 7. Выбор оборудования 8. Разработка схемы управления, защиты и сигнализации Заключение Список литературы ВВЕДЕНИЕ В современном мире большее внимание уделяется разработке тех видов техники и технологии, которые обеспечивают значительную экономию сырьевых, энергетических и трудовых ресурсов. В связи с этим большое значение приобретает развитие электротермических технологий и установок. Нагрев электричеством по сравнению с пламенным нагревом обеспечивает экономию первичных энергетических ресурсов, то есть это энергосберегающая технология. Технологические процессы при электротермии являются ресурсосберегающими. Они позволяют значительно снизить потери материалов при их тепловой обработке (на угар, улет, окалину и т.п.). Кроме того, технологические процессы при электротермии за счет высокой степени управляемости дают возможность существенно экономить трудовые ресурсы. Современные ЭТУ имеют высокий уровень механизации и автоматизации, позволяют создавать единые технологические поточные линии, при этом за счет применения скоростного нагрева и высоких температур появляется возможность значительного повышения производительности технологических процессов. ЭТУ являются специфическими приемниками электроэнергии. Часто они предъявляют повышенные требования к надежности и стабильности электроснабжения, что требует особого подхода при их проектировании и эксплуатации. Некоторые ЭТУ являются генераторами гармоник, дают резко колебательный режим, повышенный уровень потребления реактивной мощности. Это заставляет принимать специальные меры по предотвращению их влияния на качество электроэнергии в системах электроснабжения промышленных предприятий. Основными параметрами установок печей сопротивления являются: номинальная температура, установленная мощность печи, число тепловых зон, мощность зоны, число фаз и напряжения на нагревательных элементах. Основным родом тока для питания печей сопротивления служит трех- или однофазный ток частотой 50 Гц. Напряжение для питания нагревательных элементов электропечей сопротивления является напряжение 380 В. ТЕХНИЧЕСКАЯ ХАРАКТЕРИСТИКА
ПЛАН УЧАСТКА ЦЕХА
Рис.1 Планировка участка цеха Описание планировки участки цеха На участке расположено следующие оборудование: 1 − шахтная печь Ц105; 2 − КТП-630; 3 − установка эндогаза ЭН-60М1; 4 − трансформатор; 5 − РП установки эндогаза ЭН-60М1; 6 − РП шахтной печи Ц105; 7 − мостовой кран 1. ОПИСАНИЕ Технологический процесс участка Компоновочные решения термических цехов и участков предусматривают неукоснительное соблюдение всех технологических мероприятий с учетом удобства и безопасности обслуживания оборудования, при этом должны учитываться требования действующих правил и норм. Из всего многообразия цехов и участков можно выделить три группы, отличающиеся разнообразием планировочных решений: цехи и участки с универсальными печами сопротивления, цехи и участки с установкой групп печей нескольких типов и установки значительного числа однотипных печей сопротивления. Свои решения имеют участки с установками прямого нагрева и плавильные отделения, оборудованные печами сопротивления. Для термического отделения крупного инструментального цеха наиболее удобно однопролетное здание. Оборудование размещают таким образом, чтобы создать законченный технологический цикл обработки деталей каждой группы. Поскольку большинство универсальных печей однозонные, суммарная мощность их невелика, что позволяет осуществлять питание от цеховой распределительной линии. Управление печами осуществляется со щитов управления, установленных в проходах между печами, у стен над кабельными каналами. Иногда в целях лучшей компоновки щиты объединяют в группы. Представителями второй группы цехов могут быть термические цехи машиностроительных мероприятий массового производства. Целесообразная организация производства на таких заводах требует создания ряда термических отделений, обрабатывающих однотипные детали. Оборудование обычно представлено 2-4 типами методических печей, часто входящих в технологические агрегаты. Такие печи являются многозонными, общее количество зон может составить несколько, общее количество зон может составить несколько десятков. Мощность блок в единице может достигать несколько сотен киловатт, поэтому от цеховой сети питание невозможно. Требуется установка отдельного трансформатора на цеховой подстанции, от которого могут питаться и другие потребители. Щиты станций управления расположены вдоль фронта печей. Это позволяет сократить длину кабелей от щитов до печи, но при значительной мощности усложняется конструкция токоподвода от источника питания до вводного шкафа. В ряде отраслей промышленности возникает необходимость установки значительного количества однотипных двух- или трехзонных печей. Проектное решение определяется следующими факторами: количество управляемых зон доходит до сотни, зоны по температуре и характеру технического процесса однотипны, мощность группы печей составляет тысячи киловатт. Питание печей осуществляется от специальной КТП. Щиты станции управления и щиты управления расположены в электротехническом помещении рядом с КТП. 2. оПИСАНИЕ ЭТУ как приёмник электроэнергии Питание Ц-105, осуществляется трехфазным переменным током промышленной частоты от цеховых сетей напряжением 0,4 кВ - через КТП. Коэффициент мощности ЭПС близок к единице. Индивидуальный график нагрузки Ц-105 носит ступенчатый характер. Полный цикл работы составляет 6 часов, при этом 1 час приходится на нагрев изделий при номинальной мощности 105 кВт, затем происходит выдержка изделий в течение 4 часов при номинальной мощности 85 кВт. Двадцать минут отводится на подготовительные операции и разгрузку готовых деталей. На практике обычно используют многозонные печи или несколько печей на участок. Это приводит к выравниванию общего графика нагрузки участка. При числе зон или печей четыре и более коэффициент формы графика не превышает 1,05. Расход электроэнергии ЭПС в значительной степени определяется графиком работы печи и при прочих равных условиях с увеличением коэффициента использования падает. Печи прямого нагрева имеют удельный расход электроэнергии 150-250 кВтч/т; периодические печи (Ц-105) – 300-400 кВтч/т. По надежности электроснабжения ЭПС являются потребителями первой и второй категории. Ц-105 является потребителем второй категории, так как нет таких нежелательных явлений, как прогиб роликов в рольганговых печах или массовый брак изделий при прекращении работы. Поскольку мощность печей сопротивления пропорциональна квадрату питающего напряжения и при снижении напряжения производительность установок резко падает, они предъявляют повышенные требования к точности поддержания питающего напряжения, особенно высокотемпературные печи. 3. Составление и обсчёт группового графика нагрузки Электрические нагрузки характеризуют потребление электроэнергии отдельными приемниками или группой приёмников, предприятием в целом. Правильное определение ожидаемых электрических нагрузок при проектировании является основой для рационального электроснабжения промышленного предприятия. От их значения зависят выбор всех токоведущих элементов и аппаратов и технико-экономические показатели проектируемой системы электроснабжения. На этапе проектирования и при эксплуатации систем электроснабжения основными являются следующие нагрузки: активная мощность Р, реактивная мощность Q ,кажущаяся мощность S и ток I . Графики нагрузок разделяют на индивидуальные и групповые. Групповые графики используются для проектирования систем электроснабжения, а индивидуальные – для определения нагрузок мощных приёмников электроэнергии (электрических печей, преобразовательных агрегатов главных приводов прокатных станов и т.д.). По продолжительности различают суточные и годовые графики нагрузок. Для комплексного учета нагрузок при проектировании и анализе схемы электроснабжения недостаточно наличия только графиков нагрузки. Необходимо учитывать и ряд дополнительных характеристик. К ним относятся: 1. Номинальная мощность приемника. Групповые номинальные активная и реактивная мощности представляют собой сумму номинальных мощностей отдельных приемников, приведенных к продолжительному режиму (ПВ=100%):
2. Средние активные и реактивные нагрузки приёмника:
3. Среднеквадратичные нагрузки:
4. Максимальные нагрузки Рmax – наибольшие из соответствующих средних величин. Они оцениваются значением и ожидаемой частотой появления за тот или иной период времени. При наличии данных об удельном расходе электроэнергии на единицу продукции (тонну, штуку и т.д.) wуд и годового выпуска продукции М расчет максимальной нагрузки по цеху можно вести по формуле:
где Тmax – число рабочих часов в году. 5. Расчетная нагрузка по допустимому нагреву – это длительная неизменная нагрузка элемента системы электроснабжения, которая эквивалентна ожидаемой изменяющейся нагрузке по тепловому воздействию.
Для мощностей всегда должно выполняться соотношение:
6. Коэффициент использования равен отношению средней активной мощности отдельного приемника (или группы их) к ее номинальному значению:
7. Коэффициент включения – отношение продолжительности включения приемника в цикле ко всей продолжительности цикла:
8. Коэффициент загрузки – отношение фактически потребляемой приемником активной мощности за время включения в течение цикла к номинальной его мощности:
9. Коэффициент формы графика нагрузок – отношение среднеквадратичной полной мощности приёмника (или группы) за определенный период времени к среднему значению его за тот же период:
10. Коэффициент максимума – отношение расчетной активной мощности к средней нагрузке за исследуемый период времени:
11. Коэффициент спроса по активной мощности – отношение расчетной или потребляемой активной мощности к номинальной активной мощности группы приёмников:
График нагрузки рассчитываем для участка с пятью печами Ц105 и установкой эндогаза. Групповой график составляется на основе индивидуальных графиков силовой нагрузки каждой ЭТУ, так чтобы не было большого пика нагрузки из-за включения всех агрегатов одновременно. На рисунке 2 представлены индивидуальные графики нагрузок печи Ц105 и установки эндогаза. Рисунок 3 представляет собой общий график нагрузки.
Рис.2
Рис 3 1. 2. Для нахождения среднего значения нагрузки необходимо определить площадь, описываемую ломаной группового графика нагрузки. Для этого разобьем на определенное количество прямоугольников.
где Pi -мощность выбранного интервала времени, ti - интервал времени, в течение которого мощность остаётся постоянной. P∑ = 482·1·18+397·0,2·18=10105,2 кВт Тогда среднее значение нагрузки будет:
3. Найдём среднеквадратичную мощность:
4. Максимальная мощность
Определим коэффициенты графика нагрузки: Коэффициент использования:
Коэффициент включения:
Коэффициент загрузки:
Коэффициент формы:
Из рис.1.9./9/ находим Расчётная мощность равна:
Коэффициент спроса:
Заявленная мощность:
4. ВЫБОР КОМПЛЕКТНОЙ ТРАНСФОРМАТОРНОЙ ПОДСТАНЦИИКомплектной трансформаторной подстанцией (КТП) называется подстанция, состоящая из трансформаторов или преобразователей и блоков КРУ, поставляемых в сборном или полностью подготовленном для сборки виде. Трансформаторы для КТП должны допускать аварийные перегрузки на 30% сверх номинального тока не более чем 3 ч в сутки, если длительная предварительная нагрузка составляла не более 70% номинального тока трансформатора. КТП могут быть одно- и двухтрансформаторными с их расположением в один или два ряда. На проектируемом участке находятся следующие потребители электроэнергии: Пять печей Ц105 с Вспомогательные механизмы: вентилятор и механизм подъема крышки Установка эндогаза ЭМ-60М1 с Вспомогательные механизмы: привод газодувки Таблица 4.1 Параметры определения расчетных нагрузок.
Расчет производился по следующим выражениям:
Выбираем следующую КТП: КТП – 630 Номинальная мощность, кВА 630 Номинальное напряжение, кВ 10/0,4-0,23 Тип силового трансформатора ТМФ Ставим двухтрансформаторную КТП, общий вид которого представлен на рис.4, для обеспечения необходимой мощности. Все пять печей Ц105 питаются от одного трансформатора КТП, а установка эндогаза ЭН-60М1 и другие установки питается от второго трансформатора КТП.
Рис 4. общий вид двухтрансформаторной КТП – 630: 1 – высоковольтный ввод; 2 –силовой трансформатор; 3 – распределительный шкаф; 4 – шкаф секционного выключателя; 5 − линейный шкаф; 5. РАСЧЕТ ТОКА КОРОТКОГО ЗАМЫКАНИЯ НА ШИНАХ КТП.Питание агрегатов участка и необходимых механизмов осуществляется по схеме представленной на рис. 5. Рассчитаем предложенную схему электроснабжения. Последовательность расчета токов короткого замыкания следующая: - составляется расчетная схема установки; - выбирается место условного короткого замыкания; - задаемся базисными условиями, выражаем сопротивления всех элементов в относительных единицах и составляем схему замещения; - путем постепенного преобразования сводим расчетную схему к простейшему виду; - определяем ток короткого замыкания. При расчетах принимаем следующие допущения: - в течение всего процесса короткого замыкания ЭДС всех генераторов системы совпадают по фазе; - не учитывается насыщение магнитных систем, что позволяет считать постоянными и независящими от тока индуктивные сопротивления всех элементов короткозамкнутой цепи; - пренебрегают намагничивающими токами силовых трансформаторов; - не учитывают емкости всех элементов короткозамкнутой цепи, включая и воздушные и кабельные линии; - считают, что трехфазная система является симметричной. Исходные данные: схема 2 (Рис.5) задание 2 (Таблица 5.1) Таблица 5.1
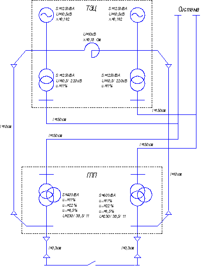
Рис.5 Схема внешнего электроснабжения Т.к. приемниками электрической энергии являются печи сопротивления, то секционный выключатель между двумя линиями отходящими от ГПП находятся в разомкнутом состоянии, это необходимо для снижения тока КЗ. Ток повышается из – за того, что две ветви становятся параллельными. Более высокий ток КЗ требует более сложного и дорогого оборудования. Тогда из заданной схемы (рис. 5) получим схему замещения представленную на рис. 6.
Рис.6 Схема замещения питания участка для расчета тока КЗ на шинах КТП. Зададимся базисными величинами.
Определим сопротивления: Для турбогенераторов
Для трансформаторов ТДЦ−125000/220
Для реактора
Для воздушной линии электропередачи АЛ-1, АЛ-2, АЛ-3
Сопротивление кабельных линий CL1
Сопротивление кабельных линий CL3
Сопротивление трехобмоточного трансформатора определим по следующей формуле:
сопротивление средней обмотки не считаем т.к. оно не влияет на ток КЗ. Используя полученные выражения, получим значения относительных базисных сопротивлений для каждой обмотки трансформатора.
Упростим схему замещения питания участка (рис.6) до схемы рис.7.
Рис.7 Упрощенная схема замещения питания участка.
Упростим схему (рис.7) до схемы рис.8
Рис. 8
Упростим схему (рис.8) до схемы рис.9
Рис.9
Упростим схему (рис.9) до схемы рис.10
Рис.10
Упростим схему (рис.10) до схемы рис.11
Рис.11
Упростим схему (рис.11) до схемы рис.12
Рис. 12
Рис.13 Схема расчета тока КЗ Ток КЗ определим методом наложения, так как имеем два разнотипных источника − конечной и бесконечной мощности. От турбогенераторов для определения тока КЗ определим расчетное сопротивление
где Точка КЗ незначительно удалена от источника питания т.е. От системы бесконечной мощности ток КЗ в точке К.
Для ТЭЦ: По расчетным кривым рис. 1.58 [1] определяем кратность тока КЗ
где
Определим токи КЗ в точке К:
6. РАСЧЕТ ТОКА КОРОТКОГО ЗАМЫКАНИЯ ПОСЛЕ КТП Для расчета тока КЗ составим схему рис. 15 пользуясь схемой питания установок рис. 14.
Рис.14 Схема питания установок
Рис.15. Схема расчета тока КЗ (а) и схема замещения для расчета тока КЗ (б) Определим сопротивления схемы замещения: Сопротивление трансформатора:
Сопротивление автомата QF1: автомат рассчитан на Сопротивление трансформатора тока ТА1: т.к. обмотки трансформатора тока ТА1 находятся на одной линии с автоматом QF1, то Сопротивление автомата QF2: автомат рассчитан на Сопротивление кабельной линии CL:
потребуется кабель с Сопротивление автомата QF3:
Сопротивление трансформатора тока ТА2: т.к. обмотки трансформатора тока ТА2 находятся на одной линии с автоматом QF3, то Сопротивление контактора
Полное сопротивление ветви:
Ток короткого замыкания: 7. ВЫБОР ОБОРУДОВАНИЯТ.к. в комплект поставки КТП входят: высоковольтный разъединитель
автоматический выключатель на вводах автоматический выключатель на секционных автоматический выключатель на линиях которые удовлетворяют необходимым условиям, то выбор производим для: 1) участка линии от выключателя Кабель: номинальный линейный ток Автоматический выключатель: номинальный линейный ток выбираем выключатель типа
Трансформатор тока: номинальный линейный ток выбираем трансформатор тока
2) аппаратура шкафов управления ШОТ 9719: Автоматический выключатель: номинальный линейный ток выбираем выключатель
Выбираем контактор
Все измерительные приборы вольтметры и амперметры расположены в РП. Расположение измерительных приборов представлена на рисунке 16.
Рис.16 Расположение измерительных приборов 8. РАЗРАБОТКА СХЕМЫ УПРАВЛЕНИЯ, ЗАЩИТЫ И СИГНАЛИЗАЦИИ
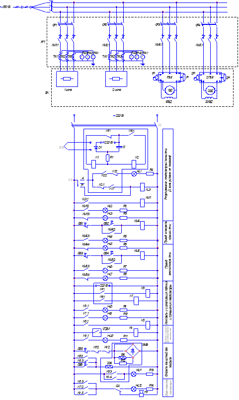
Рис.17 Схема питания и управление шахтной печи Ц105 Электрическая схема (рис.17) включает в себя схему питания и схему управления установкой. Питание силовой части схемы осуществляется от трехфазной сети 380В, схемы управления – от 220В. Питание схемы управления осуществляется через автоматический выключатель SI. Универсальный переключатель SA позволяет работать в трех режимах: ручном, автоматическом и полуавтоматическом. Схема предусматривает регулирование температуры. Сигнал с термопары подается в блок регулятора. Если температура в печи ниже заданной, то замыкаются контакты «min». При этом напряжение через сопротивление R1 подается на катушку К1. Замыкается контакт К1:1 и размыкается контакт К1:2, в результате чего питание подается на катушку промежуточного реле КL3. Контакт КL3:1 замыкается, и получает питание катушка магнитного пускателя КМ1, пускатель срабатывает и замыкает свой контакт КМ1:1 в силовой цепи. Одновременно размыкается контакт КМ1:3 и замыкается КМ1:2. Напряжение через трансформаторы подается на нагревательные элементы печи. При замыкании контакта КМ1:2 загорается сигнальная лампочка HL2, что говорит о том, что питание подано в зону. Температура в печи растет за счет тепла, выделяемого нагревателями, и достигает заданной, после чего контакты «min» размыкаются и катушка К1 теряет питание. При этом размыкается контакт К1:1 и замыкается контакт К1:2. Цепь питания катушки промежуточного реле КL3 обесточивается, и контакт КL3:1 размыкается, в результате чего теряет питание катушка магнитного пускателя КМ1. Одновременно, размыкаются силовой контакт КМ1:1 и контакт в цепи управления КМ1:2. Контакт КМ1:3 замыкается, и загорается сигнальная лампа HL3, что говорит о том, что питание в зону не подано. Если температура в печи становится выше заданной, срабатывает контакт «max». Напряжение через сопротивление R1 подается на катушку К2, в свою очередь замыкается контакт К2:2 и размыкается К2:1. При этом загорается лампочка HL1, сигнализируя о перегреве печи. Схема управления предусматривает также включение и выключение двигателя для отворота крышки печи. Запуск осуществляется нажатием кнопки SB2 («пуск»). При этом получит питание катушка магнитного пускателя КМ4, пускатель срабатывает и замыкается контакт КМ4:1 в силовой цепи, подключая двигатель 1ЭД к трехфазной сети 380В. Одновременно в цепи управления замыкаются блок-контакт КМ4:2, шунтируя кнопку SB2, и контакт КМ4:3. Загорается сигнальная лампочка HL4 («питание»). Отключение двигателя осуществляется нажатием кнопки SB1 («стоп»). Цепь питания магнитного пускателя КМ4 обесточивается, контакты КМ4:1 в силовой и КМ4:3 в цепи управления размыкаются, контакт КМ4:4 замыкается. Загорается лампочка HL5, сигнализируя о том, что питание на двигатель не подано. Аналогично осуществляется включение и выключение привода вентилятора. Запуск приводного двигателя осуществляется нажатием кнопки SB4 («пуск»). При этом получит питание катушка магнитного пускателя КМ5, пускатель срабатывает и замыкается контакт КМ5:1 в силовой цепи, подключая двигатель 2ЭД к трехфазной сети 380В. Одновременно в цепи управления замыкаются блок-контакт КМ5:2, шунтируя кнопку SB4, и контакт КМ5:3. Загорается сигнальная лампочка HL6 («питание»). Отключение приводного двигателя осуществляется нажатием кнопки SB3 («стоп»). Цепь питания магнитного пускателя КМ5 обесточивается, контакты КМ5:1 в силовой и КМ5:3 в цепи управления размыкаются, контакт КМ5:4 замыкается. Загорается лампочка HL7, сигнализируя о том, что питание на двигатель не подано. Схема управления установкой включает в себя контроль и сигнализацию падения и превышения температуры. Если температура в печи ниже заданной, то замыкаются контакты «min». При этом напряжение подается на реле К6, в результате чего замыкается контакт К6:1, и катушка промежуточного реле К8 получает питание. Контакт К8:1 замыкается и загорается сигнальная лампочка HL8, свидетельствующая о падении температуры. Если температура в печи становится выше заданной, срабатывает контакт «max». При этом напряжение подается на реле К7, в свою очередь контакт К7:1 замыкается, и загорается лампочка HL9, сигнализируя о превышении температуры. При снижении давления газа в подводящей среде или температуры в рабочем пространстве, что создает аварийный режим, предусмотрено автоматическое прекращение подачи защитного газа в рабочее пространство печи. Сигнал о снижении давления подается с сигнализатора падения давления СПДМ на реле К9, в результате чего размыкается контакт К9:2 и замыкается контакт К9:1, при этом загорается лампочка HL10. В то же время контакт К9:3 замыкается, и питание подается на электромагнит золотника 2ЭЗ, который закрывает подачу защитного газа. Одновременно происходит замыкание контакта К9:4 и загорание сигнальной лампочки HL11. Аналогичное управление происходит и при снижении температуры в рабочем пространстве. При замыкании контакта «min» напряжение подается на реле К6, при этом замыкается контакт К6:2. Питание подается на электромагнит золотника 2ЭЗ, посредством которого подача защитного газа прекращается. В ручном режиме работы прекращение подачи защитного газа осуществляется нажатием стоповой кнопки SB5 (обесточивание цепи открывающего золотника 1ЭЗ) и SB6 (подача напряжения на электромагнит закрывающего золотника 2ЭЗ). Общая аварийная сигнализация предусматривает срабатывание гудка-ревуна ГР и загорание сигнальной лампочки HL12 в случаях: 1) снижение температуры в рабочем пространстве печи (замыкание контакта К8:3); 2) превышение температуры в рабочем пространстве печи (замыкание контакта К7:2); 3) снижение давления газа в подводящей магистрали (замыкание контакта К9:5). ЗАКЛЮЧЕНИЕ В курсовом проекте было спроектировано электроснабжение участка цеха включающего в себя 5 шахтных печей Ц105 и установку эндогаза ЭН-60М01. Была определена средняя цеховая нагрузка 1. Миронов Ю.М., Миронова А.Н. Электрооборудование и электроснабжении электротермических, плазменных и лучевых установок: Учеб. пособие для вузов.-М.: Энергоатомиздат. 1991.-376 с.:ил 2. Неклепаев Б.Н., Крючков И.П. Электрическая часть электростанций и подстанций: Справочные материалы для курсового и дипломного проектирования:Учеб. пособие для ВУЗов.- перераб. И доп.- М. Энергоиздат,1989,-608 с.:ил. 3. Справочник по электроснабжению промышленных предприятий. Промышленные электрические сети. 2-е изд., перераб. и доп./Под общ. Ред. А.А. Фёдорова и Г.И. Сербиновского.- М.:Энергия,1980.-576с.,ил. 4. Справочник по электроснабжению промышленных предприятий: Электрооборудование и автоматизация / Сост.:Т.В.Анчарова, В.В.Каменева, А.А. Катарская; под общей редакцией А.А. Фёдорова и Г.В.Сербиновского. -2-е изд., перераб. и доп. – М.: Энергоиздат, 1981. – 624с.,ил. 5. Электротермическое оборудование: Справочник / Под общ. Ред. А.П.Альтгаузена. – 2-е изд., перераб. и доп. – М.: Энергия,1980.- 416с.,ил. 6. Электрооборудование и автоматика электротермических установок: (Справочник) / Альтгаузен А.П., Бершицкий И.М., Бершицкий М.Д. и др.: Под редакцией А.П.Альтгаузена, М.Д.Бершицкого,М.Я.Смелянского, В.М.Эдемского. – М.: Энергия, 1978.-304с.,ил. |
|||||||||||||||||||||||||||||||||||||||||||||||||||||||||||||||||||||||||||||||||||||||||||||||||||||||||||||||||||||||||









































