Контрольная работа: Выбор типов и расчет уставок релейных защит сетевого района
|
Название: Выбор типов и расчет уставок релейных защит сетевого района Раздел: Рефераты по физике Тип: контрольная работа | |||||||||||||||||||||||||||||||||||||||||||||||||
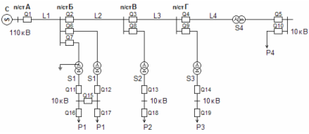
Министерство Высшего образования РФ Иркутский государственный технический университет Кафедра релейной защиты и автоматики Дисциплина «Релейная защита и автоматика энергетических систем» Контрольная работа по теме:«Выбор типов и расчет уставок релейных защит сетевого района» Выполнил: студент группы ЭПзс-03 Мальцев В.Н. Шифр 03051133 Проверил: Якушев Ю.А. Иркутск 2007 г. Задание Для заданной сети 110 кВ с глухим заземлением нейтрали произвести выбор принципов и расчет релейной защиты и АПВ для каждого участка. Для защиты элемента системы, согласно варианта, разработать полную схему. Напряжение источника постоянного оперативного тока на п/ст. 220 В (или 110 В). Удельное сопротивление прямой последовательности линии 110 кВ X1л = 0,4 Ом/км. Сопротивление нулевой последовательности линии 110 кВ Хол = 3,5 ·X1л Коэффициент мощности нагрузки всех подстанций Cosφ = 0,85. В таблице и схеме к заданию приведены длины участков L1
; L2
; L3
; L4;
мощность Таблица№1
Рис.1. Схема заданной сети Введение Энергетическая программа на длительную перспективу предусматривает дальнейшее развитие ЕЭС. Ввод в эксплуатацию линий электропередач высокого и сверхвысокого напряжения, электростанций большой мощности, интенсивное развитие основных и распределительных сетей чрезвычайно усложнили проблему управления В связи с этим идет непрерывный процесс развития и совершенствования техники релейной защиты. Создаются и вводятся в эксплуатацию новые защиты для дальних ЛЭП, для крупных генераторов, трансформаторов и энергоблоков. Разрабатываются новые виды полупроводниковых дифференциально-фазных защит, которые проще и надежнее в эксплуатации. Релейная защита является основным видом электрической автоматики, без которой невозможна надежная работа современных энергетических систем. Она осуществляет непрерывный контроль за состоянием и режимом работы всех элементов энергосистемы и реагирует на возникновение повреждений и ненормальных режимов. При возникновении повреждений защита выявляет и отключает от системы поврежденный участок. При возникновении ненормальных режимов защита выявляет из и в зависимости от характера нарушения производит операции необходимые для восстановления нормального режима или подает сигнал дежурному персоналу. В современных электрических системах релейная защита тесно связана с электрической автоматикой, предназначенной для быстрого автоматического восстановления нормального режима и питание потребителей. Основные требования предъявляемые к релейной защите: · Селективность. · Быстрота действия. · Чувствительность. · Надежность. 1. Выбор типов и расчет релейной защиты для линии L1 Согласно требований ПУЭ, в сетях с глухозаземленной нейтралью для защиты линий должны быть предусмотрены устройства релейной защиты от многофазных замыканий и от замыканий на землю. Для защиты от междуфазных коротких замыканий одиночных линий при одностороннем питании, с питающей стороны устанавливается максимальная токовая защита и отсечка. Для защиты от короткого замыкания на землю в сетях с глухозаземленной нейтралью, на одиночных линиях при одностороннем питании устанавливаются МТЗ нулевой последовательности, а для ускорения отключения коротких замыканий на землю применяют токовые отсечки нулевой последовательности. Основным параметрами токовых релейных защит является: – ток срабатывания защиты; – коэффициент чувствительности защиты. IСЗ – ток срабатывания защиты – это наименьший ток при котором срабатывают пусковые органы защиты. Кч – коэффициент чувствительности защиты – отношение параметра к которому защита должна быть чувствительна к току срабатывания защиты. Ток срабатывания защиты определяется из условия "отстройки" от тока, при котором защита, не должна срабатывать. Условие отстройки защиты в общем виде : IСЗ >Imax ОТС.З. , где Imax ОТС.З – максимальный ток от которого отстраивается защита (зависит от вида защиты и способа обеспечения селективности) 2. Максимальная токовая защита МТЗ отстраивается от максимального тока нагрузки линии. Селективность МТЗ обеспечивается ступенчатой характеристикой выдержки времени срабатывания (наименьшую выдержку имеет элемент системы наиболее удаленный от источника питания). Ступень селективности МТЗ – Δt=0,5с. Коэффициент чувствительности МТЗ определяется в минимальном режиме системы:
где 2.1 Расчет максимальной токовой защиты Максимальный рабочий ток определяется по формуле
где åРmax – суммарная активная мощность, кВт; Uн – номинальное напряжение, кВ; cosj – коэффициент мощности системы.
Ток срабатывания защиты определяется по формуле
где Кн – коэффициент надежности, 1,2 – 1,3 Квоз – коэффициент возврата реле, 0,85 – 0,9 Iраб. max – максимальный ток нагрузки линии, А
Принимаем ступень селективности МТЗ – Δt=0,5с Для проверки МТЗ по условию чувствительности требуется рассчитать токи трехфазного и двухфазного коротких замыканий Ток двухфазного короткого замыкания:
где Ток трехфазного короткого замыкания:
где Хс – реактивное эквивалентное сопротивление системы, Ом Хi – реактивное эквивалентное сопротивление линии до точки КЗ, Ом Реактивное эквивалентное сопротивление системы
где
Реактивное эквивалентное сопротивление линии
где Х1л – удельное реактивное сопротивление линии, Ом/км Li – длина линии до точки КЗ, км
Ток трехфазного и двухфазного к.з.
При определении коэффициента чувствительности должны выполнятся требования ПУЭ
2.2 Селективность МТЗ Для обеспечения селективности максимальные защиты выполняются с выдержкой времени, нарастающими от потребителей к источнику питания, как показано на рис.2
Рис.2. Селективность максимальной токовой защиты в радиальной сети с односторонним питанием 3. Токовая отсечка и токовая отсечка с выдержкой времени Токовая отсечка (Т.О.) отстраивается от максимального тока короткого замыкания в конце защищаемой линии. Условие Отсечка с выдержкой времени – это вторая ступень защиты, которая устанавливается на каждом участке (кроме тупикового) при условии обеспечения коэффициента чувствительности Кч³1,3. Отсечка имеет первичный ток срабатывания меньше, тока короткого замыкания в конце защищаемого участка. Это означает что ТОВ чувствительна и к току короткого замыкания в начале соседней линии, которая имеет токовую отсечку. Ток срабатывания Т.О. с выдержкой времени определяется отстройкой от тока срабатывания Т.О. без выдержки времени на соседнем участке. Чтобы избежать неселективные действия ТОВ, ток срабатывания определяется из условия:
где IСЗ ТО2 – ток срабатывания токовой отсечки следующей линии, А Кн – коэффициент надежности, Кн = 1,15-1,2 Выдержкавремени Т.О : t3 = 0,5 с. 3.1 Расчет токовой отсечки Ток трехфазного короткого замыкания в конце линии:
Ток срабатывания защиты ТО1:
Чувствительность защиты определяется требованием: зона действия защиты ³ 20% длины линии. Из рисунка 2 видно, что требование чувствительности выполняется. 3.2 Расчет токовой отсечки с выдержкой времени Ток срабатывания защиты ТО2:
Ток срабатывания защиты ТОВ1:
Коэффициент чувствительности защиты:
где
тогда Вывод: защита нечувствительна к коротким двухфазным замыканиям в конце линии. Токовая отсечка (Т.О.) отстраивается от максимального тока короткого замыкания в конце защищаемой линии – рис.3
Рис.3 Обеспечение селективности токовой отсечки и токовой отсечки с выдержкой времени 4. Максимальная токовая защита нулевой последовательности Для защиты от однофазного короткого замыкания на землю используется МТЗ нулевой последовательности (МТЗ-0).Пусковые органы защиты (реле тока) подключены к фильтру тока нулевой последовательности (нулевой провод полной звезды) при различных видах коротких замыканий может быть только ток нулевой последовательности, поэтому защита реагирует на короткие замыкания однофазные и междуфазные, связанные с землей. Схема оперативных цепей МТЗ нулевой последовательности аналогична схеме оперативных цепей междуфазной МТЗ. Таким образом, МТЗ нулевой последовательности МТЗ является "фильтровой" защитой. Ток срабатывания защиты определяется "отстройкой" от тока небаланса:
где где Е – десяти процентная погрешность трансформаторов тока,
Капер – апериодическая составляющая тока короткого замыкания, Капер = 2 - 1,5 Кодн – коэффициент однотипности трансформаторов тока, Кодн = 0,5 - 1 КТТ – коэффициент трансформации трансформаторов тока. Апериодическая составляющая тока короткого замыкания не учитывается, так как защита действует с выдержкой времени. Отметим, что в тех случаях когда выдержка времени МТ3-0 не превышает 0,3с, при определении Отсечки нулевой последовательности. Для ускорения отключения короткого замыкания на землю в сетях с глухозаземленной нейтралью применяются отсечки, реагирующие на ток нулевой последовательности. Отсечки нулевой последовательности выполняются простыми токовыми и направленными, мгновенными и с выдержкой времени. Направленные отсечки нулевой последовательности. Токовые (ненаправленные) отсечки нулевой последовательности применяются на линиях с односторонним питанием места короткого замыкания токами 10, т.е. там, где заземленные нейтрали трансформаторов расположены с одной стороны линии. Мгновенные отсечки нулевой последовательности отстраиваются от тока 3I0 max при коротком замыкании на землю на шинах противоположной подстанции по выражению
Отсечки с выдержкой времени отстраиваются по току и времени от мгновенной отсечки нулевой последовательности следующей линии. По сравнению с междуфазной МТЗ, МТ30 имеет повышенную чувствительность, так как Iнб max <Iнагр max . Указанные особенности и преимущества защиты МТ3-0 обусловили широкое применение этой защиты в сетях с глухозаземленной нейтралью. К недостаткам защиты следует отнести возможность ее ложной работы при обрыве цепей в схеме фильтра тока нулевой последовательности. Расчет МТЗ-0. Ток небаланса: Принимаем трансформаторы тока 300/5 КТТ = 60
Ток срабатывания защиты:
Уставка выдержки времени t = 0,5с. релейный защита энергосистема отсечка Список литературы 1. Правила устройства электроустановок. - М.-Л.: Энергия, 1966. 2. М.А. Шабад. Расчеты релейной защиты и автоматики распределительных сетей.- М.: Энергоатомиздат, 1985. 3. Н.В.Чернобровов. Релейная защита. - М.-Л.: Энергия, 1999. 4. Выбор типов и расчет уставок релейных защит сетевого района. Методические указания по выполнению курсового проекта по курсу «Релейная защита и автоматика энергетических, систем». Составитель В.В. Нейман - Иркутск: ИрГТУ. 2001.Р |
|||||||||||||||||||||||||||||||||||||||||||||||||

(требование ПУЭ),
, А
, А
, кА
, Ом


, А