Реферат: Запираемые тиристоры и полевые транзисторы
|
Название: Запираемые тиристоры и полевые транзисторы Раздел: Рефераты по коммуникации и связи Тип: реферат | ||||||||||||||||||||
Министерство сельского хозяйства и продовольствия Республики Беларусь Белорусский Государственный Аграрный Технический Университет Реферат на тему: «Запираемые тиристоры и полевые транзисторы» Выполнил: студент 52 эк группы Гончаревич Д.Н. Минск 2010 Содержание: 1. История создания полевых транзисторов 2. Схемы включения полевых транзисторов 3. Классификация полевых транзисторов 4.Транзисторы с изолированным затвором (МДП-транзисторы) 5. МДП-транзисторы с индуцированным каналом 6. МДП-транзисторы со встроенным каналом 7. Современные силовые запираемые тиристоры 8. Устройство силовые запираемые тиристоры 9. Принцип действия силовые запираемые тиристоры 10. Система управления силовые запираемые тиристоры 11. Особенность управления и конструкции Заключение Полевой транзистор — полупроводниковый прибор, в котором ток изменяется в результате действия перпендикулярного тока электрического поля, создаваемого входным сигналом. Протекание в полевом транзисторе рабочего тока обусловлено носителями заряда только одного знака (электронами или дырками), поэтому такие приборы часто включают в более широкий класс униполярных электронных приборов (в отличие от биполярных). История создания полевых транзисторов Идея полевого транзистора с изолированным затвором была предложена Лилиенфельдом в 1926—1928 годах. Однако объективные трудности в реализации этой конструкции позволили создать первый работающий прибор этого типа только в 1960 году. В 1953 году Дейки и Росс предложили и реализовали другую конструкцию полевого транзистора — с управляющим p-n-переходом. Наконец, третья конструкция полевых транзисторов — полевых транзисторов с барьером Шоттки — была предложена и реализована Мидом в 1966 году. Схемы включения полевых транзисторов Полевой транзистор можно включать по одной из трех основных схем: с общим истоком (ОИ), общим стоком (ОС) и общим затвором (ОЗ). На практике чаще всего применяется схема с ОИ, аналогичная схеме на биполярном транзисторе с ОЭ. Каскад с общим истоком даёт очень большое усиление тока и мощности. Схема с ОЗ аналогична схеме с ОБ. Она не даёт усиления тока, и поэтому усиление мощности в ней во много раз меньше, чем в схеме ОИ. Каскад ОЗ обладает низким входным сопротивлением, в связи с чем он имеет ограниченное практическое применение. Классификация полевых транзисторов По физической структуре и механизму работы полевые транзисторы условно делят на 2 группы. Первую образуют транзисторы с управляющим р-n переходом или переходом металл — полупроводник (барьер Шоттки), вторую — транзисторы с управлением посредством изолированного электрода (затвора), т. н. транзисторы МДП (металл — диэлектрик — полупроводник). Транзисторы с управляющим p-n переходом
Рис. 1. Устройство полевого транзистора с управляющим p-n переходом Полевой транзистор с управляющим p-n переходом — это полевой транзистор, затвор которого изолирован (то есть отделён в электрическом отношении) от канала p-n переходом, смещённым в обратном направлении. Такой транзистор имеет два невыпрямляющих контакта к области, по которой проходит управляемый ток основных носителей заряда, и один или два управляющих электронно-дырочных перехода, смещённых в обратном направлении (см. рис. 1). При изменении обратного напряжения на p-n переходе изменяется его толщина и, следовательно, толщина области, по которой проходит управляемый ток основных носителей заряда. Область, толщина и поперечное сечение которой управляется внешним напряжением на управляющем p-n переходе и по которой проходит управляемый ток основных носителей, называют каналом. Электрод, из которого в канал входят основные носители заряда, называют истоком. Электрод, через который из канала уходят основные носители заряда, называют стоком. Электрод, служащий для регулирования поперечного сечения канала, называют затвором. Электропроводность канала может быть как n-, так и p-типа. Поэтому по электропроводности канала различают полевые транзисторы с n-каналом и р-каналом. Все полярности напряжений смещения, подаваемых на электроды транзисторов с n- и с p-каналом, противоположны. Управление током стока, то есть током от внешнего относительно мощного источника питания в цепи нагрузки, происходит при изменении обратного напряжения на p-n переходе затвора (или на двух p-n переходах одновременно). В связи с малостью обратных токов мощность, необходимая для управления током стока и потребляемая от источника сигнала в цепи затвора, оказывается ничтожно малой. Поэтому полевой транзистор может обеспечить усиление электромагнитных колебании как по мощности, так и по току и напряжению. Таким образом, полевой транзистор по принципу действия аналогичен вакуумному триоду. Исток в полевом транзисторе подобен катоду вакуумного триода, затвор — сетке, сток — аноду. Но при этом полевой транзистор существенно отличается от вакуумного триода. Во-первых, для работы полевого транзистора не требуется подогрева катода. Во-вторых, любую из функций истока и стока может выполнять каждый из этих электродов. В-третьих, полевые транзисторы могут быть сделаны как с n-каналом, так и с p-каналом, что позволяет удачно сочетать эти два типа полевых транзисторов в схемах. От биполярного транзистора полевой транзистор отличается, во-первых, принципом действия: в биполярном транзисторе управление выходным сигналом производится входным током, а в полевом транзисторе — входным напряжением или электрическим полем. Во-вторых, полевые транзисторы имеют значительно большие входные сопротивления, что связано с обратным смещением p-n-перехода затвора в рассматриваемом типе полевых транзисторов. В-третьих, полевые транзисторы могут обладать низким уровнем шума (особенно на низких частотах), так как в полевых транзисторах не используется явление инжекции неосновных носителей заряда и канал полевого транзистора может быть отделён от поверхности полупроводникового кристалла. Процессы рекомбинации носителей в p-n переходе и в базе биполярного транзистора, а также генерационно-рекомбинационные процессы на поверхности кристалла полупроводника сопровождаются возникновением низкочастотных шумов. Транзисторы с изолированным затвором (МДП-транзисторы)
Рис. 2. Устройство полевого транзистора с изолированным затвором. Полевой транзистор с изолированным затвором — это полевой транзистор, затвор которого отделён в электрическом отношении от канала слоем диэлектрика. В кристалле полупроводника с относительно высоким удельным сопротивлением, который называют подложкой, созданы две сильнолегированные области с противоположным относительно подложки типом проводимости. На эти области нанесены металлические электроды — исток и сток. Расстояние между сильно легированными областями истока и стока может быть меньше микрона. Поверхность кристалла полупроводника между истоком и стоком покрыта тонким слоем (порядка 0,1 мкм) диэлектрика. Так как исходным полупроводником для полевых транзисторов обычно является кремний, то в качестве диэлектрика используется слой двуокиси кремния SiO2, выращенный на поверхности кристалла кремния путём высокотемпературного окисления. На слой диэлектрика нанесён металлический электрод — затвор. Получается структура, состоящая из металла, диэлектрика и полупроводника. Поэтому полевые транзисторы с изолированным затвором часто называют МДП-транзисторами. Входное сопротивление МДП-транзисторов может достигать 1010…1014 Ом (у полевых транзисторов с управляющим p-n-переходом 107…109), что является преимуществом при построении высокоточных устройств. Существуют две разновидности МДП-транзисторов: с индуцированным каналом и со встроенным каналом. В МДП-транзисторах с индуцированным каналом (рис. 2, а) проводящий канал между сильнолегированными областями истока и стока отсутствует и, следовательно, заметный ток стока появляется только при определённой полярности и при определённом значении напряжения на затворе относительно истока, которое называют пороговым напряжением (UЗИпор). В МДП-транзисторах со встроенным каналом (рис. 2, б) у поверхности полупроводника под затвором при нулевом напряжении на затворе относительно истока существует инверсный слой — канал, который соединяет исток со стоком. Изображённые на рис. 2 структуры полевых транзисторов с изолированным затвором имеют подложку с электропроводностью n-типа. Поэтому сильнолегированные области под истоком и стоком, а также индуцированный и встроенный канал имеют электропроводность p-типа. Если же аналогичные транзисторы созданы на подложке с электропроводностью p-типа, то канал у них будет иметь электропроводность n-типа. МДП-транзисторы с индуцированным каналом При напряжении на затворе относительно истока, равном нулю, и при наличии напряжения на стоке, — ток стока оказывается ничтожно малым. Он представляет собой обратный ток p-n перехода между подложкой и сильнолегированной областью стока. При отрицательном потенциале на затворе (для структуры, показанной на рис. 2, а) в результате проникновения электрического поля через диэлектрический слой в полупроводник при малых напряжениях на затворе (меньших UЗИпор) у поверхности полупроводника под затвором возникает обеднённый основными носителями слой эффект поля и область объёмного заряда, состоящая из ионизированных нескомпенсированных примесных атомов. При напряжениях на затворе, больших UЗИпор, у поверхности полупроводника под затвором возникает инверсный слой, который и является каналом, соединяющим исток со стоком. Толщина и поперечное сечение канала будут изменяться с изменением напряжения на затворе, соответственно будет изменяться и ток стока, то есть ток в цепи нагрузки и относительно мощного источника питания. Так происходит управление током стока в полевом транзисторе с изолированным затвором и с индуцированным каналом. В связи с тем, что затвор отделён от подложки диэлектрическим слоем, ток в цепи затвора ничтожно мал, мала и мощность, потребляемая от источника сигнала в цепи затвора и необходимая для управления относительно большим током стока. Таким образом, МДП-транзистор с индуцированным каналом может производить усиление электромагнитных колебаний по напряжению и по мощности. Принцип усиления мощности в МДП-транзисторах можно рассматривать с точки зрения передачи носителями заряда энергии постоянного электрического поля (энергии источника питания в выходной цепи) переменному электрическому полю. В МДП-транзисторе до возникновения канала почти всё напряжение источника питания в цепи стока падало на полупроводнике между истоком и стоком, создавая относительно большую постоянную составляющую напряжённости электрического поля. Под действием напряжения на затворе в полупроводнике под затвором возникает канал, по которому от истока к стоку движутся носители заряда — дырки. Дырки, двигаясь по направлению постоянной составляющей электрического поля, разгоняются этим полем и их энергия увеличивается за счёт энергии источника питания, в цепи стока. Одновременно с возникновением канала и появлением в нём подвижных носителей заряда уменьшается напряжение на стоке, то есть мгновенное значение переменной составляющей электрического поля в канале направлено противоположно постоянной составляющей. Поэтому дырки тормозятся переменным электрическим полем, отдавая ему часть своей энергии. МДП-транзисторы со встроенным каналом В данной схеме в качестве нелинейного элемента используется МДП транзистор с изолированным затвором и индуцированным каналом. В связи с наличием встроенного канала в таком МДП-транзисторе при нулевом напряжении на затворе (см. рис. 2, б) поперечное сечение и проводимость канала будут изменяться при изменении напряжения на затворе как отрицательной, так и положительной полярности. Таким образом, МДП-транзистор со встроенным каналом может работать в двух режимах: в режиме обогащения и в режиме обеднения канала носителями заряда. Эта особенность МДП-транзисторов со встроенным каналом отражается и на смещении выходных статических характеристик при изменении напряжения на затворе и его полярности (рис. 3). Статические характеристики передачи (рис. 3, b) выходят из точки на оси абсцисс, соответствующей напряжению отсечки UЗИотс, то есть напряжению между затвором и истоком МДП-транзистора со встроенным каналом, работающего в режиме обеднения, при котором ток стока достигает заданного низкого значения. Современные силовые запираемые тиристоры Введение Создание полупроводниковых приборов для силовой электроники началось в 1953 г. когда стало возможным получение кремния высокой чистоты и формирование кремниевых дисков больших размеров. В 1955 г. был впервые создан полупроводниковый управляемый прибор, имеющий четырёхслойную структуру и получивший название "тиристор". Он включался подачей импульса на электрод управления при положительном напряжении между анодом и катодом. Выключение тиристора обеспечивается снижением протекающего через него прямого тока до нуля, для чего разработано множество схем индуктивно-ёмкостных контуров коммутации. Они не только увеличивают стоимость преобразоваеля, но и ухудшают его массо-габаритные показатели,снижают надёжность. Поэтому одновременно с созданием тиристора начались исследования, направленные на обеспечение его выключения по управляющему электроду. Главная проблема состояла в обеспечении быстрого рассасывания носителей зарядов в базовых областях. Первые подобные тиристоры появились в 1960 г. в США. Они получили название GateTurnOff (GTO). В нашей стране они больше известны как запираемые или выключаемые тиристоры. В середине 90-х годов был разработан запираемый тиристор с кольцевым выводом управляющего электрода. Он получил название GateCommutatedThyristor (GCT) и стал дальнейшем развитием GTO-технологии. Тиристоры GTO Устройство Запираемый тиристор - полностью управляемый полупроводниковый прибор, в основе которого классическая четырёхслойная структура. Включают и выключают его подачей положительного и отрицательного импульсов тока на электрод управления. На Рис. 1 приведены условное обозначение (а) и структурная схема (б) выключаемого тиристора. Подобно обычному тиристору он имеет катод K, анод А, управляющий электрод G. Различия в структурах приборов заключается в ином расположении горизонтальных и вертикальных слоёв с n- и проводимостями.
Рис. 1. Запираемый тиристор: а- условное обозначение; б- структурная схема Наибольшему изменению подверглось устройство катодного слоя n. Он разбит на несколько сотен элементарных ячеек, равномерно распределённых по площади и соединённых параллельно. Такое исполнение вызвано стремлением обеспечить равномерное снижение тока по всей площади полупроводниковой структуры при выключении прибора. Базовый слой p, несмотря на то, что выполнен как единое целое, имеет большое число контактов управляющего электрода (примерно равное числу катодных ячеек), также равномерно распределённых по площади и соединённых параллельно. Базовый слой n выполнен аналогично соответствующему слою обычного тиристора. Анодный слой p имеет шунты (зоны n), соединяющие n-базу с анодным контактом через небольшие распределённые сопротивления. Анодные шунты применяют в тиристорах, не обладающих обратной блокирующей способностью. Они предназначены для уменьшения времени выключения прибора за счёт улучшения условий извлечения зарядов из базовой области n. Основное исполнение тиристоров GTO таблеточное с четырёхслойной кремниевой пластиной, зажатой через термокомпенсирующие молибденовые диски между двумя медными основаниями, обладающими повышенной тепло- и электропроводностью. С кремниевой пластиной контактирует управляющий электрод, имеющий вывод в керамическом корпусе. Прибор зажимается контактными поверхностями между двумя половинами охладителей, изолированных друг от друга и имеющих конструкцию, определяемую типом системы охлаждения. Принцип действия В цикле работы тиристора GTO различают четыре фазы: включение, проводящее состояние, выключение и блокирующее состояние. На схематичном разрезе тиристорной структуры (рис. 1,б) нижний вывод структуры анодный. Анод контактирует со слоем p.Затем снизу вверх следуют: базовый слой n, базовый слой p (имеющий вывод управляющего электрода), слой n, непосредственно контактирующий с катодным выводом. Четыре слоя образуют три p-n перехода: j1 между слоями p и n; j2 между слоями n и p;j3 между слоями p и n. Фаза 1 - включение. Переход тиристорной структуры из блокирующего состояния в проводящее (включение) возможен только при приложении прямого напряжения между анодом и катодом. Переходы j1 и j3 смещаются в прямом направлении и не препятствуют прохождению носителей зарядов. Всё напряжение прикладывается к среднему переходу j2, который смещается в обратном направлении. Около перехода j2 образуется зона, обеднённая носителями зарядов, получившая название- область объёмного заряда. Чтобы включить тиристор GTO, к управляющему электроду и катоду по цепи управления прикладывается напряжение положительной полярности UG (вывод "+" к слою p). В результате по цепи протекает ток включения IG. Запираемые тиристоры предъявляют жёсткие требования к крутизне фронта dIG/dt и амплитуде IGM тока управления. Через переход j3, кроме тока утечки, начинает протекать ток включения IG. Создающие этот ток электроны будут инжектироваться из слоя n в слой p. Далее часть из них будет перебрасываться электрическим полем базового перехода j2 в слой n. Одновременно увеличится встречная инжекция дырок из слоя p в слой n и далее в слой p, т.е. произойдёт увеличение тока, созданного неосновными носителями зарядов. Cуммарный ток, проходящий через базовый переход j2, превышает ток включения, происходит открытие тиристора, после чего носители зарядов будут свободно переходить через все его четыре области. Фаза 2 - проводящее состояние. В режиме протекания прямого тока нет необходимости в токе управления IG, если ток в цепи анода превышает величину тока удержания. Однако на практике для того, чтобы все структуры выключаемого тиристора постоянно находились в проводящем состоянии, всё же необходимо поддержание тока, предусмотренного для данного температурного режима. Таким образом, всё время включения и проводящего состояния система управления формирует импульс тока положительной полярности. В проводящем состоянии все области полупроводниковой структуры обеспечивают равномерное движение носителей зарядов (электронов от катода к аноду, дырок - в обратном направлении). Через переходы j1, j2 протекает анодный ток, через переход j3 - суммарный ток анода и управляющего электрода. Фаза 3 - выключение. Для выключения тиристора GTO при неизменной полярности напряжения UT (см. рис. 3) к управляющему электроду и катоду по цепи управления прикладывается напряжение отрицательной полярности UGR. Оно вызывает ток выключения, протекание которого ведёт к рассасыванию основных носителей заряда (дырок) в базовом слое p. Другими словами, происходит рекомбинация дырок, поступивших в слой p из базового слоя n, и электронов, поступивших в этот же слой по управляющему электроду. По мере освобождения от них базового перехода j2 тиристор начинает запираться. Этот процесс характеризуется резким уменьшением прямого тока IТ тиристора за короткий промежуток времени до небольшой величины IТQT (см. рис. 2). Сразу после запирания базового перехода j2 начинает закрываться переход j3, однако за счёт энергии, запасённой в индуктивности цепей управления он ещё некоторое время находится в приоткрытом состоянии.
Рис. 2. Графики изменения тока анода (iT) и управляющего электрода (iG) После того, как вся энергия, запасённая в индуктивности цепи управления, будет израсходована, переход j3 со стороны катода полностью запирается. С этого момента ток через тиристор равен току утечки, который протекает от анода к катоду через цепь управляющего электрода. Процесс рекомбинации и, следовательно, выключения запираемого тиристора во многом зависит от крутизны фронта dIGQ/dt и амплитуды IGQ обратного тока управления. Чтобы обеспечить необходимые крутизну и амплитуду этого тока, на управляющий электрод требуется подать напряжение UG, которое не должно превышать величины, допустимой для перехода j3. Фаза 4 - блокирующее состояние.В режиме блокирующего состояния к управляющему электроду и катоду остаётся приложенным напряжение отрицательной полярности UGR от блока управления. По цепи управления протекает суммарный ток IGR, состоящий из тока утечки тиристора и обратного тока управления, проходящего через переход j3. Переход j3 смещается в обратном направлении. Таким образом, в тиристоре GTO, находящемся в прямом блокирующем состоянии, два перехода (j2 и j3) смещены в обратном направлении и образованы две области пространственного заряда. Всё время выключения и блокирующего состояния система управления формирует импульс отрицательной полярности. Защитные цепи Использование тиристоров GTO, требует применения специальных защитных цепей. Они увеличивают массо-габаритные показатели, стоимость преобразователя, иногда требуют дополнительных охлаждающих устройств, однако являются необходимыми для нормального функционирования приборов. Назначение любой защитной цепи - ограничение скорости нарастания одного из двух параметров электрической энергии при коммутации полупроводникового прибора. При этом конденсаторы защитной цепи СВ (рис. 3) подключают параллельно защищаемому прибору Т. Они ограничивают скорость нарастания прямого напряжения dUT/dt при выключении тиристора. Дроссели LE устанавливают последовательно с прибором Т. Они ограничивают скорость нарастания прямого тока dIT/dt при включении тиристора. Значения dUT/dt и dIТ/dt для каждого прибора нормированы, их указывают в справочниках и паспортных данных на приборы.
Рис. 3. Схема защитной цепи Кроме конденсаторов и дросселей, в защитных цепях используют дополнительные элементы, обеспечивающие разряд и заряд реактивных элементов. К ним относятся: диод DВ, который шунтирует резистор RВ при выключении тиристора Т и заряде конденсатора СВ, резистор RВ, ограничивающий ток разряда конденсатора СВ при включении тиристора Т. Система управления Система управления (СУ) содержит следующие функциональные блоки: включающий контур, состоящий из схемы формирования отпирающего импульса и источника сигнала для поддержания тиристора в открытом состоянии; контур формирования запирающего сигнала; контур поддержания тиристора в закрытом состоянии. Не для всех типов СУ нужны все перечисленные блоки, но контуры формирования отпирающих и запирающих импульсов должна содержать каждая СУ. При этом необходимо обеспечить гальваническую развязку схемы управления и силовой цепи выключаемого тиристора. Для управления работой выключаемого тиристора применяются две основные СУ, отличающиеся способами подачи сигнала на управляющий электрод. В случае представленном на рис. 4, сигналы, формируемые логическим блоком St, подвергаются гальванической развязке (разделение потенциалов), после чего производится их подача через ключи SE и SA на управляющий электрод выключаемого тиристора Т. Во втором случае сигналы сначала воздействуют на ключи SE (включения) и SA (выключения), находящиеся под тем же потенциалом, что и СУ, затем через устройства гальванической развязки UE и UA подаются на управляющий электрод. В зависимости от расположения ключей SE и SA различают низкопотенциальные (НПСУ) и высокопотенциальные (ВПСУ, рис. 4) схемы управления.
Рис. 4. Вариант цепи управления Система управления НПСУ конструктивно проще, чем ВПСУ, однако её возможности ограничены в отношении формирования управляющих сигналов большой длительности, действующих в режиме в режиме протекания через тиристор прямого тока, а также в обеспечении крутизны импульсов управления. Для формирования сигналов большой длительности здесь приходится использовать более дорогие двухтактные схемы. В ВПСУ высокая крутизна и увеличенная длительность управляющего сигнала достигается проще. Кроме того, здесь сигнал управления используется полностью, в то время как в НПСУ его величина ограничивается устройством разделения потенциалов (например, импульсным трансформатором). Информационный сигнал - команда на включение или выключение - обычно подаётся на схему через оптоэлектронный преобразователь. Тиристоры GCT В середине 90-х годов фирмами "ABB" и "Mitsubishi" был разработан новый вид тиристоров GateCommutatedThyristor (GCT). Собственно, GCT является дальнейшим усовершенствованием GTO, или его модернизацией. Однако, принципиально новая конструкция управляющего электрода, а также заметно отличающиеся процессы, происходящие при выключении прибора, делают целесообразным его рассмотрение. GCT разрабатывался как прибор, лишённый недостатков, характерных для GTO, поэтому сначала необходимо остановится на проблемах, возникающих при работе GTO. Основной недостаток GTO заключается в больших потерях энергии в защитных цепях прибора при его коммутации. Повышение частоты увеличивает потери, поэтому на практике тиристоры GTO коммутируются с частотой не более 250-300 Гц. Основные потери возникают в резисторе RВ (см. рис. 3) при выключении тиристора Т и, следовательно, разряде конденсатора СВ. Конденсатор СВ предназначен для ограничения скорости нарастания прямого напряжения du/dt при выключении прибора. Сделав тиристор не чувствительным к эффекту du/dt, создали возможность отказаться от снабберной цепи (цепи формирования траектории переключения), что и было реализовано в конструкции GCT. Особенность управления и конструкции Основной особенностью тиристоров GCT, по сравнению с приборами GTO, является быстрое выключение, которое достигается как изменением принципа управления, так и совершенствованием конструкции прибора. Быстрое выключение реализуется превращением тиристорной структуры в транзисторную при запирании прибора, что делает прибор не чувствительным к эффекту du/dt. GCT в фазах включения, проводящего и блокирующего состояния управляется также, как и GTO. При выключении управление GCT имеет две особенности: ток управления Ig равен или превосходит анодный ток Ia (для тиристоров GTOIg меньше в 3 - 5 раз); управляющий электрод обладает низкой индуктивностью, что позволяет достичь скорости нарастания тока управления dig/dt, равной 3000 А/мкс и более (для тиристоров GTO значение dig/dt составляет 30-40 А/мкс).
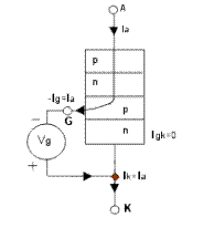
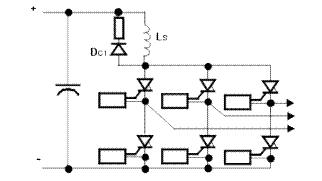
Рис. 5. Распределение токов в структуре тиристора GCT при выключении На рис. 5 показано распределение токов в структуре тиристора GCT при выключении прибора. Как указывалось, процесс включения подобен включению тиристоров GTO. Процесс выключения отличен. После подачи отрицательного импульса управления (-Ig) равного по амплитуде величине анодного тока (Ia), весь прямой ток, проходящий через прибор, отклоняется в систему управления и достигает катода, минуя переход j3 (между областями p и n). Переход j3 смещается в обратном направлении, и катодный транзистор npn закрывается. Дальнейшее выключение GCT аналогично выключению любого биполярного транзистора, что не требует внешнего ограничения скорости нарастания прямого напряжения du/dt и, следовательно, допускает отсутствие снабберной цепочки. Изменение конструкции GCT связано с тем, что динамические процессы, возникающие в приборе при выключении, протекают на один - два порядка быстрее, чем в GTO. Так, если минимальное время выключения и блокирующего состояния для GTO составляет 100 мкс, для GCT эта величина не превышает 10 мкс. Скорость нарастания тока управления при выключении GCT составляет 3000 А/мкс, GTO - не превышает 40 А/мкс. Чтобы обеспечить высокую динамику коммутационных процессов, изменили конструкцию вывода управляющего электрода и соединение прибора с формирователем импульсов системы управления. Вывод выполнен кольцевым, опоясывающим прибор по окружности. Кольцо проходит сквозь керамический корпус тиристора и контактирует: внутри с ячейками управляющего электрода; снаружи - с пластиной, соединяющей управляющий электрод с формирователем импульсов. Сейчас тиристоры GTO производят несколько крупных фирм Японии и Европы: "Toshiba", "Hitachi", "Mitsubishi", "ABB", "Eupec". Параметры приборов по напряжению UDRM : 2500 В, 4500 В, 6000 В; по току ITGQM (максимальный повторяющийся запираемый ток): 1000 А, 2000 А, 2500 А, 3000 А, 4000 А, 6000 А. Тиристоры GCT выпускают фирмы "Mitsubishi" и "ABB". Приборы рассчитаны на напряжение UDRM до 4500 В и ток ITGQM до 4000 А. В настоящее время тиристоры GCT и GTO освоены на российском предприятии ОАО "Электровыпрямитель" (г. Саранск).Выпускаются тиристоры серий ТЗ-243, ТЗ-253, ТЗ-273, ЗТА-173, ЗТА-193, ЗТФ-193 (подобен GCT) и др. с диаметром кремниевой пластины до 125 мм и диапазоном напряжений UDRM 1200 - 6000 В и токов ITGQM 630 - 4000 А. Параллельно с запираемыми тиристорами и для использования в комплекте с ними в ОАО "Электровыпрямитель" разработаны и освоены в серийном производстве быстровостанавливающиеся диоды для демпфирующих (снабберных) цепей и диоды обратного тока, а также мощный импульсный транзистор для выходных каскадов драйвера управления (система управления). Тиристоры IGCT Благодаря концепции жёсткого управления (тонкое регулирование легирующих профилей, мезатехнология, протонное и электронное облучение для создания специального распределения контролируемых рекомбинационных центров, технология так называемых прозрачных или тонких эмиттеров, применение буферного слоя в n - базовой области и др.) удалось добиться значительного улучшения характеристик GTO при выключении. Следующим крупным достижением в технологии жёстко управляемых GTO (HDGTO) с точки зрения прибора, управления и применения стала идея управляемых приборов базирующихся на новом "запираемом тиристоре с интегрированным блоком управления (драйвером)" (англ. IntegratedGate-CommutatedThyristor (IGCT)). Благодаря технологии жёсткого управления равномерное переключение увеличивает область безопасной работы IGCT до пределов, ограниченных лавинным пробоем, т.е. до физических возможностей кремния. Не требуется никаких защитных цепей от превышения du/dt. Сочетание с улучшенными показателями потерь мощности позволило найти новые области применения в килогерцовом диапазоне. Мощность, необходимая для управления, снижена в 5 раз по сравнению со стандартными GTO, в основном за счёт прозрачной конструкции анода. Новое семейство приборов IGCT, с монолитными интегрированными высоко мощными диодами было разработано для применения в диапазоне 0,5 - 6 МВ*А. При существующей технической возможности последовательного и параллельного соединения приборы IGCT позволяют наращивать уровень мощности до нескольких сотен мегавольт - ампер. При интегрированном блоке управления катодный ток снижается до того, как анодное напряжение начинает увеличиваться. Это достигается за счёт очень низкой индуктивности цепи управляющего электрода, реализуемой за счёт коаксиального соединения управляющего электрода в сочетании с многослойной платой блока управления. В результате стало возможным достигнуть значения скорости выключаемого тока 4 кА/мкс. При напряжении управления UGK=20 В. когда катодный ток становится равным нулю, оставшийся анодный ток переходит в блок управления, который имеет в этот момент низкое сопротивление. За счёт этого потребление энергии блоком управления минимизируется. Работая при "жёстком" управлении, тиристор переходит при запирании из p-n-p-n состояния в p-n-p режим за 1 мкс. Выключение происходит полностью в транзисторном режиме, устраняя всякую возможность возникновения триггерного эффекта. Уменьшение толщины прибора достигается за счёт использования буферного слоя на стороне анода. Буферный слой силовых полупроводников улучшает характеристики традиционных элементов за счёт снижения их толщины на 30% при том же прямом пробивном напряжении. Главное преймущество тонких элементов - улучшение технологических характеристик при низких статических и динамических потерях. Такой буферный слой в четырёхслойном приборе требует устранения анодных закороток, но при этом сохраняется эффективное освобождение электронов во время выключения. В новом приборе IGCT буферный слой комбинируется с прозрачным анодным эмиттером. Прозрачный анод - это p-n переход с управляемой током эффективностью эмиттера. Для максимальной помехоустойчивости и компактности блок управления окружает IGCT, формируя единую конструкцию с охладителем, и содержит только ту часть схемы, которая необходима для управления непосредственно IGCT. Как следствие, уменьшено число элементов управляющего блока, снижены параметры рассеяния тепла, электрических и тепловых перегрузок. Поэтому, также существенно снижена стоимость блока управления и интенсивность отказов. IGCT, с его интегрированным управляющим блоком, легко фиксируется в модуле и точно соединяется с источником питания и источником управляющего сигнала через оптоволокно. Путём простого размыкания пружины, благодаря детально разработанной прижимной контактной системе, к IGCT прилагается правильно рассчитанное прижимное усилие, создающее электрический и тепловой контакт. Таким образом, достигается максимальное облегчение сборки и наибольшая надёжность. При работе IGCT без снаббера, обратный диод тоже должен работать без снаббера. Эти требования выполняет высокомощный диод в прижимном корпусе с улучшенными характеристиками, произведённый с использованием процесса облучения в сочетании с классическими процессами. Возможности по обеспечению di/dt определяются работой диода (см. рис. 6).
Рис. 6. Упрощенная схема трёхфазного инвертора на IGCT Основной производитель IGCT фирма "ABB".Параметры тиристоров по напряжению UDRM: 4500 В, 6000 В; по току ITGQM: 3000 А, 4000 А. Заключение Быстрое развитие в начале 90-х годов технологии силовых транзисторов привело к появлению нового класса приборов - биполярные транзисторы с изолированным затвором (IGBT - InsulatedGateBipolarTransistors). Основными преимуществами IGBT являются высокие значения рабочей частоты, КПД, простота и компактность схем управления (вследствие малости тока управления). Появление в последние годы IGBT с рабочим напряжением до 4500 В и способностью коммутировать токи до 1800 А привело к вытеснению запираемых тиристоров (GTO) в устройствах мощностью до 1 МВт и напряжением до 3,5 кВ. Однако новые приборы IGCT, способные работать с частотами переключения от 500 Гц до 2 кГц и имеющие более высокие параметры по сравнению с IGBT транзисторами, сочетают в себе оптимальную комбинацию доказанных технологий тиристоров с присущими им низкими потерями, и бесснабберной, высокоэффективной технологией выключения путём воздействия на управляющий электрод. Прибор IGCT сегодня - идеальное решение для применения в области силовой электроники среднего и высокого напряжений.
|








