Реферат: Складний паралельний контур. Індуктивно-зв'язані електричні кола
|
Название: Складний паралельний контур. Індуктивно-зв'язані електричні кола Раздел: Рефераты по физике Тип: реферат |
СКЛАДНИЙ ПАРАЛЕЛЬНИЙ КОНТУР. ІНДУКТИВНО-ЗВ'ЯЗАНІ ЕЛЕКТРИЧНІ КОЛА Вступ Схема паралельного резонансного контуру може бути подана в узагальненому вигляді (рис.1, а
). Для резонансної частоти
У схемі (рис.1, б
), яку було розглянуто раніше, до однієї гілки (
Рисунок 1На рис.1, в
наведено варіант схеми, в якій одна гілка містить тільки індуктивність Знайдемо вхідний (еквівалентний) опір складного контуру:
Для контурів з високою добротністю
Обчислимо еквівалентний резонансний опір. Оскільки при
де Позначимо величину
Знайдемо формули для розрахунку резонансної частоти та коефіцієнта увімкнення для контурів другого і третього видів. 1. Контур ІІ виду. Резонансна частота визначається з формули (1):
звідки маємо:
де Знаючи резонансну частоту, знаходимо коефіцієнт увімкнення:
2. Контур ІІІ виду. Формула (1) є справедливою і в цьому разі:
Отже, резонансна частота становитиме:
де Коефіцієнт увімкнення дорівнюватиме:
Оскільки коефіцієнт увімкнення менший одиниці, робимо висновок, що часткове увімкнення дозволяє у 1. Частотні характеристики повного опору складних паралельних контурів Характерною рисою складних паралельних контурів є те, що поряд з резонансом струмів у контурі можливі резонанси напруг у гілках. Тому на відміну від простого контуру, частотна залежність повного опору складного контуру має два екстремуми (рис.2, а відповідає контуру другого, а рис. 2, б – контуру третього виду).
Рисунок 2Для контуру ІІ виду частота паралельного резонансу визначається за формулою (3):
а частота послідовного резонансу – за формулою:
З цих співвідношень видно, що оскільки Для контуру ІІІ виду за формулою (4) знаходимо:
Оскільки Висновок: частотні характеристики складного контуру дозволяють використовувати його для пропускання сигналів одних частот та послаблення сигналів інших частот. 2. Індуктивно-зв'язані електричні кола Зв'язані електричні кола – електричні кола, процеси в яких впливають один на одного через спільне магнітне чи електричне поле. В індуктивно-зв'язаних електричних колах процеси впливають один на одного через спільне магнітне поле. 2.1 Загальні відомості про індуктивно-зв'язані кола Питання щодо магнітного поля котушки та її індуктивності було розглянуто в першій лекції. Нагадаємо, що для індуктивної котушки, яка складається з N витків, потокозчеплення (тобто сума магнітних потоків, зчеплених з провідниками елемента електричного кола) визначається у такий спосіб:
ЕРС самоіндукції пов'язана з
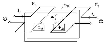
Розглянемо дві котушки, які розміщено одна поблизу іншої (рис. 3). Можливі два випадки: 1) Струм
де
Рисунок 3Потокозчеплення
2) Струми проходять одночасно через обидві котушки (
де Повне потокозчеплення котушки 1 становитиме:
де Взаємна індуктивність – відношення значення потокозчеплення взаємоіндукції одного електричного кола до значення струму іншого кола, що зумовлює це потокозчеплення:
Аналогічно можна записати повне потокозчеплення котушки 2:
Оскільки для лінійних електричних кіл виконується рівність
Оскільки у загальному випадку потоки само- та взаємоіндукції можуть як підсумовуватися, так і відніматися, у формулі вказується знак "±". Знак залежить від того, яким чином увімкнено котушки: зустрічно чи узгоджено. 2.2 Однойменні затискачі. Зустрічне та узгоджене увімкнення індуктивно-зв'язаних котушок Два затискачі, які належать двом різним, індуктивно-зв'язаним котушкам, звуться однойменними, якщо при однаковому напрямі струмів відносно цих затискачів магнітні потоки само- та взаємоіндукції підсумовуються. Узгодженим (зустрічним) називається увімкнення індуктивних котушок, за якого потоки само- та взаємоіндукції підсумовуються (віднімаються). На рис. 4 зображено дві котушки, які розміщено близько одна до одної та злучено узгоджено. В кожній з цих котушок при зміні величини струму індукуються як ЕРС самоіндукції, так і ЕРС взаємоіндукції. Згідно з (5) сумарна індукована напруга в кожній котушці визначається за формулами:
Рисунок 4На рис.5 дві котушки злучені зустрічно. Їх струми та магнітні потоки мають протилежні напрями, тому й індуковані в них ЕРС та напруги взаємоіндукції мають протилежні напрями:
Примітка
. Якщо в схемі (рис. 5) змінити напрям другого струму на протилежний (
Рисунок 52.3 Коефіцієнт зв'язку Знайдемо співвідношення між напругами 1) Тоді коефіцієнт передачі (або коефіцієнт ступеня зв'язку котушки 1 з котушкою 2 ) становитиме:
2)
3)
Отже, коефіцієнт зв'язку двох котушок – це відношення взаємної індуктивності двох котушок до середнього геометричного значення власних індуктивностей. Коефіцієнт зв'язку характеризує ступінь індуктивного зв'язку двох котушок (контурів). Розглядають три ступені зв'язку: дуже слабий зв'язок: k = 0, 001...0, 01; слабий зв'язок: k = 0, 01...0, 1; сильний зв'язок: k = 0, 1...0, 9. 3. Індуктивно-зв'язані кола при синусоїдній дії Припустимо, що до системи з двох індуктивно-зв'язаних котушок підводиться синусоїдна ЕРС. Тоді в кожній з котушок протікатимуть струми:
Згідно з формулою (5) миттєве значення напруги на затискачах першої котушки становитиме:
Переходячи до комплексних амплітуд, матимемо:
Враховуючи комутативність операції взяття уявної частини, отримуємо:
де З урахуванням введених означень коефіцієнт зв'язку визначається за формулою:
Розглянемо послідовне злучення двох індуктивно-зв'язаних котушок, до яких підводиться синусоїдна напруга 1. Узгоджене увімкнення (рис. 6):
Рисунок 6Запишемо рівняння за другим законом Кірхгофа для миттєвих значень напруг:
Перейдемо до комплексної форми запису:
Векторну діаграму, побудовану за рівнянням (5), зображено на рис.7, а . Рівняння (5) можна переписати у такому вигляді:
Оскільки еквівалентна індуктивність становить
Рисунок 72. Зустрічне увімкнення (рис. 8):
Рисунок 8Розмірковуючи аналогічно, знаходимо:
Перейдемо до комплексної форми запису:
Векторну діаграму, побудовану за рівнянням (4), зображено на рис.2б. Рівняння (2) можна переписати у такому вигляді:
Оскільки еквівалентна індуктивність становить Як бачимо, індуктивність взаємозв'язаних котушок залежить від коефіцієнта зв'язку. На цьому принципі побудовано прилади, призначені для поступової зміни індуктивності, які називаються варіометрами. Варіометр дозволяє змінювати індуктивність за рахунок різного увімкнення двох котушок. Явище взаємоіндукції широко застосовується в техніці, на ньому основана робота трансформаторів, індукційних котушок у системі запалювання автомашин тощо. |







