Контрольная работа: Одиночные усилительные каскады на биполярных транзисторов
|
Название: Одиночные усилительные каскады на биполярных транзисторов Раздел: Рефераты по физике Тип: контрольная работа | |||||||||||||||||||||||||||||||||||||||||||||||||||||||||||||||||||||||||||||||||||||||||||||||||||||||||||||||||||||||||||||||||||||||||||||||||||||||||||||||||||||||||||||||||||||||||||||||||
Муниципальное образовательное учреждение высшего профессионального образования "Южно Уральский Профессиональный Институт" Кафедра информатики и вычислительной техники биполярный транзистор коллектор напряжение Контрольная работа по дисциплине "Электротехника и электроника" Тема: Одиночные усилительные каскады на биполярных транзисторов Челябинск- 2010 Содержание Одиночные усилительные каскады на биполярных транзисторов Список использованной литературы Одиночные усилительные каскады на биполярных транзисторах 1. Что такое биполярный транзистор и для чего он используется?Биполярный транзистор — трёхэлектродный полупроводниковый прибор, один из типов транзистора. Электроды подключены к трём последовательно расположенным слоям полупроводника с чередующимся типом примесной проводимости. По этому способу чередования различают npn и pnp транзисторы (n (negative) — электронный тип примесной проводимости, p (positive) — дырочный). В биполярном транзисторе, в отличие от других разновидностей, основными носителями являются и электроны, и дырки. Электрод, подключённый к центральному слою, называют базой, электроды, подключённые к внешним слоям, называют коллектором и эмиттером. На простейшей схеме различия между коллектором и эмиттером не видны. В действительности же главное отличие коллектора — бо́льшая площадь p—n-перехода. Кроме того, для работы транзистора абсолютно необходима малая толщина базы. Биполярный точечный транзистор был изобретен в 1947 году, в течение последующих лет он зарекомендовал себя как основной элемент для изготовления интегральных микросхем, использующих транзисторно-транзисторную, резисторно-транзисторную и диодно-транзисторную логику.Применение транзисторов: усилители, каскады усиления, генератор, модулятор, демодулятор (Детектор), инвертор (лог. элемент), микросхемы на транзисторной логике.2. Чем отличается транзистор типа р-n-р от транзистора типа n-р-n? В зависимости от типа проводимости зон различают NPN (эмиттер − n-полупроводник, база − p-полупроводник, коллектор − n-полупроводник) и PNP транзисторы. К каждой из зон подведены проводящие контакты. База расположена между эмиттером и коллектором и изготовлена из слаболегированного полупроводника, обладающего большим сопротивлением. Общая площадь контакта база-эмиттер значительно меньше площади контакта коллектор-база, поэтому биполярный транзистор общего вида является несимметричным устройством (невозможно путем изменения полярности подключения поменять местами эмиттер и коллектор и получить в результате абсолютно аналогичный исходному биполярный транзистор). 3. Какие схемы включения биполярных транзисторов используют и чем они отличаются? Любая схема включения транзистора характеризуется двумя основными показателями. Коэффициент усиления по току Iвых/Iвх. Входное сопротивление Rвх=Uвх/Iвх.. Схема включения с общей базой.Коэффициент усиления по току: Iвых/Iвх=Iк/Iэ=α [α<1]. Входное сопротивление Rвх=Uвх/Iвх=Uбэ/Iэ.Входное сопротивление для схемы с общей базой мало и не превышает 100 Ом для маломощных транзисторов, так как входная цепь транзистора при этом представляет собой открытый эмиттерный переход транзистора. Недостатки схемы с общей базой. Малое усиление по току, так как α < 1. Малое входное сопротивление. Два разных источника напряжения для питания. Достоинства. Хорошие температурные и частотные свойства. Высокое допустимое напряжение. Схема включения с общим эмиттеромIвых=Iк, Iвх=Iб, Uвх=Uбэ, Uвых=UкэКоэффициент усиления по току: Iвых/Iвх=Iк/Iб=Iк/(Iэ-Iк) = α/(1-α) = β [β>>1]. Входное сопротивление: Rвх=Uвх/Iвх=Uбэ/Iб. Достоинства: Большой коэффициент усиления по току. Большой коэффициент усиления по напряжению. Большое усиление мощности. Можно обойтись одним источником питания. Выходное переменное напряжение инвертируется относительно входного. Недостатки: Худшие температурные и частотные свойства по сравнению со схемой с общей базой. Схема с общим коллекторомIвых = Iэ,Iвх = Iб, Uвх = Uбк, Uвых = Uкэ. Коэффициент усиления по току: Iвых/Iвх=Iэ/Iб=Iэ/(Iэ-Iк) = 1/(1-α) = β [β>>1]. Входное сопротивление: Rвх=Uвх/Iвх=(Uбэ+Uкэ)/Iб. Достоинства: Большое входное сопротивление. Малое выходное сопротивление. Недостатки: Коэффициент усиления по напряжению меньше 1. Схему с таким включением называют "эмиттерным повторителем". 4. Какие характеристики являются входными и выходными каждой из схем включения биполярных транзисторов? Обычно анализируют входные и выходные характеристики биполярного транзистора в схемах с общей базой и общим эмиттером. Для определенности и преемственности изложения будем рассматривать p-n-p-транзистор. Схема с общей базой: Семейство входных характеристик схемы с общей базой представляет собой зависимость IЭ = f(UЭБ) при фиксированных значениях параметра UКБ - напряжения на коллекторном переходе (рисунок 1,а).
Рисунок 1—Входные (а) и выходные (б) характеристики биполярного транзистора в схеме включения с общей базой Семейство выходных характеристик схемы с общей базой представляет собой зависимости IК = f(UКБ) при заданных значениях параметра IЭ (рисунок 1,б). Схема с общим эмиттером: Семейство входных характеристик схемы с общим эмиттером представляет собой зависимости IБ = f(UБЭ), причем параметром является напряжение UКЭ (рисунок 2,а).
Рисунок 2—Входные (а) и выходные (б) характеристики биполярного транзистора в схеме включения с общим эмиттером Вторая характеристика на рисунке 2,а (UКЭ < 0) относится к нормальному активному режиму, для получения которого напряжение UКЭ должно быть в p-n-p транзисторе отрицательным и по модулю превышать напряжение UЭБ. В этом случае UКБ = UКЭ + UЭБ = UКЭ - UБЭ < 0. Семейство выходных характеристик схемы с общим эмиттером представляет собой зависимости IК = f(UКЭ) при заданном параметре IБ (рисунок 2,б). Крутые начальные участки характеристик относятся к режиму насыщения, а участки с малым наклоном - к нормальному активному режиму. Переход от первого режима ко второму, как уже отмечалось, происходит при значениях |UКЭ|, превышающих |UБЭ|. На характеристиках в качестве параметра берется не напряжение UБЭ, а входной ток IБ. 5. Каково назначение элементов в схемах усилителей с общим эмиттером и общим коллектором? Резисторы Rг учитывают в схемах внутреннее сопротивление источника сигнала. На входе каждого каскада находятся разделительные конденсаторы Назначение остальных элементов в схеме с общим эмиттером (рисунок 3а): Rк1 − коллекторная нагрузка каскада, Rн1 − нагрузка каскада, R1, R2 − делитель напряжения для подачи прямого смещения на вход транзистора, Rэ1 − резистор для стабилизации рабочей точки покоя. Резистор Rэ1 вносит в схему отрицательную обратную связь по постоянному току. Действие обратной связи (стабилизации рабочей точки покоя) происходит за счет включения напряжения обратной связи во входную цепь усилителя. Если Rэ1Iэ возрастает, то напряжение между базой и эмиттером транзистора VT1 уменьшается, т.к. UR1=R2∙Iд»const, где Iд − ток делителя. Конденсатор Сэ1 шунтирует резистор Rэ1 по переменному сигналу. Назначение элементов в схеме с общим коллектором (рисунок 3б): R3, R4 − делитель напряжения для подачи прямого смещения на вход транзистора, Rэ2 −эмиттерная нагрузка каскада, Rн2 − нагрузка каскада. В схеме действует 100% отрицательная обратная связь по напряжению, т.к. нагрузка включена во входную цепь усилителя и поэтому коэффициент усиления напряжения меньше 1. Из-за последовательной отрицательной обратной связи по напряжению входное сопротивление каскада велико, а выходное – мало, поэтому усилитель слабо влияет на источник входного сигнала и может работать на низкоомную нагрузку. Во всех усилительных каскадах выходное напряжение снимается с резисторов RН1, RН2. На выходе каждого каскада находятся разделительные конденсаторы |
|||||||||||||||||||||||||||||||||||||||||||||||||||||||||||||||||||||||||||||||||||||||||||||||||||||||||||||||||||||||||||||||||||||||||||||||||||||||||||||||||||||||||||||||||||||||||||||||||
| R | R1 | R2 | R к1 | Rэ1 | Rг1 | Rг2 | R3 | R4 | Rэ2 |
| кОм | 22 | 20 | 1,3 | 1 | 1,1 | 1,1 | 18 | 200 | 2 |
| С | Ср1 | Ср2 | С1р2 | Сэ1 | Ср3 | С1р3 | Ср4 | С1р4 | |
| мкФ | 30 | 0,05 | 30 | 0,05 | 200 | 30 | 0,01 | 30 | 0,05 |
Характеристики транзистора КТ312А:
Ikmax=30мА; UКЭmax=20В; Pkmax=225мВТ; IКБО=0,2 мкА; h21Э=10…100; fmax=80МГц; rБ=900 Ом; rЭ=30 Ом; r*К=30 кОм; β=50; Ск=4 пФ.

Рисунок 8—Характеристики транзистора КТ312А с проведёнными линиями нагрузки MN по постоянному току и нагрузки СD по переменному току, а также выбрана точка покоя А
Данные для расчёта: Ек=15В, Rн1=1кОм, Rн2=0,2кОм, Сн1=Сн2=0,01мкФ
Проводим линию нагрузки по постоянному току MN, используя выходные характеристики транзистора (рисунок 8). Линия нагрузки MN стоится по двум точкам. Точка N соответствует режиму холостого хода, когда Iк=0, а Uкэ=Ек. Соответственно:
Iк=0, Uкэ=Ек=15 В.
Точка M соответствует режиму, когда Uкэ=0, Iк=Ек/(Rк1+Rэ1).
Соответственно:
Uкэ=0, Iк=Ек/(Rк1+Rэ1)=15/(1,3+1)=6,52 мА.
Выбраем рабочую точку покоя А примерно посредине линии нагрузки по постоянному току MN, проводим через точку покоя А линию нагрузки СD по переменному току под углом g, котангенс которого пропорционален результирующему сопротивлению в цепи коллектора по переменному току:
ctgg=(a/b)Rн1~;
где a—масштабный коэффициент по оси ординат, мА/мм; b—масштабный коэффициент по оси абсцисс, В/мм.
Rн1~=(Rк1Rн1)/(Rк1+Rн1), кОм
Подставляем данные, получаем соответственно:
Rн1~=(Rк1Rн1)/(Rк1+Rн1)=(1,3∙1)/(1,3+1)=0,5652 кОм
Подставляем данные а=9мА/мм; b=9В/мм; получаем соответственно:
ctgg=(a/b)Rн1~=(9/9)∙0,5652=0,5652
Зная ctgg находим g: g=60028/

Рисунок 9—Временные диаграммы
Определяем графически параметры: Uкп − напряжение на коллекторе в режиме покоя, Iкп − коллекторный ток покоя, Uвыхm − амплитуду неискаженного выходного напряжения.
С учётом масштабных коэффициентов рисунка 9 a1=0,7; b1=0,7:
Напряжение на коллекторе в режиме покоя Uкп=1,986 В,
Коллекторный ток покоя Iкп=4,071 мА,
Амплитуда неискаженного выходного напряжения Uвыхm=5,857 В.
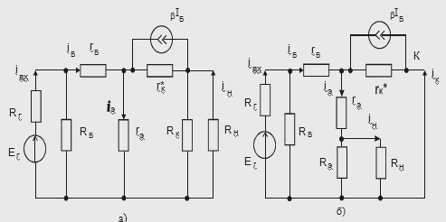
Начертим эквивалентные схемы и рассчитаем основные параметры усилителей по формулам таблицы 2, где Rвх − входное сопротивление каскада с учетом сопротивления делителя RБ, Rвых − выходное сопротивление каскада, Ki=Iн/Iвх − коэффициент усиления по току, KЕ=Uвых/Ег – коэффициент усиления ЭДС Ег источника сигнала, Кu=Uвых/Uвх − коэффициент усиления по напряжению относительно входного напряжения Uвх, Кр=Рвых/Рвх − коэффициент усиления по мощности, знак || означает параллельное соединение резисторов. Результаты расчета занесём в таблицу 3.

Рисунок 10—Эквивалентным схемам для переменных составляющих тока и напряжения с общим эмиттером (а) и с общим коллектором (б)
Таблица 2—Основные параметры усилителей
| Параметры усилителя | Схема с общим эмиттером | Схема с общим коллектором |
| Rвх | Rб1 || rвх1; Rб1=R1 || R2; rвх1=rб+(1+b)rэ |
Rб2 || [Rн2~(1+b)]; Rб2=R3 || R4 |
| Rвых | Rк1 || r |
|
| Ki | ![]() |
|
| Ku | ||
| KE | ||
| Kp | Ki1 Ku1 | Ki2 Ku2 |
| Rн~ |
Таблица 3—Результаты расчётов
| № варианта | Схема включения | Результаты | Параметры | |||||
| Rвх, кОм | Rвых, кОм | КЕ | Ku | Ki | Kp | |||
| 1 | с общим эмиттером | Расчет | 1,99 | 0,8 | 2,24 | 2,71 | 23,14 | 50,21 |
| 1 | с общим коллектором | Расчет | 0,09 | 0,05 | 0,06 | 0,79 | 0,36 | 0,28 |
Рассчитаем коэффициент температурной нестабильности S по формуле:

Зная β=50, подставив данные в следующию формулу:
![]()
Получим уравнение:
![]()
Откуда следует α=0,98.
Подставив данные получаем коэффициент температурной нестабильности Sдля схемы с общим эмиттером равный:

Подставив данные получаем коэффициент температурной нестабильности S для схемы с общим коллектором равный:

Рассчитаем частоты fн, fв, f0 и углы сдвига фаз jн, jв.
Частоты fн, f0 и fв определяем из приближенных выражений:
Для схемы с общим эмиттером:
![]()
,
;
где
;
Постоянная времени перезаряда конденсатора Ср1:
![]()
Постоянная времени перезаряда конденсатора Ср2:
![]()
Постоянная времени перезаряда конденсатора Сэ1:
![]()
Постоянная времени перезаряда эквивалентной емкости коллекторного перехода:
![]()
Подставив данные рассчитаем постоянную времени перезаряда конденсатора Ср1:
=(1,1+1,99)∙30=92,7
Подставив данные рассчитаем постоянную времени перезаряда конденсатора Ср2:
=(0,8+1)∙30=54
Подставив данные рассчитаем постоянную времени перезаряда конденсатора Сэ1:
=
![]()
Подставив данные рассчитаем постоянную времени перезаряда эквивалентной емкости коллекторного перехода:
=
![]()
Подставив данные получаем:
=1/(92,7-1+54-1+13,43-1)=10
Расчитаем частоты fн, f0 и fв определять из приближенных выражений:
![]()
,
;
fн1=1/2πτн1=1/2∙3,14∙10=0,016 МГц
fв1=1/2πτв1=1/2∙3,14∙0,64=0,25 МГц
МГц
Для схемы с общим коллектором:
,
,
;
где
;
Постоянная времени перезаряда конденсатора Ср3
![]()
Постоянная времени перезаряда конденсатора Ср4
![]()
Постоянная времени перезаряда конденсатора нагрузки Сн2.
Сн2
Подставив данные рассчитаем постоянную времени перезаряда конденсатора Ср3:
=(1,1+0,09)∙30=35,7
Подставив данные рассчитаем постоянную времени перезаряда конденсатора Ср4:
=(0,05+0,2)∙30=7,5
Подставив данные рассчитаем постоянную времени перезаряда эквивалентной емкости коллекторного перехода:
=
![]()
Подставив данные получаем:
=1/(35,7-1+7,5-1)=6,2
Расчитаем частоты fн, f0 и fв определять из приближенных выражений:
Для схемы с общим коллектором:
,
,
;
fн2=1/2πτн2=1/2∙3,14∙6,2=0,026 МГц
fв2=1/2πτв2=1/2∙3,14∙0,0004=398,09 МГц
МГц
Расчитаем углы сдвига фаз jн, jв по следующим формулам:
,
.
Для схемы с общим эмиттером:
![]()
![]()
Для схемы с общим коллектором:
![]()
.
Рассчитаем и построим частотные KE(f) и фазовые j(f) характеристики усилителей.
При расчете зависимостей
и
следует задаваться частотами f=(0,2; 0,5; 1; 2; 5) fн и f=(0,2; 0,5; 1; 2; 5) fв.
Таблица 4—Результаты расчётов для φ(f)
| φн1(f) | 1,37 | 1,1 | 0,75 | 0,36 | -0,12 |
| f от fн1 | 0,0032 | 0,008 | 0,016 | 0,032 | 0,08 |
| φв1(f) | 0,12 | -0,36 | -0,75 | -1,1 | -1,37 |
| f от fв1 | 0,05 | 0,125 | 0,25 | 0,5 | 1,25 |
| φн2(f) | 1,25 | 0,87 | 0,47 | 0,1 | -0,38 |
| f от fн2 | 0,0052 | 0,013 | 0,026 | 0,052 | 0,13 |
| φв2(f) | 0,12 | -0,35 | -0,75 | -1,1 | -1,37 |
| f от fв2 | 79,618 | 199,045 | 398,09 | 796,18 | 1990,45 |
Таблица 4—Результаты расчётов для КЕ(f)
| КЕ1(f) | 0,44 | 1,01 | 1,64 | 2,1 | 2,22 |
| f от fн1 | 0,0032 | 0,008 | 0,016 | 0,032 | 0,08 |
| КЕ1(f) | 2,22 | 2,1 | 1,64 | 1,02 | 0,44 |
| f от fв1 | 0,05 | 0,125 | 0,25 | 0,5 | 1,25 |
| КЕ2(f) | 0,02 | 0,04 | 0,05 | 0,06 | 0,06 |
| f от fн2 | 0,012 | 0,027 | 0,042 | 0,054 | 0,059 |
| КЕ2(f) | 0,059 | 0,054 | 0,042 | 0,027 | 0,012 |
| f от fв2 | 79,618 | 199,045 | 398,09 | 796,18 | 1990,45 |
Построим частотные KE(f) и фазовые j(f) характеристики усилителей.

Рисунок 11—Фазовые j(f) характеристики усилителей (масштаб для f: φн1(f)=100:1, φв1(f)=10:1, φн2(f)=100:1, φв2(f)=1:200)

Рисунок 12—Частотные KE(f) характеристики усилителей (масштаб для: KE (f н1)=2:1, KE(f в1)=2:1, KE(f н2)=200:1, KE(f в2)= 200:1, f н1=100:1, f в1=10:1, fн2=100:1, f в2= 1:200)
Рассчитаем коэффициенты частотных искажений Мн и Мв.
Коэффициенты частотных искажений определяем из выражений:
Для схемы с общим эмиттером:
,
где
;
;
,
;
, ![]()
ωв1=2πfв1.
Согласно формулам производим расчёты:
ωв1=2πfв1=2∙3,14∙0,25=1,57;
![]()
ωн1=2πfн1=2∙3,14∙0,0016=0,01;
![]()
![]()
![]()
Для схемы с общим коллектором:
,
где
;
,
;
,
.
Согласно формулам производим расчёты:
ωв2=2πfв2=2∙3,14∙398,09=2505;
![]()
ωн2=2πfн2=2∙3,14∙0,026=0,16;
![]()
![]()
![]()
Литература
Жаворонков М.А. Электротехника и электроника. – М.: Академия, 2005.
Новиков Ю.Н. Электротехника и электроника. – СПб.: Питер, 2005.
Касаткин А.С. Курс электротехники. – М.: Высшая школа, 2005.
Миловзоров О.В. Электроника. – М.: Высшая школа, 2005.
Бройдо В.Л. Вычислительные системы, сети телекоммуникации. - СПб.: Питер, 2005.
Хамахер К. Организация ЭВМ. – СПб.: Питер, 2003.
Безладнов Н.Л. Усилительные устройства.—Л.: СЗПИ,1971.
Войшвилло Г.В. Усилительные устройства.—М.: Радио и связь,1983.
Павлов В.М., Ногин В.Н. Схемотехника аналоговых электронных устройств.—М.: Радио и связь, 1997.







