Реферат: Вторичные измерительные преобразователи и АЦП
|
Название: Вторичные измерительные преобразователи и АЦП Раздел: Рефераты по коммуникации и связи Тип: реферат |
Содержание Введение Вторичные измерительные преобразователи и АЦП 1. Усилители 2. Делители напряжения и мосты 3. Фазометры и частотомеры 4. Специфика вторичных преобразователей для датчиков перемещений Литература ВведениеТема реферата по дисциплине "Информационные измерительные средства" - "Вторичные измерительные преобразователи и АЦП". Применение и развитие измерительной техники всегда было обусловлено потребностями производства, торговли и других сфер человеческой деятельности. Контрольно-измерительные операции давно стали неотъемлемой частью технологических процессов и в значительной степени определяют качество выпускаемой продукции. Прогресс измерительной техники неразрывно связан с научно-техническим прогрессом. Новые научные и технические задачи приводят и к новым измерительным задачам, для решения которых нужны новые средства измерений (СИ), а новые научные и технические результаты влияют на уровень измерительной техники: повышается точность измерений, и расширяются диапазоны измерения; растет номенклатура измеряемых величин; увеличивается производительность измерительных операций, и за счет их автоматизации уменьшается влияние человеческого фактора; возрастает число выполняемых функций. Информационные измерительные системы (ИИС) являются одним из наиболее ярких примеров этой взаимосвязи. Появление ИИС обусловлено в первую очередь конкретными задачами производства и научных исследований, требующих получения, обработки, отображения и хранения больших объемов измерительной информации. ИИС являются симбиозом аппаратных средств и алгоритмов обработки измерительной информации. Вторичные измерительные преобразователи и АЦПОсновной функцией вторичных измерительных преобразователей (ВИП) является преобразование информации, выдаваемой первичными преобразователями, в напряжение, подаваемое на АЦП. В каждом конкретном случае вид и функции вторичного преобразователя определяются видом первичного преобразователя. В предыдущем параграфе различные датчики были сгруппированы по виду измеряемой величины. Однако при выборе ВИП определяющим является вид выходной величины, а преобразуемая первичным преобразователем физическая величина уже не имеет существенного значения. ВИП характеризуются теми же показателями, что и ПИП, то есть прежде всего функцией преобразования и показателями погрешности. Кроме того, появляется специфический показатель - требования к источникам питания, поскольку качество питающего напряжения (величина, стабильность, отклонение формы, фон и другие помехи) существенно влияет на качество выполнения преобразователем своих функций, рассмотрим основные виды ВИП, ориентированных на различные группы выходных величин ПИП. 1. УсилителиДля датчика генераторного типа, как уже отмечалось, вторичный преобразователь может и не понадобиться, если сигнал самого датчика достаточно велик. В противном случае вторичные преобразователи усиливают сигнал и при необходимости изменяют его постоянную составляющую. В этом случае используется стандартная схема операционного усилителя с отрицательной обратной связью (рис.1, а).
Рис. 1. Коэффициент усиления такого усилителя определяется отношением сопротивлений резисторов R2 и R1:
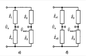
где Ку - коэффициент усиления усилителя без обратной связи. Приближенное соотношение записано в предположении, что Ку много больше требуемого значения коэффициента усиления. При подаче усиливаемого сигнала на вход 1 он не инвертируется, а при подаче на вход 2 инвертируется. Неиспользуемый вход обычно заземляют. При необходимости на него может быть подан постоянный сигнал для изменения постоянной составляющей. Усилители могут работать в недифференциальном режиме, когда усиливаемый сигнал подается на один вход, а вторым входом является общая земля (общий нуль), и в дифференциальном режиме, когда исследуемый сигнал подается на оба входа, что имеет место, например, при усилении сигналов с мостовых схем. Если датчик генераторного типа выдает ток, то вторичный преобразователь должен преобразовать выходной ток в напряжение и при необходимости усилить. Для этого также может быть использован операционный усилитель, в котором сопротивление R1 много меньше выходного сопротивления датчика, рассматриваемого как генератор тока. В этом случае коэффициент передачи вторичного преобразователя не зависит от R1. K = UB ых / IBX = R 2 ( 2.2) Из этого следует, что входной резистор может быть исключен, и мы приходим к схеме, изображенной на рис.1, б. Определенная специфика имеется при усилении зарядов, генерируемых, в частности, пьезоэлектрическими датчиками. Любое конечное входное сопротивление усилителя приводит к стеканию заряда и уменьшению выходного сигнала. Поэтому для преобразования и усиления такого выходного сигнала используется интегрирующий усилитель, схема которого показана на рис.1, е . Коэффициент передачи такого вторичного преобразователя K = UB ых / QBX = 1/ C . ( 2.3) Из этой формулы следует, что коэффициент передачи будет тем больше, чем меньше емкость конденсатора С . Однако нужно иметь в виду, что данное соотношение записано в предположении идеальности конденсатора, то есть его сопротивление утечки R, показанное на схеме, равно бесконечности. Однако реально оно конечно. Поэтому емкость должна быть выбрана такой, чтобы модуль ее сопротивления на низшей возможной частоте изменения заряда была много меньше сопротивления утечки. 2. Делители напряжения и мостыДля параметрических датчиков вторичные преобразователи формируют напряжение, зависящее от изменения выходного параметра датчика. Далее для краткости и простоты изложения будем считать, что выходной величиной датчика является комплексное сопротивление Zx . Это предположение соответствует и физической сущности работы датчиков. Только у резистивных датчиков для достаточно больших диапазонов частот мы можем считать выходное сопротивление чисто активным. В емкостных датчиках мы должны учитывать сопротивление утечек (особенно на низких частотах), а для индуктивных датчиков - активное сопротивление обмотки и эквивалентное сопротивление потерь в сердечнике (особенно на больших частотах), хотя при теоретических расчетах выходные сопротивления этих датчиков считают чисто реактивными. Для преобразования сопротивления в напряжение используются делители напряжения и мостовые схемы. Два варианта схемы делителя приведены на рис.2. Делители напряжения являются простейшими вторичными преобразователями. Однако следует иметь в виду, что для обеих схем характеристики преобразования существенно нелинейны.
Рис. 2.
Рис. 3 Нелинейность будет уменьшаться по мере уменьшения Zx по сравнению с ZQ . Однако при этом будет уменьшаться и чувствительность преобразователей. На рис.3, а приведена мостовая схема вторичного преобразователя для недифференциальных датчиков, а на рис.3, б - для дифференциальных. Функции преобразования для этих преобразователей имеют вид.
Первая из этих характеристик нелинейна, а вторая - если оба компонента дифференциального датчика имеют одинаковые начальные сопротивления и изменяются симметрично, будет линейной. Емкости и индуктивности могут измеряться мостами только переменного тока. Активные сопротивления могут измеряться мостами как постоянного, так и переменного тока. При этом вариант моста переменного тока не должен отвергаться, как более сложный. Следует иметь в виду, что передача информации на переменном токе более помехоустойчива, чем на постоянном. Поэтому, если датчики удалены от ВИП, что имеет место, например, при контроле напряженных строительных элементов мостов и других сооружений, целесообразно и для резистивных датчиков использовать мосты переменного тока. Нелинейность вторичных преобразователей имела существенное значение при аналоговой обработке. При цифровых методах она может быть устранена в процессе линеаризации характеристик ИК. Как видно из формул (2.4) и (2.5), чувствительность делителей и мостов увеличивается с увеличением питающего напряжения. Однако его нельзя увеличивать неограниченно. В силу малых размеров датчиков даже при небольших протекающих токах их нагрев может привести к изменению выходной величины, например сопротивления. Поэтому изменения выходного напряжения делителя или моста могут быть малыми, и потребуется их усиление. При усилении сигналов с делителей обязательно потребуется изменение постоянной составляющей, о возможности чего мы уже говорили. Такая компенсация, хотя и в меньшей степени, может потребоваться и для мостовых преобразователей. Сигналы делителя можно подавать на усилитель по недифференциальной схеме, а выходные сигналы мостовых преобразователей - по дифференциальной схеме. При измерении комплексных сопротивлений мостами переменного тока вторичный преобразователь необходимо дополнить выпрямителями для преобразования переменного напряжения в постоянное. При этом для компенсации фазовых сдвигов, например в дифференциальных индуктивных или емкостных преобразователях, могут потребоваться фазочувствительные детекторы. Поскольку чувствительность делителей и мостовых схем пропорциональна величине питающего напряжения, его нестабильность непосредственно переносится в мультипликативную погрешность ВИП. Поэтому к стабильности питающего напряжения предъявляются весьма жесткие требования. При использовании мостов переменного тока в каждый вторичный преобразователь должен входить генератор синусоидального сигнала частотой несколько (иногда несколько десятков) килогерц. При наличии в ИИС нескольких близко расположенных однотипных вторичных преобразователей один генератор может использоваться для питания нескольких мостов. Это упрощает конструкцию, но может привести к увеличению взаимного влияния измерительных каналов. 3. Фазометры и частотомерыВторичные преобразователи для параметрических датчиков могут быть генераторного типа, когда датчик включается в цепь обратной связи и величина его выходного сопротивления определяет частоту генерируемого колебания. В этом случае в состав вторичного преобразователя должен входить измеритель частоты. Во вторичном преобразователе реактивное сопротивление может преобразовываться в сдвиг фазы синусоидального сигнала, который затем измеряется. Например, к измерениюфазы сводится вторичное преобразование сигнала сельсина при измерении угла поворота. Измерения фазы и частоты обычно производятся цифровыми методами. При измерении частоты в режиме частотомера подсчитывается число периодов или полупериодов исследуемого сигнала за заданный интервал времени Т ( рис.4, а ). При измерении частоты в режиме периодомера подсчитывается число заполняющих импульсов существенно большей частоты за заданное число периодов исследуемого сигнала (рис.4, б ). При измерении фазы подсчитывается число импульсов между переходами через нуль с одинаковой производной опорного и преобразованного сигналов и измеряется период, если он заранее не известен (рис.4, в). Для импульсных датчиков вторичный преобразователь должен обеспечить подсчет числа импульсов. Во всех этих случаях выходной сигнал ВИП, содержащийся в счетчике импульсов, оказывается представленным в цифровой форме, то есть в данном случае вторичный преобразователь выполнят и функции АЦП. Следует отметить, что объединение вторичных преобразователей с АЦП не устраняет показанной на рис.5обратной связи ЭВМ с АЦП. Начало счета импульсов и считывание результатов счета производятся по командам с ЭВМ.
Рис. 4.
Рис. 5 4. Специфика вторичных преобразователей для датчиков перемещенийАлгоритмы функционирования вторичных преобразователей при измерении угловых и линейных перемещений могут иметь специфические особенности. Остановимся на двух частных случаях. Кодовые датчики и сельсины при измерении угла в пределах одного оборота являются статическими, то есть при подаче на них питания они выдают значение углового положения в данный момент времени, независимо от того, были ли изменения положений при нахождении датчика в выключенном состоянии. Однако в статическом режиме невозможно зафиксировать полное угловое перемещение, если оно превышает целый оборот. Это перемещение можно зафиксировать только в динамическом режиме, фиксируя все переходы угла через нуль с учетом направления перехода, что определяет знак приращения в счетчике числа полных оборотов. При этом очевидно, что полные обороты, совершенные при выключенном датчике, не фиксируются. Аналогичная ситуация наблюдается при вторичной обработке квадратурных сигналов датчиков с периодическими структурами (линейные или угловые индуктосины или растровые фотоэлектрические датчики). На рис.7, а показана зависимость этих сигналов от величины перемещения (на рисунке исключены постоянные составляющие, которые имеются в сигналах растровых датчиков, поскольку их величина не влияет на алгоритмы обработки). Шаг линеек равен ∆х . Амплитуды сигналов предполагаются равными. В противном случае они могут быть скорректированы при обработке.
Рис. 7. Непосредственно из рисунка видно, что величину полного перемещения можно найти, определив целое число шагов и часть шага, соответствующую моменту отсчета. Если перемещение происходит в одном направлении, число полушагов можно определить, подсчитывая переходы через нуль любого одного сигнала. Однако при этом нельзя определить даже направление перемещения. Изменение направления движения никак не будет фиксироваться. Поэтому, подсчитывая число переходов через нуль, можно определить полный путь, но не координату. Наличие двух сигналов устраняет эту проблему. При движении в положительном направлении последовательность переходов через нуль с учетом знака производной имеет вид +а, +б, - а, - б, +а,…., что соответствует приращению координаты при каждом переходе на четверть шага. При движении в обратном направлении последовательность переходов будет иной: + а, - б, - а, +б, + а,…., и каждый переход через нуль уменьшает координату на четверть шага. Если в процессе движения происходят реверсы, то каждый переход через нуль изменяет координату на четверть шага, а знак этого изменения определяется направлением перемещения. Признаком реверса является последовательное появление в одном из квадратурных сигналов двух одинаковых переходов через нуль. Таким образом, анализируя и соответствующим образом подсчитывая переходы квадратурных сигналов через нуль, можно определить координату с дискретностью в четверть шага линейки датчика. Меньшую дискретность (имеется в виду малый шаг квантования) можно получить, используя значения сигналов в момент считывания координат. Алгоритм интерполяции можно пояснить следующим образом. Пусть периодические сигналы Sa ( t) и S6 ( t), сдвинутые относительно друг друга на четверть шага, имеют стабильную одинаковую форму, будучи четными функциями относительно осей, проходящих через экстремумы, и нечетными относительно осей, проходящих через нулевые значения сигналов. Отличие этих функций от моделей в виде синусоиды или кусочно-линейной функции не имеет принципиального значения, важна стабильность их формы. Разобьем четверть шага шкалы на п равных интервалов и обозначим через S - верхние границы этих интервалов (рис.2.7, б). Тогда, как видно из рисунка, абсолютное значение поправки σх при снятии отсчета перемещения в момент времени t0 можно рассчитать по формуле
Индекс і в (2.6) выбирается так, чтобы St наименьшим образом отличалось от Sa ( t0 ). Знак приращения определяется направлением перемещения, найденного на основе анализа последовательности пересечений сигналами нулевого уровня. Аппаратно поправка может вычисляться различными способами, например путем аналого-цифрового преобразования сигнала Sa ( t) или путем формирования импульсов при каждом переходе сигналами уровней С алгоритмической точки зрения это не имеет значения. Форма сигналов индуктосинов более стабильная, поэтому для них величина п может достигать сотен. Для фотоэлектрических датчиков п обычно не превышает 5.10. Однако, учитывая существенно меньший шаг их линеек, они обеспечивают существенно меньшую дискретность отсчета перемещений. Из описания алгоритма работы вторичных преобразователей для датчиков с квадратурными сигналами следует, что эти преобразователи могут работать только в динамическом режиме. Информация о перемещения кареток при выключенных датчиках полностью теряется. Поэтому после включения датчика должна производиться установка нуля для координаты путем прохождения через нуль-метку, входящую в состав датчика, или касания точки с известной координатой. Ранее в состав вторичных преобразователей входили аналоговые устройства, компенсирующие нелинейность датчиков. Однако в настоящее время линеаризация чаще всего производится цифровыми вычислительными устройствами. Это может быть центральная ЭВМ, а иногда и специализированные микропроцессорные устройства, встраиваемые во вторичный преобразователь. Элементной базой вторичных преобразователей являются электронные компоненты широкого применения. В этом случае каждый ВИП представляет собой печатную плату, содержащую до нескольких десятков элементов. Для некоторых широко применяемых датчиков разработаны и серийно выпускаются специализированные микросхемы. Такие микросхемы существуют для индуктивных и растровых преобразователей перемещения, для термопар, тензорезисторов, для датчиков давления, преобразователей Холла и некоторых других. Эти микросхемы обеспечивают выполнение всех функций вторичных преобразователей. Например, микросхема для работы с индуктивными датчиками содержит мостовую схему, генератор для ее питания, фазовый детектор и усилитель. Причем, хотя эта микросхема разработана для индуктивных преобразователей, в принципе она может использоваться и для емкостных и резистивных датчиков. Использование специализированных микросхем приводит к существенному удешевлению и упрощению конструкции, поскольку в этом случае ВИП содержит одну специализированную микросхему и несколько дискретных элементов (резисторов, конденсаторов, дросселей), используемых для задания частоты, масштабных коэффициентов и т.п. При этом повышаются практически все технические показатели: точность, стабильность, надежность и др. Аналого-цифровые преобразователи (АЦП), независимо от области их применения, характеризуются следующими основными показателями: число разрядов выдаваемого кода п; диапазон преобразуемых напряжений Uv ; цена младшего разряда σ U; время преобразования tпр . Очевидно, что первые три показателя взаимосвязаны: Uv = 2 n σ U. К АЦП как к части измерительного канала предъявляется особое требование - стабильность цены младшего разряда во всем диапазоне преобразуемых напряжений, поскольку она непосредственно влияет на погрешность измерений. Выше мы уже касались аналого-цифрового преобразования, осуществляемого во вторичных преобразователях, использующих счетчики импульсов. Однако наибольшее применение находят серийно выпускаемые интегральные АЦП - одни из наиболее часто используемых универсальных электронных компонентов. В этих АЦП используются в основном три способа преобразования. 1) Преобразование напряжения в частоту с последующим измерением частоты. 2) Двойное интегрирование, при котором выходное напряжение интегратора возрастает линейно, со скоростью, пропорциональной преобразуемому сигналу, с измерением времени нарастания от нулевого до заданного фиксированного уровня. Время нарастания определяется путем подсчета числа импульсов. 3) Метод последовательного приближения или поразрядного уравновешивания, при котором число в выходном регистре, начиная со старшего разряда, увеличивается на единицу или остается нулевым в зависимости от результатов сравнения входного напряжения и напряжения на выходе цифро-аналогового преобразователя (ЦАП),преобразующего число, записанное в выходном регистре. В СИ обычно используются достаточно дешевые 10.14-разрядные АЦП с временем преобразования несколько микросекунд. Однако для особо точных исследований иногда используются более сложные и дорогие 16.20-разрядные АЦП с временем преобразования доли микросекунд. Таким образом, все ВИП представляют собой электронные устройства преобразования измерительной информации, методы построения которых изложены, например, в [14]. ВИП и АЦП, как и датчики, для разработчиков ИИС являются серийно выпускаемыми изделиями. Разрабатывать их для проектируемых ИИС, как правило, не требуется. Необходимо лишь провести технически грамотный выбор по каталогам, руководствуясь теми же принципами системности и агрегирования, как и при выборе других технических средств. вторичный измерительный преобразователь датчик Литература1. Автоматизация физических исследований и эксперимента: компьютерные измерения и виртуальные приборы на основе LabVIEW/ под ред. П.А. Бутыркина. - М.: ДМК-Пресс, 2005. - 264 с. 2. Анисимов Б.В., Голубкин В.Н. Аналоговые и гибридные вычислительные машины. - М.: Высшая школа, 1990., - 289 с. 3. Атамалян Э.Г. Приборы и методы измерения электрических величин. - М.: Дрофа, 2005. - 415 с. 4. Ацюковский В.А. Основы организации системы цифровых связей в сложных информационно-измерительных комплексах. - М.: Энергоатомиздат, 2001. - 97 с. 5. Барский А.Б. Нейронные сети. Распознавание, управление, принятие решений. - М.: Финансы и статистика, 2004. - 176 с. 6. Батоврин В., Бессонов А., Мошкин В. LabVIEW: Практикум по электронике и микропроцессорной технике. - М.: ДМК-Пресс, 2005 - 182 с. 7. Вентцелъ Е. С, Овчаров Л.А. Теория вероятностей и ее инженерные приложения. - М.: Высшая школа, 2007. - 491 с. 8. Волкова В.Н., Денисов А.А. Теория систем. - М.: Высшая школа, 2006. - 511 с. 9. ГОСТ Р 8.596-2002. ГСИ. Метрологическое обеспечение измерительных систем. Основные положения. 10. ГОСТ 16263-70. ГСИ. Метрология. Термины и определения. 11. ГОСТ 26016-81. Единая система стандартов приборостроения. Интерфейсы, признаки классификации и общие требования. 12. ГОСТ 8.437-81. ГСИ. Системы информационно-измерительные. Метрологическое обеспечение. Основные положения. 13. Грановский В.А. Системная метрология: метрологические системы и метрология систем. - СПб.: ГНЦ РФ ЦНИИ "Электроприбор", 1999. - 360 с. 14. Гутников В.С. Интегральная электроника в измерительных устройствах. - Л., 1988. - 304 с. 15. Демидович В.П., Марон И.А. Основы вычислительной математики. - М.: Наука, 1970. - 654 с. 16. Деч Р. Нелинейные преобразования случайных процессов. - М.: Советское радио, 1965. - 208 с. 17. Джексон Р.Г. Новейшие датчики. - М.: Техносфера, 2007. - 384 с. 18. Измерение электрических и неэлектрических величин / Н.Н. Евтихиев, Я.А. Купершмидт, В.Ф. Папуловский, В.Н. Скуго-ров; под общ. ред. Н.Н. Евтихиева. - М.: Энергоатомиздат, 1990. - 352 с. 19. Информационно-измерительная техника и технологии / В.И. Калашников, С.В. Нефедов, А.Б. Путилин и др.; под ред.Г. Г. Ра-неева. - М.: Высшая школа, 2002. - 454 с. 20. Калабеков В.В. Цифровые устройства и микропроцессорные системы. - М.: Радио и связь, 1997. - 336 с. 21. Карабутов Н.Н. Адаптивная идентификация систем. Информационный синтез. - М.: Едиториал УРСС, 2006. - 384 с. 22. Киреев В.И., Пантелеев А.В. Численные методы в примерах и задачах. - М.: Высшая школа, 2008. - 480 с. 23. Корнеенко В.П. Методы оптимизации. - М.: Высшая школа, 2007. - 664 с. 24. Максимей И.В. Имитационное моделирование на ЭВМ. - М.: Радио и связь, 1988. - 230 с. 25. Мезон С., Циммерман Г. Электронные цепи, сигналы и системы. - М.: Иностранная литература, 1963. - 594 с. 26. Метрологическое обеспечение измерительных информационных систем (теория, методология, организация) / Е.Т. Удовиченко, А.А. Брагин, А.Л. Семенюк и др. - М.: Издательство стандартов, 1991. - 192 с. 27. МИ 2438-97. ГСИ. Системы измерительные. Метрологическое обеспечение. Общие положения. 28. Мячев А.А., Степанов В.Н. Персональные ЭВМ и микроЭВМ. Основы организации. - М.: Радио и связь, 1991. - 320 с. 29. Новоселов О.Н., Фомин А.Ф. Основы теории и расчета информационно-измерительных систем. - М.: Машиностроение, 1991. - 336 с. 30. Островский Ю.И. Голография и ее применение. - М.: Наука, 1976. - 256 с. 31. Пантелеев А.В., Летова Т.А. Методы оптимизации в примерах и задачах. - М.: Высшая школа, 2008. - 544 с. 32. Потапов А.С. Распознавание образов и машинное восприятие. - СПб.: Политехника, 2007. - 546 с. 33. Путилин А.Б. Вычислительная техника и программирование в измерительных системах. - М.: Дрофа, 2006. - 416 с. 34. РМГ 29-99. Метрология. Основные термины и определения. 35. Рубичев Н.А., Фрумкин В.Д. Достоверность допускового контроля качества. - М.: Издательство стандартов, 1990. - 172 с. 36. Руководство по выражению неопределенности измерения / под ред.В.А. Слаева. - СПб.: ГП "ВНИИМ им Д.И. Менделеева", 1999. - 126 с. 37. Самарский А.А., Михайлов А.П. Математическое моделирование. - М.: Наука; Физматлит, 1997. - 428 с. 38. Советов Б.Я., Цехановский В.В. Информационные технологии. - М.: Высшая школа, 2008. - 263 с. 39. Уайлд Д.Дж. Методы поиска экстремума. - М.: Наука, 1967. - 268 с. 40. Ушаков И.А. Курс теории надежности систем. - М.: Дрофа, 2008. - 240 с. 41. Фомин Я.А. Теория выбросов случайных процессов. - М.: Связь, 1980. - 216 с. 42. Фрайден Дж. Современные датчики: справочник. - М.: Техносфера, 2005. - 592 с. 43. Фрумкин В.Д., Рубичев Н.А. Теория вероятностей и статистика в метрологии и измерительной технике. - М.: Машиностроение, 1987 - 168 с. 44. Хартман К. и др. Планирование эксперимента в исследовании технологических процессов. - М.: Мир, 1977. - 562 с. 45. Цапенко М.П. Измерительные информационные системы. - М.: Энергоатомиздат, 1985. - 357 с. 46. Чистяков В.П. Курс теории вероятностей. - М.: Дрофа, 2007. - 256 с. |

(2.1)

(2.5)

(2.6)