Курсовая работа: Проектирование асинхронного двигателя с короткозамкнутым ротором
|
Название: Проектирование асинхронного двигателя с короткозамкнутым ротором Раздел: Рефераты по физике Тип: курсовая работа | ||||||||||||||||||||||||||||||||||||||||||||||||||||||||||||||||||||||||||||||||||||||||||||||||||||||||||||||||||||||||||||||||||||||||||||||||||||||||
| МИНИСТЕРСТВО ОБРАЗОВАНИЯ И НАУКИ РЕСПУБЛИКИ КАЗАХСТАН Северо-Казахстанский государственный университет им. М. Козыбаева Факультет энергетики и машиностроения Кафедра энергетики и приборостроения КУРСОВАЯ РАБОТА На тему: «Проектирование асинхронного двигателя с короткозамкнутым ротором» по дисциплине – «Электрические машины» Выполнил Калантырев Научный руководитель д.т.н., проф. Н.В. Шатковская Петропавловск 2010 Содержание Введение 1. Выбор главных размеров 2. Определение числа пазов статора, витков в фазе обмотки сечения провода обмотки статора 3. Расчёт размеров зубцовой зоны статора и воздушного зазора 4. Расчёт ротора 5. Расчёт магнитной цепи 6. Параметры рабочего режима 7. Расчёт потерь 8. Расчёт рабочих характеристик 9. Тепловой расчёт 10. Расчёт рабочих характеристик по круговой диаграмме Приложение А Заключение Список литературы Введение Асинхронные двигатели являются основными преобразователями электрической энергии в механическую и составляют основу электропривода большинства механизмов. Серия 4А охватывает диапазон номинальных мощностей от 0,06 до 400 кВт и имеет 17 высот оси вращения от 50 до 355 мм. В данном курсовом проекте рассматривается следующий двигатель: - исполнение по степени защиты: IP23; - способ охлаждения: IС0141. Конструктивное исполнение по способу монтажа: IM1081 – по первой цифре – двигатель на лапах, с подшипниковыми щитами; по второй и третьей цифрам – с горизонтальным расположением вала и нижним расположением лап; по четвертой цифре – с одним цилиндрическим концом вала. Климатические условия работы: У3 – по букве – для умеренного климата; по цифре – для размещения в закрытых помещениях с естественной вентиляцией без искусственно регулируемых климатических условий, где колебания температуры и влажности воздуха, воздействия песка и пыли, солнечной радиации существенно меньше, чем на открытом воздухе каменные, бетонные, деревянные и другие, не отапливаемые помещения. 1. Выбор главных размеров 1.1 Определим число пар полюсов:
Тогда число полюсов 1.2 Определим высоту оси вращения графически: [1] по рисунку 9.18, б 1.3 Внутренний диаметр статора
где При Выберем значение
1.4 Определим полюсное деление
1.5 Определим расчётную мощность
где
Приближенные значения
1.6 Электромагнитные нагрузки А и Вd
определим графически по кривым [1] рисунок 9.23, б. При 1.7 Обмоточный коэффициент 1.8 Определим синхронную угловую скорость вала двигателя W:
где 1.9 Рассчитаем длину воздушного зазора
где
1.10 Критерием правильности выбора главных размеров в и
2. Определение числа пазов статора, витков в фазе обмотки и сечения провода обмотки статора 2.1 Определим предельные значения: t1
max
и t1
min
[1] рисунок 9.26. При 2.2 Число пазов статора:
Окончательно число пазов должно быть кратным значению числа пазов на полюс и фазу: q. Примем
где m - число фаз. 2.3 Окончательно определяем зубцовое деление статора:
2.4 Предварительный ток обмотки статора
2.5 Число эффективных проводников в пазу ( при условии
2.6 Принимаем число параллельных ветвей
2.7 Окончательное число витков в фазе обмотки и магнитный поток
2.8 Определим значения электрических и магнитных нагрузок:
Значения электрической и магнитных нагрузок незначительно отличаются от выбранных графически. 2.9 Выбор допустимой плотности тока производится с учётом линейной нагрузки двигателя:
где
2.10 Рассчитаем площадь сечения эфективных проводников:
Принимаем 2.11 Окончательно определим плотность тока в обмотке статора:
3. Расчёт размеров зубцовой зоны статора и воздушного зазора 3.1 Предварительно выберем электромагнитные индукции в ярме статора BZ
1
и в зубцах статора Ba
. При 3.2 Выберем марку стали 2013 [1] таблица 9.13 и коэффициент заполнения сталью магнитопроводов статора и ротора 3.3 По выбранным индукциям определим высоту ярма статора
3.4 Подберём высоту шлица 3.5 Определим размеры паза: высоту паза:
размеры паза в штампе Выберем
высоту клиновой части паза
Рисунок 3.1. Паз спроектированного двигателя с короткозамкнутым ротором 3.6 Определим размеры паза в свету с учётом припусков на шихтовку и сборку сердечников: ширину,
и высоту
Определим площадь поперечного сечения корпусной изоляции в пазу:
где
Расчитаем площадь поперечного сечения прокладок к пазу:
Определим площадь поперечного сечения паза для размещения проводников:
3.7 Критерием правильности выбранных размеров служит коэффициент заполнения паза
таким образом выбранные значения верны. 4. Расчёт ротора 4.1 Выберем высоту воздушного зазора в графически по [1] рисунок 9.31. При 4.2 Внешний диаметр короткозамкнутого ротора:
4.3 Длина ротора равна длине воздушного зазора: 4.4 Число пазов выберем из таблицы 9.18 [1], 4.5 Определяем величину зубцового деления ротора:
4.6 Значение коэффициента kB
для расчёта диаметра вала определим из таблицы 9.19 [1]. При Внутренний диаметр ротора равен:
4.7 Определим ток в стержне ротора:
где ki
- коэффициент, учитывающий влияние тока намагничивания и сопротивления обмоток на отношение
Тогда искомый ток в стержне ротора:
4.8 Определим площадь поперечного сечения стержня:
где
4.9 Паз ротора определяем по рисунку 9.40, б [1]. Принимаем Магнитную индукцию в зубце ротора Определим допустимую ширину зубца:
Расчитаем размеры паза: ширинуb1 и b2 :
высоту h1 :
Рассчитаем полную высоту паза ротора hП2 :
Уточним площадь сечения стержня
4.10 Определим плотность тока в стержне J2 :
Рисунок 4.1. Паз спроектированного двигателя с короткозамкнутым ротором 4.11 Рассчитаем площадь сечения короткозамыкающих колец qкл :
где
где тогда
4.12 Рассчитаем рамеры замыкающих колец
Уточним площадь сечения кольца:
5. Расчёт намагничивающего тока 5.1 Значение индукций в зубцах ротора и статора:
5.2 Расчитаем индукцию в ярме статора Ba :
5.3 Определим индукцию в ярме ротора Bj :
где h'j — расчетная высота ярма ротора, м. Для двигателей с 2р≥4 с посадкой сердечника ротора на втулку или на оребренный вал h'j определяют по формуле:
5.4 Магнитное напряжение воздушного зазора Fd :
где kд - коэффициент воздушного зазора, определим по формуле:
где
Магнитное напряжение воздушного зазора:
5.5 Магнитное напряжение зубцовых зон статора Fz 1 : Fz1 =2hz1 Hz1 , (5.8) где 2hz1 — расчетная высота зубца статора, м. Hz1
определим по [1] таблице П-1.7. При
5.6 Магнитное напряжение зубцовых зон ротора Fz 2 :
где
5.7 Рассчитаем коэффициент насыщения зубцовой зоны kz :
5.8 Найдём длину средней магнитной линии ярма статора La :
5.9 Определим напряженность поля Ha
при индукции Вa
по кривой намагничивания для ярма принятой марки стали 2013 [1] таблица П-1.6. При 5.10 Найдём магнитное напряжение ярма статора Fa :
5.11 Определим длину средней магнитной линии потока в ярме ротора Lj :
где hj - высота спинки ротора, находится по формуле:
5.12 Напряжённость поля Hj
при индукции Определим магнитное напряжение ярма ротора Fj :
5.13 Рассчитаем суммарное магнитное напряжение магнитной цепи машины (на пару полюсов) Fц :
5.14 Коэффициент насыщения магнитной цепи
5.15 Намагничивающий ток
Относительное значение намагничивающего тока
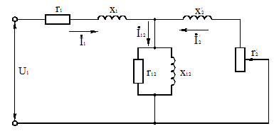
6. Параметры рабочего режимаПараметрами асинхронной машины называют активные и индуктивные сопротивления обмоток статора х1 , r1 , ротора r2 , x2 , сопротивление взаимной индуктивности х12 (или xм ),и расчетное сопротивление r12 (или rм ), введением которого учитывают влияние потерь в стали статора на характеристики двигателя. Схемы замещения фазы асинхронной машины, основанные на приведении процессов во вращающейся машине к неподвижной, приведены на рисунке 6.1. Физические процессы в асинхронной машине более наглядно отражает схема, изображенная на рисунке 6.1. Но для расчета удобнее преобразовать ее в схему, показанную на рисунке 6.2.
Рисунок 6.1. Схема замещения фазы обмотки приведенной асинхронной машины
Рисунок 6.2. Преобразованная схема замещения фазы обмотки приведенной асинхронной машины 6.1 Активное сопротивление фазы обмотки статора
где L1 - общая длина эффективных проводников фазы обмотки, м; а - число параллельных ветвей обмотки; с115
- удельное сопротивление материала обмотки (меди для статора) при расчетной температуре. Для меди kr - коэффициент увеличения активного сопротивления фазы обмотки от действия эффекта вытеснения тока. В проводниках обмотки статора асинхронных машин эффект вытеснения тока проявляется незначительно из-за малых размеров элементарных проводников. Поэтому в расчетах нормальных машин, как правило, принимают kr =1. 6.2 Общую длину проводников фазы обмотки L1 расcчитаем по формуле:
где lср - средняя длина витка обмотки, м. 6.3 Среднюю длину витка lср находят как сумму прямолинейных - пазовых и изогнутых лобовых частей катушки:
где lП
- длина пазовой части, равна конструктивной длине сердечников машины. lл - длина лобовой части. 6.4 Длина лобовой части катушки всыпной обмотки статора определяется по формуле:
где Кл
- коэффициент, значение которого зависит от числа пар полюсов, для bКТ - средняя ширина катушки, м, определяемая по дуге окружности, проходящей по серединам высоты пазов:
где b1
- относительное укорочение шага обмотки статора. Обычно принимают
Коэффициент
Средняя длина:
Общая длина эффективных проводников фазы обмотки:
Активное сопротивление фазы обмотки статора:
6.5 Определим длину вылета по лобовой части:
где Квыл
- коэффициент, определяемый по[1] таблице 9.23. 6.6 Определим относительное значение сопротивления фазы обмотки статора
6.7 Определим активное сопротивление фазы обмотки ротора r2 :
где rс - сопротивление стержня; rкл - сопротивление кольца. 6.8 Сопротивление стержня рассчитаем по формуле:
6.9 Рассчитаем сопротивление кольца:
Тогда активное сопротивление ротора:
6.10 Приведём r2
к числу витков обмотки статора, определим
6.11 Относительное значение сопротивления фазы обмотки ротора.
6.12 Индуктивное сопротивление фаз обмотки ротора:
где lп – коэффициент магнитной проводимости пазового ротора. Исходя из рисунка 9.50, e lп определим по формуле из [1] таблицы 9.26:
где (проводники закреплены пазовой крышкой).
Коэффициент магнитной проводимости лобового рассеяния:
Коэффициент магнитной проводимости дифференциального рассеяния, определим по формуле:
где где
По формуле (6.13) рассчитаем индуктивное сопротивление обмотки статора:
6.13 Определим относительное значение индуктивного сопротивления обмотки статора
6.14 Произведём расчёт индуктивного сопротивления фазы обмотки ротора по формуле:
где lп2 – коэффициент магнитной проводимости паза ротора; lл2 – коэффициент магнитной проводимости лобовой части ротора; lд2 – коэффициент магнитной проводимости дифференциального рассеяния ротора. Коэффициент магнитной проводимости паза ротора рассчитаем по формуле, исходя из [1] таблица 9.27:
где
6.15 Коэффициент магнитной проводимости лобовой части ротора определим по формуле:
6.16 Коэффициент магнитной проводимости дифференциального рассеяния ротора определим по формуле:
где
6.17 Найдём значение индуктивного сопротивления по формуле (6.19):
Приведём x2 к числу витков статора:
Относительное значение,
7. Расчёт потерь7.1 Рассчитаем основные потери в стали статора асинхронной машины по формуле:
где b – показатель степени, для марки стали 2013 kда
и kд
z
– коэффициенты, учитывающие влияние на потери в стали, для стали марки 2013 ma – масса ярма, считается по формуле:
где Масса зубцов статора:
7.2 Рассчитаем полные поверхностные потери в роторе:
где pпов2 – удельные поверхностные потери, определим по формуле:
где В02 – амплитуда пульсации индукции в воздушном зазоре, определим по формуле:
где 7.3 Рассчитаем удельные поверхностные потери по формуле (7.5):
7.4 Рассчитаем пульсационные потери в зубцах ротора:
где mz 2 – масса стали зубцов ротора; Впул2 – амплитуда магнитной пульсации в роторе.
7.5 Определим сумму добавочных потерь в стали:
7.6 Полные потери в стали:
7.7 Определим механические потери:
где 7.8 Рассчитаем добавочные потери при номинальном режиме:
7.9 Ток холостого хода двигателя:
где Iх.х.а. – активная составляющая тока холостого хода, её определим по формуле:
где Рэ.1 х.х. – электрические потери в статоре при холостом ходе:
7.10 Определим коэффициент мощности при холостом ходе:
8. Расчёт рабочих характеристик 8.1 Определим действительную часть сопротивления:
8.2 Мнимая часть сопротивления:
8.3 Постоянная электродвигателя:
8.4 Определим активную составляющую тока:
8.5 Определим величины:
8.6 Потери, не меняющиеся при изменении скольжения:
Принимаем Р2н =110кВт; U1н =220/380 В; 2p=10 I0 a =2,74 A; I0 p =Im =61,99 A; Pc т + Pмех =1985,25 Вт; r1 =0,0256 Oм; r¢2 =0,0205 Oм; с1 =1,039; а¢=1,0795; а=0,0266 Ом; b¢=0; b=0,26 Ом Таблица 8.1 Рабочие характеристики асинхронного двигателя
Рисунок 8.1. График зависимости
Рисунок 8.2. График зависимости КПД двигателя от мощности P2
Рисунок 8.3. График зависимости скольжения s двигателя от мощности P2
Рисунок 8.4. График зависимости тока статора I1 двигателя от мощности P2 9. Тепловой расчёт 9.1 Определим превышение температуры внутренней поверхности сердечника статора над температурой воздуха внутри двигателя:
где a1
– коэффициент теплоотдачи с поверхности, определим графически [1] рисунок 9.68, б,
где
9.2 Перепад температуры в изоляции пазовой части обмотки статора:
где Пп1 – периметр поперечного сечения паза статора, определим по формуле:
lэкв.
– средняя эквивалентная теплопроводимость пазовой части, для класса нагревостойкости F
9.3 Определим перепад температуры по толщине изоляции лобовых частей:
где Лобовые части обмотки статора не изолированы, поэтому
9.4 Рассчитаем превышение температуры наружной поверхности лобовых частей над температурой воздуха внутри машины:
9.5 Определим среднее превышение температуры обмотки статора над температурой воздуха внутри машины:
9.6 Рассчитаем среднее превышение температуры воздуха внутри машины над температурой окружающей среды:
где aв
– определим графически [1] рисунок 9.68,
где Рэ1 – электрические потери в обмотке статора при номинальном режиме; Рэ2 – электрические потери в обмотке ротора при номинальном режиме.
где Sкор. – площадь поверхности станины. Пр
определяем графически. При
9.7 Определим среднее превышение температуры обмотки статора над температурой окружающей среды:
9.8 Определим расход воздуха, требуемый для вентиляции:
9.9 Расход воздуха, обеспечиваемый наружным вентилятором при конструктивном исполнении, и размерах принятых в серии 4А может быть приближённо определён по формуле:
где n- частота вращения двигателя, об/мин;
10. Расчёт рабочих характеристик по круговой диаграмме 10.1 Сначала определим ток синхронного холостого хода по формуле:
где 10.2 Рассчитаем активное и индуктивное сопротивления короткого замыкания:
10.3 Рассчитаем масштабы круговой диаграммы: Масштаб тока равен:
где Dк
– диаметр круга диаграммы, выбирается из интервала: Масштаб мощности:
Масштаб момента:
Круговая диаграмма двигателя приведена ниже. Окружность диаметром Dк
с центром О¢ является геометрическим местом концов вектора тока статора двигателя при различных скольжениях. Точка А0
определяет положение конца вектора тока I0
при синхронном холостом ходе, а Промежуточные точки на дуге А0
А3
определяют положение концов вектора тока I1
при различных нагрузках в двигательном режиме
Рисунок 10.1. Круговая диаграмма Заключение В данном курсовом проекте был спроектирован асинхронный электродвигатель с короткозамкнутым ротором. В результате расчета были получены основные показатели для двигателя заданной мощности з и cosj, которые удовлетворяют предельно допустимым значением ГОСТа для серии двигателей 4А. Был произведен расчет и построение рабочих характеристик проектируемой машины. Таким образом, по данным расчета данному двигателю можно дать следующее условное обозначение: 4А315М10У3, где: 4 – порядковый номер серии; А – род двигателя – асинхронный; 315 – высота оси вращения; М – условная длина станины по МЭК; 10 – число полюсов; У – климатическое исполнение для умеренного климата; 3 – категория размещения. Номинальные данные спроектированного двигателя: Р2н =110 кВт, U1н =220/380 В, I1н =216 А, cosjн =0,83, hн =0,93. Список литературы 1. Проектирование электрических машин: Учеб. для вузов / П79 И.П. Копылов, Б.К. Клоков, В.П. Морозкин, Б.Ф. Токарев; Под ред. И.П. Копылова. – 4-е изд., перераб. и доп. - М.: Высш. шк., 2005. – 767 с.: ил. 2. Вольдек А.И., Попов В.В. Электрические машины. Машины переменного тока: Учебник для вузов. – СПб,: – Питер, 2007. –350 с. 3. Кацман М.М. Справочник по электрическим машинам: Учебное пособие для студентов образоват. учреждений сред. проф. образования/ Марк Михайлович Кацман. – М.: Издательский центр «Академия», 2005. – 480 с. Приложение А (обязательное)
Рисунок 1. Схема двухслойной обмотки с укороченным шагом, |
||||||||||||||||||||||||||||||||||||||||||||||||||||||||||||||||||||||||||||||||||||||||||||||||||||||||||||||||||||||||||||||||||||||||||||||||||||||||
, (1.4)
, (1.6)

, (4.6)
, (4.9)
, (4.14)
, (5.4)
, (5.5)
, (5.7)
, (5.13)

, (6.5)
, (6.14)
, (6.17)
,
, (6.20)
,
(6.22)
, (6.23)
.
, (7.1)
, (7.5)
, (7.7)
(8.4)


, (9.1)
, (9.2)
, (9.4)
, (9.6)
(9.8)
, (9.9)
, (9.12)
