Курсовая работа: Базисные структуры электронных схем
|
Название: Базисные структуры электронных схем Раздел: Рефераты по коммуникации и связи Тип: курсовая работа | |||||||||||||||||||||||||||||||||||||||||||||||||||||||||||||||||||||||||||||||||||||||
Содержание Введение 1 Одиночные каскады 2. Дифференциальные усилители3. Классификация способов перестройки параметров. Параметры управителей 4. Цифроуправляемые резисторы параллельной структуры 5. Влияние не идеальности электронных ключей на свойства базисных структур6. Цифроуправляемые проводимости лестничного типаБиблиографический список Введение В общем случае объединение отдельных электронных элементов в систему представляет собой восходящую ветвь проектной процедуры. В этой связи уровень сложности синтеза структуры определяется глубиной детализации ее компонент. Действительно, если в качестве простейших элементов цепи выбрать транзисторы, резисторы и конденсаторы, то число возможных вариантов их объединения в систему оказывается несоизмеримо больше аналогичных вариантов, соответствующих уровню – операционный усилитель, резистор и конденсатор. Увеличение числа возможных вариантов решения конкретной задачи может повысить количество перспективных по совокупности критериев качества схемных конфигураций. В то же время очевидная функциональная полнота в силу чрезвычайно большого числа структурных и иных преобразований, связанных с процессом математических преобразований, заметно повышает степень риска. Разумным компромиссом в создавшемся положении является стратегия декомпозиции общей задачи синтеза сложно-функциональных (СФ) блоков, выделения набора базисных структур, принцип построения которых базируется на достижениях базовых технологических ограничениях. Простейшими базисными структурами являются одиночные каскады, дифференциальные усилители и, в первую очередь, операционные усилители (ОУ), а также резистивные и емкостные двухполюсники. При построении перестраиваемых устройств в состав таких структур должны входить управители, обеспечивающие целенаправленное изменение их параметров. Хорошо отработанные технологические процессы в микроэлектронике позволяют создавать как пассивные, так и активные управляющие многополюсники, реализующие принцип переменной крутизны. Исследование параметров и схем замещения таких устройств показывает, что их применение в качестве управителей требует создания специализированных базисных структур и, следовательно, нового класса обобщенных структур. резистор дифференциальный усилитель 1. Одиночные каскады Настоящий этап базисных структур необходим для создания обобщенных структур, анализ которых позволяет установить базовые (фундаментальные) ограничения, характерные для микросхемотехники на компонентном уровне. В зависимости от типа полупроводникового прибора (транзистора) различаются группы малосигнальных параметров, которые определяют их основные свойства. Однако всегда такие каскады делятся на инвертирующие, неинвертирующие и повторители напряжения (рис. 1, 2 и 3).
а) б) Рис. 1. Инвертирующие каскады с общим эмиттером (а) и общим истоком (б)
а) б) Рис. 2. Неинвертирующие каскады с общей базой (а) и общим затвором (б)
а) б) Рис. 3. Повторители напряжения: а) эмиттерный; б) истоковый Анализ свойств таких каскадов приводит к следующим основным результатам. Во-первых, коэффициенты передачи инвентирующих и неинвертирующих способов подключения источника входного сигнала совпадают и отличаются только знаком (свойство инверсии фазы активного элемента). Для каскадов на биполярных транзисторах:
– для каскадов на полевых транзисторах:
Во-вторых, для повторителей напряжения: – для каскада с общим коллектором:
– для каскада с общим стоком:
Независимо от способа включения транзистора в широком диапазоне частот передаточную функцию каскада можно представить в следующем приемлемом для практики виде
где
где Из методических соображений отметим, что в этом случае уменьшается коэффициент передачи любой из схем, но также и увеличивается диапазон рабочих частот. Этот качественный вывод входит в структуру языка аналоговой схемотехники. Достаточно часто с целью упрощения и унификации математических соотношений используется понятие эквивалентной крутизны
и эквивалентного сопротивления нагрузки
Тогда
В каскадах с разделенной нагрузкой (рис. 4)
а) б) Рис. 4. Каскады с разделенной нагрузкой: а) на биполярном и б) полевом транзисторах Существует достаточно простая связь между соответствующими коэффициентами усиления которая практически всегда упрощает математические преобразования в обобщенных структурах.
Отметим достаточно важные для формирования критериев синтеза структур следующие из приведенных соотношений свойства простейших каскадов. Во-первых, независимо от способа увеличения коэффициента передачи инвертирующего или неинвертирующего каскада пропорционально уменьшается его диапазон рабочих частот. Во-вторых, уменьшение постоянной времени ( 2. Дифференциальные усилителиСреди разнообразных базовых узлов функциональных устройств, СФ блоков и аналоговых микросхем среднего уровня интеграции особое место занимают дифференциальные усилители, которые являются базовыми активными элементами более сложных аналоговых и дискретно-аналоговых модулей СнК. Эволюционное развитие схемотехники и технологии этих активных элементов привело к созданию узкоспециализированных, но достаточно дешевых кристаллов либо IP блоков, выполняющих функции операционных усилителей и видеоусилителей.Современные операционные усилители также представляют собой наиболее массовый класс аналоговых микросхем, который подразделяется на ОУ широкого применения, микромощные ОУ, малошумящие ОУ и высокоскоростные ОУ. Отличие их основных параметров обеспечивается не только применением специальных схемотехнических решений, но и потребляемым от источников питания током (рис. 5–7).
Рис. 5. Шумовые свойства операционных усилителей
Рис. 6. Частотные свойства операционных усилителей
Рис. 7. Скоростные свойства операционных усилителей Представленные зависимости получены на основании анализа современных ОУ фирмы Analog Devices, являющейся мировым лидером в этом классе аналоговых микросхем и технологии их производства. Как видно из графиков, наиболее «дорогими» с энергетической точки зрения являются высокоскоростные ОУ, характеризуемые в силу схемотехнических особенностей достаточно большим собственным шумом, который соизмерим с шумом микромощных ОУ. В то же время малошумящие ОУ по ряду параметров соизмеримы со своими микромощными и высокоскоростными аналогами. Существующее соотношение параметров современных операционных усилителей открывает широкие перспективы в области создания на их основе прецизионных и экономичных схем самого широкого функционального назначения. Кроме этого, ОУ класса «широкого применения» практически всегда входят в состав различных БМК и специальных матриц, что позволяет реализовать специализированные микросхемы с уникальными свойствами. Важный сектор в классе микромощных операционных усилителей занимают относительно дешевые изделия, которые при трехвольтовом питании потребляют ток от 12 до 500 мкА. Сравнение базовых параметров таких ОУ приведено на рис. 8. Показатель
Рис. 8. Сравнительные оценки трехвольтовых ОУ На этом уровне относительно хорошо выглядит «старый» отечественный ОУ 140УД12, который при указанном напряжении питания и приведенном показателе С точки зрения решения широкого круга практических задач создания аналоговых и аналого-цифровых интерфейсов необходима схемотехника широкодиапазонных специализированных ОУ, ориентированных на конкретную технологию. Именно здесь оказываются востребованными многие новые архитектуры и структурные методы оптимизации отдельных каскадов [1, 7, 8]. Такие усилители на базе схем с собственной и взаимной компенсацией влияния их частоты единичного усиления обеспечивают принципиально новое качество РЭА [1]. Особое место среди активных элементов занимают видеоусилители, имеющие, как правило, единичный коэффициент передачи при высоких частотных свойствах (рис. 9).
Рис. 9. Частотные и скоростные свойства видеоусилителей Однако их входное сопротивление по инвертирующему входу значительно меньше, чем по неинвертирующему, что и объясняет невысокий коэффициент ослабления синфазного сигнала. Отличительной особенностью таких активных элементов является также относительно низкий собственный шум (рис. 10), что и привлекает к ним особое внимание. Достижения субмикронной технологии и микросхемотехники привели к появлению ряда ОУ, обеспечивающих преобразование сигнала в области высоких и сверхвысоких частот. Однако достижение таких качественных показателей сопровождается резким увеличением потребляемой от источников питания мощности (ток покоя превышает 20 мА). Отмеченное делает проблематичным их использование в микросхемах высокого уровня интеграции, где отвод тепла приводит к принципиальным технологическим проблемам.
Рис. 10. Шумовые свойства видеоусилителей Введенный ранее показатель качества ОУ можно распространить и на другие параметры этих активных элементов. Действительно, характеризуют качество схемотехнических решений. Сравнение рассмотренных ранее активных элементов приведено на рис. 11.
Рис. 11. Сравнение различных типов ОУ В реальных системах связи, диагностики и автоматического управления линейные аналоговые устройства взаимодействуют с датчиками и АЦП, поэтому в диапазоне частот до 100 МГц при стандартном уровне опорного напряжения 2,5 В скорость нарастания в 10–100 В/мкс оказывается достаточной. Так, относительно «старый» ОУ ОР-37 (140УД26), имеющий S=10B/мкс, при напряжении питания ±15 В обеспечивает на частоте 1 МГц максимальный уровень выходного напряжения 2,5 В. В этой связи для СнК и СФ блоков необходима разработка нового поколения ОУ, сочетающих широкодиапазонность с энергоэкономичными режимами их работы, а также дальнейшее совершенствование схемотехники функциональных устройств на их основе. 3. Классификация способов перестройки параметров. Параметры управителей В высококачественных перестраиваемых устройствах целенаправленн ое изменение характеристик и параметров производится в основном ци фроуправляемыми проводимостями ( ЦУП), состоящими из набора рез исторов и электронных ключей. Такие узлы (управители) в общем случае могут иметь произвольную структуру. Наиболее технологичными для современной ми кроэлектро ники являются па раллельные ЦУ П и резистивные лестничные матрицы типа R-2R, которые, наряду с дифференциальными усилителями, должны входить в состав базисных структур. Принципиально построение перестраиваемых фильтров, коррек т оров возможно на основе любых схемных решений , выполненных средствами современной технологии . О днако в отличие от устройств с фиксированными параметра ми, где относительно высокие качественные показатели можно в ряде случаев обеспечить параметрической оптимизацией в пространстве элементов цепи, в пе рестраива емых схем ах, это, как правило, дости гается применением «хорош их» структур. Такие структуры должны иметь высокие потенциальные возможности, обеспечивающие необход имые качественные показатели при любых, даже неблаго приятных, сочетани ях па раметров, подвергающихся целенаправленному изменению. Многочисленные исследования показываю т, что наилучшими качественными показателями в этом отношении характеризуются схемы с решающими усилителями [6, 11]. В схемах с реш аю щими усилителями основная группа элементов перестройки в силу чрезвычай но низкого рассогласования на инвертирующем вхо де ОУ (узел bj ) пре дставляет собо й набор исто чников тока, управляемых напря жением (И ТУ Н) [6] , с крутизной преобразования ( Ski ) (рис. 12). Узел
Рис. 12. Особенность управителей в схемах с решающими усилителями Простейшим ИТУНом является трехпол юс ник, в продольной ветви которого вклю чается резистор или конденсатор. Такой управитель (рис. 13) обеспечивает прямую перестрой ку параметров. Сущность «косвенной перестрой ки» [6] состоит в следующем. Выделим в ветви Y(рис. 13а) изм еняемую yv и постоянную yc части проводимости. И спользуя теорему о компенсации, перейдем к цепи с управляемым источником ЭДС (рис. 13б):
Рис. 13. Переход от прямой (а) к косвенной (б) перестройке параметров Для эквивалентности цепей необходимо обес печить равенство токов и потенциалов. Так как y = yc (1-хн ), (15) и, следовательно, изменение эквивалентного значения Y в цепи возможно через (рис. 14а), который обеспечив ает предварительное масштабирование напряжения в структуре ИТУНа.
Рис. 14. Косвенная перестройка параметров с масштабированием напряжения (а) и тока (б) в ARC-схемах с решающими усилителями Аналогично можно
воспроизвести вариант с м
асштабированием тока (рис. 14б). П
риведенные выше соотнош
ения наглядно иллю
стрируют х
орошо известное явление деформации затухания в м
остовых RС-цепях при косвенной перестрой
ке частоты полюса посредством разделения плеч,
где резистивный
делитель и электронн
ый усилитель не обеспечив
ают зависимости Масштабирование напряжения (изм енение напряжения на входе решающего бл ока через аен , так же как и масштабиров ание тока (изменение зарядного или выходного тока через ае1 ) может осуществляться в конкретных случаях либо резистивными делителями, либо усилителями напряжения (тока). Первый путь реализации можно назвать «пассивная косвенная перестрой ка», а второй – «активная косвенная перестройка». Можно указать еще один (комбинированный) способ управлен ия параметрами, существо которого заключается в одноврем енном изменении не только хн (хI ), но и проводимости Yc . Наиболее простой, но не гарантирующий получения оптимального реш ения способ проектирования обсуждаемых устрой ств опирается на замену решающих усилителей в структурах с ф иксированными параметрами на аналогичные блоки с перестраив аемыми парам етрами [6]. Для выяснения степени равноценности замены необход имо рассмотреть решающие усилители с преобразователями напряжение-ток обобщенной структуры. Настоящие преобразователи могут использоваться как в цепи прямой пе редачи (рис. 15а), так и в контуре обратной связи ОУ (рис. 15б). Конкретный способ включения ИТУНа и тип проводимости Y0 зависят от характера выполняе мой операции и в общем случае определяются структурой пер естраива емой схемы.
а)
б) Рис. 15. Решающие усилители с преобразователями напряжение-ток в цепи прямой передачи (а) и контуре обратной связи (б) ОУ Передаточные функции для схемы рис. 15а
и для схемы рис. 15б
показывают, что, на
ряду с крутизн
ой короткого замыкания (
Sk
)
, определяющей
совместно с Y0
математическую операцию Sk
/Y0
или
Y0
/Sk
,
важней
шим параметром уп
равителей является коэфф
ициент их перед
ачи на холостом ходу (
Kx
),
характеризующий
степень влияния коэфф
ициента передачи (
Показатели качества цепи, определяющие ее частотный и динамический диапазон, для исследуемых схем имеют следующи й вид:
и существенно зависят от значения Kx , поэтому сопоставление различных управителей должно сопр овождаться анализом Kxmin . 4. Цифроуправляемые резисторы пар аллельной структуры Результаты анализа решающих блоков показывают, что миним альное влияние неидеальностей ак тивных элементов обеспечивается применением обычного набора переклю чаемых резисторов, обеспечивающих прямую перестройку (рис. 16).
Рис. 16. Набор переключаемых проводимостей
Рис. 17. Эквивалентная схема пассивного трехполюсника Дей ствительно,
Однако при больш
ом диапазоне перестройки ( На рис. 17 представлена эквивалентная схема па ссивного трехполюсника, где число пар аллельно соединенных Т-образных групп ( Y1 ,Y2 ,Y3 ) может быть произвольн ым. Крутизна преобразовани я при коротком замыкании на выходе определяется выражением, из которого следует, что все проводимости Y1 или Y2 зависят от соо тношения сопротивлений оставшихся ветвей. Отмеченное позволяет выделить два основных принци па реализации управляющих че тырехполюсников с цифроуправляемыми проводим остями (табл. 1). Таблица 1 Принципы реализации ЦУП
Первый принцип предусматривает п реобразование входного напряжения посредством Y1 и Y3 ,а ЦУП включаются в ветви Y0 и Y2 . В рамках второго принципа проис ходит масштабирован ие тока на Y2 и Y3 , а ЦУП испо льзуется вместо Y 0 и Y1 [6]. В приве
денных в табл. 1 соотношениях для крутизны короткого замыкания и коэфф
ициента холостого хода
необходимо учитывать при определении сопро тивлений разрядных резисторов, вводить в закон управления или предусматривать другие меры обеспечения допустимой методической погрешности Sk1 и Sk 2 :
Настоящие погреш ности зависят от состояния электронных ключей, поэтому при большом диапазоне пер естройки целесообразно рассматривать их максимальные значения, численно равные соответствую щим остаточным членам (22). Микроэлектронные резистивные наборы, предназначенные для специализированных устрой ств контро льно-измерительной техники, содержат проводимости, выполнен ные п о двоичному закону. В этом случае
как для преобразования нап ряжения, так и для преобразовани я тока.
– для четырехполюсника с преобразование м напряжения:
– для четырехполюсника с преобразованием тока:
Настоящие соотношения показывают, что при задан
ной методической погрешности
Рис. 18. Зависимость Кх управляющих четырехполюсников от диапазона перестройки D На рис. 18 приведены зависимости 5. Влияние неидеальности электронных ключей на свойства базисных структурПри построении ЦУП в качестве коммутаторов чаще всего испол ьзуются МДП ключи (рис. 19, 20).
Рис. 19. Принципиальная (а) и эквивалентная (б) схемы i-й ветви ЦУП
Рис. 20. Принципиальная (а) и эквивалентная (б) схемы i-й ветви ЦУП Широкий диапазон рабочих частот обусловливает в перестраиваемых схемах д оп олнительный и сточник погрешности, связанный с влиянием паразитных емкостей настоящих ключей и конечного сопротивления канала полевого тран зистора. Рассмотр ение эквивалентных схем i -й ветви ЦУП (рис. 19, 20) (26, 27) показывает, что сильное влияние неидеальности электронного ключа проявляется в разомкнутом состоян ии последнего, когда сопро тивление канала ( R0 кл ) очень велико. Для выяснения степени влияния сложных ЦУП на характеристики проектируемых схем можно использовать «структурно-параметрическую» суперпозицию, когда тот или иной элемент схемы в анализируемой ф ункции заменяется его экви валентом или более точной математической моделью. Поэтому з ад ача анализа влияния неидеальности электронных клю чей на свойства схем заключа ется в нахождении крутизны преобра зования
через комплексные про
водимости Экв ивалентные схемы, изображенные на р ис. 19 и 20, одно значно определяют основную составляющую (19)
Где
В табл. 2 при ведены важнейшие в пра ктическом отношении варианты включения э лектро нного комм утатора на по левом транзисторе. Таблица 2 Базовые соотношения для i-й ветви ЦУП
Причем незави сим о от рассматриваемого случая
и, следователь но, амплитудно- и фазочастотные характеристики определяются из следующих выраж ений:
Изучение особенностей АЧХ и ФЧХ (рис. 21) в двух характерн ых реж имах показывает, что: – для разомкнутого ключа:
– для замкнутого ключа:
Рис. 21. Нормированная амплитудно-частотная (а) и фазочастотная (б) характеристика эквивалентной крутизны i-й ветви ЦУП В общем случае для расширения диапазон
а рабочи
х ча
стот н
еобходимо увеличивать
Существенное снижение погрешностей крутизны преобразования обеспечивается «переносом» отключаемой проводимости в эквипотенциальные узлы, которыми в схемах с решающими усилителями являются инвертирующий вход ОУ и общая шина устрой ства. Один из возможных способов переключения
i-й(
j-й) ветв
и ЦУП показан на рис. 22. В разомкнутом состоянии (
ai
=0) сопротивление канала полевого транзистора велико (
R0
кл1
>>Ri
), и передача тока в ветвь yi
(рис. 22а) ослабляется дели
телем, образованным сопротивлением канала открытого транзистора V2 и Ri
(
R1
кл2
<< Ri
)
. Аналогичные проц
ессы имею
т место
при комм
утации тока (рис. 22б).
В зам
кнутом состоянии (
Рис. 22. Принципы и реализация переноса проводимости при коммутации напряжения (а) и тока (б) Детальный анализ частотных и скажений в i-й ветви ЦУП осуществляется через п ередаточную ф ункцию
Все составляющие с индексом 1 соответствуют
V1 ,
а с индексом 2 – V2. Структура постоянных времени Таблица 3 Варианты формирования постоянной времени ЦУП
Линейные искажения крутизны определяются через амплитудно-частотную
и фазочастотную характеристики
Анализ приведенных соотношений по казывает, что значения (рис. 23) : – для разомкнутого состояния (
– для замкнутого с
остояния (
ai
=1),
как и асим
птоты
оказываю тся более благоприятными по срав нению с вариантом реали зации i -й ветви с одним комм утаторо м.
(a) (б) Рис. 23. Нормированная амплитудно-частотная (a) и фазочастотная (б) характеристики эквивалентной крутизны i-й ветви ЦУП Более детальное рассмотрение показывает, что выборо м
можно по сравнению
с ран
ее рассмотренным случаем значи
тельно повысить Некоторо е уменьш ение аналогичного пока зателя при a =1
как правило, нез начительно и изменяет Ski в области частот, превышающих рабочие. Полученные результаты показывают, что для снижения влияния электронных ключей на характеристики управителей в ЦУП необходимо использовать для каждой ветви индивидуальные аен (аеI ) при оп тимальном со противлении их ветвей. Такая структура многополюсника наиболее удачно реализуется в лестничных резистивных матрицах. Однако построение ЦУП с переносом отключаемой про водимости повышает влияние опер ационного уси лителя на характеристики проектируемого устрой ства. Дей ствительно, подключение провод имости м ежду инвертирую щим входом и обще й шино й снижает эквивалентное вход ное сопро ти вление ОУ. В этом отношении схема с коммутацией тока (рис. 22б) имеет определенные преимущества, т.к. вход ная проводимость изменяется только на величину вы ходной про водимости закрытого ключа, тогда как в схеме с комм утацией напряжени я (рис. 22a) yi соединяется с общей шиной через замкн уты й ключ V2. Целесообразно отме тить высокое быстродействие реализации, приведенной на рис. 22б, где ключ комм ути рует Yi между двум я практически эквипотенциаль ными узлами. Последнее существенно снижает длительность переходных процессов в резистивно й части управителей. Настоящие выводы, однако, не ука зы ваю т на по лное преимущество схемы с коммутацией тока. Б олее детальное рассмотрение характера подключаемой проводимости указывает на ее емкостный характер, что может снизить в схеме запас устойчивости или даже привести к самовозбуждению . При коммутации напряжения вносимая часть входной проводимости оп ределяется практически только Yi (сопротивлением замкнутого ключа V2 можно пренебречь). Отмеченное ранее повышение влияния ОУ можно предотвратить введением дополнительного ключа, как это показан о на рис. 24.
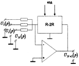
Рис. 24. Повышение ресурса цепи в ЦУП с коммутацией напряженияДейс твительно, теперь в анализируемом режиме Yi подклю чается ко входу через разомкнутый ключ. 6. Цифроуправляемые проводимости лестничного типаРанее были рассмотрены управляю щие четырехполю сники с масштабированием напряжения и тока, которые в k раз (см. табл. 1) сни жали отношение разрядных сопротивлений. Настоящая величина может быть предельно снижена обеспечением индивидуального значения k для каждого разряда, тогда путем эквивален тных преобразований резистивных делителей мо жно при сохранении двоичног о закона перестро йки получить лестничные резистивные схемы типа R-2R (рис. 25, 26). Идентичность ф изических процессов в рассматриваемых цепях и их ан алогах показывает, что управляющий четырехполюсник с суммированием токов (рис. 26) имеет по отно шению к варианту, при веденному на рис. 25, такие же преимущества, как и схема с масш табированием напряжени я по отношению к схеме с масштабированием тока (табл. 1). Действительно, в управляющем четырехполю снике с масштабированием тока
где y=1/ R – базовая проводимость лестничной цепи. В аналогичной лестничной схеме с сум мировани ем токов при той же ф ункциональной зависимости эквивалентной крутизн ы ( S k ) коэфф ициент передачи управителя в режим е холостого хода ( Kx ) имеет следующее аналитическое вы ражение:
Рис. 25. Лестничная резистивная схема в режиме масштабирования тока
Рис. 26. Суммирование токов в лестничной резистивной схеме (режим масштабирования напряжения) Изучение приведенных соотношений пока
зывает, что максимально
е влияние пар
аметров операцио
нных усилителей на характеристики решающих блоков (
Kxmin
)д
остигается при
Рис. 27. Функциональная зависимость коэффициента холостого хода лестничной цепи при масштабировании тока (кривая 1) и при масштабировании напряжения (кривая 2) Рассматриваемые управители можно аналогично с ЦУП параллельной структуры использовать в схемотехнике решающих бло ков (табл. 4) как в цепи прямой передачи сигналов (схемы 1 и 2), так и в кон туре обратной связи (схемы 3 и 4). Таблица 4 Решающие усилители с матрицами R-2R
Библиографический список 1. Капустян, В.И. Проектирование активных RC-фильтров высокого порядка [Текст] / В.И. Капустян. – М. : Радио и связь, 2009. – 159 с. 2. Каталог разработок Российско-Белорусского центра аналоговой микросхемотехники [Текст] / под ред. С.Г. Крутчинского. – Шахты : Изд-во ЮРГУЭС, 2006. – С. 96. 3. Квакернаак, Х. Линейные оптимальные системы управления [Текст] : пер. с англ. / Х. Квакернаак, Р. Сиван. – М. : Мир, 2007. – 650 с. 4. Коротков, А.С. Микроэлектронные аналоговые фильтры на преобразователях импеданса [Текст] / А.С. Коротков. – СПб. : Наука, 2009. – 416 с. 5. Красовский, А.А. Алгоритмические основы оптимальных адаптивных регуляторов нового класса [Текст] / А.А. Красовский // Автоматика и телемеханика. – 2006. – № 9. – С 104–116. 6. Крутчинский, С.Г. Активные R-фильтры СВЧ диапазона [Текст] / С.Г. Крутчинский, Е.И. Старченко, А.И. Гавлицкий // Проблемы современной аналоговой микросхемотехники : труды 6-го Международного НПС. – 2007. – Ч. 1. – С. 126–133. 7. Крутчинский, С.Г. Аналого-цифровые интерфейсы микроконтроллерных адаптивных регуляторов циклического типа для объектов электроэнергетики [Текст] / С.Г. Крутчинский // Известия РАН. Автоматика и телемеханика. – 2006. – № 5. – С. 163–174. 8. Крутчинский, С.Г. Аналоговый интерфейс трехкоординатного акселерометра на базе радиационностойкого АБМС [Текст] / С.Г. Крутчинский, А.В. Нефедова // Проблемы современной аналоговой микросхемотехники : труды 6-го Междунар. НПС. – 2007. – Ч. 2. – С. 19–24. 9. Крутчинский, С.Г. Микросхемотехника сложных аналоговых функциональных блоков систем на кристалле [Текст] / С.Г. Крутчинский // Проблемы современной аналоговой микросхемотехники : труды Междунар. НПС. – 2008. – С. 4–10. 10. Крутчинский, С.Г. Мультидифференциальные операционные усилители и прецизионная микросхемотехника [Текст] / С.Г. Крутчинский, Е.И. Старченко // Проблемы современной аналоговой микросистемотехники : сборник трудов МНПС. – 2009. – С. 125–137. 11. Крутчинский, С.Г. Мультидифференциальныеоперационные усилители и прецизионная микросхемотехника [Текст] / С.Г. Крутчинский, Е.И. Старченко // Электроника и связь. – 2010. – № 20. – С. 37–45. 12. Крутчинский, С.Г. Мультидифференциальные операционные усилители. Особенности схемотехники и практического применения [Текст] / С.Г. Крутчинский, Е.И. Старченко // Актуальные проблемы твердотельной электроники и микроэлектроники : труды 8-й Междунар. НТК, г. Таганрог, 14–19 сент. 2002 г. 13. Крутчинский, С.Г. Основы схемотехнического проектирования активных фильтров ВЧ и СВЧ диапазонов [Текст] / С.Г. Крутчинский // Проблемы современной аналоговой микросхемотехники : труды 6-го Междунар. НПС. – 2007. – Ч. 1. – С. 120–125. 14. Крутчинский, С.Г. Особенности структурного синтеза принципиальных схем микроэлектронных устройств частотной селекции [Текст] / С.Г. Крутчинский // Микроэлектроника. – 2006. – № 4. 15. Крутчинский, С.Г. Особенность структурного синтеза нестационарных ARC-устройств с цифроуправляемыми проводимостями [Текст] / С.Г. Крутчинский, С.Г. Чибизов // Проблемы современной аналоговой микросхемотехники : труды Междунар. НПС. – Ч. 2. – С. 147–151. 16. Крутчинский, С.Г. Повышение точности перестраиваемых ARC-схем с ЦАП [Текст] / С.Г. Крутчинский, В.В. Черников // Избирательные системы с обратной связью. – Таганрог, 2007. – Вып. 6. – С. 55–60. 17. Крутчинский, С.Г. Прецизионные программируемые усилители аналогового интерфейса [Текст] / С.Г. Крутчинский, И.П. Щербинин // Электроника и связь. – 2009. – № 14. – С. 112–116. 18. Крутчинский, С.Г. Прецизионный сенсорный интерфейс интеллектуальных датчиков [Текст] / С.Г. Крутчинский, И.П. Щербинин, В.Д. Гура // Проблемы современной аналоговой микросхемотехники : труды Междунар. НПС. – 2006. – С. 10–15. 19. Крутчинский, С.Г. Проектирование низкочувствительных звеньев с нулевыми цепями [Текст] / С.Г. Крутчинский // Радиоэлектроника. – 2007. – № 5. 20. Крутчинский, С.Г. Расширение диапазона перестройки аналоговых ARC-фильтров [Текст] / С.Г. Крутчинский, Ю.И. Иванов // Электроника и связь : тем. выпуск по материалам Междунар. НТК «Проблемы физической и биомедицинской электроники». – Киев, 2009. 21. Крутчинский, С.Г. Расширение диапазона рабочих частот ограничителей спектра с низким дрейфом нуля [Текст] / С.Г. Крутчинский, Д.А.Щекин // Проблемы современной аналоговой микросхемотехники : сборник материалов Междунар. науч.-практ. семинара. – Шахты, 2009. – С. 83–89. 22. Крутчинский, С.Г. Расширение диапазона рабочих частот перестраиваемых ARC-устройств [Текст] / С.Г. Крутчинский // Радиоэлектроника. – № 11. – Т. 31. – С. 74–76. 23. Крутчинский, С.Г. Синтез структур аналоговых интерфейсных ус-ройств [Текст] / С.Г. Крутчинский // Электроника и связь. – 2010. – № 8. – Т. 2. – С. 320–324. |
|||||||||||||||||||||||||||||||||||||||||||||||||||||||||||||||||||||||||||||||||||||||



; (1)
; (3)
. (4)
, (5)
, (7)
или
(8)






(12)

. (14)



(16)
(17)
(18)
(19)

(21)



(22)
( 23)
.(24)
(25)
Соответствующим изме
(26)
(27)
(28)
.(29)


(31)
(32)
; (33)
. (34)
; (35)
. (36)

. (38)



(39)
. (40)
(41)
(42)
(43)
, (44)



















Анализ приведенных в табл. 4 соотношений показывает, что с точки зрения выполняемой математической операции и показателей качества оба