Реферат: Выбор селективных систем преселектора
|
Название: Выбор селективных систем преселектора Раздел: Рефераты по коммуникации и связи Тип: реферат | ||||||||||||
|
Задание на курсовое проектирование 1. Выбор селективных систем преселектора 2. Расчет допустимого коэффициента шума приемного устройства 3. Расчет требуемого коэффициента передачи приемника 4. Синтез структурной схемы приемника 5. Выбор интегральных микросхем 6. Расчет одноконтурной входной цепи 7. Расчет резонансного УРЧ 8. Расчет ФСС 9. Требования предъявляемые к УНЧ 10. Требования предъявляемые к схеме питания приемного устройства 11. Структурная схема спроектированного приемного устройства Задание на курсовое проектированиеДиапазон рабочих частот.88-108 МГц; Чувствительность 15мкВ; Сопротивление антенны. Rа =75 Ом; Вид модуляции частотная; Отношение сигнал/шум на выходе линейной части16дБ; Параметры модулирующего сигнала. 50-10кГц; Девиация частоты. 75кГц; Селективность по соседнему каналу 45дБ; Селективность по зеркальному каналу50дБ; Селективность по каналу прямого прохождения 60дБ; Уровень выходного сигнала. 10Вт x 8 Ом; Относительная нестабильность частоты гетеродина dfг . 10-3 ; Относительная нестабильность частоты передатчика dfп 10-7 ; Расстройка по соседнему каналу. 250кГц Изменение уровня выходного сигнала на 5дБ при изменении уровня входного сигнала на 65дБ; Питание 220В при частоте 50Гц; 1. Выбор селективных систем преселектораСелективные системы преселектора обеспечивают подавление помех по дополнительным каналам приема. В диапазонных приемниках в преселекторе применяются, как правило, перестраиваемые одиночные контуры или пара связанных контуров. Селективная система преселектора выбирается из условия обеспечения подавления помех по зеркальному каналу. Для этого нужно оценить возможность подавления помех одиночным контуром Se1 и двумя связанными контурами Se2 . Методика расчета аналогичная [1]. Исходными данными для расчета селективности являются: fmin = 88МГц-нижняя частота диапазона fmax = 108МГц-верхняя частота диапазона dэ =0. 016-значение нагруженного затухания контура соответствующее заданному диапазону; fпр = 10. 7МГц-промежуточная частота · Для верхней настройки гетеродина fзк =f0 +2fпр Вычисляется обобщенная расстройка на резонансной частоте (fo =fmax для диапазонных приемников)
селективность по зеркальному каналу обеспечиваемая одиночным контуром,
селективность обеспечиваемая двухконтурной системой с параметром связи b=1, Se2 =48. 236дБ · Для нижней настройки гетеродина fзк =f0 -2fпр
Se1 =28. 896дБ
Se2 =49. 729дБ Оформим результаты расчетов в виде таблицы: Таблица 1 Селективность по зеркальному каналу
Выбираем систему преселектора исходя из того, что система должна быть как можно проще в реализации, и включать в себя как можно меньше перестраиваемых контуров. В данном случае лучше всего подходит система из двух одиночных перестраиваемых контуров. В этом случае обеспечивается селективность по зеркальному каналу 57дБ, при нижней настройки гетеродина. 2. Расчет допустимого коэффициента шума приемного устройстваПри расчете чувствительности приемников СВЧ важно оценить шумы, вносимые входной цепью. Максимальное значение коэффициента шума РПУ
где Pвх - чувствительность приемника (Вт); k-постоянная Больцмана; T0 =300К; Dfэф - эффективная полоса пропускания приемника;
где Emin - чувствительность приемника
qвых =16дБ= 6. 31 - отношение сигнал/шум на выходе линейной части.
так как коэффициент шума достаточно высок, то особых мер по снижению уровня шумов применять не понадобиться. Расчет требуемой полосы пропускания приемника.Для приемников, осуществляющих несогласованную обработку сигналов, значение полосы пропускания определяется известным соотношением
Dfc - ширина спектра принимаемого сигнала Dfд - максимальное значение доплеровского сдвига принимаемого сигнала Df1 - среднеквадратическое случайное отклонение рабочей частоты передатчика Df2 - среднеквадратическое случайное отклонение рабочей частоты гетеродина При частотной модуляции ширина спектра зависит от индекса модуляции определяемого соотношением
Fд - девиация частоты; Fв - верхняя частота модулирующего сигнала; ширину спектра сигнала найдем по формуле
Сдвиг доплеровской частоты Dfд участвующий в формуле (1) в расчет не принимается, так как он равен нулю, потому что при расчете приемника не учитывается передвижение передающей станции и приемника относительно друг друга. Рассчитаем расширение полосы пропускания из за нестабильности частот передатчика и гетеродина, для этого рассчитаем максимальные абсолютные отклонения частоты передатчика и гетеродина
fг max - максимальная частота гетеродина; fп max - максимальная частота передатчика она равна верхней частоте диапазона; Расширение полосы пропускания за счет нестабильности частот гетеродина и передатчика
Подставляя полученные значения в формулу (1) получим требуемую полосу пропускания приемника Птреб =224800+194600=419400 Гц Так как
то в приемник целесообразно ввести автоматическую подстройку частоты с коэффициентом автоподстройки
после ввода АПЧ в приемник полосу пропускания приемника принимают равной
3. Расчет требуемого коэффициента передачи приемникаТребуемый коэффициент передачи приемника найдем по формуле.
где Uвых - напряжение на нагрузке приемника при подаче на вход сигнала равного уровню чувствительности Emin .
4. Синтез структурной схемы приемникаПри синтезе структурной схемы приемника будем исходить из требований к приемному устройству: · частотная селекция полезных сигналов; · усиление сигналов до уровня необходимого для нормального осуществления их демодуляции; · демодуляция принимаемого сигнала; · подавление помех; селективная система преселектор приемный · схема должна содержать как можно меньшее кол-во перестраиваемых контуров и преобразований частоты. Структурная схема изображена на рис. 1
Рисунок 1. Структурная схема приемного устройства. В приведенной структурной схеме отсутствуют данные о параметрах каждого звена, окончательный вид структурной схемы будет приведен после всех расчетов параметров. 5. Выбор интегральных микросхемДля проектирования приемника воспользуемся интегральными микросхемами серии К174: К174ХА15 - усилитель ВЧ, смеситель, гетеродин; К174ХА6 - УПЧ, ограничитель, детектор, предварительный УНЧ; Более подробная информация о микросхемах приведена в приложении 1,2; 6. Расчет одноконтурной входной цепиПринципиальная схема входной цепи показана на рис. 2
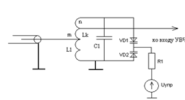
Рисунок 2. Принципиальная схема входной цепи. Исходными данными для входной цепи являются: · Rвх =100 Ом - входное сопротивление УРЧ; · Ra=75 Ом - сопротивление антенны; · Ссх max = 60пФ - максимальная емкость контура; · fmin =88МГц, fmax =108МГц - верхняя и нижняя частоты настройки контура. Для перестройки контура по частоте будем использовать встречное включение двух варикапов. Такое включение позволяет получить более равномерное изменение частоты настройки колебательного контура от управляющего напряжения.
Т.к. обычно в справочниках указывается перекрытие по емкости, то сделаем необходимый перерасчет.
Выбираем варикап типа КВ132А который имеет следующие параметры: Номинальная емкость 33 пФ; Коэффициент перекрытия по емкости 3,5; Напряжение управления 25, В; Добротность 300. Исходные данные для расчета входной цепи: Диапазон рабочих частот 1. Эквивалентное затухание контура 0. 016 2. Собственное затухание контура выберем наиболее подходящее для этого диапазона частот - 3. Сопротивление антенны 4. Входная емкость и входное сопротивление УРЧ на основе микросхемы К174ХА15 Rвх
=100 Определим максимальную и минимальную емкость двух последовательно включенных варикапа.
Величину емкости С1 находим так
Найдем максимальную емкость схемы
А теперь определим индуктивность контура
Коэффициенты включения определим по формулам
А теперь рассчитаем коэффициент передачи контура для этого найдем проводимость контура
Эквивалентная проводимость контура
Коэффициент передачи контура
R1 - выбираем 100 кОм. Расчет входной цепи закончен. 7. Расчет резонансного УРЧИсходными данными для расчета резонансного контура УРЧ будут являться теже параметры что и для расчета входной цепи, только с теми изменениями что вместо сопротивления антены будет использоваться выходное сопротивление УРЧ, а вместо входного сопротивления УРЧ будет использоваться входное сопротивление смесителя микросхемы К174ХА15. · Rвых =100 Ом - выходное сопротивление УРЧ; · Rвх =750 Ом - входное сопротивление смесителя; · Ссхмах =35. 1 пФ - максимальная емкость контура; · d0 =0. 016 dэ =0. 004 - собственное и эквивалентное затухание контура; Рассчитаем коэффициенты включения
Проводимость Go останется такой же как и во входной цепи, пересчитаем эквивалентную проводимость
коэффициент передачи контура равен
Схема включения ИМСК174ХА15 приведена на рис. 3
Рисунок 3. Схема включения ИМС К174ХА15 8. Расчет ФССПри анализе данных приведенных в [4], приходим к выводу, что реализация ФСС с нужными параметрами на основе стандартных фильтров основной частотно селекции затруднена тем, что нет фильтров с такой, достаточно широкой, полосой пропускания, кроме того, нет фильтров с затуханием вне полосы пропускания 56дБ, а те фильтры, которые имеют полосу более 200кГц имеют сравнительно малое затухание. Потому приходится строить ФСС на основе многоконтурных фильтров. Исходными данными для расчета фильтра являются: · fпр =10. 7МГц - промежуточная частота; · Папч =247кГц - полоса пропускания приемника; · fск =250кГц - расстройка по соседнему каналу; · Seск =50дБ=316 - селективность по соседнему каналу; · M=6дБ=2 - ослабление на границе полосы пропускания; Для расчета ФСС зададимся значением dэ =0. 0025 Затем определим величину
h* =2fпр d0 /Папч = по графикам для кривой ослабления сигнала на границе полосы пропускания (рис. 4), равного M=0. 8дБ, и расчитанной величины h* находим коэффициент расширения полосы пропускания,
Рисунок 4. График для определения
а затем вычисляем разность частот среза.
Находим относительную расстройку по соседнему каналу:
вычислим параметр h
по рисунку. 5 определяем селективность по соседнему каналу одного звена ФСС
Рисунок 5. Обобщенные резонансные кривые ФСС Se1 =9дБ=2. 8 Так как требуемое обеспечение селективности по соседнему каналу составляет 45дБ, то достаточно 5-ти звеньев ФСС. N=5 Вычислим селективность по соседнему каналу и ослабление сигнала границе полосы пропускания ФСС.
Рисунок 6. Принципиальная схема ФСС. Выберем характеристическое сопротивление контура из следующих ограничений:
где f в МГц, в нашем случае f=10,7МГц. Принимаем r=3000 Ом. Определим коэффициенты трансформации первого и последнего контуров ФСС. Rвых =1кОм - выходное сопротивление смесителя; Свых =5пФ - выходная емкость смесителя;
Рассчитаем коэффициенты включения первого и последнего контура.
Определим LC - элементы цепи ФСС
Найдем коэффициент передачи ФСС Кфсс по рис. 5
Рисунок 7. График для определения коэффициента передачи ФСС. Кфсс =0.6=-4дБ В качестве усилителя ПЧ и детектора была выбрана микросхема К174ХА6. Проверим сможет ли ограничитель содержащийся в микросхеме К174ХА6 обеспечить изменение уровня выходного сигнала в пределах 5 дБ, при изменении входного сигнала на 65 дБ. Для этого найдем уровень входного сигнала УПЧ.
по графику рис. 7 определяем коэффициент ослабления паразитной амплитудной модуляции Косам =72дБ, а глубина модуляции должна быть равной Г=D-B=65-5=60дБ, где D-динамический диапазон изменения сигнала на входе, а B - динамический диапазон изменения сигнала на выходе. Так как Косам >Г значит ограничитель обеспечивает ослабление паразитной амплитудной модуляции с достаточным запасом, автоматическую регулировку уровня сигнала применять нет необходимости.
Рисунок 8. Зависимость коэффициента ослабления паразитной амплитудной модуляции от уровня входного сигнала микросхемы К174ХА6 . Схема включения ИМСК174ХА6 приведена на рис. 7
Рисунок 9. Схема включения ИМС К174ХА6 9. Требования предъявляемые к УНЧУсилитель низкой частоты одноканальный с выходным сопротивлением 8 Ом, должен обеспечивать на выходе не менее 10Вт при нагрузке 8 Ом, питание 8-12 В двухполярное. Коэффициент усиления не менее
10. Требования предъявляемые к схеме питания приемного устройстваБлок питания приемного устройства должен работать от сети переменного напряжения 220В частоты 50Гц и обеспечивать на выходе постоянное двухполярное напряжение 9В±5%. 11. Структурная схема спроектированного приемного устройстваСтруктурная схема приемника с указанием всех параметров составляющих ее звеньев приведена на рис. 9
Рисунок 10. Структурная схема приемника. Приложения Приложение 1. ИМС К174ХА15 Микросхема представляет собой многофункциональную схему, предназначенную для УКВ блоков (аппаратов любой категории сложности до высшей). Достижение высоких параметров УКВ приема связано с тем что ИМС содержит симметричный смеситель-перемножитель U1 с глубокой обратной связью, большим входным сопротивлением и значительным усилением, балансный гетеродин G1, буферный каскад A3, предохраняющему гетеродин от входных сигналов, усилитель АРУ A2, повышающий устойчивость блока УКВ к образованию паразитных каналов приема, и высококачественный стабилизатор напряжения A4, обеспечивающий, в частности стабильность частоты гетеродина при колебаниях питающего напряжения. Кроме того, в состав ИМС входит усилитель высокой частоты A1 и фильтр низкой частоты Z1.В ИМС предусмотрен также каскад на транзисторе VT13 внутренней АРУ дя предотвращения перегрузки при сильных сигнала и стабилизатор напряжения на транзисторе VT1 и диодах VD1. VD5.
Принципиальная схема ИМС К174ХА15
Структурная схема ИМС К174ХА15 Электрические параметры ИМС К174ХА15Ток потребления Iпот , мА не более . 30 Коэффициент усиления по напряжению Ку U , дБ при Uвх =1мВ f=69МГц, не менее . 22 Коэффициент шума Кш , дБ не более . 10 Предельные эксплуатационные параметры ИМС К174ХА15 Напряжение питания Uи. п , В: минимальное. 8. 1 максимальное. 15. 6 Ток на выводе 7 I7 , мА не более5 Частота входного сигнала fвх , МГц не более . 108 Сопротивление нагрузки Rн , Ом не менее50 Приложение 2. ИМС К174ХА6 Микросхема представляет собой многофункциональную схему, предназначенную для усиления ограничения и детектирования ЧМ сигналов промежуточной частоты3, бесшумной настройки приемников на принимаемую станцию, формирования управляющих напряжений для индикатора напряженности поля в антенне и АПЧ. Выпускается в корпусе типа 238. 18-3. (DIP - 18). Назначение выводов: 1 - корпус; 2 - отключение АПЧ; 3 - фильтр; 4,6 - фильтры НЧ; 5 - выход АПЧ; 7 - выход НЧ; 8,11 - выходы ПЧ; 9,10 - фазосдвигающий контур; 12 - питание (+Uип ); 13 - вход БШН; 14-выход на индикатор; 15 - выход БШН, 16,17 - блокировка, 18 - вход ПЧ. Электрические параметры ИМС К174ХА6 при 25±10°С и Uип =12 В Ток потребления Iпот , мА, не более ____________________________16 Входное напряжение ограничения Uвх. огр мкВ , при fвх=10,7МГц не более________60 Выходное напряжение низкой частоты UвыхНЧ мВ при Uвх =10мВ f вх =10,7 МГц , Δf=±50 кГц, fмод =1кГц. не менее________160 Коэффициент ослабления амплитудной модуляции KАМ дБ, при Uвх =10 мВ, fВХ =Ю,7мГц, Δ f=±50 кГц, fмод =1 кГц, m=30 % не менее___46 Коэффициент гармоник КГ, %, при Uвх =10 мВ. fВХ =10. 7 мГц, Δf=±50 кГц. fмод =1 кГц. не более ________1 Входная емкость Свх , пФ ,не более _____________________________25 Входное сопротивление Rвх , кОм , не менее ______________________10 Предельные эксплуатационные параметры ИМСК174ХА6 Напряжение питания Uип , В : минимальное ______________________4.5 максимальное______________________________________________18 Ток потребления Iпот , мА . при Uип =18 В , не более ________________21 Максимальный ток, мА: через вывод 14 I14 max________________________________ 3
через вывод 15 I15 max1________________________________________________ 1
Амплитудно-частотная Зависимость напряжения характеристика ИМС К174ХА6. на выводах 14,16 ИМС К174ХА6.
Рис.П. 2. 3 Структурная схема ИМС К174ХА6 Принятые обозначения на структурной схеме: Усилитель-ограничитель А1, Детектор уровня А2, Частотный детектор UZ 1, Стабилизатор напряжения A3, Усилитель А4, Триггер А5, КлючиSI , S 2. |
























, 







, где 





