Курсовая работа: Расчёт сварочного выпрямителя, предназначенного для однопостовой механизированной сварки плавящимся электродом в среде углекислого газа и под флюсом деталей из низкоуглеродистых и низколегированных сталей
|
Название: Расчёт сварочного выпрямителя, предназначенного для однопостовой механизированной сварки плавящимся электродом в среде углекислого газа и под флюсом деталей из низкоуглеродистых и низколегированных сталей Раздел: Промышленность, производство Тип: курсовая работа | ||||||||||||||||||||||||||||||||||||||||||
Министерство образование Российской Федерации Санкт-Петербургский институт машиностроения (ЛМЗ-ВТУЗ) Кафедра «Технология и оборудование сварочного производства» Курсовая работа по теме: Расчёт сварочного выпрямителя, предназначенного для однопостовой механизированной сварки плавящимся электродом в среде углекислого газа и под флюсом деталей из низкоуглеродистых и низколегированных сталей Выполнил: Ст.гр.№5303 Ковальков А. Е. Проверила: Приёмышева Г. А. Санкт-Петербург 2010 Исходные данные
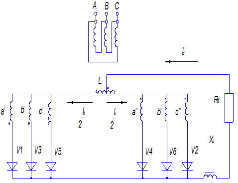
Выбор схемы выпрямленияВыбор осуществляется из четырёх самых распространённых схем выпрямления: - Трёхфазная мостовая схема - Шестифазная с нулевой точкой - Схема с уравнительным реактором - Кольцевая схема Учитывая исходные данные, выбираем шестифазную схему выпрямления с уравнительным реактором, получившей широкое применение при сварке в углекислом газе. Схема обладает хорошим использованием вентилей и небольшой расчётной мощностью трансформатора.
Рисунок 1. «Схема выпрямления с уравнительным реактором» В этой схеме трансформатор имеет одну первичную обмотку, соединённую в треугольник, и две группы вторичных обмоток, каждая из которых соединена в звезду, причём в первой группе нулевая точка образована концами обмоток, а во второй группе - началами обмоток. Таким образом, фазные напряжения смещены дуг относительно друга на 180 ̊. В результате имеем два трёхфазных выпрямителя, работающих параллельно через уравнительный реактор на общую нагрузку. Основные параметры выпрямителя 1) Ориентировочное значение напряжения холостого хода выпрямителя: Udxx =(1,4÷1,8)∙Ud н =(1,4÷1,8)∙50=70÷90(В) Ud н – номинальное выпрямленное напряжение Принимаем Udxx =80(В) 2) Длительно допустимый по нагреву ток выпрямителя: Id
дл
=Id
н
∙ Id н – номинальный выпрямленный ток ПН - продолжительность нагрузки Расчёт силового трансформатора1. Расчёт фазных токов и напряжений обмоток трансформатора:По выбранной схеме выпрямления и схеме соединения первичной обмотки в треугольник рассчитываем: 1.1. Вторичное фазное напряжение: U2ф
= 1.2. Реальное значение напряжения холостого хода выпрямителя: Udxx 0 =1,35∙ U2ф =1,35∙68,4=92,3 (В) 1.3. Действующее значение тока вторичных обмоток трансформатора: I2ф = Id н ∙0,289=500∙0,289=144,5 (А) выпрямитель катушка трансформатор сварочный 1.4. Расчётное значение тока вторичных обмоток: I2ф расч.
=I2ф
∙ 1.5. Коэффициент трансформации: При соединении первичной обмотки в треугольник Кт
= 1.6. Действующее значение фазного тока первичной обмотки: I1ф
=0,41∙ I1ф =36,87∙1,05=38,7 (А) 1,05-коэффициент, учитывающий влияние тока холостого хода на номинальный первичный ток 1.7. Расчётное значение тока первичных обмоток: I1ф расч.
=I1ф
∙ 1.8. Значение номинальной отдаваемой (выпрямленной) мощности выпрямителя: Pd н =Id н ∙ Ud н =500∙50=25000 (Вт)=25 (кВт) 1.9. Значение потребляемой мощности: При соединении первичной обмотки в треугольник Pсети =Uc ∙I1ф ∙3∙10-3 =380∙38,7∙3∙10-3 =44,1 (кВА) 2. Предварительный расчёт магнитной системы и обмоток:2.1. Значение ЭДС, приходящейся на один виток: e0 =(0,08÷0,045)∙Pсети расч. Pсети расч.
=Pсети
∙ e0 =(0,08÷0,045)∙34,2=2,736÷1,539 Принимаю e0 =2,7 (В/виток) 2.2. Предварительное число витков вторичной обмотки: W2
’
= 2.3. Предварительное число витков первичной обмотки: W1
’
= U1ф =Uc – при соединении первичной обмотки в треугольник W1
’
= 2.4. Окончательное число витков первичной и вторичной обмоток: Принимаем окончательное число витков вторичной обмотки W2 =28. Тогда окончательное значение ЭДС на один виток: e0
= Окончательное число витков первичной обмотки: W1
= Принимаем W1 =156. 2.5. Предварительная плотность тока в обмотках трансформатора: J1 ’ =1,5 (А/мм2 ) - в первичной J2 ’ =2,35 (А/мм2 ) - во вторичной 2.6. Предварительные сечения проводов обмотки: q1
’
= q2
’
= 2.7. Активное сечение стали магнитопровода: Предварительное активное сечение: Sa ’ =e0 ∙104 /4,44∙f0 ∙В’ f0 – частота питающей сети; В’ – предварительное значение магнитной индукции; Для холоднокатаной анизотропной стали марки 3413 В’
Sa ’ =2,44∙104 /4,44∙50∙1,65=66,6 (см2 ) 2.8. Полное сечение магнитопровода: Предварительное полное сечение: Sст ’ =Sa ’ /Кс Кс – коэффициент заполнения стали, Кс =0,95 Sст ’ =66,6/0,95=70,1 (см2 ) 2.9. Определение ширины пластины магнитопровода: Учитывая мощность выпрямителя, выберем рекомендуемую ширину bст =82 (мм) 2.10. Предварительная толщина набора магнитопровода: lст ’ =Sc т ’ ∙102 /bст =70,1∙102 /82=85,5 (мм) Окончательную толщину набора принимаем lст =86 (мм) Окончательное сечение магнитопровода: Sст =lст ∙bст /100=86∙82/100=70,5 (см2 ) Окончательное активное сечение магнитопровода: Sa =Sст ∙Кс =70,5∙0,95=67 (см2 ) Окончательная магнитная индукция: В=e0 ∙104 /4,44∙f∙Sa =2,44∙104 /4,44∙50∙67=1,64 (Тл) 2.11. Суммарная площадь обмоток, которые необходимо разместить в окне: Q=Q1 +Q2 Q1 – площадь первичной обмотки Q1 =q1 ’ ∙W1 =20∙156=3120 (мм2 ) Q2 – площадь двух вторичных обмоток Q2 =2∙q2 ’ ∙W2 =2∙49∙28=2744 (мм2 ) Q=Q1 +Q2 =3120+2744=5864 (мм2 ) 2.13. Площадь окна магнитопровода: Sок =2∙Q/Кзо Кзо – коэффициент заполнения окна, Кзо =0,45 Sок =2∙5864/0,45=26062 (мм2 ) 3. Окончательный расчёт магнитной системы трансформатора:3.1. Ширина окна: b0 =(1,1÷1,5)∙bст bc т – ширина стержня b0 =(1,1÷1,5)∙82=90,2÷123 (см) Принимаю b0 =112 (мм). 3.2. Высота окна магнитопровода: h0 =Sок /b0 =26062/112=233 (мм) 3.3. Длина пластин (1го ,2го и 3го вида): l1 =h0 +bст =233+82=315 (мм) l2 =2b0 +bст =2∙112+82=306 (мм) l3 =b0 +bст =112+82=194 (мм) Количество листов каждого типа: n1 =lст ∙0,95∙3/0,5=86∙0,95∙3/0,5=490 (шт), n2 = lст ∙0,95∙/0,5=163 (шт), n3 = lст ∙0,95∙2/0,5=327 (шт) lст – толщина набора магнитопровода 0,95 – коэффициент заполнения стали (Кс ) 3.4. Масса стали магнитопровода: Gc =[(h0 +2bст )∙(2b0 +3bст )-2h0 ∙b0 ]∙lст ∙0,95∙γ∙10-3 γ-плотность электротехнической стали 3413, γ=7,65 (г/см3 ) Gc =[(23,3+2∙8,2)∙(2∙11,2+3∙8,2)-2∙23,3∙11,2]∙8,6∙0,95∙7,65∙10-3 =84 (кг) 3.5. Потери в стали магнитопровода: Pc =К0 ∙Gc ∙p0 ∙Кур К0 – коэффициент, учитывающий добавочные потери в стали за счёт изменения структуры листов при их механической обработке, К0 =1,2. Кур – коэффициент увеличения потерь для анизотропных сталей, являющейся функцией геометрических размеров магнитопровода. В зависимости от величины 3h0 +4b0 /bст =3∙23,3+4∙11,2/8,2=14 -получаем Кур =1,15. p0 –удельные потери в 1 кг стали марки 3413 при индукции В=1,64 (Тл) равняются p0 =2,3 (Вт/кг) Pc =1,2∙84∙2,3∙1,15=267 (Вт) 3.6. Абсолютное значение тока холостого хода:
Iоа – активная составляющая тока холостого хода, обусловленная потерями холостого хода Pc Iор – реактивная составляющая тока холостого хода, необходимая для создания магнитного потока Iоа =Pc /3Uc Pc – потери в стали магнитопровода Uc – номинальное напряжение питающей сети Iоа =267/3∙380=0,2 (А) Iор =[Hc ∙lм +0,8∙В∙nз ∙δз ∙104 /√2∙W1 ∙Кr ]∙Кухх Hc – напряжённость магнитного поля, соответствующая индукции В=1,64 (Тл). Для анизотропной стали 3413 Hc =8,2 (А/см); lм – средняя длина магнитной силовой линии (см); В – магнитная индукция (Тл); nз – число немагнитных зазоров на пути магнитного потока ; δз – условная длина воздушного зазора в стыке равная 0,005 (см) в случае штампованных листов при сборке магнитопровода внахлёстку; Кr – коэффициент высших гармонических. Ориентировочно для стали 3413 при индукции В=1,64 (Тл) Кr =1,1; Кухх – коэффициент увеличения тока холостого хода. Этот коэффициент является функцией геометрических размеров магнитопровода и магнитной индукции. При соотношении (h0 +2b0 )/bст +1=((23,3+2∙11,2)/8,2)+1=6,57 - получаем Кухх =2,5. Поскольку трёхстержневой магнитопровод является несимметричным, т.е. имеет разные пути для магнитного потока крайних и средней фазы, то необходимо посчитать средние длины магнитной силовой линии отдельно для крайней и средней фазы. Длина средней линии магнитного потока для крайней фазы: lм к.ф. =h0 +2b0 +bст +π∙ bст /2=23,3+2∙11,2+8,2+3,14∙8,2/2=66,8 (см) Длина средней линии магнитного потока для средней фазы: lм ср.ф. =h0 +bст =23,3+8,2=31,5 (см) Число немагнитных зазоров на пути потока для крайней фазы nз =3, для средней фазы nз =1. Реактивная составляющая тока холостого хода для крайней фазы: Iор к.ф. =[(Hc ∙ lм к.ф. +,8∙В∙3∙0,005∙104 )/√2∙W1 ∙Кr ]∙Кухх Iор к.ф. =[(8,2∙66,8+0,8∙1,64∙3∙0,005∙104 )/√2∙156∙1,1]∙2,5=7,7 (А) Реактивная составляющая тока холостого хода для средней фазы: Iор ср.ф. =[(Hc ∙ lм ср.ф. +0,8∙В∙1∙0,005∙104 )/√2∙W1 ∙Кr ]∙Кухх Iор ср.ф. =[(8,2∙31,5+0,8∙1,64∙1∙0,005∙104 )√2∙156∙1,1]∙2,5=3,3 (А) Среднее значение реактивной составляющей тока холостого хода: Iор =(2∙Iор к.ф. + Iор ср.ф. ) /3=(2∙7,7+3,3)/3=6,2 (А) Абсолютное значение тока холостого хода:
Ток холостого хода в процентах от номинального первичного тока: i=(I0 /I1ф )∙100%=(6,2/38,7)∙100%=16% 4. Окончательный расчёт обмоток трансформатора4.1. Выбор обмоточных проводов: По предварительно рассчитанным значениям сечений проводов выбираем ближайшие из стандартного ряда: q1 =21,12(мм2 ) q2 =69,14 (мм2 ) Провод обмоточный алюминиевый нагревостойкий прямоугольного сечения:
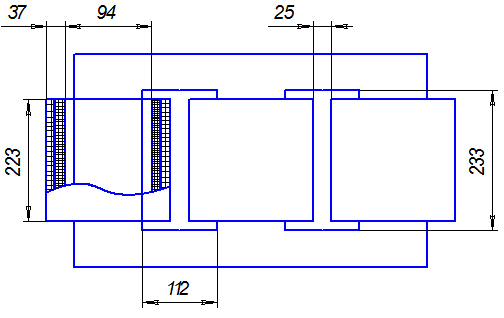
Уточнённые значения плотности тока: J1 =I1ф расч. /q1 =29,98/21,12=1,4 (А/мм2 ) J2 =I2ф расч. /q2 =111,9/69,14=1,6 (А/мм2 ) 4.2. Высота цилиндрической обмотки: hобм =h0 - 2∙∆я ∆я – зазор между торцевой поверхностью обмотки и ярмом магнитопровода, равный 5 (мм); h0 – высота окна магнитопровод hобм =233-2∙5=223 (мм) 4.3. Число витков в слое: Первичной обмотки Wc 1 =(hобм /bиз.1 ) – 1=(223/10,4)-1=20,4- принимаем Wc 1 =20 Вторичной обмотки Wc 2 =(hобм /bиз.2 ) – 1=(223/14,48)-1=14,4– принимаем Wc 2 =14 4.4 Число слоёв: Первичной обмотки nc 1 =W1 /Wc 1 =156/2=7,8 - принимаем nc 1 =8 Вторичной обмотки nc 2 =W2 /Wc 2 =28/14=2 4.5. Радиальные размеры (толщина) первичной и вторичной обмоток, выполненных из изолированного провода: δ1 =nc 1 ∙nпар1 ∙аиз1 +(nc 1 -1)∙∆вит δ2 =nc 2 ∙nпар2 ∙аиз2 +(nc 2 -1)∙∆вит nпар1 ,nпар2 – число параллельных проводов первичной и вторичной обмоток; аиз1 ,аиз2 – размер проводов по ширине с изоляцией; nc 1 , nc 2 – число слоёв первичной и вторичной обмоток; ∆вит – межслоевая изоляция для изолированных проводов, ∆вит =0,15 δ1 =8∙1∙2,6+(8-1)∙0,15=22 (мм) δ2 =2∙1∙5,52+(2-1)∙0,15=11 (мм) 4.6. Радиальный размер катушки трансформатора: δ=δ1 +δ2 +δ12 +∆т ∆т – технологические зазоры, связанные с отступлением сторон катушки от парралельности, с неплотностью намотки, ∆т =4 (мм); δ12 – расстояние между первичной и вторичной обмотками, δ12 =0,16 (мм) δ=22+11+3∙0,16+4=37 (мм) 4.7. Внутренний размер катушки по ширине: А=bст +∆ш ∆ш – двухсторонний зазор по ширине между катушкой и стержнем, ∆ш =12 (мм) А=82+12=94 (мм) 4.8. Внутренний размер катушки по длине: Б=lст +∆дл lст – длина пакета магнитопровода ∆дл – двухсторонний зазор по длине между катушкой и стержнем, ∆дл =30 (мм) Б=86+30=116 (мм) 4.9. Средние длины витков: Средняя длина витка первичной обмотки lср1 =2(А-2R)+2(Б-2R)+2∙π∙(R+δ1 /2) R-радиус скругления проводов при переходе с одной стороны на другую при намотке, R=10 (мм) lср1 =2(94-2∙10)+2(116-2∙10)+2∙3,14∙(10+22/2)=471 (мм) Средняя длина витка вторичной обмотки lср2 =2(А-2R)+2(Б-2R)+2∙π∙(R+δ1 +δ12 +δ2 /2) lср2 =2(94-2∙10)+2(116-2∙10)+2∙3,14∙(10+22+0,16+11/2)=576 (мм) После определения всех размеров выполним эскиз катушки:
Рисунок 2. « Катушка трансформатора с первичной и вторичной обмотками из изолированного провода» 4.10. Расстояние между катушками соседних стержней: ∆кат =bо -∆ш -2δ ∆кат =112-12-2∙37=25 (мм) После уточнения всех размеров выполним эскиз трансформатора:
Рисунок 3. «Эскиз трансформатора» 4.11. Масса проводов катушки: Масса провода первичной обмотки одной фазы трансформатора G1 =Ky ∙g1 ∙W1 ∙lср1 g1 – масса одного метра провода первичной обмотки, g1 =0,06 (кг); lср1 – средняя длина витка первичной обмотки (м); Ку – коэффициент, предусматривающий увеличение массы провода за счёт технологических погрешностей,Ку =1,05. G1 =1,05∙0,06∙156∙0,471=4,6 (кг) Масса провода вторичной обмотки G2 =Кy ∙g2 ∙2W2 ∙lср2 g2 – масса одного метра провода вторичной обмотки, g2 =0,2 (кг) lср2 – средняя длина витка вторичной обмотки (м) G2 =1,05∙0,2∙2∙28∙0,576=6,8 (кг) Общая масса провода трансформатора Gпр =3(G1 +G2 )=3∙(4,6+6,8)=34,2 (кг) 4.12. Сопротивления обмоток трансформатора: r1 =KF ∙r0 (1) r2 =КF ∙r0 (2) r0 (1) , r0 (2) – омическое сопротивление первичной и вторичной обмоток в холодном состоянии при 20 о С; КF – коэффициент Фильда, который учитывает добавочные потери в обмотках, КF =1,04 r0 (1) =ρ∙lср1 ∙W1 /q1 r0 (2) = ρ∙lср2 ∙W2 /q2 ρ- удельное электрическое сопротивление материала провода катушки, (для алюминиевого провода при 20 о С ρ=0,0282(Ом∙мм2 /м)) lср1 ,lср2 – средние длины витков провода первичной и вторичной обмоток (м) r0 (1) =0,0282∙0,471∙156/21,12=0,1 (Ом) r0 (2) =0,0282∙0,576 ∙28/69,14=0,007 (Ом) r1 =1,04∙0,1=0,062 (Ом) r2 =1,04∙0,007=0,0073 (Ом) Активные сопротивления первичной и вторичной обмоток, отнесённые к расчётной температуре, которая для обмоток класса F составляет 115 о С: r1 t =1,38∙r1 =1,38∙0,062=0,1 (Ом) r2 t =1,38∙r2 =1,38∙0,0073=0,01 (Ом) Активное сопротивление обмоток трансформатора, приведённое к первичной обмотке: rк =r1 t +r2 t ∙К2 т Кт – коэффициент трансформации rк =0,1+0,01∙(5,56)2 =0,3 (Ом) Индуктивное сопротивление: Xк =7,9∙10-8 ∙fc ∙W2 1 ∙lср ∙δs / ls fc – частота питающей сети; δs – ширина приведённого канала рассеяния (см) δs =δ12 +((δ1 +δ2 )/3)=0,016+((2,2+1,1)/3)=1,1 (см) ls – длина силовой линии (см) ls =ho /0,95=23,3/0,95=24,5 (см) lср – средняя длина витка обмоток (см) lср =(lср1 +lср2 ) /2=(47,1+57,6)/2=52,4 (см) xк =7,9∙10 -8 ∙50∙(156)2 ∙52,4∙1,1/24,5=0,23 (Ом) Полное сопротивление обмоток, приведённое к первичной обмотке:
4.13. Потери в обмотках: В первичных P1 =m1 ∙r1 t ∙I2 1ф Во вторичных P2 =m2 ∙r2 t ∙I2 2ф m1 – количество первичных обмоток, m1 =3; m2 – количество вторичных обмоток (для схемы с уравнительным реактором m2 =6); r1 t , r2 t – активные сопротивления первичной и вторичной обмоток, отнесённые к расчётной температуре P1 =3∙ 0,1∙(38,7)2 =629 (Вт) P2 =6∙0,01∙(144,5)2 =1253 (Вт) 4.14. Напряжение короткого замыкания:
Активная составляющая напряжения короткого замыкания Uа =I1ф ∙rк =38,7∙0,3=11,6 (В) Реактивная составляющая напряжения короткого замыкания Uр =I1ф ∙xк =38,7∙0,23=8,9 (В)
Напряжение короткого замыкания в процентах от первичного напряжения: Uк% =Uк ∙100/U1ф =14,6∙100/380=3,8 % Расчёт блока тиристоров1. Выбор типа тиристора и охладителя:1.1. Среднее, действующее и максимальное значения тока тиристора в зависимости от номинального выпрямленного тока: Iв.ср. =Id н ∙0,166=500∙0,166=83 (А) Iв = Id н ∙0,289=500∙0,289=144,5 (А) Iв мах = Id н ∙0,5=500∙0,5=250 (А) 1.2. Максимальное обратное напряжение на тиристоре: Uобр.мах =Ud хх ∙2,09=80∙2,09=167,2 (В) Выбираем тиристор и охладитель: Тиристор-Т161-160 Охладитель-О171-80 Основные параметры тиристора и охладителя: · Пороговое напряжение Uпор =1,15 (В) · Среднее динамическое сопротивление rдин =1,4 (мОм) · Максимально допустимая температура перехода Tп.м. =125°С · Тепловое сопротивление переход-корпус Rт(п-к) =0,15 (°С/Вт) · Тепловое сопротивление контакта корпус-охладитель Rт(к-о) =0,05 (°С/Вт) · Тепловое сопротивление охладитель-среда Rт(о-с) =0,355 (°С/Вт) 1.3. Максимальный допустимый средний ток вентиля в установившемся режиме работы и заданных условиях охлаждения: Iос.ср. = [√ (U2 пор +4∙К2 ф ∙rдин ∙10-3 ∙(Tп.м. -Tc )/Rт(п-с) ) -Uпор ]/2∙К2 ф ∙rдин ∙10-3 Кф – коэффициент формы тока, Кф =1,73 Тс – температура охлаждающего воздуха, Тс =40 ° С Rт(п-с) – тепловое сопротивление переход-среда Rт(п-с) = Rт(п-к) + Rт(к-о) + Rт(о-с) =0,15+0,05+0,355=0,555 (°С/Вт) Iос.ср. = [√((1,15)2 +4∙(1,73)2 ∙1,4∙10-3 ∙(125-40)/0,555)-1,15]/2∙(1,73)2 ∙1,4∙10-3 = =97,9 (А) 1.4. Мощность, рассеиваемая на вентиле: Pв =К∙(Uпор ∙Iв.ср. +rдин ∙10-3 ∙I2 в ) К – коэффициент, учитывающий наличие добавочных потерь в вентиле, К=1,05÷1,1 Pв =1,05∙(1,15∙83+1,4∙10-3 ∙(144,5)2 )=131 (Вт) 1.5. Температура нагрева перехода: Tп =Rт(п-с) ∙Pв +Tc Tc – температура охлаждающего воздуха, Tc =40 ̊С Rт(п-с) – тепловое сопротивление переход-среда Tп =0,555∙131+40=113 ̊С 1.6. Класс тиристора: Uповт. =0,8∙Uобр.мах Uповт. - повторяющееся напряжение, определяющее класс вентиля Uповт. =0,8∙167,2=133,8 (В) Принимаю Uповт. =200 (В). Учитывая возможные перенапряжения, окончательный класс тиристора принимаю равный 4. Условное обозначение выбранного тиристора: Т161-160-4-12УХЛ2 Расчёт КПД выпрямителяКоэффициент полезного действия выпрямителя при номинальной нагрузке: η=Pd н /Pd н +ΣP Pd н – отдаваемая (выпрямленная) номинальная мощность ΣP – суммарные активные потери в схеме выпрямления, которые можно разбить на следующие составные части: 1. Потери в вентилях: ΣPв =mв ∙ Pв mв – количество вентилей в схеме выпрямления Pв – мощность, рассеиваемая на одном вентиле ΣPв =6∙130,9=785,4 (Вт) 2. Потери в силовом выпрямительном трансформаторе: Pтр =Pc +P1 +P2 Pc – потери в стали магнитопровода P1 – потери в первичных обмотках P2 – потери во вторичных обмотках Pтр =267+629+1253=2,2 (кВт) 3. Потери в сглаживающем дросселе: Pдр =(2÷3)%Pd н =0,6 (кВт) 4. Потери в уравнительном реакторе: Pур =(1÷2)%Pd н =0,375 (кВт) 5. Потери во вспомогательных устройствах (в системе управления, системе охлаждения): Pвсп =(0,5÷1,5)Pd н =0,25 (кВт) 6. Потери в соединительных шинах: Pш =450 (Вт)=0,45 (кВт) Значение КПД: η=Pd н /Pd н +Pв +Pтр +Pдр +Pур +Pвсп +Pш η=25 /25+0,785+2,2+0,6+0,375+0,25+0,45=0,84. |
||||||||||||||||||||||||||||||||||||||||||


