Контрольная работа: Расчет параметров электрической цепи
|
Название: Расчет параметров электрической цепи Раздел: Рефераты по физике Тип: контрольная работа | |||||||||||
МИНИСТЕРСТВО СЕЛЬСКОГО ХОЗЯЙСТВА И ПРОДОВОЛЬСТВИЯ РЕСПУБЛИКИ БЕЛАРУСЬ БЕЛОРУССКИЙ ГОСУДАРСТВЕННЫЙ АГРАРНЫЙ ТЕХНИЧЕСКИЙ УНИВЕРСИТЕТ Кафедра электротехники Расчетно-графическая работа Тема: «Расчет параметров электрической цепи» Выполнили: студенты 4 курса 2 эа группы АЭФ Джунковский В.В., Дацук Е.В. Проверил: Громова В.С. Минск – 2010 Задание Вариант 51 Схема 3.11
Дано: E1 =125 B E2 =34 B R1 =10 Ом R2 =40 Ом R3 =50 Ом R4 =17.5 Ом R5 =75 Ом R6 =20 Ом J =0.2 А Требуется: 1. Составить на основе законов Кирхгофа систему уравнений для расчета токов во всех ветвях схемы. 2. Определить токи во всех ветвях схемы методом контурных токов. Расчет системы уравнений выполнить методом определителей. 3. Составить уравнения для расчета токов во всех ветвях схемы методом узловых потенциалов. 4. Составить баланс мощностей, вычислив суммарную мощность источников и суммарную мощность приемников. 5. Определить ток I1 методом эквивалентного генератора. ток генератор уравнение
1. Определяем по первому закону Кирхгофа токи в ветвях относительно узлов а, b , с (смотреть рис.2) Узела: I2 -I4 +Iк -I1 =0 Узел b: I4 -I3 -I6 =0 Узелс: I3 +I1 -I5 =0 Составим уравнения по второму закону Кирхгофа (смотреть рис.2). контур abcа : I4 R4 +I3 R3 -I1 R1 =E1 контур bcdb : I3 R3 +I5 R5 - I6 R6 =E1 контур acdа : I1 R1 +I5 R5 + I2 R2 =E2 Из составленных уравнений составим систему и подставим все известные величины
I4 -I3 -I6 =0 I3 +I1 -I5 =0 10I1 +50I3 +17.5I4 =125 50I3 +75I5 -40I2 =125 17.5I4 -20I6 -50I5 =34 2. Определим токи во всех ветвях схемы методом контурных токов Выберем независимые контуры и придадим им контурные токи. Составим уравнения по второму закону Кирхгофа (смотреть рис.3).
I22 (R6 +R5 +R3 )-I11 R3 -I33 R5 =-E1 I33 (R2 +R1 +R5 )-I22 R5 -I11 R1 -Iк1 R2 =E2 77.5I11 -50I22 -10I33 =125
-10I11 -75I22 +125I33 =42
Рассчитаем систему методом определителей:
Рассчитываем токи: I1 =I33 -I11 =-1.196 A I2 =I33 -Ik =0.202 A I3 = I11 -I22 =1.701 A I4 =I11 =1.598 A I5 =I33 -I22 =0.505 A I6 =I22 =-0.103 A Сделаем проверку по второму закону Кирхгофа. I4 R4 +I3 R3 -I1 R1 =E1 27,965+85,05+ 11,96=125 I3 R3 +I5 R5 - I6 R6 =E1 85,05+37,875+2,06=125 I1 R1 +I5 R5 + I2 R2 =E2 -11,96+37,875+8,08=34 3. Составляем уравнение для расчета токов во всех ветвях схемы методом узловых потенциалов Неизвестными в этом методе будут потенциалы поэтому один потенциал (потенциал узла b) примем за 0, а остальные посчитаем. Токи найдем по закону Ома. Составляем уравнение для расчета потенциала: Узел b: ϕb =0 Узел a: ϕa
( Узелc: ϕc
( Узелd: ϕd
( В систему, составленную из данных уравнений подставим имеющиеся данные:
0.133 ϕc - 0.1 ϕa - 0.013 ϕd =0.68 0.095 ϕd - 0.025 ϕa - 0.013 ϕc =0.85-0.2 Найдем токи по закону Ома: 4. Составляем баланс мощностей
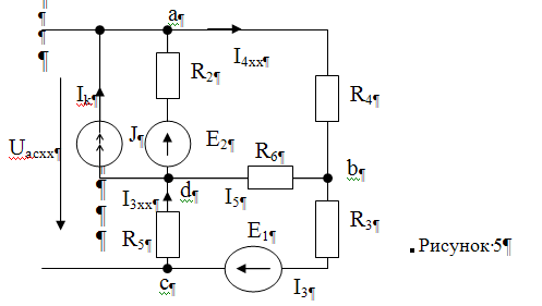
åРист =åРпр åРист =åEI-Uа d Ik Находим напряжение Uа d по второму закону Кирхгофа: Uа d +I2 R2 =E2 Uа d =E2 -I2 R2 Uа d =34-0.202*40=25,92B Pист =E2 I2 +E1 I3 +Uа d Ik Pист =34*0.202+125*1.701+25.92*0.2=224.6 Вт Pпр =I1 2 R1 + I2 2 R6 + I3 2 R3 + I4 2 R4 + I5 2 R5 + I6 2 R2 Pпр =(1.196)2 *10+(0.202)2 *40+(1.701)2 *50+(1.598)2 *17.5+(0.505)2 *75+(0.103)2 *20 Pпр =224.6Вт Рист =Рпри 5. Определим ток методом эквивалентного генератора Из первоначальной схемы (рисунок 1) определим активный двухполосник (рисунок 5).
I22 (R2 +R5 +R4 )-I11 R6 =E1
-20I11 +145I22 =125
Через контурные токи определим необходимые токи холостого хода. I4xx = I11 =0.792 A I3xx = I22 =0.971 A Определим напряжение холостого хода по второму закону Кирхгофа. Ua с x х +I3xx R3 +I3xx R3 =E1 Ua с x х =-E1 +I4xx R4 +I3xx R3 Ua с x х =-125+0.792*17.5+0.971*50=-62.59 B Определим сопротивление входа (рисунок 6)
Резисторы R6 , R5 и R3 соединены треугольником, преобразуем их в соединение звездой и найдем их сопротивление.
Резисторы R2 и Rа соединены также как и резисторы R4 иRb - последовательно. Найдем их сопротивление и преобразуем схему. R2 a= R2 +Ra =40+10.4=40.4 Ом R4 b= R4 +Rb =17.5+0.7=18.2 Ом
Определим сопротивление выхода. Оно будет равно
Определим ток I1 Ответ : I1 =-1.196 A Литература 1. А. Бессонов «Теоретические основы электротехники», Москва 2008г. 2. В. Левиков «Теория автоматического управления», Минск 2007г. 3. А. Львова «Основы электроники и микропроцессорной техники», Минск 2007г. |











