Курсовая работа: Технология изготовления детали типа "Вал"
|
Название: Технология изготовления детали типа "Вал" Раздел: Промышленность, производство Тип: курсовая работа | |||||||||||||||||||||||||||||||||||||||||||||||||||||||||||||||||||||||||||||||||||||||||||||||||||||||||||||||||||||||||||||||||||||||||||||||||||||||||||||||||||||||||||||||||||||||||||||||||||||||||||||||||||||||||||||||||||||||||||||||||||||||||||||||||||||||||||||||||||||||||||||||||||||||||||||||||||||||||||||||||||||||||||||||||||||||||||||||||||||||||||||||||||||||||||||||||||||||||||||||||||||||||||||||||||||||||||||||||||||||||||||||||||||||||||||||||||||||||||||||||||||||||||||||||||||||||||||||||||||||||||||||||||||||||||||||||||||||||||||||||||||||||||||||||||||||||||||||||||||||||||||||||||||||||||||||||||||||||||||||||||||||||||||||||||||||||||||||||||||||||||||||||||||||||||||||||||||||||||||||||||||||||||||||||||||||||||||||||||||||||||||||||||||||||||||||||||||||||||||||||||||||||||||||||||||||||||||||||||||||||||||||||||||||||||||||||||||||||||||||||||||||||||||||||||||||||||||||||||||||||||||||||||||||||||||||||||||||||||||||||||||||||||||||||||||||||||||||||||||||
Введение Машиностроение обеспечивает новой техникой все отрасли экономики и определяет её технический прогресс. В связи с этим развитие машиностроения имеет первостепенное значение для развития экономики страны. Для обеспечения конкурентоспособности продукции машиностроительных предприятий необходимо повышать качество и производительность машин без существенного повышения их стоимости. Эту задачу невозможно решить только с помощью конструктивных новшеств, без серьёзной технологической подготовки производства на основе новейших технологических решений, использующих новые материалы, технологическую оснастку, оборудование. Применение новых технологий, сочетающих использование прогрессивных, высокоточных методов обработки с энергосбережением, экологичностью и безопасностью, высокопроизводительного технологического оборудования, оснащённого системами управления с элементами искусственного интеллекта, переналаживаемой автоматизированной технологической оснастки позволяет достигать существенного повышения производительности труда и качества изготовляемых изделий. Современные требования к точности деталей машин и приборов, качеству их поверхностей, точности сборки столь высоки, что их достижение невозможно без применения научных достижений. Сочетание гибкости с высокой производительностью и качеством достигается в современном производстве при помощи автоматизированных гибких производственных систем, а сокращение трудоёмкости и продолжительности подготовки производства при помощи систем автоматизированного проектирования. Внедрение новых технологий и современной техники в производство невозможно без высококвалифицированных специалистов, обладающих передовыми знаниями и навыками, для приобретения которых и служит курсовое проектирование, как первая ступень применения полученных знаний на практике. Предлагаемый курсовой проект посвящен разработке технологии изготовления детали типа «Вал». 1. Выбор типа производства 1.1 Расчёт объёма выпуска и размера партии деталей Объем выпуска характеризует примерное количество машин, сборочных единиц, деталей, заготовок подлежащих выпуску в течение планируемого периода времени (год, квартал, месяц). Годовой объем выпуска деталей «Вал» можно определить по формуле: NД
= NСЕ
∙n∙(1+ где NСЕ = 1000 – годовой объём выпуска СЕ «Вал эксцентриковый», n = 1 – количество деталей «Вал» в СЕ; β = 0% – процент запасных деталей. NД
= 1000∙1∙(1+ Принимаем NД = 1000 шт. Такт выпуска деталей можно определить по формуле: τВ.Д.
= где FД = 2010 ч – действительный годовой фонд времени работы оборудования в часах, τВ.Д.
= Приближенно коэффициент закрепления операций можно вычислить по формуле: КЗО
= где tШТ.СР. – среднее штучное время. По заводскому технологическому процессу для операций механической обработки: t ШТ.СР. = 10,8 мин КЗО
= Согласно рекомендациям ГОСТ 3.1108 – 74, КЗО = 10…20 соответствует среднесерийному типу производства. В связи с этим определяем тип производства как среднесерийный, который характеризуется достаточно большим объёмом выпуска с широкой номенклатурой изделий, изготовляемых повторяющимися партиями, что вызывает необходимость применения оборудования с высокой степенью механизации и автоматизации, но обладающего гибкостью, применения специальной технологической оснастки. Размер партии деталей можно определить по формуле: nД
= деталь вал конструкция технологический где tЗ = 21 день – срок, в течение которого должен храниться на складе запас деталей; Ф = 250 дней – число рабочих дней в году. nД
= Принимаем размер партии деталей nД = 84 шт. Число запусков деталей в месяц: iрасч
= iрасч
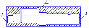
= Принимаем число запусков изделий в месяц i = 1. 2. Описание служебного назначения детали Деталь «Вал эксцентриковый» предназначена для приема от привода вращательного движения и преобразование его в возвратно- поступательное движение детали «Шатун» далее движение передается на деталь «Поршень». Для обеспечения служебного назначения деталь «Вал» имеет высокоточную поверхность диаметром 45k6 на которую устанавливается деталь «Шатун». На поверхности диаметрами 30k6,20k6 устанавливаются шариковые подшипники наружные канавки диаметром 622 мм, в которые устанавливаются клиновые ремни. Для обеспечения служебного назначения деталь «Вал» имеютcя высокоточные поверхности диаметром 30k6,20k6 предназначенные для установки подшипников, также на детали «Вал» имеется канавка для установки стопорного кольца, шпоночный паз предназначенный для установки детали «Маховик» Габаритные размеры детали «Вал»: диаметр – 45 мм; ширина – 181 мм, масса 1,193 килограмм. Деталь имеет наружные поверхности симметричные относительно оси вращения, а также торцы, удобные для установки детали на станок. Деталь «Вал» изготавливается из стали 40Х13 ГОСТ 5632-72 Материал заменитель 30х13 Свойствa материала представлены в таблице Таблица 1 – Свойства стали 40Х13
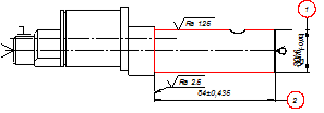
3. Анализ соответствия технических условий и норм точности назначению детали Проведем анализ соответствия технических условий и норм точности служебному назначению детали. Качественная оценка касается правильности формулировки технических условий, формы задания допустимых отклонений, достаточности норм точности и технических условий. Поверхности диаметрами 30к6, 20к6 с шероховатостью Rа =1,25 мкм и радиальным биением 0,006 мм является базовыми поверхностями, предназначены для установки подшипников и служащие для ориентирования детали в изделии «Насос». Наружная цилиндрическая поверхность диаметром 40к6 с шероховатостью Rа =1,25 мкм и радиальным биением 0,006 мм предназначена для установки детали «Шатун» Торцевые поверхности с шероховатостью Rа =2,5 мкм и торцевым биением 0,006 мм предназначены для установки детали без перекоса. относительно цилиндрических поверхностей к которым они прилегают Шпоночный паз шириной 8-0,35 мм и глубиной 4-0,2 мм предназначен для плотной установки шпонки. Канавка диаметром 37,5 предназначена для установки стопорного кольца Остальные поверхности являются свободными и предназначены для соединения основных и вспомогательных баз. Материал: углеродистая сталь 40Х13 термообработанная и обладающая высокой твердостью, износостойкостью и коррозионной стойкостью - соответствует конструктивным и прочностным характеристикам детали; Деталь подвергается термической обработке - улучшению для обеспечения твердости 28..32 HRСэ, при дальнейшей обработке некоторые поверхности заготовки подвергаются закалки токами высокой частоты, данное условие необходимо для обеспечения твердости 50..55 HRСэ; Остальные ТТ по ОСТ 3-3189-75. Отраслевой стандарт предусматривает ряд технических требований, предъявляемых к механической обработке и обеспечивающих требуемое качество. 4. Анализ технологичности конструкции детали Под термином технологичность понимают такое проектирование, которое при соблюдении всех эксплуатационных качеств, обеспечивает минимальную трудоспособность изготовления материалоемкость, себестоимость, а также возможность быстрого освоения выпуска изделий в заданном объеме и использование современных методов обработки и сборки. Конструкция детали, считается технологичной, если она позволяет в полной мере использовать для изготовления наиболее экономичный технологический процесс, обеспечивающий ее качество и удовлетворяющий служебному назначению. Такой технологический процесс, при соблюдении всех эксплуатационных качеств, обеспечивает минимальную трудоемкость изготовления, материалоемкость, себестоимость, а также возможность быстрого освоения выпуска изделий в заданном объеме и использование современных методов обработки. Технологичность – важнейшая техническая основа, обеспечивающая использование конструкторских и технологических резервов, для выполнения задач по повышению технико-экономических показателей изготовления и качества изделий. Технологичность конструкции деталей обуславливается: 1) рациональным выбором исходной заготовки и материала; 2) технологичностью формы детали; 3) рациональной простановкой размеров; 4) назначением оптимальной точности размеров. Эскиз детали с обозначением поверхностей требующих механической обработки показан на рисунке 1.
Рисунок 1 - Характеристика поверхностей детали «Вал» Таблица 2 – Характеристика поверхностей детали «Вал»
Qэ = 25 Оуэ =17 Для определения степени технологичности определяем следующие показатели: 1. Коэффициент использования материала
где mд – масса детали, кг; mз – масса заготовки, кг.
2. Коэффициент унификации конструктивных элементов
где Nу – число унифицированных элементов; N0 – общее количество обрабатываемых поверхностей.
3. Коэффициент точности
где Аср - средний квалитет точности
где ni - количество поверхностей одного и тогоже квалитета; N0 – общее количество поверхностей.
4. Коэффициент шероховатости
где Бср - среднее арифметическое значение шероховатости обрабатываемых поверхностей по параметру Ra
где ni - количество поверхностей одного и тогоже квалитета; N0 – общее количество поверхностей.
Таким образом, проанализировав все имеющиеся коэффициенты, можно говорить, что деталь «Вал» является технологичной по всем рассчитанным коэффициентам. 5. Выбор исходной заготовки5.1 Определение вида и метода получения исходной заготовкиПравильный выбор исходной заготовки непосредственно влияет на построение технологического процесса изготовления детали, способствует снижению материалоёмкости, затрат на изготовление, а следовательно, снижение себестоимости изготовления детали. Эксплуатационные параметры детали «Вал» и вид материала позволяют изготавливать заготовку из проката по ГОСТ 2590-74 и щтамповкой получаемую на кривошипном горячештамповочный пресс и закрепленный открытый штамп с предварительным нагревом заготовки в газопламенной печи. Материал, из которого изготовлена деталь – 40Х13 ГОСТ 5632-72, данный материал имеет хорошие штамповочные свойства, обладает достаточной прочностью и относительно низкой стоимостью. Сравним два метода получения заготовки – горячекатаный прокат по ГОСТ 2590-74 и штамповкой получаемую на кривошипном горячештамповочный пресс и закрепленный открытый штамп с предварительным нагревом заготовки в газопламенной печи. Оба рассматриваемых вида могут быть применены в среднесерийном производстве, поэтому необходимо выбрать наиболее рациональный вид заготовки методом технико-экономического сравнения. Для этого нужно определить размеры и массу указанных выше заготовок. 5.2 Определение общих припусков на обработку и размеров заготовкиОпределение вида и метода получения заготовки На рисунке 1.4 а обозначим поверхности для штамповочной заготовки, на которые назначим припуски, поверхности вращения 2,4,6,8,11,13 и торцы 1,3,5,7,9,10,12,14. На рисунке 1.4 б обозначены поверхности для горячекатаного проката поверхность 1, торцы 2,3.
Рисунок 2 - Эскиз заготовки детали «Вал»: а) поковка; б) прокат Для заготовки получаемой способом штамповки припуски назначаем по ГОСТ 7505-74[1] и (табл.20-21, стр.138-140, табл.23 стр.146, [2]) 1. Определяем группу материала, из которого изготавливается штамповка: Материал сталь углеродистой стали 40Х13 ГОСТ 5632-72 относиться к группе стали – М2 (табл.1 стр. 8 [2]) 2. Конфигурация поверхностей разъема штампа П – плоская; 3. Исходный индекс – 8 (табл.2 стр.9 [2]); 4. Степень сложности штамповки – С2 (приложение 2 стр. 30 [2]); Степень сложности определяется путём соотношения массы штамповки к массе геометрической фигуры, в которую она вписывается. 5. Класс точности нормальный – Т3 (приложение 1 т. 19 стр. 28 [2]); 6. Дополнительные припуски, учитывающие смещение по поверхности разъема штампа – 0,2 мм (табл. 4 стр. 20 [2]); 7. Штамповочные уклоны по наружной поверхности - 10 (табл.18 стр. 26 [2]); 8. Дополнительная величина остаточного облоя – 0,6 мм; 9. Минимальная величина радиусов закругления наружных и внутренних углов поковки 2 мм (табл.7 стр. 15 [2]; 10. Дополнительное отклонение по изогнутости от прямолинейности и от плоскостности 0,2 мм (табл.13 стр. 23 [2]). Основные припуски и допуски на размеры поковки назначим согласно (табл.3.8 [2]). Таблица 3 - Общие припуски для детали из поката
Таблица 4 – Общие припуски на поверхности для штамповоной заготовки
5.3 Технико-экономическое обоснование выбора заготовки Подтвердим выбор заготовки путем сравнения себестоимости двух вариантов. Оценку различных вариантов получения заготовок чаще всего производят по 2-м показателям: - по коэффициенту использования материала КИМ ; - по технологической себестоимости изготовления детали. Для расчета Ким необходимо определить массу детали и заготовок. Масса заготовки из проката:
где в – диаметр заготовки; l-длина заготовки;
Расчет штамповоной заготовки производим при помощи SolidWorks эскиз штамповоной заготовки представлен на рисунки mшт =1.686кг
Рисунок 3 - Масса штамповоной заготовки Расчет массы детали производим при помощи SolidWorks эскиз детали представлен на рисунки mд =1.193кг
Рисунок 4 - Масса заготовки Определим коэффициент использования материала: - для I варианта КИМ
1
= - для II варианта КИМ 2
= Для вычисления технологической себестоимости изготовления детали из двух вариантов заготовок необходимо знать массу детали, массу заготовки, а также стоимость материала заготовки. Рассчитаем технологическую себестоимость изготовления детали по формуле CТ
=Qзаг где Qзаг - вес заготовки, кг; Сзаг – оптовая цена 1 кг заготовки, рублей; Смех – стоимость механической обработки 1 кг заготовки, рублей; Сотх – стоимость 1 кг отходов, рублей. Рассчитаем технологическую себестоимость изготовления детали из проката СТ. ПР
=3,43 Рассчитаем технологическую себестоимость изготовления детали из штамповочной заготовки Cшт. = Cшт. б ×. kт ×kс ×kм ×kв ×kп , (14) где Cшт. б - базовая стоимость 1 кг заготовок, 35 рублей; kт =1 - коэффициент, зависящий от класса точности поковки; kс =0,77 - коэффициент, зависящий от группы сложности; kм =1,18 - коэффициент, зависящий от массы; kв =1 - коэффициент, зависящий от марки материала; kп =1 - коэффициент, зависящий от серийности. СТ. шт
=31,80 Годовой экономический эффект определим по формуле Э=(СТ.ПРОК
- СТ.ОТЛ
) где N = - годовая программа выпуска детали, шт. Э=(128,25-61,23) Так как изготовление детали из заготовки, полученной прокатом не рационально в отношении использования материала, окончательно выбираем заготовку, полученную методом штамповки с уже готовым профилем детали, что значительно уменьшит расход материала и время на механическую обработку. 6. Разработка технологического маршрута изготовления детали 6.1 Разработка плана обработки поверхностей заготовки При определении последовательности обработки поверхности необходимо выбрать метод обработки, соответствующий её форме, точности, шероховатости, учитывающий свойства материала заготовки. Определить последовательность и число переходов обработки можно, используя коэффициент ужесточения точности поверхности и учитывая параметры её шероховатости. Коэффициент ужесточения точности определяется по формуле
где
Количество требуемых технологических переходов определяется по формуле
Полученное число округляется до ближайшего целого значения. Определим количество переходов для поверхности торцов 1,14
Назначаем - черновое точение – 14 квалитет Определим количество переходов для поверхности 2
Назначаем При обработке происходит уточнение размера на 10 квалитетов точности (с 16 квалитета до 6 квалитета поверхности детали). Распределим по переходам уточнение размера поверхности В по методу арифметической прогрессии: - черновое точение – 14 квалитет; - получистовое точение – 10 квалитет; - чистовое точение – 8 квалитет; - шлифование– 6 квалитет Определим количество переходов для торцов 3
Назначаем - черновое точение – 14 квалитет - получистовое точение – 10 квалитет; - чистовое точение – 8 квалитет; Определим количество переходов для поверхности 4:
Назначаем - черновое точение – 14 квалитет; Определим количество переходов для поверхности 5:
Назначаем - черновое точение – 14 квалитет; Определим количество переходов для поверхности 6
Назначаем При обработке происходит уточнение размера на 10 квалитетов точности (с 16 квалитета до 6 квалитета поверхности детали). Распределим по переходам уточнение размера поверхности В по методу арифметической прогрессии: - черновое точение – 14 квалитет; - получистовое точение – 10 квалитет; - чистовое точение – 8 квалитет; - шлифование– 6 квалитет Определим количество переходов для торца 7:
Назначаем - черновое точение – 14 квалитет - получистовое точение – 10 квалитет; - чистовое точение – 8 квалитет; Определим количество переходов для торца 8:
Назначаем - черновое точение – 14 квалитет; Определим количество переходов для торца 9:
Назначаем - черновое точение – 14 квалитет; Определим количество переходов для торца 10:
Назначаем - черновое точение – 14 квалитет; Определим количество переходов для торца 11:
Назначаем - черновое точение – 14 квалитет; Определим количество переходов для торца 12:
Назначаем - черновое точение – 14 квалитет - получистовое точение – 10 квалитет; - чистовое точение – 8 квалитет; Определим количество переходов для поверхности 13
Назначаем При обработке происходит уточнение размера на 10 квалитетов точности (с 16 квалитета до 6 квалитета поверхности детали). Распределим по переходам уточнение размера поверхности В по методу арифметической прогрессии: - черновое точение – 14 квалитет; - получистовое точение – 10 квалитет; - чистовое точение – 8 квалитет; - шлифование– 6 квалитет На остальные поверхности назначаем однократную обработку Заносим в таблицу 5 план обработки на каждую поверхность Таблица 5 - План обработки детали «Вал»
6.2 Выбор вариантов схем базирования заготовки На первой фрезерно-центровальной операции базируем заготовку по наружным поверхностям диаметром 33 и 34 мм, выбрав ее в качестве черновой базы, для одновременной обработки торцов и сверления центровых отверстий. Данная схема базирования лишает заготовку 5 степеней свободы - перемещения вдоль осей XYZ и поворота вокруг осей YZ. Наружная цилиндрическая поверхность является двойной направляющей базой, лишающей заготовку 4-х степеней свободы. Торец является опорной базой и лишает заготовку 1 степени подвижности. Наружная цилиндрическая поверхность является черновой базой и используется на черновых операциях. Такая схема реализуется при установке заготовки в тисках с призматическими губками.
Рисунок 5 - Схема базирования заготовки 015 операции На 020 токарной с ЧПУ операции базируемся по центровым отверстиям, выбрав ее в качестве чистовой базы и торцу для обработки базовой поверхности для черновой и чистовой обработки поверхностей диаметром 30,233 и 35 и подрезки торцов в размер 102 и 84 мм Данная схема базирования лишает заготовку 5 степеней свободы -перемещения вдоль осей XYZ и поворота вокруг осей YZ. Торец является опорной базой и лишает заготовку 1-х степеней свободы, а наружная цилиндрическая поверхность – двойной направляющей базой, лишающей заготовку 4-х степеней свободы. Торец и центровые отверстия являются чистовыми базами и используются неоднократно. Такая схема реализуется при установке заготовки в комбинированном патроне и заднем центре.
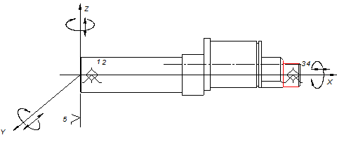
Рисунок 6 - Схема базирования заготовки 020 операции На 025 токарной с ЧПУ операции базируемся по центровым отверстиям, выбрав их в качестве чистовой базы и торцу для обработки поверхности диаметром 45,40,239 и подрезки торцов в размер 74, 79 мм, а также обработки канавки диаметром 37,5 Данная схема базирования лишает заготовку 5 степеней свободы -перемещения вдоль осей XYZ и поворота вокруг осей YZ. Торец является опорной базой и лишает заготовку 1-х степеней свободы, а наружная цилиндрическая поверхность – двойной направляющей базой, лишающей заготовку 4-х степеней свободы. Торец и центровые отверстия являются чистовыми базами и используются неоднократно. Такая схема реализуется при установке заготовки в центросместитильный патрон и задний центр.
Рисунок 7 - Схема базирования заготовки 025 операции На 030 токарной с ЧПУ операции базируемся по центровым отверстиям, выбрав ее в качестве чистовой базы и торцу для обработки базовой поверхности для черновой и чистовой обработки поверхностей диаметром 30 и 20,233 и подрезки торцов в размер 32 и 14 мм Данная схема базирования лишает заготовку 5 степеней свободы -перемещения вдоль осей XYZ и поворота вокруг осей YZ. Торец является опорной базой и лишает заготовку 1-х степеней свободы, а наружная цилиндрическая поверхность – двойной направляющей базой, лишающей заготовку 4-х степеней свободы. Торец и центровые отверстия являются чистовыми базами и используются неоднократно. Такая схема реализуется при установке заготовки в комбинированном патроне и заднем центре.
Рисунок 8 - Схема базирования заготовки 020 операции На фрезерных 035,040 операциях базируемся по цилиндрической поверхности и торцу для обработки, шпоночного паза 8 и лыски радиусом 7. Данная схема базирования лишает заготовку 5 степеней свободы. Торец - опорная база, лишающая заготовку 1-ой степени свободы, цилиндрическая поверхность – двойная направляющая база, лишающая заготовку 4-х степеней свободы. Торец и цилиндрическая поверхность являются чистовыми базами. Для закрепления приложена сила P.Данная схема реализуется при установки заготовки в спец. приспособление и призмы.
Рисунок 9 - Схема базирования заготовки 035 операции
Рисунок 10 - Схема базирования заготовки 040 операции На шлифовальных 055,065 операции применяется базирование в поводковом патроне и заднем центре. Данная схема базирования применяется для шлифования поверхностей диаметром 20 k6, 30 k6 шероховатостью Ra=1,25 мкм. Данная схеме базирования лишает заготовку 5-ти степеней свободы - перемещения вдоль осей XYZ и поворота вокруг осей YZ. Ось является двойной направляющей базой и лишает деталь 4 степеней свободы; торец являются опорной базой и лишает 1 степени свободы.
Рисунок 11 - Схема базирования заготовки 055 операции
Рисунок 12 - Схема базирования заготовки 065 операции На шлифовальной 060 операции применяется базирование в спец. патроне со смещенным центром и заднем центре. Данная схема базирования применяется для шлифования поверхностей диаметром 40 k6 шероховатостью Ra=1,25 мкм. Данная схеме базирования лишает заготовку 5-ти степеней свободы -перемещения вдоль осей XYZ и поворота вокруг осей YZ. Ось является двойной направляющей базой и лишает деталь 4 степеней свободы; торец являются опорной базой и лишает 1 степени свободы.
Рисунок 13 - Схема базирования заготовки 060 операции 6.3 Разработка маршрута обработки заготовки На основании плана обработки поверхностей и выбранных схем базирования заготовки, приступим к формированию маршрутного техпроцесса обработки детали «Вал». Представим в виде таблицы 6 маршрут механической обработки детали с кратким перечнем оборудования и технологической оснастки. Таблица 6 – Маршрут обработки детали «маховик»
7. Разработка технологических операций 7.1 Выбор технологического оборудования Подробное описание маршрутного техпроцесса с содержанием операций и перечнем оборудования, приспособлений и инструмента приведено в технологических картах на механическую обработку детали в приложении. Принцип выбора оборудования основывается на концентрации и дифференциации операций. По возможности необходимо стремиться к обработке с одной установки максимально возможного количества поверхностей. Установив при проектировании технологического процесса план и метод обработки детали, указываем, на каком станке будет выполняться данная операция, с помощью каких приспособлений и инструмента: На 015 фрезерно-центровальной операции выбираем фрезерно-центровальный станок МР-71М; На токарной с ЧПУ операции 020, 025, 030 выбираем токарный станок с ЧПУ 16К20Т1; На фрезерную операцию 035 используем вертикально-фрезерный станок 6P13; На фрезерную операцию 040 используем горизонтально -фрезерный станок 6Р81; На операции круглошлифовальной 055,060,065 выбираем круглошлифовальный станок 3М151. Таблица 7 - МР-71М Фрезерно-центровальный станок
Таблица 8 – 16К20Т1 Токарный станок с ЧПУ
Таблица 9 – 6Р13 Вертикально фрезерный станок
Таблица 10 – 6Р81 Горизонтально- фрезерный станок
Таблица 11 - 3М150 Круглошлифовальный станок
7.2 Выбор станочных приспособлений, режущего, вспомогательного и мерительного инструмента При механической обработке детали важными факторами в достижении требуемой точности изготовления является способ базирования и закрепления заготовки, используемый инструмент, а также средства и методы контроля. Для правильного выбора станочных приспособлений, посредствам которых можно осуществить требуемую схему базирования, режущего и мерительного инструмента воспользуемся литературой [2,8,10,11]. Сведем данные в таблицу 12. Таблица 12 - Выбор станочных приспособлений, режущего и вспомогательного инструмента, а так же средств контроля
7.3 Формирование структуры операций. Для создания чёткой картины обработки сформируем структуру операций и отобразим всё это в таблице 13. Таблица 13 – Операционный технологический процесс
7.4 Расчет припусков и размеров заготовки Определим минимальные припуски на механическую обработку. Для поверхностей вращения двухсторонний минимальный припуск рассчитаем по формуле рекомендуемой (стр.175 [1]):
где Rz - шероховатость поверхности; h- толщина дефектного слоя поверхности; D -суммарное отклонение расположения и формы поверхности заготовки; eу - погрешность установки; i- индекс перехода. Для штамповки определяем промежуточные припуски, промежуточные размеры и допуски на них. Определяем элементы припуска для поверхности гарячештампованной поковки. На поверхность 1,14 переход I Z1min1,14 =2(Rz0 +h0 +D0 +eу1 )=2(160+200+100+100)= 1120мкм Rz0 1,14 = 200 мкм (табл.12, стр.186, [1]) h0 1,14 =250 мкм (табл.12, стр.186, [1]) D0 1,14 =4; длина поверхности 25 мм; D0 1,14
=4 eу1А 1,14 =100 мкм (табл.15, стр.43, [1]) Рассчитаем припуски на поверхность 2: переход I
Rz0 2 = 160 мкм (табл.12, стр.186, [1]) h0 2 =200мкм (табл.12, стр.186, [1]) D0 2 =3; длина поверхности 13,5 мм; D02
=3 eу12 =200 мкм (табл.16, стр.44, [1]) переход II
Rz1 2 = 50 мкм – получили на черновом переходе (табл.25, стр.188, [1]) h1 2 = 50 мкм (табл.25, стр.188, [1]) D1 2
=0,06 eу1 2 =0 мкм (без переустановки) переход III 2Z3min2
= Rz22 = 25 мкм (табл.25, стр.188, [1]) h22 = 25 мкм (табл.25, стр.188, [1]) D22
=0,06 eу22 =0 мкм (табл.13, стр.42, [1]); переход IV
Rz32 = 5 мкм (табл.25, стр.188, [1]) H32 = 15 мкм (табл.25, стр.188, [1]) D32
=0,06 eу3 2 = 80 мкм (табл.16, стр.44, [1]); Рассчитаем припуски на поверхность 3: переход I
Rz0 3 = 160 мкм (табл.12, стр.186, [1]) h0 3 =200 мкм (табл.12, стр.186, [1]) D0 3 =3; длина поверхности 33 мм; (табл.16, стр.186, [1]) D03
=3 eу0 3 =100 мкм (табл.16, стр.44, [1]) переход II
Rz1Г\3 = 50 мкм – получили на черновом переходе (табл.24, стр.187, [1]) h13 = 50 мкм (табл.24, стр.187, [1]) D13
=0,06 eу1 3 =0 мкм (табл.16, стр.44, [1]); переход III 2Z3min3
= Rz23 = 120 мкм (табл.24, стр.188, [1]) h23 = 125 мкм (табл.24, стр.188, [1]) D23
=0,06 eу23 =0 мкм (табл.16, стр.44, [1]); На поверхность 4 переход I
Rz0 4 = 160 мкм (табл.12, стр.186, [1]) h0 4 =200 мкм (табл.12, стр.186, [1]) D0 4 =3; длина поверхности 18,5 мм; при диаметре 33 мм D0
4=3 eу0 4 =200 мкм (табл.15, стр.43, [1]) На поверхность 5 переход I
Rz0 5 = 160 мкм (табл.12, стр.186, [1]) h0 5 =200 мкм (табл.12, стр.186, [1]) D0 5 =3; длина поверхности 45 мм; (табл.16, стр.186, [1]) D05
=3 eу05 =100 мкм (табл.16, стр.44, [1]) Рассчитаем припуски на поверхность 6: переход I
Rz0 6 = 160 мкм (табл.12, стр.186, [1]) h0 6 =200мкм (табл.12, стр.186, [1]) D0 6 =3; длина поверхности 41.1 мм; D06
=3 eу0 6 =200 мкм (табл.16, стр.44, [1]) переход II
Rz16 = 50 мкм – получили на черновом переходе (табл.25, стр.188, [1]) h16 = 50 мкм (табл.25, стр.188, [1]) D16
=0,06 eу16 =0 мкм (без переустановки) переход III 2Z3min6
= Rz26 = 25 мкм (табл.25, стр.188, [1]) h26 = 25 мкм (табл.25, стр.188, [1]) D26
=0,06 eу26 =0 мкм (табл.13, стр.42, [1]); переход IV
Rz36 = 5 мкм (табл.25, стр.188, [1]) H36 = 15 мкм (табл.25, стр.188, [1]) D36
=0,06 eу36 = 80 мкм (табл.16, стр.44, [1]); Рассчитаем припуски на поверхность 7: переход I
Rz0 7 = 160 мкм (табл.12, стр.186, [1]) h0 7 =200 мкм (табл.12, стр.186, [1]) D0 7 =3; длина поверхности 47.6 мм; (табл.16, стр.186, [1]) D07
=3 eу07 =100 мкм (табл.16, стр.44, [1]) переход II
Rz17 = 50 мкм – получили на черновом переходе (табл.24, стр.187, [1]) h17 = 50 мкм (табл.24, стр.187, [1]) D17
=0,06 eу17 =0 мкм (табл.16, стр.44, [1]); переход III 2Z3min7
= Rz27 = 120 мкм (табл.24, стр.188, [1]) h27 = 125 мкм (табл.24, стр.188, [1]) D27
=0,06 eу27 =0 мкм (табл.16, стр.44, [1]); Рассчитаем припуски на поверхность 8: переход I
Rz0 8 = 160 мкм (табл.12, стр.186, [1]) h0 8 =200мкм (табл.12, стр.186, [1]) D0 8 =3; длина поверхности 8.1 мм; D08
=3 eу08 =200 мкм (табл.16, стр.44, [1]) Рассчитаем припуски на поверхность 9: переход I
Rz0 9 = 160 мкм (табл.12, стр.186, [1]) h0 9 =200 мкм (табл.12, стр.186, [1]) D0 9 =3; длина поверхности 47.6 мм; (табл.16, стр.186, [1]) D09
=3 eу09 =100 мкм (табл.16, стр.44, [1]) Рассчитаем припуски на поверхность 10: переход I
Rz010 = 160 мкм (табл.12, стр.186, [1]) h0 10 =200 мкм (табл.12, стр.186, [1]) D0 10 =3; длина поверхности 37.8 мм; (табл.16, стр.186, [1]) D010
=3 eу010 =100 мкм (табл.16, стр.44, [1]) Рассчитаем припуски на поверхность 11: переход I
Rz0 11 = 160 мкм (табл.12, стр.186, [1]) h0 11 =200мкм (табл.12, стр.186, [1]) D0 11 =3; длина поверхности 19,1 мм; D0 11
=3 eу011 =200 мкм (табл.16, стр.44, [1]) Рассчитаем припуски на поверхность 12: переход I
Rz0 12 = 160 мкм (табл.12, стр.186, [1]) h0 12 =200 мкм (табл.12, стр.186, [1]) D0 12 =3; длина поверхности 37.8 мм; (табл.16, стр.186, [1]) D012
=3 eу012 =100 мкм (табл.16, стр.44, [1]) переход II
Rz112 = 50 мкм – получили на черновом переходе (табл.24, стр.187, [1]) h112 = 50 мкм (табл.24, стр.187, [1]) D112
=0,06 eу112 =0 мкм (табл.16, стр.44, [1]); переход III 2Z3min12
= Rz212 = 120 мкм (табл.24, стр.188, [1]) h212 = 125 мкм (табл.24, стр.188, [1]) D212
=0,06 eу212 =0 мкм (табл.16, стр.44, [1]); Рассчитаем припуски на поверхность 13: переход I
Rz0 13 = 160 мкм (табл.12, стр.186, [1]) h0 13 =200мкм (табл.12, стр.186, [1]) D0 13 =3; длина поверхности 82,9 мм; D013
=3 eу013 =200 мкм (табл.16, стр.44, [1]) переход II
Rz113 = 50 мкм – получили на черновом переходе (табл.25, стр.188, [1]) h113 = 50 мкм (табл.25, стр.188, [1]) D113
=0,06 eу113 =0 мкм (без переустановки) переход III 2Z3min13
= Rz213 = 25 мкм (табл.25, стр.188, [1]) h213 = 25 мкм (табл.25, стр.188, [1]) D213
=0,06 eу213 =0 мкм (табл.13, стр.42, [1]); переход IV
Rz313 = 5 мкм (табл.25, стр.188, [1]) H313 = 15 мкм (табл.25, стр.188, [1]) D313
=0,06 eу313 = 80 мкм (табл.16, стр.44, [1]); Определяем допуски на промежуточные размеры и допуски на заготовку. Допуск на поверхности 2 б(-)3
= 1300 б1 = 520 мкм(по 14 квалитету) (табл. 11 стр. 130 [5] ) б2 = 84 мкм(по 10 квалитету) (табл. 11 стр. 130 [5] ) б3 = 33 мкм(по 8 квалитету) (табл. 11 стр. 130 [5] ) Допуск на поверхности 3 б(-)3
= 1100 б1 = 430 мкм(по 14 квалитету) (табл. 11 стр. 130 [5] ) б2 = 70 мкм(по 10 квалитету) (табл. 11 стр. 130 [5] ) Допуск на поверхности 6 б(-)3 = 1600мкм б1 = 620 мкм(по 14 квалитету) (табл. 11 стр. 130 [5] ) б2 = 100 мкм(по 10 квалитету) (табл. 11 стр. 130 [5] ) б3 = 39 мкм(по 8 квалитету) (табл. 11 стр. 130 [5] ) Допуск на поверхности 7 б(-)3
= 1900 б1 = 740 мкм(по 14 квалитету) (табл. 11 стр. 130 [5] ) б2 = 120 мкм(по 10 квалитету) (табл. 11 стр. 130 [5] ) Допуск на поверхности 12 б(-)3
= 2200 б1 = 870 мкм(по 14 квалитету) (табл. 11 стр. 130 [5] ) б2 = 140 мкм(по 10 квалитету) (табл. 11 стр. 130 [5] ) Допуск на поверхности 13 б(-)3 = 1300мкм б1 = 520 мкм(по 14 квалитету) (табл. 11 стр. 130 [5] ) б2 = 84 мкм(по 10 квалитету) (табл. 11 стр. 130 [5] ) б3 = 33 мкм(по 8 квалитету) (табл. 11 стр. 130 [5] ) Определяем промежуточные размеры: На поверхность 1,14
На поверхность 2
На поверхность 3
На поверхность 4
На поверхность 5
На поверхность 6
На поверхность 7
На поверхность 8
На поверхность 9
На поверхность 10
На поверхность 11
На поверхность 12
На поверхность 13
Таблица 14 - Расчет припусков на заготовку
7.5 Расчет и назначение режимов резания Определяем режимы резания на токарную с ЧПУ операцию 030 по нормативам [5]: 1Установить, зажать деталь; 2.Точить поверхность с одновременной подрезкой торца, выдерживая размеры (3), (2)с образованием фаски (4) 3. Точить поверхность с одновременной подрезкой торца, выдерживая размеры (5), (1) с образованием фаски (6) 4. Снять заготовку 2 переход 1.Для точения наружной поверхности Глубина резания равна: - черновой t21 =1,92 мм - получистовой t2 2 =0,36 мм - чистовое точение t3 2 =0,092 мм 2. Для подрезки торца Глубина резания равна: - черновой t21 =0,95 мм - получистовой t2 2 =0,53 мм - чистовое точение t3 2 =0,12 мм 3. Назначаем подачу:
4. Назначаем период стойкости резца Т=60 мин. [5] 5. Выбираем скорость главного движения резания:
6.Рассчитаем частоту вращения шпинделя:
7. Корректируем частоту вращения шпинделя по паспортным данным станка:
8. Вносим поправку значении скорости резания:
9. Рассчитаем минутную подачу:
10. Определим мощность, затачиваемую на резание:
11. Проверяем мощность привода станка по условию Nрез £Nшп Nшп
= Nст 2,8 £ 8 - обработка возможна 3 переход 1.Для точения наружной поверхности Глубина резания равна: - черновой t31 =1,5 мм 2. Для подрезки торца Глубина резания равна: - черновой t31 =1,1 мм 3. Назначаем подачу:
4. Назначаем период стойкости резца Т=60 мин. [5] 5. Выбираем скорость главного движения резания:
6.Рассчитаем частоту вращения шпинделя:
7. Корректируем частоту вращения шпинделя по паспортным данным станка:
8. Вносим поправку в значении скорости резания:
9. Рассчитаем минутную подачу:
10.Определим мощность, затачиваемую на резание:
11. Проверяем мощность привода станка по условию Nрез £Nшп Nшп
= Nст 2,6 £ 8 - обработка возможна Рассчитаем режимы резания на вертикально-фрезерную операцию 035 по эмпирическим формулам. 1. Установить и зажать заготовку. 2. Фрезеровать шпоночные пазы с переустановкой, выдерживая размеры 1, 2, 3,4 3. Снять заготовку 1. Глубина фрезерованияt2 =4 мм 2. Определяем подачу Sz =0,02 мм/об (стр. 286 т. 38 [3]) 3. Скорость резания для фрезерования: 4. Назначаем период стойкости сверла Т=80 мин ( стр. 279, т.30[3]) 5. Определяем скорость главного движения резания, допускаемую режущими свойствами фрезы:
где Сv =12;q=0.3;x=0.3;y=0.25;u=0;p=0;m=0.26 (стр. 286 т. 39 [3]) D –диаметр фрезы 8 мм; В- ширина фрезерования 8 мм; Z – число зубьев фрезы, 2 шт. Kv - поправочный коэффициент на скорость резания: kv = kMv ×kИ v ×klv (20) где kИ v - коэффициент учитывающий качество поверхностного слоя заготовки, 1 (стр. 280 т. 31 [3]); klv - коэффициент учитывающий материал инструмента, 1 (стр. 280 т. 31 [3]); kMv – коэффициент учитывающий качество материала:
где kГ - коэффициент зависящий от материала детали
kv = 1×1×0,56=0,56
6. Определяем частоту вращения:
n= 7. Корректируем частоту вращения по паспорту станка: n=500 об/мин 8. Тогда действительная скорость резания: VД
= VД
= 9. Определяем силу резания для сверления:
где Ср =68,2; y=0,72; w=0; x=0,86; u=1; q=086 (стр. 291 т. 41 [3])
10. Определяем крутящий момент:
где См =0,0345; y=0,8; q=2 (стр. 281 т.32[3])
11. Определяем мощность, затрачиваемую на резание:
12. Проверяем мощность привода станка по условию Nрез £Nшп Nшп
= Nст Значения режимов резания по остальным операциям выбираем по справочнику [5,6,7] и результаты сводим в таблицу 15. Таблица 15 – Режимы резания
8. Нормирование технологических операций Технически обоснованная норма времени устанавливается с учетом проектируемого технологического процесса, организации труда и квалификации рабочих, соответствующих заданному типу производства и рациональной организации рабочих мест. Определим нормы времени для каждой технологической операции механической обработки заготовки. Для серийного производства норма времени на выполнение технологической операции определяется как штучно-калькуляционное время по формуле ТШК
= ТШ
+ где ТШ – штучное время на операцию, мин; ТПЗ – подготовительно-заключительное время; nП – размер партии деталей. Норма штучного времени на операцию в общем случае рассчитывается по формуле ТШ
= где q – число одновременно обрабатываемых заготовок (в нашем случае q = 1); ТОП - оперативное время; аобс – время на организационное и техническое обслуживание рабочего места в процентах; аотл - время на отдых и личные надобности в процентах к оперативному времени. Оперативное время вычисляется по формуле ТОП = ТО + ТВ + КТВ , (29) где ТО – основное (машинное) время; ТВ – вспомогательное время на выполнение вспомогательных переходов; КТВ - коэффициент вспомогательного времени, учитывающий тип оборудования и серийность производства. Основное время определяется по формуле ТО
= где toj – время выполнения отдельного технологического перехода. toj
= где l – длина обрабатываемой поверхности; lB – длина врезания инструмента; ln – длина перебега инструмента; S0 – оборотная подача; n – частота вращения шпинделя; i – число проходов, выполняемых на данном переходе. Вспомогательное время на операцию определяем по формуле ТВ = ТВУ + ТВСП + ТВИ , (32) где ТВУ – время на установку и снятие заготовки; ТВСП – вспомогательное время, связанное с выполнением перехода и операции; ТВИ – время на контрольные измерения. Для технологических операций, выполняемых на станках ЧПУ, штучное время определяется по формуле ТШТ
=(Та
+ ТВ
КТВ
) (1 + где Та – время автоматической работы по программе; Тоб – время на обслуживание рабочего места и личные надобности в процентах. Та = Тоа + Тва , (34) где Тао – время основной работы по программе; Тва – время вспомогательной работы по программе; Тоа
= где li – длина пути, проходимого инструментом на участке траектории движения; Sм i – минутная скорость подачи. Тва = ТХ + ТОСТ , (36) где ТХ – время автоматической вспомогательной работы на быстрые перемещения; ТОСТ – время технологических пауз при смене инструмента, проверке размеров и т.п. В качестве примера определим норму времени для 030 операции, токарной с ЧПУ. Время автоматической работы определим по формуле Та
= Значения toai и tв aj определяются из таблицы, составленной в соответствии с траекторией движения инструмента (рис. 14).
Рисунок 14 - Траектория движения инмтрумента на операции 030 Таблица 16 - Нормы времени на операцию 030 токарную с ЧПУ
Та = 0.241+0.228=0,469мин Тв =Тву +Твсп +Твн =0,45+0,55+0,47=1,47 мин где Тву = 0,45 мин (К.2, стр.36, [5]) – время на установку и снятие заготовки; Твсп. = 0,04 + 0,03 + 0,15 + 0,04+0.29 = 0,55 мин (К.8, стр.50, [5]) – время, связанное с выполнением переходов; Тви = 0.3+0.07+0.1= 0.47 мин (К.9, стр.52, [5]) – время на контрольные измерения; Тоб = 10% (К.10, стр.55, [5]) – время технологического обслуживания и отдыха; Ктв = 1 (К.1, стр.35, [5]) – поправочный коэффициент на вспомогательное время, зависящий от серийности работ, типа оборудования и трудоёмкости. Тш
= (0,469 + 1,47∙1)∙(1 + Тпз = 14 мин – (К.11, стр.50, [5]) подготовительно-заключительное время; nД = 84 – размер партии деталей. Определим штучно-калькуляционное время: Тш-к
= 2,13 + Расчет и выбор норм времени на операцию с ручным управлением. 040 Фрезерную
Вспомогательное время Тву = 0,15 мин (к.3, стр.34 [8]) – время на установку и снятие заготовки; Твсп = 0,02+0,06+0,08+0,5+0,06=0,27 мин (к.18, стр.67 [7]), (к.18, стр.69 [7]) – вспомогательное время, связанное с переходом; Тви = 0,17 мин (к.86, стр.186 [8]) – время на контрольные измерения (при помощи штангенциркуля);
ТП З =18 мин (с.110 к.32 [8]) аабс – процентное выражение времени взятого от оперативного аабс =3%; аотд – время на отдых и личные надобности аотд =7%;
Определим штучно-калькуляционное время:
Нормы времени по операциям сведем в таблицу 17. Таблица 17 - Нормирование времени на механическую обработку
Список литературы и нормативных документов 1. Справочник технолога-машиностроителя в 2 томах. Том 1 / Под редакцией Косиловой А.Г., Мещерякова Р.К. – 4-е изд., М. Машиностроение, 1985. 2. ГОСТ 7505-74. 3. Справочник технолога-машиностроителя в 2 томах. Том 2 / Под редакцией Косиловой А.Г., Мещерякова Р.К. – 4-е изд., М. Машиностроение, 1986. 4. Кузнецов Ю.И., Маслов А.Р., Байков А.Н. Оснастка для станков с ЧПУ: Справочник. – 2-е издание – М.: Машиностроение, 1990. 5. Общемашиностроительные нормативы времени и режимов резания на работы, выполняемые на металлорежущих станках с ЧПУ – ЦБПНТ при НИИ труда. М.: Машиностроение. 1980. 6. Общемашиностроительные нормативы режимов резания для технического нормирования работ на металлорежущих станках. Часть 1. ЦБПНТ при НИИ Труда. 2-е издание; М.: Машиностроение, 1974. 7. Общемашиностроительные нормативы режимов резания для технического нормирования работ на металлорежущих станках. Часть 2. ЦБПНТ при НИИ Труда. 2-е издание; М.: Машиностроение, 1974. 8. “Общемашиностроительные нормы времени вспомогательного, на обслуживание рабочего места и подготовительного для технического нормирования станочных работ”. ЦБПНТ при НИИ труда. М.: Машиностроение. 1974. |
|||||||||||||||||||||||||||||||||||||||||||||||||||||||||||||||||||||||||||||||||||||||||||||||||||||||||||||||||||||||||||||||||||||||||||||||||||||||||||||||||||||||||||||||||||||||||||||||||||||||||||||||||||||||||||||||||||||||||||||||||||||||||||||||||||||||||||||||||||||||||||||||||||||||||||||||||||||||||||||||||||||||||||||||||||||||||||||||||||||||||||||||||||||||||||||||||||||||||||||||||||||||||||||||||||||||||||||||||||||||||||||||||||||||||||||||||||||||||||||||||||||||||||||||||||||||||||||||||||||||||||||||||||||||||||||||||||||||||||||||||||||||||||||||||||||||||||||||||||||||||||||||||||||||||||||||||||||||||||||||||||||||||||||||||||||||||||||||||||||||||||||||||||||||||||||||||||||||||||||||||||||||||||||||||||||||||||||||||||||||||||||||||||||||||||||||||||||||||||||||||||||||||||||||||||||||||||||||||||||||||||||||||||||||||||||||||||||||||||||||||||||||||||||||||||||||||||||||||||||||||||||||||||||||||||||||||||||||||||||||||||||||||||||||||||||||||||||||||||||||

³ 0,7,(6)
, (7)
(8)
(10)
,
(11)



(17)
,
,
,
,
,
,
,
,
,
,

















(19) 
об/мин