Курсовая работа: Проектирование гидросхемы приводов машины для сварки трением
|
Название: Проектирование гидросхемы приводов машины для сварки трением Раздел: Промышленность, производство Тип: курсовая работа | ||||||||||||||||||||||||||||||||||||||||||||||||
Техническое задание Наименование, область применения и назначение изделия Проектирование гидросхемы приводов машины для сварки трением. Гидросхему приводов целесообразно использовать в автомобилестроение и инструментальном производстве. Гидросхема приводов предназначена для автоматизации основных операций, выполняемых на машине для сварки трением при использовании элементов гидроавтоматики. Цели и задачи разработки Проектирование гидросхемы приводов машины с целью автоматизации основных операций, выполняемых на машине для сварки трением при использовании элементов гидроавтоматики. Источники разработки Разработка ведется на основании изучения состава современного промышленного оборудования, прогнозирования потребности в оборудовании данного класса у предприятий и частных фирм. Технические требования Состав машины и требования к конструктивному исполнению Гидросхема должна содержать следующие узлы: - привод сжатия заготовки; - привод тормоза; - привод захватов; - гидростанция. Требования к надежности и технике безопасности. В наиболее ответственных местах должны быть предусмотрены предохранительные устройства от перегрузок. Электроаппаратура и электродвигатели должны быть защищены от попаданий влаги по категории « Правил устройства электроустановок (ПУЭ)», утвержденных Госэнергонадзором. Конструкции проектируемых узлов и систем должна исключать их поломку при нештатных ситуациях. Требования к технологичности производства и эксплуатации. Конструкция узлов и систем гидросхемы должна быть технологичной при изготовлении, эксплуатации и ремонте. Составные части узлов и систем гидросхемы должны быть доступны для технологического обслуживания и ремонта. Требования к метрологическому обеспечению. Все используемые измерительные устройства и датчики должны быть отградуированы, и пройти соответствующую аттестацию. Требования к уровню унификации и стандартизации. При проектировании гидросхемы приводов необходимо стремиться к максимальной унификации и стандартизации проектируемых узлов и систем, деталей и покупных изделий , а также использовать как можно больше стандартных крепежных деталей и т.п. Эстетические и эргономические требования. Конструкция проектируемых узлов и систем гидросхемы приводов и их внешний вид должны соответствовать современным требованиям технической эстетики. Установка органов управления и усилия, прикладываемые к ним человеком, должны соответствовать эргономическим требованиям. Специфические требования. По основным техническим характеристикам и технико-экономическим показателям проектируемые узлы и системы гидросхемы приводов должны иметь преимущества перед подобными образцами данного класса оборудования и находиться на уровне современных зарубежных образцов. Требования к основным частям установки, сырью и эксплуатационным материалам. Выбор дефицитных комплектующих изделий материалов и дорогостоящих видов термообработки должен иметь убедительную обоснованность. Условия эксплуатации, требования к техническому обслуживанию и ремонту приводов. Все составляющие гидросхемы приводов должны быть рассчитаны для работы в закрытых помещениях при температуре -20…+80 С. Питание насосной станции должно осуществляться от сети переменного тока напряжением 220В с частотой 50Гц. Приводы машины периодически должен обслуживать один человек. Система обслуживания должна включать: - ежедневное обслуживание; - еженедельное обслуживание; -техническое обслуживание после 1000 часов работы; -техническое обслуживание после 2000 часов работы. Требование к маркировке и установке. На видных местах приводов должны быть прикреплены таблички, изготовленные по ГОСТ 12969-67, на которых должны быть указаны: -наименование привода или его составной части; -год выпуска. Маркировка должна быть выполнена краской и трафаретом, либо выгравирована. Перед упаковкой неокрашенные поверхности должны быть законсервированы. Требования к транспортированию и хранению. Упакованные изделия транспортируются в открытых транспортных средствах всех видов в соответствии с правилами перевозки грузов на транспорте данного вида. Условия транспортирования и хранения должны быть соблюдены в соответствии с ГОСТ 15150-69. Экономические требования. Срок окупаемости затрат на разработку и освоение производства- не более 3-х лет. гидроцилиндр насосная привод сварка Содержание Введение Исходные данные 1. Подбор гидроцилиндров 2. Выбор насосной станции 3. Подбор регулирующей аппаратуры 4. Расчет трубопровода 5. Расчет потерь 6. Расчет потерь в приводе сжатия заготовки 7. Расчет регулировочной и механической характеристик 8. Принцип работы гидроцилиндра Заключение Список литературы Применение гидроприводов позволяет упростить кинематику машин, снизить металлоемкость, повысить точность, надежность и уровень автоматизации. Широкое использование гидроприводов определяется рядом их существенных преимуществ перед другими типами приводов и, прежде всего возможностью получения больших усилий и мощностей при ограниченных размерах гидродвигателей. Гидроприводы обеспечивают широкий диапазон бесступенчатого регулирования скорости, возможность работы в динамических режимах с требуемым качеством переходных процессов, защиту системы от перегрузки и точный контроль действующих усилий. С помощью гидроцилиндров удается получить прямолинейное движение без кинематических преобразователей, а также обеспечить определенное соотношение скоростей прямого и обратного ходов. Гидроприводы имеют и недостатки, которые ограничивают их использование в станкостроение. Это потери на трение и утечки, снижающие КПД гидропривода и вызывающие разогрев рабочей жидкости. При правильном конструировании, изготовлении и эксплуатации гидроприводов их недостатки могут быть сведены к минимуму. Для этого нужно знать хорошо унифицированные узлы станочного гидропривода, централизованно изготовляемые специализированными заводами, а также типовые узлы специального назначения. Исходные данные:
Привод сжатия заготовки:
Привод тормоза: Привод захватов заготовки:
Последовательность работы:3-1-2-3-1-2 Длина магистрали: 4,5м 1. Подбор гидроцилиндров Привод сжатия заготовки
1. Рассчитаем площадь гидроцилиндра F [3, с.381]:
где Pmax – максимальное усилие, Pmax =63000 Н; р – давление в системе МПа; выбирается из ряда стандартных значений( 6,3; 10; 12,5; 16; 20; 25; 32;40;50;63). Принимаем рабочее давление:
2. Расчетный диаметр поршня гидроцилиндра
где F – площадь гидроцилиндра, мм2 ; p - постоянная, p=3,14.
Выбираем гидроцилиндр: 1- 50х200 по ОСТ2 Г21-1-73 [2, с.48]: Позиция в гидросхеме -(1)
3. Действительная площадь гидроцилиндра
где D- диаметр поршня, мм; p - постоянная, p=3,14.
4. Рассчитаем расход Q [2, с.382]:
где
Привод тормоза.
1. Рассчитаем площадь гидроцилиндра F по формуле (1):
Принимаем рабочее давление:
2. Расчетный диаметр поршня гидроцилиндра
Выбираем гидроцилиндр: 1- 30х150 по ОСТ2 Г21-1-73 [2, с.48]: Позиция в гидросхеме -(2)
3. Действительная площадь гидроцилиндра
4. Рассчитаем расход Q по формуле (4):
Привод захватов.
1. Рассчитаем площадь гидроцилиндра F по формуле(1):
Принимаем рабочее давление:
2. Расчетный диаметр поршня гидроцилиндра
Выбираем гидроцилиндр: 1-70х3600 по ОСТ2 Г21-1-73 [2, с.48]: Позиция в гидросхеме -(3)
3. Действительная площадь гидроцилиндра
4. Рассчитаем расход Q по формуле (4):
2. Выбор насосной станции Выбираем насосную станцию типа 3АМЛ 48-84-УХЛ
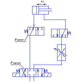
3 – исполнение по высоте гидрошкафа; А – с теплообменником и терморегулятором (исполнение по способу охлаждения); М – один агрегат за щитом (исполнение по количеству и расположению насосных агрегатов); Л – левое, расположение насосного агрегата; Г48-8 – обозначение насосной установки; 4 – исполнение по вместимости бака (160л.); УХЛ – климатическое исполнение по ГОСТ15150-69; 12Г12-23АМ – тип комплектующего насоса; 4А112МВ6– тип электродвигателя; 4Г49-33 – номер насосного агрегата. 3. Подбор регулирующей аппаратуры 1. Дроссель (гидроклапан давления) ДР-12 [2, с.160]: Позиция в гидросхеме - (8) Диаметр условного прохода 16 мм. Расход масла- Внутренние утечки 2. Дроссель с обратным клапаном (регулятор потока) КВМК 16 G 1.1 [2, с.160]: Позиция в гидросхеме -(4) Диаметр условного прохода16 мм. Расход масла- Потеря давления в клапане-0,1 МПа. Масса 1,1 кг. 3. Обратный клапан по ГОСТ 21464-76 [2, с.112]: Позиция в гидросхеме -(9) Диаметр условного прохода 10 мм. Расход масла- Утечки масла при номинальном давлении- 0,08 л/мин. Масса- 1,46 мин. 4. Редукционный клапан 20-32-1к-УХЛ 4 [2, с.131]: Позиция в гидросхеме -(6) Диаметр условного прохода 20 мм. Исполнение по номинальному давлению 32 МПа. Расход масла Q=40 л/мин. Исполнение по присоединению - резьбовое с конической резьбой (1к). Климатическое исполнение УХЛ, категория размещения 4. Потеря давления 5. Двухпозиционный гидрораспределитель [2, с.88] ВЕ 16-573-30/ОФ В220-50 Н.Д Позиция в гидросхеме -(5) В - гидрораспределитель золотниковый; Е - электромагнитное управление; 16- условный диаметр прохода; 573- вид исполнения; 30/- номер конструкции; ОФ - без пружинного возврата с фиксатором; В220-50- переменный ток с напряжением 220 В и с частотой 50 Гц; Н- электромагнит с управлением от кнопки; Д- подвод кабеля сверху к электромагниту. Расход масла Номинальное давление 32 МПА. Потери давления 0,55 МПа. 6. Трехпозиционный гидрораспределитель[2, с.88] ВЕ 16 -44А-31/ОФ В220-50 Н.Д Позиция в гидросхеме -(7) В - гидрораспределитель золотниковый; Е - электромагнитное управление; 16- условный диаметр прохода; 44А - вид исполнения по гидросхеме; 31/- номер конструкции; ОФ - без пружинного возврата с фиксатором; В220-50- переменный ток с напряжением 220 В и с частотой 50 Гц; Н- электромагнит с управлением от кнопки; Д- подвод кабеля сверху к электромагниту. Потери давления 0,55 МПа. Номинальное давление 32 МПА 4. Расчет трубопровода Принимаем материал труб. Ст. 20. Определение внутреннего диаметра трубопроводаВнутренний диаметр трубопровода [3, с.391]:
Q- расход жидкости,
Определение минимальной толщины стенок трубы для напорной и сливной магистралей [3, с.391]:
где р- давление в системе, МПа; d- внутренний диаметр трубопровода, мм. Для напорной магистрали
Для сливной магистрали
Определение наружного диаметра трубы.
где d-внутренний диаметр трубопровода, мм;
Для напорной магистрали
Для сливной магистрали
Выбираем трубу по ГОСТ 8734-75 [3,с.307351] бесшовная холоднодеформированная прецизионная: Для напорной магистрали 10 9 9 Для сливной магистрали 14 12 14 Выбор масла.
Масло минеральное И-30А [3, с.11]: Определение числа Рейнальдса [3, с.389]:
где Q- расход жидкости, d-внутренний диаметр трубопровода, мм;
если число Рейнальдса >2300 – поток турбулентный, если < 2300 ламинарный. Для напорной магистрали
Для сливной магистрали
Во всех ветвях магистрали поток имеет ламинарный режим течения жидкости. 5. Расчёт потерь Так как для всех трубопроводов режим течения ламинарный то потери в трубопроводах считаются по формуле [3, с.389]:: (9) где L- длина трубопровода, м; Q- расход жидкости, d-внутренний диаметр трубопровода, мм. Первый контур- привод сжатия заготовки: Второй контур- привод тормоза: Третий контур-привод захватов: 6. Расчет потерь в приводе сжатия заготовки Определимпотери в приводе сжатия заготовки:
где
7. Расчет регулировочной и механической характеристик Механическая характеристика [1, с.392]:
(13) где p - постоянная, p=3,14; D- диаметр поршня, м ; d-диаметр штока, м; p-плотность жидкости,
где
Рисунок 2 Изменение скорости движения штока гидроцилиндра от площади дросселя Регулировочная характеристика по формуле (13):
Рисунок 3 Изменение скорости от усилия на штоке гидроцилиндра 8. Принцип работы гидроцилиндра [2, с.48] Гидроцилиндр с односторонним штоком по ОСТ2 Г21-1-73
состоит из следующих деталей: гильзы 6, крышек 1 и 9, поршня 4, штока 10, разрезной гайки 2, тормозных втулок 3 и 5, фланцев 7, полуколец 8, втулки 11, передней опоры 12, крышки 14, дросселей 15, обратных клапанов 16 и винтов 17. Уплотнение поршня по диаметру в обеспечивается с помощью чугунных поршневых колец, а уплотнение штока по диаметру d- с помощью шевронных уплотнений 13, натяг которых регулируется путем изменения толщины пакета прокладок между крышками 4 и 9. Масло в цилиндр подводится через отверстия
Проектирование гидросхемы приводов машины проводится с целью автоматизации основных операций, выполняемых на машине для сварки трением при использовании элементов гидроавтоматики. В результате проделанной работы была спроектирована гидросхема привода машины для сварки трением. Рассчитаны основные характеристики и построены графики зависимостей (график изменения скорости движения штока гидроцилиндра от площади дросселя и график изменения скорости движения штока гидроцилиндра от усилия на штоке гидроцилиндра). Список литературы 1. Башта Т.М., Руднев С.С., Некрасов Б.Б. Гидравлика, гидромашины и гидроприводы: - М.: «Машиностроение», 1982.-423с. 2. Свешников В.К., Усов А.А. Станочные гидроприводы: Справочник.: - М.: «Машиностроение», 1988.-512с. 3. Свешников В.К., Усов А.А. Станочные гидроприводы: Справочник.: - М.: « Машиностроение», 1995.-448с. |

, (6)
- для привода сжатия заготовки;
- для привода тормоза;
- для привода захватов.
- для привода сжатия заготовки;
- для привода тормоза;
- для привода захватов.





Заключение